Preprint
Review

This version is not peer-reviewed.

Thermodynamic Models of Solid Oxide Fuel Cell (SOFC): A Review

A peer-reviewed article of this preprint also exists.

Submitted:

12 October 2024

Posted:

14 October 2024

You are already at the latest version

Abstract
In the delicate context of climate change and global warming new technologies are being investigated in order to reduce pollution. The solid oxide fuel cell (SOFC) stands out as one of the most promising fuel cell technologies for directly converting chemical energy into electrical energy, with the added benefit of potential integration into co-generation systems due to its high-temperature waste heat. They also offer multi-fuel flexibility, being able to operate on hydrogen, carbon monoxide, methane, and more. Additionally, they could contribute to carbon sequestration efforts and, when paired with a gas turbine, achieve the highest efficiency in electricity generation for power plants. However, their development is still challenged by issues related to high-temperature materials, the design of cost-effective materials and manufacturing processes, and the optimization of efficient plant designs.To better understand SOFC operation, numerous mathematical models have been developed to solve transport equations coupled with electrochemical processes for three primary configurations: tubular, planar, and monolithic. These models capture reaction kinetics, including internal reforming chemistry. Recent advancements in modeling have significantly improved the design and performance of SOFCs, leading to a sharp rise in research contributions. This paper aims to provide a comprehensive review of the current state of SOFC modeling, highlighting key challenges that remain unresolved for further investigation by researchers.
Keywords: 
;  ;  ;  ;  ;  

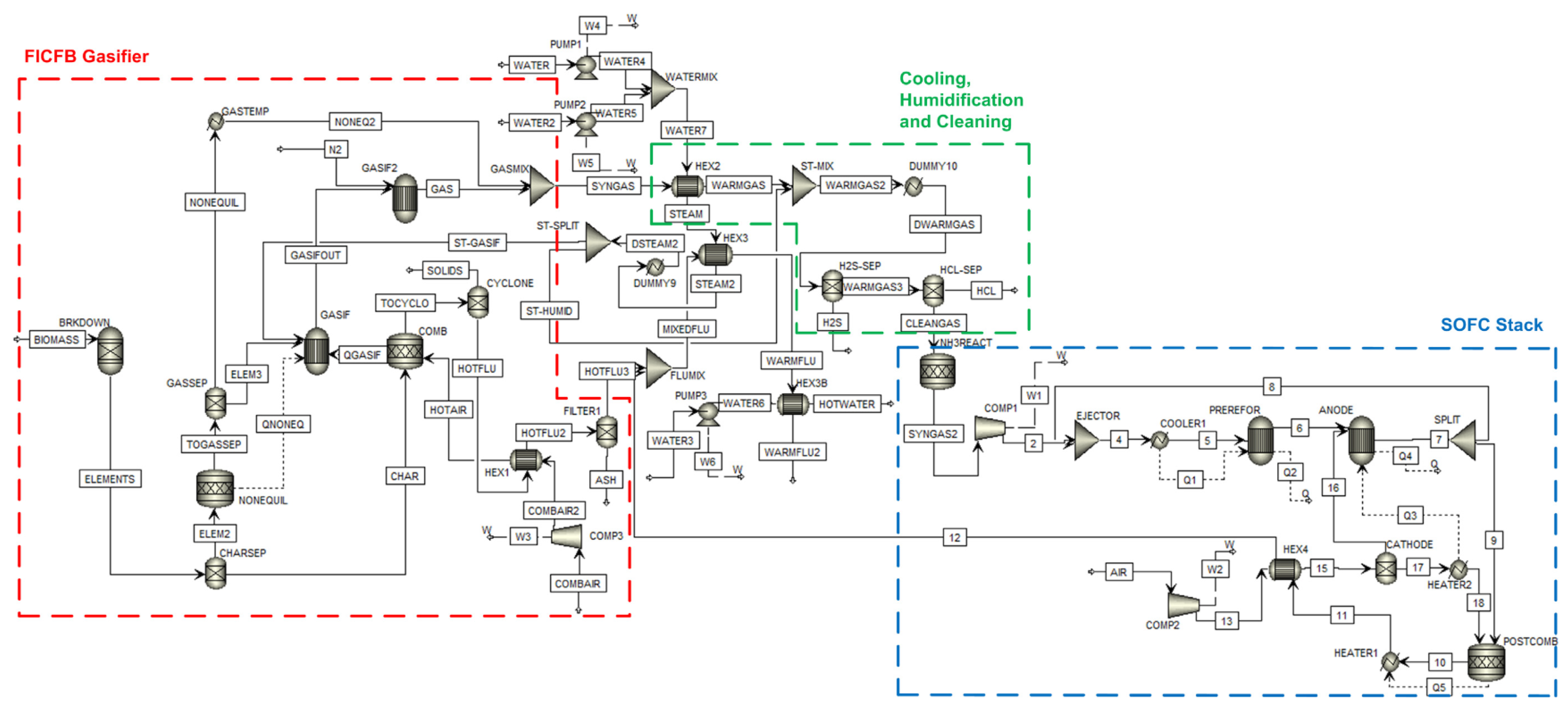
1. Introduction

The global demand for electricity and thermal energy is steadily rising. Currently, this demand is primarily met through the use of fossil fuels, particularly oil, coal, and natural gas. However, fossil fuels are losing their appeal as an energy source due to the pressing issues of global warming and climate change, as well as the urgent need for countries to secure their own energy sources to achieve energy independence [1,2]. In light of these concerns, recent years have seen researchers focus on finding viable alternatives to fossil fuels. Green hydrogen and biogas, as renewable fuels, are considered highly efficient alternatives [3,4]. Hydrogen, in particular, has proven to be a highly profitable energy carrier, capable of producing both thermal energy and electricity without generating CO2, and offering high efficiency due to its Lower Heating Value (LHV), which is about three times higher than that of hydrocarbon fuels (by mass) [5]. Biogas, on the other hand, is a gaseous biofuel composed mainly of CH4 and CO2 (typically 50-70% CH4 and 30-50% CO2), produced from bio-waste under anaerobic conditions. It also contains steam and some undesirable contaminants like H2S, NH3, siloxanes, and VOCs, whose amounts depend on the physicochemical properties of the bio-waste feedstock and the type of anaerobic digestion plant [6]. Both hydrogen and biogas can be used to generate electricity and thermal energy via gas turbines or Internal Combustion Engines (ICE) [7]. However, these methods result in lower efficiencies and higher emissions compared to using fuel cells, which can also accept gases with lower calorific values and more variable compositions, such as biogas, whose LHV depends on the bio-waste feedstock and anaerobic digestion process [8,9]. Among the various fuel cells, Solid Oxide Fuel Cells (SOFCs) represent one of the most advanced cogeneration technologies. SOFCs are high-temperature electrochemical systems that directly convert the chemical energy of the fuel into electrical energy and heat. They can operate with energy carriers like hydrogen and renewable sources such as biogas [6,10,11]. SOFCs can achieve electrical efficiencies of up to 60% and produce very low emissions, making their exhaust gases especially clean—an important factor in urban areas [12]. Additionally, integrating biogas with SOFCs presents a promising solution for the electrification of rural areas, enabling energy independence for rural communities while simultaneously addressing bio-waste issues. Recent research in the field of SOFCs has increasingly focused on system integration and control, following technological advancements, particularly in stack assembly and cell manufacturing of various cell types [13,14]. In the existing literature, four traditional SOFC-based systems have been extensively studied, covering various aspects such as modeling, optimization, technical and economic performance analysis, development of control strategies, and fault diagnosis:
  • Natural Gas (Methane) or Hydrogen-Fueled SOFC Systems – These systems are known for their simple structure and minimal emissions. Researchers like [15,16] conducted thorough static and dynamic analyses, focusing on power-switching control schemes to optimize SOFC power output during load tracking.
  • External Steam-Reforming SOFC Systems (SR-SOFC) – These systems offer fuel flexibility and relatively simple designs. Papurello et al. [17] demonstrated the need for an external reformer under steady operating conditions. Complete models of SR-SOFC systems were developed to study temperature distribution and design control strategies based on current [18,19]. Fault diagnosis and economic analyses for SR-SOFC cogeneration or tri-generation systems were also conducted [20,21].
  • SOFC/GT Hybrid Systems (SOFC-GT) – These hybrid systems achieve high electrical efficiency. Comprehensive modeling and analysis of SOFC-GT systems have been performed [22,23], alongside control strategies to meet daily load demands [24,25]. Researchers explored optimization techniques and control strategies for SOFC-GT systems [26,27,28].
  • SOFC/GT Hybrid Systems (SOFC-GT) – These hybrid systems achieve high electrical efficiency. Comprehensive modeling and analysis of SOFC-GT systems have been performed [22,23], alongside control strategies to meet daily load demands [24,25]. Researchers explored optimization techniques and control strategies for SOFC-GT systems [26,28].
SOFC performance is strongly influenced by the inlet fuel [29]. Although natural gas and hydrogen are the primary fuels studied, there are a few studies investigating SOFC performance using hydrogen-methane mixtures (hythane), biogas, and biohydrogen (which is an interim product in biogas production, consisting mainly of a 50/50 vol% mixture of H2 and CO2). Among these, biogas stands out as the most extensively researched biomass-derived fuel for SOFCs, showing improvements in both efficiency and durability compared to pure CH4 or natural gas [10,30,31]. This is largely due to the CO2 content in biogas, which, like steam, aids CH4 conversion through catalytic CO2 reforming at the anode (1) and helps prevent carbon deposition by promoting the highly endothermic Boudouard reaction (2) [23,32]. Moreover, similar to steam reforming, CO2 reforming of CH4 is highly endothermic, thus contributing to stack cooling [33,34].
  • CH4 + CO2 ⇔ 2H2 + 2CO
  • CO2 + C ⇔ 2CO
    Research on biohydrogen utilization in SOFCs is still limited [35,36,37,38,39,40,41], but it has demonstrated that electrochemical power generation and fuel conversion are closely linked to the reverse water-gas shift reaction (3), which is mildly endothermic and facilitates moderate stack cooling. During power generation, the steam produced by electrochemical H2 oxidation reacts with CO, preventing CO emissions in the anode output gases [36].
  • H2 + CO2 ⇔ H2O + CO
Studies on the use of hythane (CH4/H2) and biohythane (CH4/CO2/H2) mixtures in SOFCs are relatively scarce [42,43]. It has been observed that power generation in these mixtures primarily occurs through electrochemical H2 oxidation. Increasing the CH4 content reduces the electrical performance and durability of the cell, as carbon deposition becomes a concern [44,45,46]. However, using biohythane has shown higher SOFC efficiencies compared to other CH4-based fuels like natural gas and biogas, largely due to the presence of CO2 and H2 [43]. CO2 supports internal dry reforming of hydrocarbons, reduces the steam demand for SOFC fuel processing, and eliminates the need for expensive gas upgrading technologies for biomethane grid injection [47]. Additionally, H2 enhances SOFC electrical performance when operating on carbon-based fuels; adding 10 vol% H2 can increase SOFC electrical efficiency by up to 21%, depending on the operating voltage [47]. Cinti et al. [48] investigated the performance of an SOFC system at 750°C using a fuel mixture of hydrogen and methane. The study found that the highest electrical efficiency occurred with pure CH4, reaching about 50%, while the total efficiency was 75%. Mixing hydrogen with methane reduced electrical efficiency but improved overall system efficiency due to lower internal temperature gradients in the reforming SOFC stack. Cheng et al. [49] evaluated the performance of SOFC systems using hydrogen and methane. Their results indicated that while electrical efficiency decreased with higher power output, efficiency was higher at lower power levels for pure methane, and at higher power levels for pure hydrogen. The present review paper aims to investigate the most recent and significant literature in order to highlight the development and achievement of SOFC models. Indeed, chemical process engineers generally face two fundamental types of tasks: designing new processes and simulating existing ones. These tasks can vary significantly in complexity. For simple problems, manual calculations can be used, which offer the advantage of a deeper understanding of the problem. However, when dealing with complex problems, where it is often necessary to solve thousands of equations, manual calculations become impractical. This is where the crucial importance of process simulators comes into play, making them an indispensable tool for tackling such challenges. Process simulators not only save time but also provide a fast and reliable representation of the real process. This allows for accurate estimates of results and facilitates plant optimization. Thanks to these tools, it is possible to efficiently analyze and modify processes, reducing costs associated with new processes and improving the quality of design and operations. In summary, process simulators are powerful tools for managing complexity and enhancing performance in engineering, contributing to more informed decision-making and optimizing industrial operations. The most common simulator for chemical engineering purpose is ASPEN plus, that was developed at the Massachusetts Institute of Technology (MIT) as part of a project by the United States Department of Energy to simulate coal conversion processes. Today, it has become a powerful tool for engineers to model chemical processes, energy generation, and other types of processes. This type of system is known as a sequential modular simulator. Additionally, Aspen Plus offers functionality based on an equation-oriented approach in some of its models, which allows for practical use of design specifications in process modeling and solving problems with strict specifications.

2. SOFC Models

Pianko-Oprych and Palus (2017) [50], developed a thermodynamic simulation model using Aspen Plus for a SOFC-based power generation system, as shown in Figure 1. The work was carried out in two main phases. In the first phase, a steady-state model was created that integrates electrochemical and diffusion phenomena. Subsequently, a parametric study was conducted to evaluate how the oxygen/carbon (O/C) ratio affects various aspects of the system, such as the reformer and fuel cell temperature, fuel utilization, and overall cell performance. In the second phase, a dynamic analysis was developed to explore the system’s response to variations in the O/C ratio and fuel utilization.
The SOFC block was simulated in Aspen Plus using the following modules, as shown in Table 1.
The main results are shown in Figure 2 and Figure 3, and the power generated by the SOFC is 121 W. Although the model allows for a detailed description of the thermodynamics and electrochemical behavior of SOFCs, it exhibited some significant shortcomings.
In particular, deviations emerged at lower current density points, indicating that the model may not be entirely accurate under these conditions.
Moreover, the integration of existing Aspen Plus/Aspen Dynamics functions with user-defined subroutines added complexity, potentially limiting the model’s ease of use and versatility. These factors raise concerns about the model’s reliability in real-world application scenarios and its ability to accurately predict SOFC system performance under all operating conditions.
As observed from the simulation, increasing the current density leads to a decrease in voltage but an increase in power. However, the voltage decreases significantly due to voltage losses, which are normal in such systems. Fuel utilization is a crucial parameter that influences the cell voltage. When fuel utilization decreases, the voltage decreases as well, and vice versa. Nevertheless, rapid changes may lead to temperature spikes that could damage the cell.
The air-CPOx ratio ( λ ) was also evaluated, which has a less significant effect on cell voltage compared to fuel utilization. However, there is a balance between efficiency and the risk of carbon formation, limiting the possibility of reducing the air-CPOx ratio too much.
Hauck et al. (2017) [51], developed and evaluated a thermodynamic simulation model in Aspen Plus for a reversible SOFC. This model includes a module for electrolysis and a fuel cell module, the latter based on the existing non-reversible SOFC model by Tjaden et al. (2014) [52], shown in Figure 4. The electrolysis module simulates both water electrolysis and catalytic reactions of the inlet gases.
The reversible SOFC in question was simulated in Aspen Plus, as shown in Figure 5.
The SOFC block was simulated in Aspen Plus using the following modules, as shown in Table 2:
In the present study, although the model provides a detailed description of reaction kinetics and has been validated with empirical data, it presents some shortcomings.
Specifically, modeling as REquil, although supported by the results, may not accurately represent the real dynamic behavior of the RSOFC, limiting the accuracy of predictions under variable operating conditions.
Moreover, the simulation neglected CO2 electrolysis, assuming that the reverse WGS reaction is predominant, a simplification that may not apply to all operating conditions.
Another critical point concerns the influence of hydrogen and steam concentration in the inlet stream. While it was observed that increasing hydrogen improves the fuel cell mode at the expense of electrolysis, this complex interaction may require further analysis to avoid undesirable conditions in real-world operations.
Additionally, while increasing the operating temperature showed benefits for most conditions, the model may not adequately account for the impact of these high temperatures on long-term degradation phenomena in the cells, a critical aspect for durability and operational costs.
Finally, operating under pressure, although advantageous for the fuel cell mode, presents uncertainties regarding the ability of kinetic improvements to offset the negative effects of the higher Nernst potential in electrolysis.
The study by Russo et al. (2023) [53], proposes the installation of a 12 MW SOFC onboard a large cruise ship, powered by LNG. The SOFC system would not only generate electrical power but also contribute to the ship’s thermal requirements through a heat recovery system. To optimize the onboard layout and predict the performance of the integrated system, a zero-dimensional model was developed using Aspen Plus. The layout is shown in Figure 6. Various operational parameters, such as the fuel utilization factor, preheated air temperature, anode recycling flow, and exhaust gas temperature, were varied to evaluate the overall plant efficiency. The model was validated with data from literature and commercial SOFC modules, and the plant’s performance was analyzed within an efficiency range of 60-40%.
The SOFC block was simulated in Aspen Plus using the following modules, as shown in Table 3.
The installation of a 12 MW SOFC on an LNG-powered cruise ship has been evaluated to reduce emissions, particularly during docking in ports. However, the implementation has highlighted several critical issues. The integration of the system onboard proved to be complex, and the model developed in Aspen Plus exhibited efficiency limitations.
Moreover, the SOFC plant, organized in 300 kW modules, requires significantly more space than an internal combustion engine of equivalent power, creating feasibility issues. High costs and concerns about durability have also raised doubts about the practicality of this solution for a cruise ship.
The study by Hentati et al. (2024) [54], explores the use of a SOFC combined with a gas turbine (GT) simulated in Aspen Plus to recover flared gas and produce electricity, thereby reducing atmospheric emissions and preventing energy loss. A numerical model of the system was developed, showing that the steam reforming (SR) scenario at the anode of the SOFC is the most efficient, ensuring a higher concentration of hydrogen in the reforming gas. By integrating the SOFC with GT technology, the system achieved a maximum power density of approximately 3 kW/m² and a total power output of 1.238 MW. The layout simulated in Aspen Plus is shown in Figure 7.
The SOFC block was simulated in Aspen Plus using the following modules, as shown in Table 4.
In this study, a numerical model was developed to valorize flared gas using Aspen Plus and Matlab. A gas turbine was integrated with the SOFC system, achieving a maximum power output of 1238.049 kW for a stack area of 191.2 m². Although the model identifies a promising approach for utilizing flared gas in SOFCs, several significant shortcomings emerge. For instance, while steam reforming (SR) was identified as the optimal scenario for maximizing power, the complexity of the process and the need for accurate steam management may limit the practical effectiveness of this approach, especially under variable operating conditions.
Moreover, integrating a gas turbine has proven to enhance the performance of the hybrid system, but the model does not adequately consider the challenges associated with industrial scalability, such as heat management and long-term reliability of the system.
The economic analysis highlighted a relatively low electricity production cost (0.08 $/kWh), but this estimate may not fully reflect maintenance and management costs of complex systems like SOFCs coupled with a gas turbine. Additionally, the environmental analysis, while showing a reduced CO2 impact, does not address other possible pollutant emissions or the degradation of the cell over time.
Finally, the sensitivity analysis suggests that variations in fuel flow have a significant impact on production costs, but the model does not sufficiently explore how these variations might affect operational stability or failure risks.
In the study by Veluswamy et al. (2019) [55], biogas and bio-hythane were investigated as renewable energy sources for SOFCs. Bio-hythane, with a composition of 58% CH4, 35% CO2, and 7% H2, proved to be more efficient and produced lower CO2 emissions compared to traditional biogas. The study was conducted on a 120 kW SOFC stack and showed that bio-hythane produces less CO and offers better performance in hybrid SOFC systems. Simulations recommend using bio-hythane with a steam-to-carbon ratio (STCR) of 2.0 and a current of 200 mA/cm².
The layout simulated in Aspen Plus is shown in Figure 8.
The SOFC block was simulated in Aspen Plus using the following modules, as shown in Table 5.
Bio-hythane derived from two-stage anaerobic digestion has been proposed as a better option compared to traditional biogas for SOFC systems. However, there are several critical areas that require further attention. Although bio-hythane produces less biogenic CO2 at the anode and less CO in the reformer, the reduction is only 6%, which may not be sufficient to justify the transition to this technology on a large scale, especially considering the additional complexities of two-stage digestion compared to single-stage digestion.
Moreover, the negative effect of H2 in the fuel on the carbon stoichiometric coefficient could pose a significant challenge to the overall efficiency of the SOFC system, as it may lead to more complicated fuel balancing management and increased operational instability. The limited impact on WGS reactions also raises doubts about the effectiveness of this fuel blend in enhancing overall energy conversion.
Finally, while bio-hythane is considered a potentially sustainable renewable energy resource in the long term, the model does not adequately address the challenges related to the production, storage, and distribution of this fuel, which could limit its practical applicability on a large scale.
The study by Saebea et al. (2021) [56] proposes an energy generation system that integrates a steam reformer with a SOFC powered by various fuels, including ethanol, glycerol, and biogas. The thermodynamic simulations performed with Aspen Plus show that the SOFC system powered by glycerol offers the best performance in terms of cell and system efficiency, as well as optimal fuel utilization. Moreover, the integrated system produces low CO emissions and generates more useful heat for the surrounding environment.
The layout simulated in Aspen Plus is shown in Figure 9.
The SOFC block was simulated in Aspen Plus using the following modules, as shown in Table 6.
The analysis has shown that the current density affects the composition of the exhaust gases and the energy consumption of the SOFC-H+ system. However, the results highlight some weaknesses. Although a moderate current density value (1 A/cm2) was selected to balance the system’s performance and the composition of the exhaust gases, the increase in CO concentration in the exhaust gases at higher current densities could pose an environmental issue that was not sufficiently explored in the study.
Furthermore, while the use of glycerol as a fuel has demonstrated superior efficiency and a capacity to generate more heat compared to other fuels, the research does not delve into the potential challenges associated with the sustainable production and treatment of glycerol as a fuel on a large scale. This could limit the practical applicability of glycerol in the SOFC context.
Finally, the study does not examine in detail the long-term impact of using glycerol on the durability of the SOFCs, nor the possible issues related to fouling or catalyst poisoning, which could compromise the reliability and efficiency of the system over time.
The article by Sadhukhan et al. (2010) [57] explores the design of micro-CHP systems based on SOFC, integrated with syngas derived from biomass, for use in residential buildings. Using models developed with Aspen Plus, the study demonstrates that effective thermal integration between the SOFC’s inlet and outlet gases can significantly improve the system’s overall efficiency. The micro-CHP SOFC system, when integrated into homes with a community-scale gasification plant, can achieve an overall energy efficiency of 85%, compared to 42% without such integration. Furthermore, the article suggests that optimal SOFC operation should focus on maximizing electrical efficiency, but to meet the high residential heat demands in the UK, integration with other heat-based renewable technologies is necessary.
The simulated scheme in Aspen Plus is shown in Figure 10.
The block concerning the SOFC was simulated in Aspen Plus with the following modules, as shown in Table 7.
The presented analysis highlights the potential of micro-CHP systems based on SOFC integrated with syngas derived from straw, but several critical issues clearly emerge. Despite the high energy efficiency achievable by SOFCs compared to conventional gas turbines, the study does not adequately address the problems of intermittent electricity supply associated with heat-driven CHP technologies, especially during the summer months when heat demand is low. This could limit the reliability and continuity of the energy system.
Moreover, integration with other renewable technologies such as syngas boilers, geothermal (GSHP) and air-source (ASHP) heat pumps seems to be a proposed solution to balance energy demand, but the study does not explore the technical and operational complexities of such integrations in depth.
Lastly, the proposal to use syngas derived from straw as the primary fuel raises questions about the long-term availability and sustainability of this resource, as well as the potential emissions and environmental impacts associated with its large-scale production and use. Despite the final recommendations to maximize electrical efficiency through full energy integration, the lack of a detailed analysis of operational challenges and environmental issues limits the study’s conclusion, suggesting that further research is needed to validate the real feasibility and sustainability of the project.
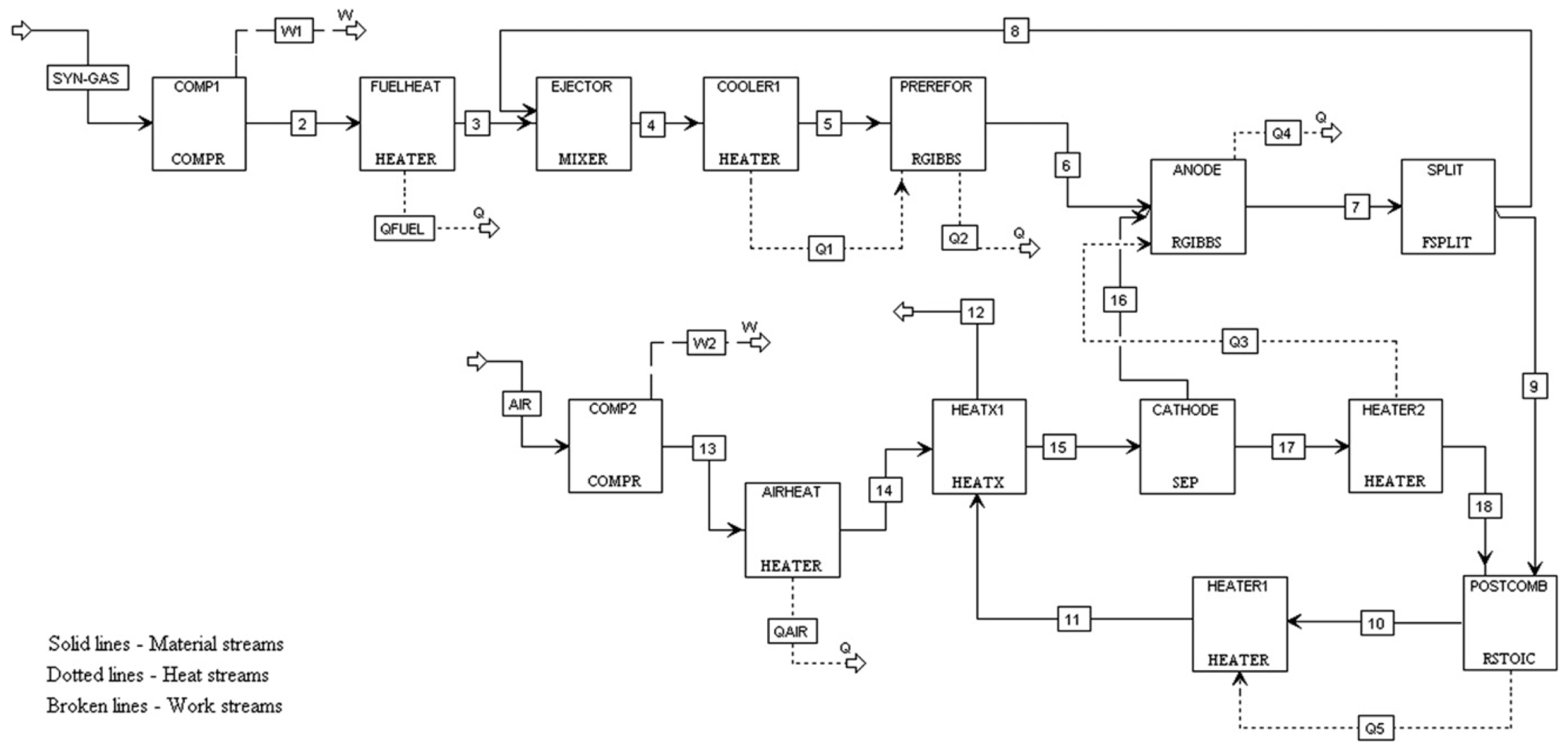
The study by Doherty et al. (2009) [58], on the other hand, analyzes the performance of a tubular SOFC, using biomass-derived syngas in a CHP system. The SOFC, modeled through Aspen Plus and validated with literature data, shows that its operation with biomass syngas results in a drop in performance compared to the use of natural gas, mainly due to the lower quality of the syngas. However, the analysis identifies optimal operating conditions that maximize electrical efficiency, indicating that SOFCs powered by biomass syngas are technically feasible and can achieve high efficiencies, making them ideal for CHP applications.
The simulated scheme in Aspen Plus is shown in Figure 11.
The block concerning the SOFC was simulated in Aspen Plus with the following modules, as shown in Table 8.
The model was validated by comparing the results with available data for natural gas and underwent sensitivity analyses to examine the impact of parameters such as current density, steam-to-carbon ratio (STCR), and fuel utilization factor (Uf). It emerged that the use of biomass syngas, compared to natural gas, leads to a reduction in efficiency. This decrease is due to the lower quality of the gas and the increased fuel and air flow rates required. The cell voltage, gross and net efficiency, and DC power are all lower with biomass syngas, although the efficiency remains higher than that of traditional biomass systems.
Another critical issue is the trade-off between operating parameters. Current density negatively affects both efficiency and system power, requiring a balance between these parameters to optimize performance. Furthermore, maintaining a low steam-to-carbon ratio is essential to prevent carbon formation, but this may compromise the system’s long-term stability and efficiency. Similarly, while a high fuel utilization factor improves efficiency, if too high, it causes significant concentration losses, reducing overall efficiency.
The study by Zhang et al. (2005) [59], simulates a tubular SOFC plant using unit operation models in Aspen Plus. Since commercial simulators do not have a built-in SOFC stack model, the authors propose an alternative approach by developing an SOFC model directly within Aspen Plus using existing functions. The model was validated, and sensitivity analyses were conducted on various operating parameters.
The simulated scheme in Aspen Plus is shown in Figure 12.
The block concerning the SOFC was simulated in Aspen Plus with the following modules, as shown in Table 9.
The model was developed based on literature descriptions of the Siemens-Westinghouse tubular SOFC technology. It was calibrated with published performance data. Sensitivity analyses showed that the electrical efficiency of the cell reaches a maximum value of 52% when the fuel utilization factor (Uf) is 0.85. Furthermore, an increase in Uf leads to a rise in the concentration of CO2 in the anode outlet flow.
A critical issue in this research is the method and correlations used to calculate the cell voltage, which are the main limiting factors of the flexibility and accuracy of the developed model. The model could be improved by developing a model based on fundamental phenomena rather than semi-empirical relationships.
The study by Ameri and Mohammadi (2013) [60] simulates a hybrid system of SOFC and atmospheric gas turbine using Aspen Plus software. Additionally, a parametric analysis was performed to evaluate the effects of variations in operating conditions on system performance.
The schematic simulated in Aspen Plus is shown in Figure 13.
The SOFC block was simulated in Aspen Plus using the following modules, which are reported in Table 10.
The model developed for a hybrid SOFC/GT system, based on Siemens-Westinghouse’s tubular SOFC with internal reforming technology, highlighted several significant challenges.
The simulation showed that increasing the utilization factor (Uf) from 0.6 to 0.95 results in a significant reduction in fuel cell voltage, due to an increase in polarization losses and greater fuel depletion. Although the system efficiency reaches its peak with a Uf of 0.85, exceeding this value leads to a drastic decrease in voltage and overall efficiency, resulting in increased fuel consumption. Therefore, a Uf higher than 0.85 proves to be counterproductive for system efficiency.
One of the critical issues identified is the management of current density. Increasing the current density from 1600 to 2400 A/m², while maintaining a Uf of 0.85, causes a decrease in system efficiency and voltage due to increased ohmic and concentration losses. This means that, although increasing the current density can enhance the output power, it comes at the cost of efficiency. This trade-off can be problematic in contexts where energy efficiency is a priority.
The main challenge lies in managing the balance between efficiency and generated power. While operating at low current density allows maximizing efficiency, it limits the total power produced. This trade-off represents a significant challenge in designing SOFC/GT systems, as the increased losses from higher operating parameters can reduce the benefits of the cycle’s theoretical high efficiency.
Finally, despite the cycle being able to achieve a very high electrical generation efficiency (68.2%), superior to that of combined cycle plants (50%), the operational management of the system must be carefully calibrated. The issues highlighted by the simulation show the importance of carefully balancing operating parameters to avoid sacrificing efficiency in favor of power or vice versa.
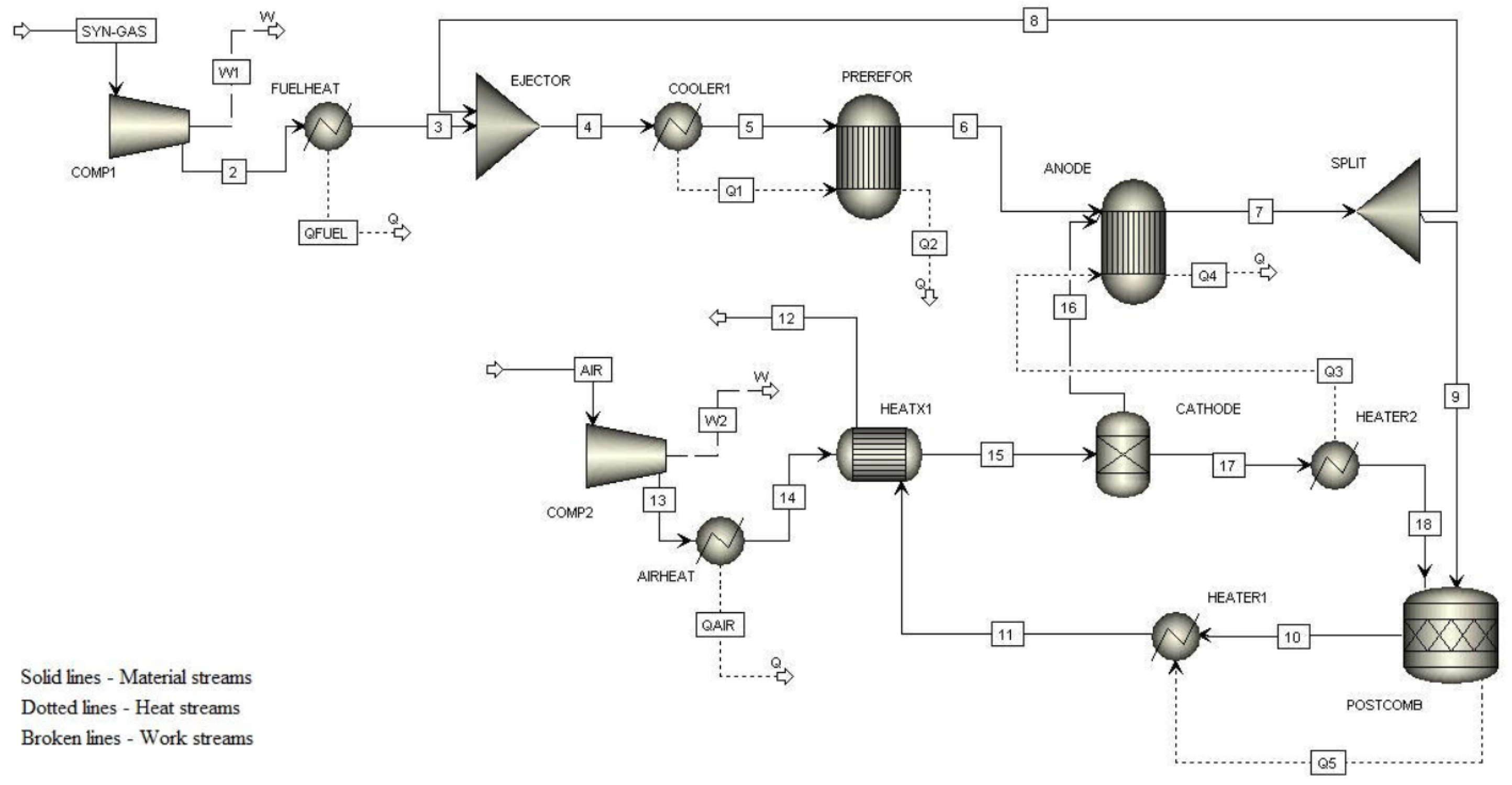
Doherty, Reynolds, and Kennedy (2010) [61] simulated a biomass gasification and SOFC power system using Aspen Plus. The main goal of the research was to develop a model to predict the system’s performance under different operating conditions. The model, which uses Gibbs free energy minimization to calculate voltage and losses, was validated with natural gas data and considers various operating parameters such as the fuel utilization factor (Uf), current density (j), and steam-to-carbon ratio (STCR). The model allows for heat and mass balances and provides a detailed analysis of the system’s performance.
The schematic simulated in Aspen Plus is shown in Figure 14.
The SOFC block was simulated in Aspen Plus using the following modules, which are reported in Table 11.
The model developed for the 100 kW AC CHP tubular SPGI SOFC system using Aspen Plus revealed several significant challenges in predicting the performance of the biomass-SOFC system.
Firstly, increasing the fuel utilization factor (Uf) improves efficiency but leads to a reduction in cell voltage. This means that, to achieve higher efficiency, the system must operate at a high Uf, which can compromise the voltage and thus the overall performance of the system.
Another challenge concerns the current density: as it increases, both the voltage and efficiency decrease, even though the output power increases. Managing this trade-off between power and efficiency is crucial for optimizing the system’s performance.
Additionally, the steam-to-carbon ratio (STCR) must be kept sufficiently low to avoid carbon formation issues but not so low as to compromise the system’s overall performance.
Finally, the comparison between operation with biomass syngas and natural gas highlighted that using syngas results in a significant reduction in voltage and efficiency, due to the lower quality of syngas and the increased fuel and air flows required.
Amiri et al. (2016) [62] developed a planar SOFC system model in Aspen Plus with a 3D module for the stack. Two cases were examined: the effect of non-uniform flow distribution in the stack collector on internal variables, and the interaction between the stack and the BoP1, with particular focus on depleted fuel recycling.
The results showed that recycling the anode gas can manage gradients in the stack and improve fuel efficiency and water management.
In this research, a modeling framework for an SOFC system was presented before the flowsheet, as shown in Figure 15, dividing the system into different scales of analysis. These scales help to understand and address specific problems that arise at various levels of the system, from microscopic to macroscopic.
The blocks in Figure 15 were analyzed as follows:
  • Compartment Scale (1 μ m – 1 cm): This scale focuses on analyses at a very small level, often at the level of a single compartment within the fuel cell. This compartment could be a single channel or a portion of material within the cell. Typical issues include: reaction kinetics, fuel conversion and carbon deposition, and improvements in materials and catalysts;
  • Channel Scale (1 cm – 10 cm): This scale analyzes the channels within the cell, where fuel and air flow. It is an intermediate scale that connects the microscopic analysis of compartments with the more macroscopic analysis of entire cells. Typical issues include: configuration of fuel and air flows, flow regimes, and residence time distribution;
  • Cell Scale (1 cm – 10 cm): This scale deals with the entire fuel cell. Here, the dynamic and thermal behavior of the entire cell is examined. Typical issues include: thermal management, cell durability, and dynamic behavior of the cell;
  • Stack Scale (10 cm – 1 m): This scale analyzes the stack, which is the combination of multiple fuel cells connected in series or parallel to produce large-scale power. Typical issues include: energy integration of the stack, process stability, and start-up and shutdown dynamics;
  • System Scale (1 m – 10 m): This is the largest scale, where the entire SOFC system is considered, including auxiliary components known as BoP (Balance of Plant). Typical issues include: process optimization, process dynamics and control, and commercialization of the process.
Moving on to the central part, namely the Modelling Communication Framework. This framework integrates the various software tools used to simulate and analyze the SOFC system at all scales:
  • Aspen Custom Modeller: Used for detailed modeling and programming of individual elements;
  • Aspen Properties: Provides component properties and fluid packages needed for the simulations;
  • Aspen Plus: Employed for process flow simulations and system-level process analysis;
  • MATLAB: Used for data processing after the simulation, through the use of Excel spreadsheets.
The schematic simulated in Aspen Plus is shown in Figure 16.
The SOFC block was simulated in Aspen Plus using the following modules, which are reported in Table 12.
The effectiveness of the model has been demonstrated in previous studies at the compartment and cell levels. This work extends the methodology to higher scales, such as the stack and the system, allowing for the examination of the influence of the BoP on stack performance. The results indicate that it is possible to improve the uniformity of internal temperature and current density profiles by adjusting BoP parameters, such as the AGR fraction. The adopted approach also facilitates the simulation of different fuel-air flow schemes in the cell and stack. However, challenges arise, such as the complexity in managing BoP parameters and the significant computational demand of the multi-scale model. Furthermore, the work requires further developments to be applicable in real operational contexts, suggesting that the model still needs optimizations and additional validations.
The study by Doherty et al. (2015) [63] analyzes the integration of SOFCs in combined heat and power (CHP) systems based on biomass gasification (BG-SOFC). Using Aspen Plus to simulate different scenarios, the results show that thermal integration, such as using SOFC exhaust gases as an oxidant in the gasifier, is advantageous. Additionally, it is recommended to lower the syngas preheating temperature before it enters the SOFC anodes. The system with anode recycling proves to be better than those with cathode recycling or electric heater integration. The simulations indicate that BG-SOFC CHP systems are technically feasible and can achieve high efficiencies, confirming their potential to improve energy efficiency and reduce emissions.
The schematic simulated in Aspen Plus is shown in Figure 17.
The SOFC block was simulated in Aspen Plus using the following modules, which are reported in Table 13.
The research work utilized Aspen Plus to model different configurations of BG-SOFC systems, demonstrating technical feasibility and the influence of operational parameters. However, several challenges arise in the context of SOFCs integrated with biomass gasification:
  • Cathode air recirculation: The results indicate that cathode air recirculation and the use of an electric heater for syngas preheating do not offer significant advantages over the baseline system with anode recirculation. This suggests that research into alternatives for syngas preheating may not yield significant performance improvements;
  • Syngas cleaning temperature: Although high-temperature syngas cleaning is advantageous for reducing plant complexity, the system does not specifically address the associated costs and technical challenges related to this research;
  • Biomass moisture: High biomass moisture negatively affects the plant’s efficiency. However, the study does not thoroughly explore practical solutions for reducing biomass moisture or improving the management of fuels with high moisture content;
  • Thermal integration: Thermal integration between the gasifier and the SOFC is considered interesting, but the work does not delve into the complexities of such integration and how these may impact the efficiency and practicality of the system in the long run.
In summary, while BG-SOFC systems can offer high efficiencies, it is essential to address the associated issues and costs more thoroughly, as well as to explore solutions for improving biomass management and syngas cleaning.
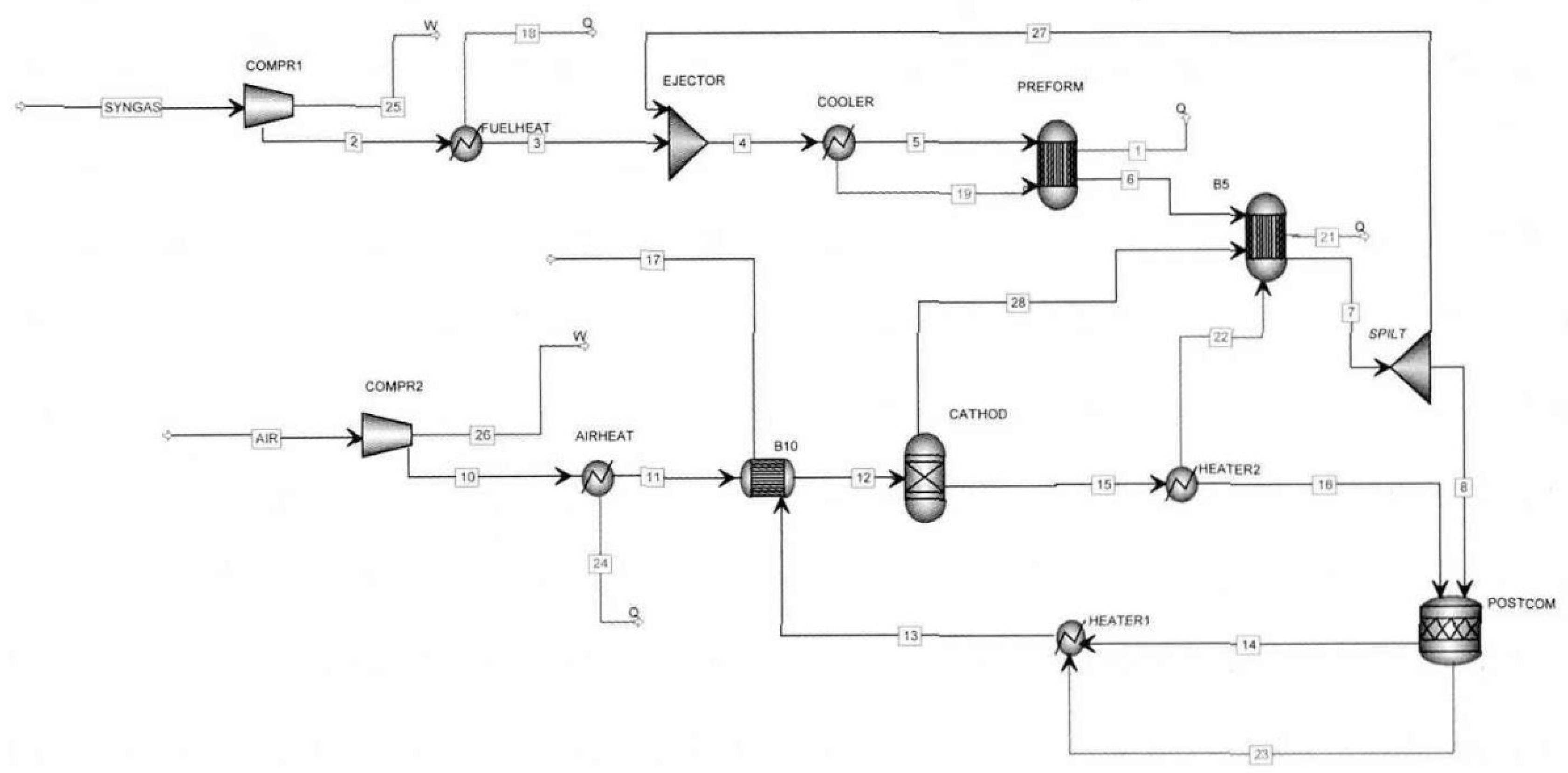
The study by Rudra and Kim (2010) [64] examines the SOFC as a promising technology for high-efficiency electricity generation. Using sulfur-free syngas as fuel in an IGFC system, the SOFC directly converts chemical energy into electrical energy and can be integrated into cogeneration applications due to its high operating temperature. The authors developed a simulation model of the SOFC using Aspen Plus, taking into account various types of fuels and the different losses in the system.
The results show a trade-off between efficiency and power based on the properties of the syngas and highlight a decline in performance when the SOFC operates with coal compared to syngas.
The schematic simulated in Aspen Plus is shown in Figure 18.
The SOFC block was simulated in Aspen Plus using the following modules, which are reported in Table 14.
In the present study, several significant challenges emerged. Although the simulation model developed for the SOFC using Aspen Plus is effective in predicting the system’s performance under various operating conditions, some issues have been identified.
Firstly, the accuracy of the model depends on the quality of the data and assumptions used. Furthermore, while simulation method ’A’ demonstrated better results for the operation of the HRSG (Heat Recovery Steam Generator), it is not guaranteed to be applicable under all operating conditions. There may be alternative methods that provide superior results in other situations.
The sensitivity analysis conducted highlighted the importance of using appropriate parameters for evaluating losses and chemical reactions, but the adopted assumptions may not cover the entire real variability of the parameters. Additionally, the models used may not fully reflect the complexity of real processes, such as internal heat exchange and hydrocarbon reforming reactions, necessitating a more detailed and realistic assessment of these aspects.
Finally, the research objectives in the field of coal gasification and fuel cells are ambitious, and achieving them may require further technological developments and advancements in research.
Finally, the work of Marcantonio et al. (2020) [65] focuses on the design and simulation of a biomass-SOFC system using Aspen Plus. This steady-state model allows for predicting the performance of a SOFC system powered by syngas produced through biomass gasification. The developed model does not use external subroutines but only standard Aspen Plus blocks, making it simpler and more reliable. The results show that the simulation of the syngas composition and the behavior of the system align with available literature data. The sensitivity analysis highlights a trade-off between voltage, electrical efficiency, and power as a function of current density, and suggests maintaining a low steam-biomass ratio. The electrical efficiency of the system, at 57%, is high, making syngas-powered SOFCs a very promising option for energy production.
The schematic simulated in Aspen Plus is reported in Figure 19.
The block regarding the SOFC was simulated in Aspen Plus with the following modules, which are reported in Table 15:
The analysis showed that a low steam-to-biomass (S/B) ratio is preferable to improve electrical efficiency and reduce CO2 formation in the exhaust gas. It was highlighted that the current density affects the voltage, power, and electrical efficiency of the SOFC, with optimal current density values between 1800 and 2000 A/m² producing a voltage of 1.1 V, a power output of 850 W/m², and an electrical efficiency of 57%. Furthermore, an increase in the concentration of CO and incoming air to the SOFC can enhance the power output of the SOFC.

3. Conclusions

The present review paper pointed out that while SOFC systems have been extensively discussed in literature, most studies focus on a single pure fuel or mixtures of pure fuels, without analyzing the impact of switching between hydrogen, natural gas/methane, methane-hydrogen blends, biogas, and biohydrogen. These fuel variations significantly affect system performance, as highlighted in existing research. Furthermore, there is a lack of studies evaluating different SOFC technologies (anode-supported and electrolyte-supported) when fueled by these diverse sources. The present review paper aims to point out these gaps and the need to model a highly flexible SOFC system capable of integrating various stack technologies and operating with any fuel mixture of natural gas, hydrogen, and CO2. This must include pure natural gas, pure hydrogen, and combinations of methane, hydrogen, and CO2. The SOFC stack technologies considered need to cover a broad range: from low-temperature, anode-supported stacks operating at 650°C to high-temperature, electrolyte-supported stacks running at 800°C. This approach enables full stack interchangeability within the same system, promoting a barrier-free market for stack and system manufacturers by standardizing the stack-to-system interface. Indeed, researchers need to focus on the modelling a SOFC system that integrates renewable energy and the use of hydrogen and biofuels within natural gas infrastructure. This will result in reduced emissions, improved energy efficiency, and enhanced fuel flexibility. This adaptability is crucial in the evolving energy landscape, as it facilitates greater renewable fuel injection into gas networks, reduces reliance on natural gas in the power sector, cuts emissions, boosts efficiency, improves reliability, and lowers the cost of clean, high-efficiency energy generation systems.

References

  1. Johnsson F, Kjärstad J, Rootzén J. The threat to climate change mitigation posed by the abundance of fossil fuels. Clim Policy 2019;19:258–74. [CrossRef]
  2. Gaulin N, Le Billon P. Climate change and fossil fuel production cuts: assessing global supply-side constraints and policy implications. Clim Policy 2020;20:888–901. [CrossRef]
  3. Mazloomi K, Gomes C. Hydrogen as an energy carrier: Prospects and challenges. Renew Sustain Energy Rev 2012;16:3024–33. [CrossRef]
  4. Mishra A, Kumar M, Bolan NS, Kapley A, Kumar R, Singh L. Multidimensional approaches of biogas production and up-gradation: Opportunities and challenges. Bioresour Technol 2021;338:125514. [CrossRef]
  5. Balat H, Kirtay E. Hydrogen from biomass - Present scenario and future prospects. Int J Hydrogen Energy 2010;35:7416–26. [CrossRef]
  6. Wasajja H, Lindeboom REF, van Lier JB, Aravind PV. Techno-economic review of biogas cleaning technologies for small scale off-grid solid oxide fuel cell applications. Fuel Process Technol 2020;197:106215. [CrossRef]
  7. Sobrino FH, Monroy CR, Pérez JLH. Critical analysis on hydrogen as an alternative to fossil fuels and biofuels for vehicles in Europe. Renew Sustain Energy Rev 2010;14:772–80. [CrossRef]
  8. Su B, Han W, Zhang X, Chen Y, Wang Z, Jin H. Assessment of a combined cooling, heating and power system by synthetic use of biogas and solar energy. Appl Energy 2018;229:922–35. [CrossRef]
  9. Moradi R, Marcantonio V, Cioccolanti L, Bocci E. Integrating biomass gasification with a steam-injected micro gas turbine and an Organic Rankine Cycle unit for combined heat and power production. Energy Convers Manag 2020;205:112464. [CrossRef]
  10. Saadabadi SA, Thallam Thattai A, Fan L, Lindeboom REF, Spanjers H, Aravind PV. Solid Oxide Fuel Cells fuelled with biogas: Potential and constraints. Renew Energy 2019;134:194–214. [CrossRef]
  11. Marcantonio V, Monarca D, Villarini M, Di Carlo A, Del Zotto L, Bocci E. Cleaning and SOFC Model: A Parametric Analysis. Unpublished.
  12. Marcantonio V, Del Zotto L, Ouweltjes JP, Bocci E. Main issues of the impact of tar, H2S, HCl and alkali metal from biomass-gasification derived syngas on the SOFC anode and the related gas cleaning technologies for feeding a SOFC system: A review. Int J Hydrogen Energy 2022;47:517–39. [CrossRef]
  13. Kobayashi Y, Ando Y, Kishizawa H, Tomida K, Matake N. Recent Progress of SOFC-GT Combined System with Tubular Type Cell Stack at MHI. ECS Trans 2013;51:79–86. [CrossRef]
  14. Lee K, Kang S, Ahn KY. Development of a highly efficient solid oxide fuel cell system. Appl Energy 2017;205:822–33. [CrossRef]
  15. Cheng H, Li X, Jiang J, Deng Z, Yang J, Li J. A nonlinear sliding mode observer for the estimation of temperature distribution in a planar solid oxide fuel cell. Int J Hydrogen Energy 2015;40:593–606. [CrossRef]
  16. Jiang J, Shen T, Deng Z, Fu X, Li J, Li X. High efficiency thermoelectric cooperative control of a stand-alone solid oxide fuel cell system with an air bypass valve. Energy 2018;152:13–26. [CrossRef]
  17. Papurello D, Iafrate C, Lanzini A, Santarelli M. Trace compounds impact on SOFC performance: Experimental and modelling approach. Appl Energy 2017;208:637–54. [CrossRef]
  18. Wu X, Gao D. Fault tolerance control of SOFC systems based on nonlinear model predictive control. Int J Hydrogen Energy 2017;42:2288–308. [CrossRef]
  19. Vrečko D, Nerat M, Vrančić D, Dolanc G, Dolenc B, Pregelj B, et al. Feedforward-feedback control of a solid oxide fuel cell power system. Int J Hydrogen Energy 2018;43:6352–63. [CrossRef]
  20. Sorce A, Greco A, Magistri L, Costamagna P. FDI oriented modeling of an experimental SOFC system, model validation and simulation of faulty states. Appl Energy 2014;136:894–908. [CrossRef]
  21. Joneydi Shariatzadeh O, Refahi AH, Rahmani M, Abolhassani SS. Economic optimisation and thermodynamic modelling of SOFC tri-generation system fed by biogas. Energy Convers Manag 2015;105:772–81. [CrossRef]
  22. Barelli L, Bidini G, Ottaviano A. Part load operation of a SOFC/GT hybrid system: Dynamic analysis. Appl Energy 2013;110:173–89. [CrossRef]
  23. Barelli L, Bidini G, Ottaviano A. Integration of SOFC/GT hybrid systems in Micro-Grids. Energy 2017;118:716–28. [CrossRef]
  24. Cuneo A, Zaccaria V, Tucker D, Sorce A. Gas turbine size optimization in a hybrid system considering SOFC degradation. Appl Energy 2018;230:855–64. [CrossRef]
  25. Chen J, Li J, Zhou D, Zhang H, Weng S. Control strategy design for a SOFC-GT hybrid system equipped with anode and cathode recirculation ejectors. Appl Therm Eng 2018;132:67–79. [CrossRef]
  26. Azizi MA, Brouwer J. Progress in solid oxide fuel cell-gas turbine hybrid power systems: System design and analysis, transient operation, controls and optimization. Appl Energy 2018;215:237–89. [CrossRef]
  27. Zaccaria V, Tucker D, Traverso A. Transfer function development for SOFC/GT hybrid systems control using cold air bypass. Appl Energy 2016;165:695–706. [CrossRef]
  28. Wang J, Yang C, Liu F, Meng X, Wang L, Liu L. The development and utilization of new clean energy. 2016 IEEE Int Conf Power Renew Energy, ICPRE 2016 2017:639–43. [CrossRef]
  29. Rokni, M. Addressing fuel recycling in solid oxide fuel cell systems fed by alternative fuels. Energy 2017;137:1013–25. [CrossRef]
  30. Papurello D, Borchiellini R, Bareschino P, Chiodo V, Freni S, Lanzini A, et al. Performance of a Solid Oxide Fuel Cell short-stack with biogas feeding. Appl Energy 2014;125:254–63. [CrossRef]
  31. Mehr AS, Gandiglio M, MosayebNezhad M, Lanzini A, Mahmoudi SMS, Yari M, et al. Solar-assisted integrated biogas solid oxide fuel cell (SOFC) installation in wastewater treatment plant: Energy and economic analysis. Appl Energy 2017;191:620–38. [CrossRef]
  32. Chlipała M, Błaszczak P, Wang SF, Jasiński P, Bochentyn B. In situ study of a composition of outlet gases from biogas fuelled Solid Oxide Fuel Cell performed by the Fourier Transform Infrared Spectroscopy. Int J Hydrogen Energy 2019;44:13864–74. [CrossRef]
  33. Bala R, Gautam V, Mondal MK. Improved biogas yield from organic fraction of municipal solid waste as preliminary step for fuel cell technology and hydrogen generation. Int J Hydrogen Energy 2019;44:164–73. [CrossRef]
  34. Baldinelli A, Barelli L, Bidini G. Upgrading versus reforming: an energy and exergy analysis of two Solid Oxide Fuel Cell-based systems for a convenient biogas-to-electricity conversion. Energy Convers Manag 2017;138:360–74. [CrossRef]
  35. Leone P, Lanzini A, Santarelli M, Calì M, Sagnelli F, Boulanger A, et al. Methane-free biogas for direct feeding of solid oxide fuel cells. J Power Sources 2010;195:239–48. [CrossRef]
  36. Razbani O, Assadi M. Performance of a biohydrogen solid oxide fuel cell. Int J Hydrogen Energy 2013;38:13781–91. [CrossRef]
  37. Laycock CJ, Panagi K, Reed JP, Guwy AJ. The importance of fuel variability on the performance of solid oxide cells operating on H2/CO2 mixtures from biohydrogen processes. Int J Hydrogen Energy 2018;43:8972–82. [CrossRef]
  38. Leone P, Lanzini A, Santarelli M, Zitella P, Calì M. Feasibility of SOFC Operation with Bio-Methane and Bio-Hydrogen from Anaerobic Digestion. ECS Trans 2009;17:185–95. [CrossRef]
  39. Razbani O, Assadi M, Andersson M. Three dimensional CFD modeling and experimental validation of an electrolyte supported solid oxide fuel cell fed with methane-free biogas. Int J Hydrogen Energy 2013;38:10068–80. [CrossRef]
  40. Paradis H, Andersson M, Yuan J, Sundén B. Simulation of alternative fuels for potential utilization in solid oxide fuel cells. Int J Energy Res 2011;35:1107–17. [CrossRef]
  41. La Licata B, Sagnelli F, Boulanger A, Lanzini A, Leone P, Zitella P, et al. Bio-hydrogen production from organic wastes in a pilot plant reactor and its use in a SOFC. Int J Hydrogen Energy 2011;36:7861–5. [CrossRef]
  42. Buchinger G, Kraut J, Raab T, Griesser S, Lawlor V, Haiber J, et al. Operating micro-tubular SOFCs containing nickel based anodes with blends of methane and hydrogen. 2007 Int Conf Clean Electr Power, ICCEP ’07 2007:450–5. [CrossRef]
  43. Veluswamy GK, Laycock CJ, Shah K, Ball AS, Guwy AJ, Dinsdale RM. Biohythane as an energy feedstock for solid oxide fuel cells. Int J Hydrogen Energy 2019;44:27896–906. [CrossRef]
  44. Nikooyeh K, Clemmer R, Alzate-Restrepo V, Hill JM. Effect of hydrogen on carbon formation on Ni/YSZ composites exposed to methane. Appl Catal A Gen 2008;347:106–11. [CrossRef]
  45. Chen Z, Bian L, Wang L, Chen N, Zhao H, Li F, et al. Effect of hydrogen and carbon dioxide on the performance of methane fueled solid oxide fuel cell. Int J Hydrogen Energy 2016;41:7453–63. [CrossRef]
  46. Buchinger G, Hinterreiter P, Raab T, Griesser S, Claassen R, Claassen DP, et al. Operating microtubular SOFCS with hydrogen chloride and hydrogen sulfide containing fuels and synthetic wood gas. J Fuel Cell Sci Technol 2006;3:280–3. [CrossRef]
  47. Panagi K, Laycock CJ, Reed JP, Guwy AJ. Highly efficient coproduction of electrical power and synthesis gas from biohythane using solid oxide fuel cell technology. Appl Energy 2019;255:113854. [CrossRef]
  48. Cinti G, Bidini G, Hemmes K. Comparison of the solid oxide fuel cell system for micro CHP using natural gas with a system using a mixture of natural gas and hydrogen. Appl Energy 2019;238:69–77. [CrossRef]
  49. Cheng T, Jiang J, Wu X, Li X, Xu M, Deng Z, et al. Application oriented multiple-objective optimization, analysis and comparison of solid oxide fuel cell systems with different configurations. Appl Energy 2019;235:914–29. [CrossRef]
  50. Pianko-Oprych, P. , & Palus, M. (2017). Simulation of SOFCs based power generation system using Aspen. ( 19(4), 8–15. [CrossRef]
  51. Hauck, M. , Herrmann, S., & Spliethoff, H. (2017). Simulation of a reversible SOFC with Aspen Plus. ( 42(15), 10329–10340. [CrossRef]
  52. Mert SO, Ozcelik Z, Dincer I. Comparative assessment and optimization of fuel cells. Int J Hydrogen Energy 2015;40:7835–45. [CrossRef]
  53. Russo, R. , Coppola, T., Micoli, L., & Pietra, A. (2023). Preliminary Investigation of a Multi-MW Solid Oxide Fuel Cell Power Plant to be Installed on Board a Cruise Ship. Chemical Engineering Transactions, 99. [CrossRef]
  54. Hentati, M. , Boussetta, A., Elleuch, A., & Halouani, K. (2024). Technical, environmental and economic evaluation of a kW-level flared gas-fuel GT-SOFC hybrid system. Energy Conversion and Management, 317. [CrossRef]
  55. Veluswamy, G. K. , Laycock, C. J., Shah, K., Ball, A. S., Guwy, A. J., & Dinsdale, R. M. (2019). Biohythane as an energy feedstock for solid oxide fuel cells. M. ( 44(51), 27896–27906. [CrossRef]
  56. Saebea, D. , Arpornwichanop, A., & Patcharavorachot, Y. (2021). Thermodynamic analysis of a proton conducting SOFC integrated system fuelled by different renewable fuels. International Journal of Hydrogen Energy, 46, 1445. [Google Scholar] [CrossRef]
  57. Sadhukhan, J. , Zhao, Y., Leach, M., Brandon, N. P., & Shah, N. (2010). Energy integration and analysis of solid oxide fuel cell based microcombined heat and power systems and other renewable systems using biomass waste derived syngas. Industrial & Engineering Chemistry Research, 49, 1506. [Google Scholar] [CrossRef]
  58. Doherty, W. , Reynolds, A., & Kennedy, D. (2009). Modelling and simulation of a biomass gasification-solid oxide fuel cell combined heat and power plant using Aspen Plus. Technical Report, Technological University Dublin.
  59. Zhang, W. , Croiset, E., Douglas, P. L., Fowler, M. W., & Entchev, E. (2005). Simulation of a tubular solid oxide fuel cell stack using AspenPlusTM unit operation models. ( 46(2), 181–196. [CrossRef] [PubMed]
  60. Ameri, M. , & Mohammadi, R. (2013). Simulation of an atmospheric SOFC and gas turbine hybrid system using Aspen Plus software. ( 37(5), 412–425. [CrossRef]
  61. Doherty, W. , Reynolds, A., & Kennedy, D. (2010). Computer simulation of a biomass gasification-solid oxide fuel cell power system using Aspen Plus. Energy, 35, 4555. [Google Scholar] [CrossRef]
  62. Amiri, A. , Vijay, P., Tadé, M. O., Ahmed, K., Ingram, G. D., Pareek, V., & Utikar, R. (2016). Planar SOFC system modelling and simulation including a 3D stack module. ( 41(4), 2919–2930. [CrossRef]
  63. Doherty, W. , Reynolds, A., & Kennedy, D. (2015). Process simulation of biomass gasification integrated with a solid oxide fuel cell stack. ( 277, 292–303. [CrossRef]
  64. Rudra, S., & Kim. A simulation study of Solid oxide fuel cell (SOFC) for IGFC power generation using Aspen Plus. 2010, 5, 24–35. [Google Scholar]
  65. Marcantonio, V. , Monarca, D., Villarini, M., Di Carlo, A., Del Zotto, L., & Bocci, E. (2020). Biomass steam gasification, high-temperature gas cleaning, and SOFC model: a parametric analysis. Energies, 13(22), 5936. [Google Scholar] [CrossRef]
  66. Sotudeh-Gharebaagh, R., Legros. Simulation of circulating fluidized bed reactors using ASPEN PLUS. 1998, 77(4), 327–337. [Google Scholar] [CrossRef]
  67. Pillai M, Lin Y, Zhu H, Kee RJ, Barnett SA. Stability and coking of direct-methane solid oxide fuel cells: Effect of CO2 and air additions. J Power Sources 2010;195:271–9. [CrossRef]
  68. Almutairi G, Dhir A, Bujalski W. Direct Operation of IP-Solid Oxide Fuel Cell with Hydrogen and Methane Fuel Mixtures under Current Load Cycle Operating Condition. Fuel Cells 2014;14:231–8. [CrossRef]
  69. Kendall K, Finnerty CM, Saunders G, Chung JT. Effects of dilution on methane entering an SOFC anode. J Power Sources 2002;106:323–7. [CrossRef]
  70. Nguyen TGH, Sakamoto M, Uchida T, Doan DCT, Dang MC, Tu PH, et al. Development of paper-structured catalyst for application to direct internal reforming solid oxide fuel cell fueled by biogas. Int J Hydrogen Energy 2019;44:10484–97. [CrossRef]
  71. Owebor K, Oko COC, Diemuodeke EO, Ogorure OJ. Thermo-environmental and economic analysis of an integrated municipal waste-to-energy solid oxide fuel cell, gas-, steam-, organic fluid- and absorption refrigeration cycle thermal power plants. Appl Energy 2019;239:1385–401. [CrossRef]
  72. Ding X, Lv X, Weng Y. Coupling effect of operating parameters on performance of a biogas-fueled solid oxide fuel cell/gas turbine hybrid system. Appl Energy 2019;254:113675. [CrossRef]
  73. D’Andrea G, Gandiglio M, Lanzini A, Santarelli M. Dynamic model with experimental validation of a biogas-fed SOFC plant. Energy Convers Manag 2017;135:21–34. [CrossRef]
  74. Staniforth J, Ormerod RM. Implications for using biogas as a fuel source for solid oxide fuel cells: Internal dry reforming in a small tubular solid oxide fuel cell. Catal Letters 2002;81:19–23. [CrossRef]
  75. Staniforth J, Ormerod RM. Running solid oxide fuel cells on biogas. Ionics (Kiel) 2003;9:336–41. [CrossRef]
  76. Shiratori Y, Ijichi T, Oshima T, Sasaki K. Internal reforming SOFC running on biogas. Int J Hydrogen Energy 2010;35:7905–12. [CrossRef]
  77. Cozzolino R, Lombardi L, Tribioli L. Use of biogas from biowaste in a solid oxide fuel cell stack: Application to an off-grid power plant. Renew Energy 2017;111:781–91. [CrossRef]
  78. Gandiglio M, Lanzini A, Santarelli M, Acri M, Hakala T, Rautanen M. Results from an industrial size biogas-fed SOFC plant (the DEMOSOFC project). Int J Hydrogen Energy 2020;45:5449–64. [CrossRef]
  79. Drach Z, Hershkovitz S, Ferrero D, Leone P, Lanzini A, Santarelli M, et al. Impedance spectroscopy analysis inspired by evolutionary programming as a diagnostic tool for SOEC and SOFC. Solid State Ionics 2016;288:307–10. [CrossRef]
  80. Jensen SH, Larsen PH, Mogensen M. Hydrogen and synthetic fuel production from renewable energy sources. Int J Hydrogen Energy 2007;32:3253–7. [CrossRef]
  81. Wendel CH, Kazempoor P, Braun RJ. A thermodynamic approach for selecting operating conditions in the design of reversible solid oxide cell energy systems. J Power Sources 2016;301:93–104. [CrossRef]
  82. Yan Y, Fang Q, Blum L, Lehnert W. Performance and degradation of an SOEC stack with different cell components. Electrochim Acta 2017;258:1254–61. [CrossRef]
  83. Klotz D, Leonide A, Weber A, Ivers-Tiffée E. Electrochemical model for SOFC and SOEC mode predicting performance and efficiency. Int J Hydrogen Energy 2014;39:20844–9. [CrossRef]
  84. Zhou N, Zaccaria V, Tucker D. Fuel composition effect on cathode airflow control in fuel cell gas turbine hybrid systems. J Power Sources 2018;384:223–31. [CrossRef]
  85. Harun NF, Tucker D, Adams TA. Technical challenges in operating an SOFC in fuel flexible gas turbine hybrid systems: Coupling effects of cathode air mass flow. Appl Energy 2017;190:852–67. [CrossRef]
  86. Oryshchyn D, Harun NF, Tucker D, Bryden KM, Shadle L. Fuel utilization effects on system efficiency in solid oxide fuel cell gas turbine hybrid systems. Appl Energy 2018;228:1953–65. [CrossRef]
  87. De P, Chatterjee T, Chakravarty S, Chakravarty A. Clinical presentation of two β-thalassemic Indian patients with 1p36 deletion syndrome: Case report. J Pediatr Genet 2014;3:175–81. [CrossRef]
  88. Jiang J, Li X, Deng Z, Yang J, Zhang Y, Li J. Thermal management of an independent steam reformer for a solid oxide fuel cell with constrained generalized predictive control. Int J Hydrogen Energy 2012;37:12317–31. [CrossRef]
  89. Jiang J, Li X, Deng Z, Yang J, Zhang Y, Li J. Control-oriented dynamic model optimization of steam reformer with an improved optimization algorithm. Int J Hydrogen Energy 2013;38:11288–302. [CrossRef]
  90. Jiang J, Li X, Li J. Modeling and Model-based Analysis of a Solid Oxide Fuel Cell Thermal-Electrical Management System with an Air Bypass Valve. Electrochim Acta 2015;177:250–63. [CrossRef]
  91. Yoshida H, Seyama T, Sobue T, Yamashita S. Development of Residential SOFC CHP System with Flatten Tubular Segmented-In-Series Cells Stack. ECS Trans 2011;35:97–103. [CrossRef]
  92. Rosen MA, Koohi-Fayegh S. The prospects for hydrogen as an energy carrier: an overview of hydrogen energy and hydrogen energy systems. Energy, Ecol Environ 2016;1:10–29. [CrossRef]
  93. Kabeyi MJB, Olanrewaju OA. Biogas Production and Applications in the Sustainable Energy Transition. J Energy 2022;2022:1–43. [CrossRef]
1
BoP (Balance of Plant) refers to all auxiliary components necessary for the operation of an energy system, excluding the main components such as the fuel cell stack. It includes systems for fuel, heat, and water management, control and monitoring, and exhaust gas handling.
Figure 1. SOFC in Aspen Plus - Paulina Pianko-Oprych & Mateusz Palus. Source: Pianko-Oprych, Paulina, and Mateusz Palus. "Simulation of SOFCs based power generation system using Aspen." Polish Journal of Chemical Technology 19.4 (2017): 8-15.
Figure 1. SOFC in Aspen Plus - Paulina Pianko-Oprych & Mateusz Palus. Source: Pianko-Oprych, Paulina, and Mateusz Palus. "Simulation of SOFCs based power generation system using Aspen." Polish Journal of Chemical Technology 19.4 (2017): 8-15.
Preprints 121034 g001
Figure 2. SOFC results - Pianko-Oprych e Palus (2017). Source: Pianko-Oprych, Paulina, and Mateusz Palus. "Simulation of SOFCs based power generation system using Aspen." Polish Journal of Chemical Technology 19.4 (2017): 8-15.
Figure 2. SOFC results - Pianko-Oprych e Palus (2017). Source: Pianko-Oprych, Paulina, and Mateusz Palus. "Simulation of SOFCs based power generation system using Aspen." Polish Journal of Chemical Technology 19.4 (2017): 8-15.
Preprints 121034 g002
Figure 3. SOFC results 2 - Pianko-Oprych e Palus (2017). Source: Pianko-Oprych, Paulina, and Mateusz Palus. "Simulation of SOFCs based power generation system using Aspen." Polish Journal of Chemical Technology 19.4 (2017): 8-15.
Figure 3. SOFC results 2 - Pianko-Oprych e Palus (2017). Source: Pianko-Oprych, Paulina, and Mateusz Palus. "Simulation of SOFCs based power generation system using Aspen." Polish Journal of Chemical Technology 19.4 (2017): 8-15.
Preprints 121034 g003
Figure 4. No reversible SOFC - Tjaden et al. (2014) Source: Tjaden, B., et al. "Small-scale biogas-SOFC plant: technical analysis and assessment of different fuel reforming options." Energy and fuels 28.6 (2014): 4216-4232.
Figure 4. No reversible SOFC - Tjaden et al. (2014) Source: Tjaden, B., et al. "Small-scale biogas-SOFC plant: technical analysis and assessment of different fuel reforming options." Energy and fuels 28.6 (2014): 4216-4232.
Preprints 121034 g004
Figure 5. Reversible SOFC - Hauck et al. (2017) Source: Hauck, Maximilian, Stephan Herrmann, and Hartmut Spliethoff. "Simulation of a reversible SOFC with Aspen Plus." International Journal of Hydrogen Energy 42.15 (2017): 10329-10340.
Figure 5. Reversible SOFC - Hauck et al. (2017) Source: Hauck, Maximilian, Stephan Herrmann, and Hartmut Spliethoff. "Simulation of a reversible SOFC with Aspen Plus." International Journal of Hydrogen Energy 42.15 (2017): 10329-10340.
Preprints 121034 g005
Figure 6. Cruise ship SOFC - Russo et al. (2023) Source: Russo, Roberta, et al. "Preliminary Investigation of a Multi-MW Solid Oxide Fuel Cell Power Plant to be Installed on Board a Cruise Ship." Chemical Engineering Transactions 99 (2023): 577-582.
Figure 6. Cruise ship SOFC - Russo et al. (2023) Source: Russo, Roberta, et al. "Preliminary Investigation of a Multi-MW Solid Oxide Fuel Cell Power Plant to be Installed on Board a Cruise Ship." Chemical Engineering Transactions 99 (2023): 577-582.
Preprints 121034 g006
Figure 7. SOFC + GT - Hentati et al. (2024) Source: Hentati, Mariem, et al. "Technical, environmental and economic evaluation of a kW-level flared gas-fuel GT-SOFC hybrid system." Energy Conversion and Management 317 (2024): 118825.
Figure 7. SOFC + GT - Hentati et al. (2024) Source: Hentati, Mariem, et al. "Technical, environmental and economic evaluation of a kW-level flared gas-fuel GT-SOFC hybrid system." Energy Conversion and Management 317 (2024): 118825.
Preprints 121034 g007
Figure 8. SOFC - Veluswamy et al. (2019) Source: Veluswamy, G. K., et al. "Biohythane as an energy feedstock for solid oxide fuel cells." International Journal of Hydrogen Energy 44.51 (2019): 27896-27906.
Figure 8. SOFC - Veluswamy et al. (2019) Source: Veluswamy, G. K., et al. "Biohythane as an energy feedstock for solid oxide fuel cells." International Journal of Hydrogen Energy 44.51 (2019): 27896-27906.
Preprints 121034 g008
Figure 9. SOFC & H+ - Saebea et al. (2021) Source: Saebea, Dang, Amornchai Arpornwichanop, and Yaneeporn Patcharavorachot. "Thermodynamic analysis of a proton conducting SOFC integrated system fuelled by different renewable fuels." International Journal of Hydrogen Energy 46.20 (2021): 11445-11457.
Figure 9. SOFC & H+ - Saebea et al. (2021) Source: Saebea, Dang, Amornchai Arpornwichanop, and Yaneeporn Patcharavorachot. "Thermodynamic analysis of a proton conducting SOFC integrated system fuelled by different renewable fuels." International Journal of Hydrogen Energy 46.20 (2021): 11445-11457.
Preprints 121034 g009
Figure 10. SOFC for residential buildings - Sadhukhan et al. (2010) Source: Sadhukhan, Jhuma, et al. "Energy integration and analysis of solid oxide fuel cell based microcombined heat and power systems and other renewable systems using biomass waste derived syngas." Industrial & engineering chemistry research 49.22 (2010): 11506-11516.
Figure 10. SOFC for residential buildings - Sadhukhan et al. (2010) Source: Sadhukhan, Jhuma, et al. "Energy integration and analysis of solid oxide fuel cell based microcombined heat and power systems and other renewable systems using biomass waste derived syngas." Industrial & engineering chemistry research 49.22 (2010): 11506-11516.
Preprints 121034 g010
Figure 11. SOFC syngas - Doherty et al. (2009) Source: Doherty, Wayne, Anthony Reynolds, and David Kennedy. "Modelling and simulation of a biomass gasification-solid oxide fuel cell combined heat and power plant using Aspen Plus." (2009).
Figure 11. SOFC syngas - Doherty et al. (2009) Source: Doherty, Wayne, Anthony Reynolds, and David Kennedy. "Modelling and simulation of a biomass gasification-solid oxide fuel cell combined heat and power plant using Aspen Plus." (2009).
Preprints 121034 g011
Figure 12. SOFC - Zhang et al. (2005) Source: Zhang, W., et al. "Simulation of a tubular solid oxide fuel cell stack using AspenPlusTM unit operation models." Energy Conversion and Management 46.2 (2005): 181-196.
Figure 12. SOFC - Zhang et al. (2005) Source: Zhang, W., et al. "Simulation of a tubular solid oxide fuel cell stack using AspenPlusTM unit operation models." Energy Conversion and Management 46.2 (2005): 181-196.
Preprints 121034 g012
Figure 13. SOFC - Ameri e Mohammadi (2013) Source: Ameri, Mohammad, and Rasoul Mohammadi. "Simulation of an atmospheric SOFC and gas turbine hybrid system using Aspen Plus software." International journal of energy research 37.5 (2013): 412-425.
Figure 13. SOFC - Ameri e Mohammadi (2013) Source: Ameri, Mohammad, and Rasoul Mohammadi. "Simulation of an atmospheric SOFC and gas turbine hybrid system using Aspen Plus software." International journal of energy research 37.5 (2013): 412-425.
Preprints 121034 g013
Figure 14. SOFC - Ameri e Mohammadi (2013) Source: Doherty, Wayne, Anthony Reynolds, and David Kennedy. "Computer simulation of a biomass gasification-solid oxide fuel cell power system using Aspen Plus." Energy 35.12 (2010): 4545-4555.
Figure 14. SOFC - Ameri e Mohammadi (2013) Source: Doherty, Wayne, Anthony Reynolds, and David Kennedy. "Computer simulation of a biomass gasification-solid oxide fuel cell power system using Aspen Plus." Energy 35.12 (2010): 4545-4555.
Preprints 121034 g014
Figure 15. Framework Amiri et al. (2016) Source: Amiri, Amirpiran, et al. "Planar SOFC system modelling and simulation including a 3D stack module." International Journal of Hydrogen Energy 41.4 (2016): 2919-2930.
Figure 15. Framework Amiri et al. (2016) Source: Amiri, Amirpiran, et al. "Planar SOFC system modelling and simulation including a 3D stack module." International Journal of Hydrogen Energy 41.4 (2016): 2919-2930.
Preprints 121034 g015
Figure 16. SOFC - Amiri et al. (2016) Source: Amiri, Amirpiran, et al. "Planar SOFC system modelling and simulation including a 3D stack module." International Journal of Hydrogen Energy 41.4 (2016): 2919-2930.
Figure 16. SOFC - Amiri et al. (2016) Source: Amiri, Amirpiran, et al. "Planar SOFC system modelling and simulation including a 3D stack module." International Journal of Hydrogen Energy 41.4 (2016): 2919-2930.
Preprints 121034 g016
Figure 17. BG-SOFC - Doherty et al. (2015) Source: Doherty, Wayne, Anthony Reynolds, and David Kennedy. "Process simulation of biomass gasification integrated with a solid oxide fuel cell stack." Journal of Power Sources 277 (2015): 292-303.
Figure 17. BG-SOFC - Doherty et al. (2015) Source: Doherty, Wayne, Anthony Reynolds, and David Kennedy. "Process simulation of biomass gasification integrated with a solid oxide fuel cell stack." Journal of Power Sources 277 (2015): 292-303.
Preprints 121034 g017
Figure 18. SOFC - Rudra e Kim (2010) Source: Rudra, Souman, and Hyung Taek Kim. "A simulation study of Solid oxide fuel cell (SOFC) for IGFC power generation using Aspen Plus." Journal of Energy and Climate Change 5.2 (2010): 24-35.
Figure 18. SOFC - Rudra e Kim (2010) Source: Rudra, Souman, and Hyung Taek Kim. "A simulation study of Solid oxide fuel cell (SOFC) for IGFC power generation using Aspen Plus." Journal of Energy and Climate Change 5.2 (2010): 24-35.
Preprints 121034 g018
Figure 19. Biomass-SOFC - Marcantonio et al. (2020)
Figure 19. Biomass-SOFC - Marcantonio et al. (2020)
Preprints 121034 g019
Table 1. Aspen Plus modules used by Pianko-Oprych and Palus (2017).
Table 1. Aspen Plus modules used by Pianko-Oprych and Palus (2017).
Aspen Plus Module Name
REFORMER RGibbs
ANODE RGibbs
BURNER RStoic
CATHODE Separator
HEATER-1 Heater
RECUPER HeatX
Table 2. Aspen Plus modules used by Hauck et al. (2017).
Table 2. Aspen Plus modules used by Hauck et al. (2017).
Aspen Plus Module Name
REA1 - REA2 RGibbs
REDUCE RStoic
FUSEP1 - FUSEP2 Separator
Table 3. Aspen Plus modules used by Russo et al. (2023).
Table 3. Aspen Plus modules used by Russo et al. (2023).
Aspen Plus Module Name
PREREFOR RGibbs
ANODE RGibbs
AFTERBUR RStoic
CATHODE Separator
NG-TCON - T-CON - AFT-TCON - AIR-TCON Heater
HEATEX HeatX
Table 4. Aspen Plus modules used by Hentati et al. (2024).
Table 4. Aspen Plus modules used by Hentati et al. (2024).
Aspen Plus Module Name
PREREFOR RGibbs
ANODE RGibbs
BURNER RStoic
CATHODE Separator
HEATER Heater
RECUPER HeatX
Table 5. Aspen Plus modules used by Veluswamy et al. (2019).
Table 5. Aspen Plus modules used by Veluswamy et al. (2019).
Aspen Plus Module Name
PREREFOR RGibbs
ANODE RGibbs
BURNER RStoic
CATHODE Separator
HEATER Heater
COMPR1 - COMPR2 Compressor
Table 6. Aspen Plus modules used by Saebea et al. (2021).
Table 6. Aspen Plus modules used by Saebea et al. (2021).
Aspen Plus Module Name
REFORMER RGibbs
ANODE RGibbs
CATHODE RGibbs
HEATER Heater
Table 7. Aspen Plus modules used by Sadhukhan et al. (2010).
Table 7. Aspen Plus modules used by Sadhukhan et al. (2010).
Aspen Plus Module Name
ANODE - SULPLFIRE RGibbs
ANODE REquil
B7 Separator
FLUE-FUE - N2-AIR Heater
B3 - B4 - B6 HeatX
CATHODE Distillation Column
Table 8. Aspen Plus modules used by Doherty et al. (2009).
Table 8. Aspen Plus modules used by Doherty et al. (2009).
Aspen Plus Module Name
PREREFOR REquil
ANODE REquil
POSTCOMB RStoic
CATHODE Separator
HEATER1 - HEATER2 - COOLER1 - FUELHEAT - AIRHEAT Heater
HEATX1 HeatX
COMP1 - COMP2 Compressor
Table 9. Aspen Plus modules used by Zhang et al. (2005).
Table 9. Aspen Plus modules used by Zhang et al. (2005).
Aspen Plus Module Name
REFORMER RGibbs
ANODE RGibbs
AFTERBURN RStoic
CATHODE Separator
HEATER1 - HEATER2 - COOLER1 Heater
RECUPER HeatX
COMP1 - COMP2 Compressor
Table 10. Aspen Plus modules used by Ameri e Mohammadi (2013).
Table 10. Aspen Plus modules used by Ameri e Mohammadi (2013).
Aspen Plus Module Name
PRE-REFORMER RGibbs
ANODE RGibbs
AFTER BURNER RStoic
CATHODE Separator
HEATER - DESULFURIZER Heater
RECUPER HeatX
PRE-HEATER MHeatX
FUEL COMPRESSOR - AIR COMPRESSOR Compressor
GAS TUBRINE Turbine
Table 11. Aspen Plus modules used by Doherty, Reynolds e Kennedy (2010).
Table 11. Aspen Plus modules used by Doherty, Reynolds e Kennedy (2010).
Aspen Plus Module Name
PREREFORMER RGibbs
ANODE RGibbs
POSTCOMB RStoic
CATHODE Separator
FUELHEATER - COOLER1 - AIRHEAT - HEATER1 - HEATER2 Heater
HEATX1 HeatX
COMP1 - COMP2 Compressor
Table 12. Aspen Plus modules used by Amiri et al. (2016).
Table 12. Aspen Plus modules used by Amiri et al. (2016).
Aspen Plus Module Name
REFORMER RGibbs
BURNER RGibbs
DESSUL Separator
B3 - B4 - B - HX2 - HX3 Heater
FUELCOMP - AIRBLOW Compressor
Table 13. Aspen Plus modules used by Doherty et al. (2015).
Table 13. Aspen Plus modules used by Doherty et al. (2015).
Aspen Plus Module Name
PREREFOR REquil
ANODE REquil
NH3REACT - POSTCOMB RStoic
CATHODE Separator
HEATER1 - HEATER2 - COOLER1 Heater
HEX41 HeatX
COMP1 - COMP2 Compressor
Table 14. Aspen Plus modules used by Rudra e Kim (2010).
Table 14. Aspen Plus modules used by Rudra e Kim (2010).
Aspen Plus Module Name
PREFORM REquil
B5(ANODE) REquil
POSTCOM RStoic
CATHODE SRGibbs
FUELHEAT - AIRHEAT - COOLER - HEATER1 - HEATER2 Heater
B10 HeatX
COMPR1 - COMP2 Compressor
Table 15. Aspen Plus modules used by Marcantonio et al. (2020).
Table 15. Aspen Plus modules used by Marcantonio et al. (2020).
Aspen Plus Module Name
AFTERBUR RStoic
ANODE REquil
CATHODE Separator
EX04 HeatX
Disclaimer/Publisher’s Note: The statements, opinions and data contained in all publications are solely those of the individual author(s) and contributor(s) and not of MDPI and/or the editor(s). MDPI and/or the editor(s) disclaim responsibility for any injury to people or property resulting from any ideas, methods, instructions or products referred to in the content.
Copyright: This open access article is published under a Creative Commons CC BY 4.0 license, which permit the free download, distribution, and reuse, provided that the author and preprint are cited in any reuse.
Prerpints.org logo

Preprints.org is a free preprint server supported by MDPI in Basel, Switzerland.

Subscribe

Disclaimer

Terms of Use

Privacy Policy

Privacy Settings

© 2026 MDPI (Basel, Switzerland) unless otherwise stated