Submitted:
17 July 2025
Posted:
18 July 2025
You are already at the latest version
Abstract
Keywords:
1. Introduction
- Signal injection methods. These techniques are used particularly at low or zero speeds [21];.
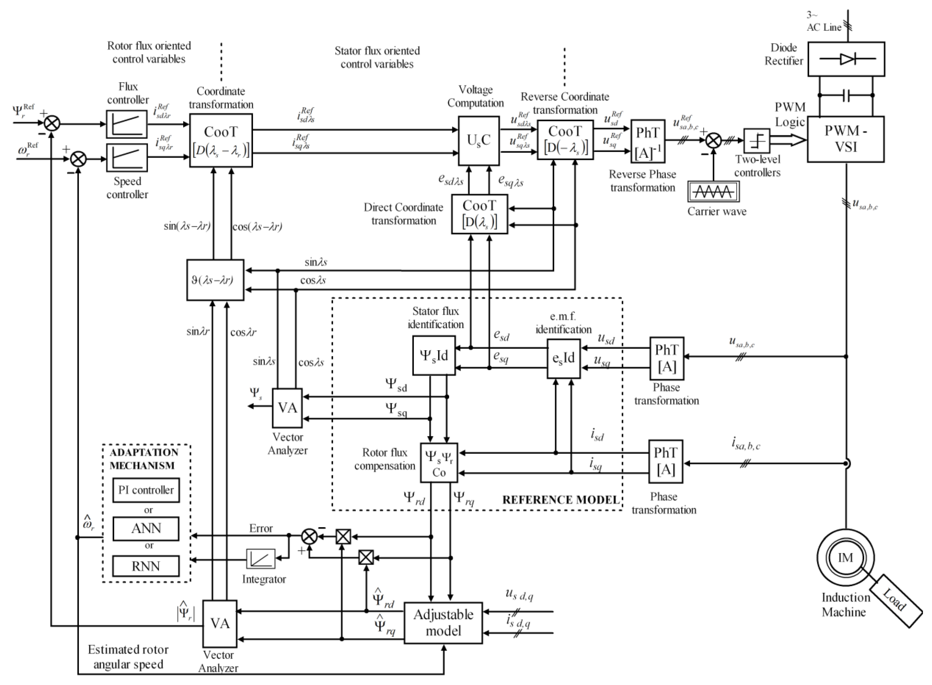
2. Dual-Field Oriented Control of the Induction Machine
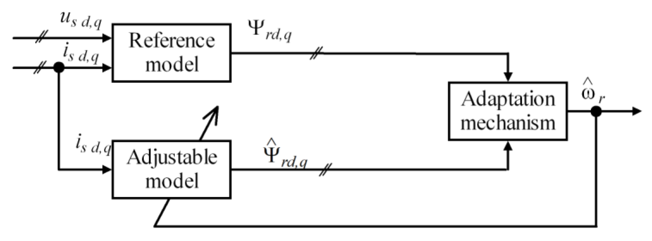
3. Sensorless Control
- Sensorless vector control structure of IM with DFO containing MRAS estimator in the loop;
- Sensorless vector control structure of IM with DFO, where the speed was estimated based on ANN;
- Sensorless vector control structure of IM with DFO, where the speed was estimated based on RNN.
3.1. MRAS-Based Procedure
- [80, 150, 297, -80, -150, -297] rad/s, with a changing rate of 600 rad/s2.
| Parameter | Value |
|---|---|
| Rated Power | 2.2 kW |
| Pole pairs (Zp) | 2 |
| Inertia (J) | 0.0200 kg.m2 |
| Stator Inductances (Ls) | 0.266 H |
| Rotor Inductances (Lr) | 0.260 H |
| Magnetizing Inductances (Lm) | 0.249 H |
| Stator Leakage Inductances(Lσs) | 0.017 H |
| Rotor Leakage Inductances (Lσr) | 0.011 H |
| Stator Resistance (Rs) | 2.918 Ω |
| Rotor Resistance (Rr) | 2.7 Ω |
3.2. ANN-Based Procedure
| Learning rate | 0.02 |
| Value of momentum | 0.075 |
| Training epochs | 300 |
| Goal | 1e-10 |
3.3. RNN-Based Procedure
| Learning rate | 0.0001 |
| Value of momentum | 0.075 |
| Training epochs | 300 |
| Gradient treshold | 1 |
| Learning regularization | 0.001 |
4. Real-Time Simulation
4. Conclusions
Author Contributions
Funding
Institutional Review Board Statement
Informed Consent Statement
Data Availability Statement
Acknowledgments
Conflicts of Interest
References
- Wang, F.; Zhang, Z.; Mei, X.; Rodríguez, J.; Kennel, R. Advanced Control Strategies of Induction Machine: Field Oriented Control, Direct Torque Control and Model Predictive Control. Energies 2018, 11, 120. [Google Scholar] [CrossRef]
- Mon-Nzongo, D.L.; Jin, T.; Ekemb, G.; Bitjoka, L. Decoupling Network of Field-Oriented Control in Variable-Frequency Drives. IEEE Trans. Ind. Electron. 2017, 64, 5746–5750. [Google Scholar] [CrossRef]
- Reddy, B.; Poddar, G.; Muni, B.P. Parameter Estimation and Online Adaptation of Rotor Time Constant for Induction Motor Drive. IEEE Trans. on Ind. Applicat. 2022, 58, 1416–1428. [Google Scholar] [CrossRef]
- Zhao, F.; Zhang, J.; Wu, D.; Liu, G.; Lang, W.; Wang, P. The Effects of Parameter Variations on the Torque Control of Induction Motor. In Proceedings of the 2020 4th CAA International Conference on Vehicular Control and Intelligence (CVCI); IEEE: Hangzhou, China, December 18, 2020; pp. 757–760. [Google Scholar]
- Tang, J.; Yang, Y.; Blaabjerg, F.; Chen, J.; Diao, L.; Liu, Z. Parameter Identification of Inverter-Fed Induction Motors: A Review. Energies 2018, 11, 2194. [Google Scholar] [CrossRef]
- Dynamic Simulations of Adaptive Design Approaches to Control the Speed of an Induction Machine Considering Parameter Uncertainties and External Perturbations Available online:. Available online: https://www.mdpi.com/1996-1073/11/9/2339 (accessed on 8 July 2025).
- Ding, C.-W.; Tung, P.-C. A New Approach to Field-Oriented Control That Substantially Improves the Efficiency of an Induction Motor with Speed Control. Applied Sciences 2025, 15, 4845. [Google Scholar] [CrossRef]
- Luo, Y.-C.; Huang, W.-A. Sensorless Rotor Field Direct Orientation Controlled Induction Motor Drive with Particle Swarm Optimization Algorithm Flux Observer. Journal of Low Frequency Noise, Vibration and Active Control 2019, 38, 692–705. [Google Scholar] [CrossRef]
- Szőke Benk, E.; Imecs, M.; Szabo, C.; Incze, I. Double Field Oriented Sensorless Control of Cage Induction Motor. 2015, 403–408. [Google Scholar] [CrossRef]
- Bonet-Jara, J.; Quijano-Lopez, A.; Morinigo-Sotelo, D.; Pons-Llinares, J. Sensorless Speed Estimation for the Diagnosis of Induction Motors via MCSA. Review and Commercial Devices Analysis. Sensors 2021, 21, 5037. [Google Scholar] [CrossRef] [PubMed]
- Elbarbary, Z.M.S.; Al-Harbi, O.K.; Al-Gahtani, S.F.; Irshad, S.M.; Abdelaziz, A.Y.; Mossa, M.A. Review of Speed Estimation Algorithms for Three- Phase Induction Motor. MethodsX 2024, 12, 102546. [Google Scholar] [CrossRef] [PubMed]
- Shyaa, S. Review-Sensorless Techniques for Stabilization Control of Induction Motor Drives. Kerbala Journal for Engineering Sciences 2024, 4. [Google Scholar] [CrossRef]
- Białoń, T.; Pasko, M.; Niestrój, R. Developing Induction Motor State Observers with Increased Robustness. Energies 2020, 13, 5487. [Google Scholar] [CrossRef]
- You, J.; Wu, W.; Wang, Y. An Adaptive Luenberger Observer for Speed-Sensorless Estimation of Induction Machines. In Proceedings of the 2018 Annual American Control Conference (ACC); June 2018; pp. 307–312. [Google Scholar]
- Yildiz, R.; Barut, M.; Demir, R. Extended Kalman Filter Based Estimations for Improving Speed-Sensored Control Performance of Induction Motors. IET Electric Power Applications 2020, 14, 2471–2479. [Google Scholar] [CrossRef]
- Miloud, I.; Cauet, S.; Etien, E.; Salameh, J.P.; Ungerer, A. Real-Time Speed Estimation for an Induction Motor: An Automated Tuning of an Extended Kalman Filter Using Voltage–Current Sensors. Sensors 2024, 24, 1744. [Google Scholar] [CrossRef] [PubMed]
- Mansouri, S.A.; Ahmarinejad, A.; Javadi, M.S.; Heidari, R.; Catalão, J.P.S. Improved Double-Surface Sliding Mode Observer for Flux and Speed Estimation of Induction Motors. IET Electric Power Applications 2020, 14, 1002–1010. [Google Scholar] [CrossRef]
- Khan, U.; Sami, I.; Salman, K.; Khan, B.; Mehmood, C.A.; ALI, S.M. Sliding Mode Based Speed Observer Design for Speed Control of Five Phase Induction Motor. In Proceedings of the 2019 International Conference on Robotics and Automation in Industry (ICRAI); October 2019; pp. 1–6. [Google Scholar]
- Hamdi, W.; Hammoudi, M.Y.; Betka, A. Sensorless Speed Control of Induction Motor Using Model Reference Adaptive System and Deadbeat Regulator. Engineering Proceedings 2023, 56, 16. [Google Scholar] [CrossRef]
- Karlovský, P.; Lettl, J. Application of MRAS Algorithm to Replace the Speed Sensor in Induction Motor Drive System. Procedia Engineering 2017, 192, 421–426. [Google Scholar] [CrossRef]
- Damkhi, S.; Said, M.S.N.; Said, N.N. Speed Estimation of Induction Motor at Low and Zero Speed Using High Frequency Signal Injection for Rotor Slot Harmonics Detection. RE&PQJ 2018, 16. [Google Scholar] [CrossRef]
- Laadjal, K.; Bento, F.; Antunes, H.R.P.; Sahraoui, M.; Cardoso, A.J.M. Speed Estimation of Six-Phase Induction Motors, Using the Rotor Slot Harmonics. Sensors 2022, 22, 8157. [Google Scholar] [CrossRef] [PubMed]
- Diarra, M.N.; Zhao, X.; Wu, X.; Nketsiah, I.A.; Li, Y.; Zhao, H. Induction Motors Speed Estimation by Rotor Slot Harmonics Frequency Using Zoom Improved Chirp-Z Transform Algorithm. Energies 2022, 15, 7877. [Google Scholar] [CrossRef]
- Golsorkhi, M.S.; Binandeh, H.; Savaghebi, M. Online Efficiency Optimization and Speed Sensorless Control of Single-Phase Induction Motors. Applied Sciences 2021, 11, 8863. [Google Scholar] [CrossRef]
- Diab, A.A.Z.; Elsawy, M.A.; Denis, K.A.; Alkhalaf, S.; Ali, Z.M. Artificial Neural Based Speed and Flux Estimators for Induction Machine Drives with Matlab/Simulink. Mathematics 2022, 10, 1348. [Google Scholar] [CrossRef]
- Ramdani, D.R. Sensorless Speed Estimation of Induction Motor Using ANFIS. Journal of Information Systems Engineering and Management 2025, 10, 557–571. [Google Scholar] [CrossRef]
- Lai, Y.-S. Machine Modeling and Universal Controller for Vector-Controlled Induction Motor Drives. IEEE Transactions on Energy Conversion 2003, 18, 23–32. [Google Scholar] [CrossRef]
- Ahire, H.; Karuppasamy, I. Sensor-Less Speed Estimation Using Improved Stator Current Model Reference Adaptive System for Induction Motor. In Proceedings of the 2023 IEEE 20th India Council International Conference (INDICON); December 2023; pp. 572–577. [Google Scholar]
- Fan, B.; Yang, Z.-X.; Wang, X.-B.; Song, L.; Song, S.-Z. Model Reference Adaptive Vector Control for Induction Motor without Speed Sensor. Advances in Mechanical Engineering 2017, 9, 1687814016683086. [Google Scholar] [CrossRef]
- Zorgani, Y.A.; Jouili, M.; Koubaa, Y.; Boussak, M. A Very-Low-Speed Sensorless Control Induction Motor Drive with Online Rotor Resistance Tuning by Using MRAS Scheme. Power Electronics and Drives 2019, 4, 125–140. [Google Scholar] [CrossRef]
- Norambuena, M.; Galvez, D. Model Free Artificial Neural Network for an Induction Machine. In Proceedings of the 2023 IEEE Conference on Power Electronics and Renewable Energy (CPERE); IEEE: Luxor, Egypt, February 19, 2023; pp. 1–6. [Google Scholar]
- Elgohary, M.; Gouda, E.; Eskander, S.S. Intelligent Control of Induction Motor without Speed Sensor. IJPEDS 2021, 12, 715. [Google Scholar] [CrossRef]
- Purwahyudi, B. RNN Based Rotor Flux and Speed Estimation of Induction Motor. International Journal of Power Electronics and Drive Systems (IJPEDS) 2011, 1, 58–64. [Google Scholar] [CrossRef]
- Marinov, E.Y.; Zhekov, Z.S. Neural Sensorless Control of Induction Motor. In Proceedings of the Second International Scientific Conference “Intelligent Information Technologies for Industry” (IITI’17); Abraham, A., Kovalev, S., Tarassov, V., Snasel, V., Vasileva, M., Sukhanov, A., Eds.; Advances in Intelligent Systems and Computing; Springer International Publishing: Cham, 2018; Vol. 679, pp. 411–418, ISBN 978-3-319-68320-1. [Google Scholar]
- Merabet, A.; Kanukollu, S.; Al-Durra, A.; El-Saadany, E.F. Adaptive Recurrent Neural Network for Uncertainties Estimation in Feedback Control System. Journal of Automation and Intelligence 2023, 2, 119–129. [Google Scholar] [CrossRef]
- Pintilie, L.-N.; Teodosescu, P.-D.; Hedeșiu, H.-C.; Gros, I.-C.; Suciu, V.-M.; Iuoraş, A.-M. Real-Time Hardware in the Loop Simulation Setup for Automotive Grid Interfacing System Based on PLECS RT BOX and National Instruments PXI. In Proceedings of the 2024 IEEE International Conference on Electrical Systems for Aircraft, Railway, Ship Propulsion and Road Vehicles & International Transportation Electrification Conference (ESARS-ITEC), November 2024; pp. 1–7. [Google Scholar]
- RT Box 1 | Plexim Available online:. Available online: https://www.plexim.com/products/rt_box/rt_box_1 (accessed on 30 June 2025).
- PXIe-1071 Specifications - NI Available online:. Available online: https://www.ni.com/docs (accessed on 30 June 2025).













Disclaimer/Publisher’s Note: The statements, opinions and data contained in all publications are solely those of the individual author(s) and contributor(s) and not of MDPI and/or the editor(s). MDPI and/or the editor(s) disclaim responsibility for any injury to people or property resulting from any ideas, methods, instructions or products referred to in the content. |
© 2025 by the authors. Licensee MDPI, Basel, Switzerland. This article is an open access article distributed under the terms and conditions of the Creative Commons Attribution (CC BY) license (http://creativecommons.org/licenses/by/4.0/).