Submitted:
08 July 2025
Posted:
11 July 2025
You are already at the latest version
Abstract
Keywords:
1. Introduction
2. Related Work
2.1. Data-Driven Digital Twins
2.2. Physics-Based Digital Twins
2.3. Hybrid Approaches for Digital Twins
2.4. Numerical Solutions of PDEs on Embedded Systems
2.5. Finite Difference Methods on Microcontrollers
2.6. Computing Thermal Boundary Conditions
3. Theoretical Background
3.1. Laplac’s Equation in Heat Transfer
3.2. Embedded Implementation and Convergence
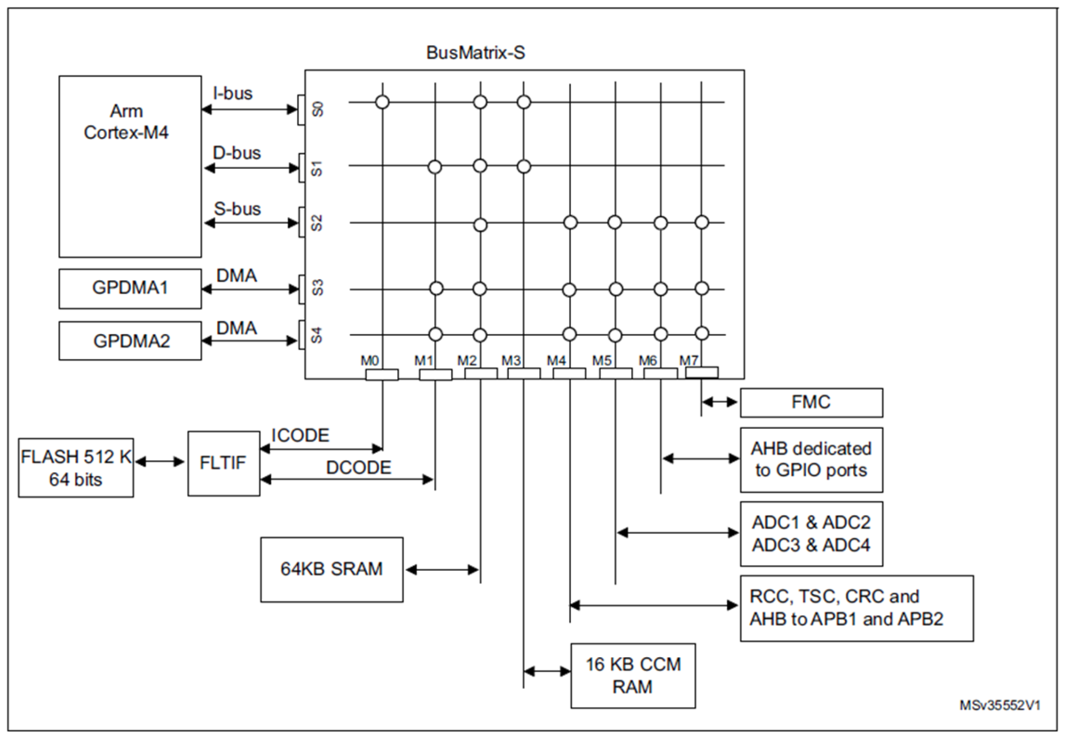
3.3. Embedded Systems Architecture for Real-Time Thermal Monitoring
4. Methodology
4.1. Embedded Systems Architecture for Real-Time Thermal Monitoring
4.2. Embedded Numerical Solver
4.3. Communication and Data Exchange
4.4. Communication and Data Exchange
5. Results
5.1. System Setup and Execution
5.2. Boundary Condition Measurement
5.3. Real-Time Temperature Field Computation
5.4. Embedded Schedule Logic
- DMA Completion Detection, where the embedded system waits for both ADC1 and ADC2 to complete DMA transfers.
- Boundary Assignment, where raw ADC values are converted into temperatures and assigned to border positions.
- Finite Difference Iteration, where the temperature of internal nodes is updated via the iterative solver.
- UART Transmission, where the resulting 5×5 temperature grid is serialized and transmitted to a host interface.
- DMA Restart, where the ADC readings are re-triggered to maintain a continuous acquisition cycle.
| Algorithm 1. Embedded Schedule Logic |
|
WHILE True:
IF adc1_done AND adc2_done: boundary_values = convert_adc_to_temp(adc1_data, adc2_data) assign_boundary_conditions(grid, boundary_values) FOR i = 1 to L-2: FOR j = 1 to L-2: T_new = average_neighbor_temperatures(grid, i, j) T_relaxed = lambda*T_new+(1-lambda)*T_old[i][j] grid[i][j] = T_relaxed send_grid_via_UART(grid) restart_ADC_DMA() |
5.5. Real-Time Thermal Visualization Interface
5.5.1. Symmetrical Perturbations Experiment
| Algorithm 2. Real-Time Thermal Visualization Interface |
![]() |
5.5.2. Asymmetrical Perturbations Experiment
6. Discussion
7. Conclusions and Future Work
Author Contributions
Funding
Institutional Review Board Statement
Informed Consent Statement
Data Availability Statement
Acknowledgments
Conflicts of Interest
References
- Menges, D.; Stadtmann, F.; Jordheim, H.; Rasheed, A. Predictive Digital Twin for Condition Monitoring Using Thermal Imaging. 2024. Available online: https://arxiv.org/abs/2411.05887v1 (accessed on 15 April 2025).
- Shahinmoghadam, M.; Natephra, W.; Motamedi, A. BIM- and IoT-based virtual reality tool for real-time thermal comfort assessment in building enclosures. Build Environ 2021, 199, 107905. [Google Scholar] [CrossRef]
- Papacharalampopoulos, A.; Stavropoulos, P. Towards a Digital Twin for Thermal Processes: Control-centric approach. Procedia CIRP 2019, 86, 110–115. [Google Scholar] [CrossRef]
- Boukaf, M.; Fadli, F.; Meskin, N. A Comprehensive Review of Digital Twin Technology in Building Energy Consumption Forecasting. IEEE Access 2024. [Google Scholar] [CrossRef]
- Zhang, H.; Jiang, S.; Gao, D.; Sun, Y.; Bai, W. A Review of Physics-Based, Data-Driven, and Hybrid Models for Tool Wear Monitoring. Machines 2024, 12, 833. [Google Scholar] [CrossRef]
- Wang, Z.; Cong, R.; Wang, R.; Wang, Z. Digital Twin for Power Load Forecasting. In Proceedings of the 2023 International Conference on Wireless Communications, Networking and Applications; Siarry, P., Jabbar, M.A., Cheung, S.K.S., Li, X., Eds.; Springer Nature: Singapore, 2025; pp. 366–374. [Google Scholar]
- Norouzi, P.; Maalej, S.; Mora, R. Applicability of Deep Learning Algorithms for Predicting Indoor Temperatures: Towards the Development of Digital Twin HVAC Systems. Buildings 2023, 13, 1542. [Google Scholar] [CrossRef]
- Dahalan, A.A.; Saudi, A.; Dahalan, A.A.; Saudi, A. An iterative technique for solving path planning in identified environments by using a skewed block accelerated algorithm. AIMS Mathematics 2023, 3, 5725. [Google Scholar] [CrossRef]
- Dutta, U.K.; Lipani, A.; Wang, C.; Hu, Y. Application of Zone Method based Physics-Informed Neural Networks in Reheating Furnaces. 2023. Available online: https://arxiv.org/abs/2308.16089v2 (accessed on 15 April 2025).
- Di Meglio, A.; Massarotti, N.; Nithiarasu, P. A physics-driven and machine learning-based digital twinning approach to transient thermal systems. Int J Numer Methods Heat Fluid Flow 2024, 34, 2229–2256. [Google Scholar] [CrossRef]
- Xie, Y.; Yao, W.; Li, X.; Wang, N.; Zheng, X.; Chen, X. Hybrid digital twin for satellite temperature field perception and attitude control. Advanced Engineering Informatics 2024, 60, 102405. [Google Scholar] [CrossRef]
- Zhang, H.; Jiang, S.; Gao, D.; Sun, Y.; Bai, W. A Review of Physics-Based, Data-Driven, and Hybrid Models for Tool Wear Monitoring. Machines 2024, 12, 833. [Google Scholar] [CrossRef]
- Chen, T.; Botimer, J.; Chou, T.; Zhang, Z. A 1.87-mm2 56.9-GOPS Accelerator for Solving Partial Differential Equations. IEEE J Solid-State Circuits 2020, 55, 1709–1718. [Google Scholar] [CrossRef]
- Malavipathirana, H.; Mandal, S.; Udayanga, N.; Wang, Y.; Hariharan, S.I.; Madanayake, A. Analog Computing for Nonlinear Shock Tube PDE Models: Test and Measurement of CMOS Chip. IEEE Access 2024. [Google Scholar] [CrossRef]
- 2-D Boundary Layer CFD Finite Difference Implicit Solver with Arduino | Arduino Project Hub. Available online: https://projecthub.arduino.cc/adrianos_botis/2-d-boundary-layer-cfd-finite-difference-implicit-solver-with-arduino-f7b4f1 (accessed on 16 April 2025).
- Mu, J.; Kim, B. A Dynamic-Precision Bit-Serial Computing Hardware Accelerator for Solving Partial Differential Equations Using Finite Difference Method. IEEE J Solid-State Circuits 2023, 58, 543–553. [Google Scholar] [CrossRef]
- Haberman, R. Applied Partial Differential Equations with Fourier Series and Boundary Value Problems, 5th ed.; Pearson, 2014. [Google Scholar]
- Grossi, M.; Omaña, M. Accuracy of NTC Thermistor Measurements Using the Sensor to Microcontroller Direct Interface. Engineering Proceedings 2024, 82, 12. [Google Scholar] [CrossRef]
- Releasing your creativity Discover the STM32 family of microcontrollers & microprocessors.
- AN4195 Application note STM32F30x ADC modes and application. Available online: www.st.com (accessed on 19 April 2025).
- STM32 vs PIC32: Best Microcontroller for Manufacturing?—Titoma. Available online: https://titoma.com/blog/stm32-pic32-manufacturing/?utm_source=chatgpt.com (accessed on 20 April 2025).
- Samiullah, M.; Irfan, M.Z.; Rafique, A. Microcontrollers: A Comprehensive Overview and Comparative Analysis of Diverse Types. Sep. 2023. [Google Scholar] [CrossRef]
- STM32F3 Mixed-Signal Microcontrollers (MCU)—STMicroelectronics. Available online: https://www.st.com/en/microcontrollers-microprocessors/stm32f3-series.html?utm_source=chatgpt.com (accessed on 20 April 2025).










Disclaimer/Publisher’s Note: The statements, opinions and data contained in all publications are solely those of the individual author(s) and contributor(s) and not of MDPI and/or the editor(s). MDPI and/or the editor(s) disclaim responsibility for any injury to people or property resulting from any ideas, methods, instructions or products referred to in the content. |
© 2025 by the authors. Licensee MDPI, Basel, Switzerland. This article is an open access article distributed under the terms and conditions of the Creative Commons Attribution (CC BY) license (http://creativecommons.org/licenses/by/4.0/).
