Submitted:
26 January 2026
Posted:
27 January 2026
You are already at the latest version
Abstract
Keywords:
1. Introduction
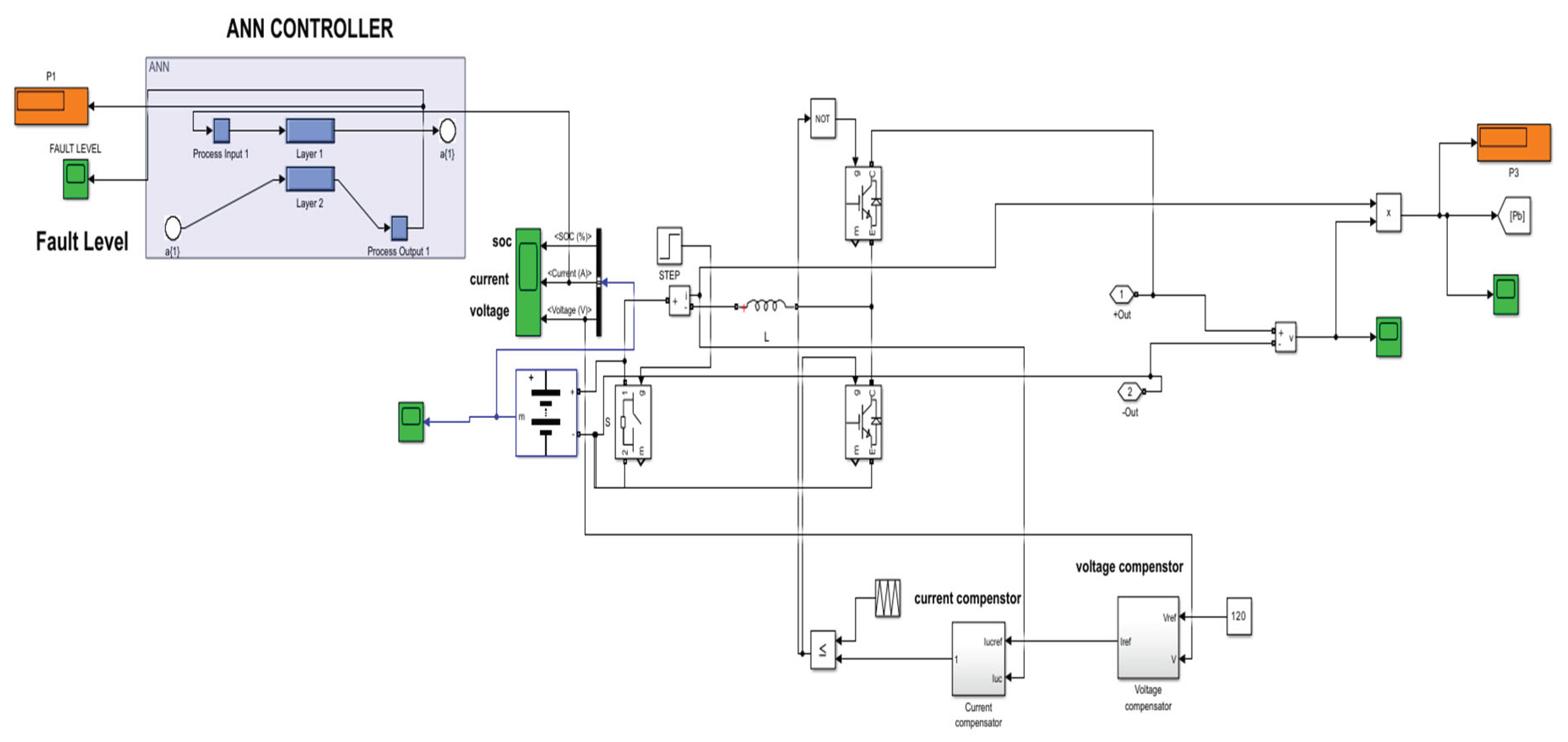
- Hybridization of multiple sources can satisfy the needs of load demand.
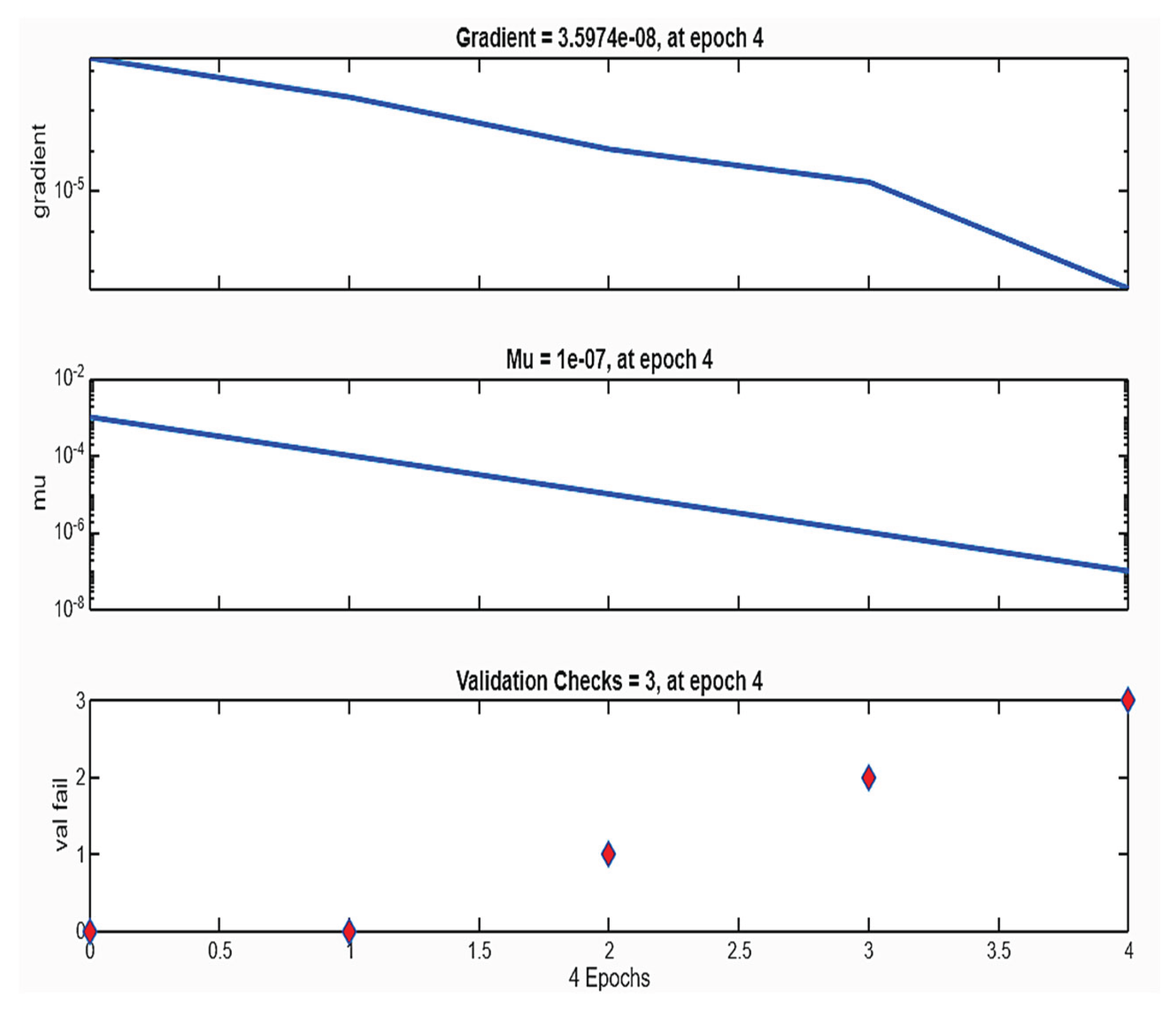
- Improved efficiencyofabout 95.4% at 50% duty cycle range,maintains load voltage regulation during variation in load from 1k to 47k, and employment ofthe ANN approach can estimate the fault tolerance in the EV battery.
- To maintain power balance and system stability in islanded DC microgrids, Dump loads are utilized.
- Compared with the conventional controllers, the system can achieve higher power density due to its faster dynamic response and enhanced reliability through its fault detection performance as low as 5 to 15ms.
- A transformer-less structure reduces complexity in control and overall system cost, and its bidirectional operation can efficiently manage energy flow between the EV battery and DC bus.
2. Principle and Operating Modes
2.1. Operating Modes
2.1.1. PV and Wind
2.1.2. PV Mode
2.1.3. Wind Mode
2.1.4. Battery Charging Mode
2.1.5. Battery Discharging Mode
2.1.6. Grid Fault or Islanded Mode
3. Design Guidelines, Stress Analysis, and Modelling
3.1. Design Considerations
3.1.1. Parameter Design on Inductors
3.1.2. Parameter Design on Capacitors
3.2. Power Switch Selection
3.3. Modelling of PV Systems, Irradiance Variation, and Wind Energy Source
3.4. Stress Analysis Calculation
4. Control Algorithm and Simulation Results
4.1. Artificial Neural Network (ANN) Control Strategy
4.2. Simulation Results
4.3. Power Loss Analysis and Efficiency Calculation
5. Experimental Results
5.1. Experimental Setup
5.2. Experimental Results and Discussion
6. Discussion
7. Conclusions
Author Contributions
Data Availability Statement
Acknowledgments
Conflicts of Interest
Abbreviations
| EV | Electric Vehicle |
| WECS | Wind Energy Conversion System |
| ANN | Artificial Neural Network |
| PWM | Pulse Width Modulation |
| PV | Photovoltaic |
| SOC | State of Charging |
| LED | Light Emitting Diode |
| VMC | Voltage Multiplier Cell |
| MPPT | Maximum Power Point tracker |
| PID | Proportional-Integral-Derivative |
References
- Sayed, K.; Almutairi, A.; Albagami, N.; Alrumayh, O.; Abo-Khalil, A.G.; Saleeb, H. A Review of DC-AC Converters for Electric Vehicle Applications. Energies 2022, 15, 1241. [Google Scholar] [CrossRef]
- Kim, I.; Park, J.W. Multifunctional Integrated DC–DC Converter for Electric Vehicles. IEEE Transactions on Power Electronics 2024, vol. 39(no. 6), 7252–7263. [Google Scholar] [CrossRef]
- Litrán, S.P.; Durán, E.; Semião, J.; Díaz-Martín, C. Multiple-Output DC–DC Converters: Applications and Solutions. Electronics 2022, 11, 1258. [Google Scholar] [CrossRef]
- Pan, L.; Zhang, C. An Integrated Multifunctional Bidirectional AC/DC and DC/DC Converter for Electric Vehicles Applications. Energies 2016, 9, 493. [Google Scholar] [CrossRef]
- Martinez-Vera, E; Banuelos-Sanchez, P. Review of Bidirectional DC-DC Converters and Trends in Control Techniques for Applications in Electric Vehicles. IEEE Latin America Transactions 2024, vol. 22(no. 2), 144–155. [Google Scholar] [CrossRef]
- Shi, C.; Wang, S. A Study on the Device Topology and Control Strategy of a Hybrid Three-Port Photovoltaic Energy Storage Grid-Connected Converter. Electronics 2025, 14, 1966. [Google Scholar] [CrossRef]
- Maurya, V.P; Singh, R.K. A Multifunction Power Converter with Multimode Capabilities for Low Power Electric Vehicles. IEEE Transactions on Power Electronics 2025, vol. 40(no. 9), 13778–13791. [Google Scholar] [CrossRef]
- BurakTekgun; DidemTekgun; Alan, Irfan. A multi-functional quasi-single stage bi-directional charger topology for electric vehicles. Ain Shams Engineering Journal 2024, Volume 15(Issue 3), 102471. [Google Scholar] [CrossRef]
- Dhananjaya, M.; Potnuru, D.; Manoharan, P.; Alhelou, H.H. Design and Implementation of Single-Input-Multi-Output DC-DC Converter Topology for Auxiliary Power Modules of Electric Vehicle. IEEE Access 2022, vol. 10, 76975–76989. [Google Scholar] [CrossRef]
- Kim, I.; Park, J.W. Multifunctional Integrated DC–DC Converter for Electric Vehicles. IEEE Transactions on Power Electronics 2024, vol. 39(no. 6), 7252–7263. [Google Scholar] [CrossRef]
- Challoob, A.F.; Bin Rahmat, N.A.; A/L Ramachandaramurthy, V.K.; Humaidi, AJ. Energy and battery management systems for electrical vehicles: A comprehensive review & recommendations. Energy Exploration & Exploitation 2023, 42(1), 341–372. [Google Scholar] [CrossRef]
- Dini, P.; Saponara, S.; Colicelli, A. Overview on Battery Charging Systems for Electric Vehicles. Electronics 2023, 12, 4295. [Google Scholar] [CrossRef]
- Rajeswari, V.; Mohanty, N.K. A Robust Controller for a Novel Single-Switch Non-Isolated Converter with Low-Order Ripples for Electric Vehicle Chargers. Sustainability 2024, 16, 10463. [Google Scholar] [CrossRef]
- Wang, Z.; Su, X.; Zeng, N.; Jiang, J. Overview of Isolated Bidirectional DC–DC Converter Topology and Switching Strategies for Electric Vehicle Applications. Energies 2024, 17, 2434. [Google Scholar] [CrossRef]
- Recalde, A.; Cajo, R.; Velasquez, W.; Alvarez-Alvarado, M.S. Machine Learning and Optimization in Energy Management Systems for Plug-In Hybrid Electric Vehicles: A Comprehensive Review. Energies 2024, 17, 3059. [Google Scholar] [CrossRef]
- Lipu, M.S.H.; Mamun, A.A.; Ansari, S.; Miah, M.S.; Hasan, K.; Meraj, S.T.; Abdolrasol, M.G.M.; Rahman, T.; Maruf, M.H.; Sarker, M.R.; et al. Battery Management, Key Technologies, Methods, Issues, and Future Trends of Electric Vehicles: A Pathway toward Achieving Sustainable Development Goals. Batteries 2022, 8, 119. [Google Scholar] [CrossRef]
- Kalaivani, P.; Joice, C.S. Design and modelling of a neural network-based energy management system for solar PV, fuel cell, battery and ultracapacitor-based hybrid electric vehicle. ElectrEng 2024, 106, 689–709. [Google Scholar] [CrossRef]
- Leal, W, C.;Godinho, M,O.; Bastos, R, F.; de Aguiar, C, R.; Fuzato, G, H, F.; Machado, R, Q. Cascaded Interleaved DC–DC Converter for a Bidirectional Electric Vehicle Charging Station. IEEE Transactions on Industrial Electronics 2024, vol. 71(no. 4), 3708–3717. [CrossRef]
- Wang, T.; Zhang, J.; Li, X.; Chen, S.; Ma, J.; Han, H. The Control Strategies for Charging and Discharging of Electric Vehicles in the Vehicle–Grid Interaction Modes. World Electr. Veh. J. 2024, 15, 468. [Google Scholar] [CrossRef]
- Milton, C.; Sivarani, T. S. Monarch butterfly optimization based energy management system for electric vehicle with interleaved landsman converter. Automatika 2024, 66(1), 43–68. [Google Scholar] [CrossRef]
- De Melo, R. R.; Tofoli, F. L.; Daher, S.; Antunes, F. L. M. Interleaved bidirectional DC–DC converter for electric vehicle applications based on multiple energy storage devices. Electrical Engineering 2020, 102(4), 2011–2023. [Google Scholar] [CrossRef]
- Ma, Lin; Sun, Kai; Teodorescu, R; Guerrero, J; XinminJin, M. An integrated multifunction DC/DC converter for PV generation systems. IEEE International Symposium on Industrial Electronics; 2010; pp. 2205–2210. [Google Scholar] [CrossRef]
- Pan, L.; Zhang, C. An Integrated Multifunctional Bidirectional AC/DC and DC/DC Converter for Electric Vehicles Applications. Energies 2016, 9, 493. [Google Scholar] [CrossRef]
- Goud, P.C.D.; Gupta, R. Dual-mode control of multi-functional converter in solar PV system for small off-grid applications. IET Power Electronics 2019, 12, 2851–2857. [Google Scholar] [CrossRef]
- Osheba, M.S.; Lashine, A.E.; Mansour, A.S. Design, implementation and performance evaluation of multi-function boost converter. Sci Rep 2023, 13, 4276. [Google Scholar] [CrossRef] [PubMed]
- Wu, Y.-E.; Hong, R.-R. Multi-Functional Isolated Three-Port Bidirectional DC/DC Converter for Photovoltaic Systems. Sustainability 2022, 14, 11169. [Google Scholar] [CrossRef]
- Avila, A.; Garcia-Bediaga, A.; Alzuguren, I; Vasić, M; Rujas, A. A Modular Multifunction Power Converter Based on a MultiwindingFlyback Transformer for EV Application. IEEE Transactions on Transportation Electrification 2022, vol. 8(no. 1), 168–179. [Google Scholar] [CrossRef]
- Ozdemir, E.; Kavaslar, F. A new multifunctional power converter for grid connected residential photovoltaic applications. IEEE Energy Conversion Congress and Exposition 2009, 2650–2656. [Google Scholar] [CrossRef]
- Wu, H.; Xu, P.; Hu, H.; Zhou, Z.; Xing, Y. Multiport Converters Based on Integration of Full-Bridge and Bidirectional DC–DC Topologies for Renewable Generation Systems. IEEE Transactions on Industrial Electronics 2014, vol. 61(no. 2), 856–869. [Google Scholar] [CrossRef]
- RicsaAlhassaneSoumana; JumaSaulo, Michael; MainaMuriithi, Christopher. New control strategy for multifunctional grid-connected photovoltaic systems. Results in Engineering2022 2022, Volume 14, 100422. [Google Scholar] [CrossRef]
- Singh, A.K.; Pathak, M.K. Single-stage ZETA-SEPIC-based multifunctional integrated converter for plug-in electric vehicles. IET Electr. Syst. Transp. 2018, 8, 101–111. [Google Scholar] [CrossRef]
- Laksono, A.B.; MulyoUtomo, W.; NurAtikah, A.I.; Abu Bakar, A.; Bachri, A.; Widjanarko. Battery Charger with Bridgeless Power Factor Correction using PID-ANN Controller. IEEE 2nd International Conference on Electrical Engineering, Computer and Information Technology (ICEECIT), Jember, Indonesia, 2024; pp. 257–261. [Google Scholar] [CrossRef]
- Alrubaie, A.J.; Swadi, M.; Salem, M.; Richelli, A.; Bughneda, A.; Kamarol, M. Systematic Review of Bidirectional, Multiport Converter Structures and Their Derivatives: A Case Study of Bidirectional Dual Input Dual Output Converters. Energies 2024, 17, 1575. [Google Scholar] [CrossRef]
- Ashok, B.; Michael, P.A. Integration of cascaded controllers for super-lift Luo converter with buck converter in solar photovoltaic and electric vehicle. Analog IntegrCirc Sig Process 2024, 118, 449–466. [Google Scholar] [CrossRef]
- Margaret Amutha, W.; Srinivasan, P. Hybrid Falcon Optimization Algorithm-PID Controller Based Wind Powered Improved Bridgeless CUK Converter for Telecom Applications. Arab J SciEng 2025, 50, 17863–17872. [Google Scholar] [CrossRef]
- Suresh, K.; Parimalasundar, E.; Arunraja, A. Design and Implementation of universal converter using ANN controller. Sci Rep 2025, 15, 3501. [Google Scholar] [CrossRef]
- Kumar, A.N.; Rakesh, K.; SrikanthGoud, B. A dynamic multi-objective control strategy for bidirectional PV grid integration with power quality improvement and intelligent energy management. Energy Exploration & Exploitation 2025, 0(0). [Google Scholar] [CrossRef]
- Sinha, D.; Majumder, S.; Bandyopadhyay, C.; Sharma, H.K. Arithmetic Harris Hawks-Based Effective Battery Charging from Variable Sources and Energy Recovery Through Regenerative Braking in Electric Vehicles, Implying Fractional Order PID Controller. Fractal Fract. 2025, 9, 525. [Google Scholar] [CrossRef]
- Ganesan; Balasubramanian; Susaikani; Augusti Lindiya; Nallusamy; Subashini; Dharmalingam; Uma; Prabaharan; Natarajan. Particle Swarm Optimization Controlled High-Gain Three-Port DC–DC Converter With Reduced Switches and Passive Elements for Electrical Vehicle Charging Station. International Journal of Energy Research 2025, 5599077, 18 pages. [Google Scholar] [CrossRef]
- Zhang, Yi; Xu, Shiyu; Song, Yize; Qi, Wenjie; QiangGuo; Li, Xu. Real-Time Global Optimal Energy Management Strategy for Connected PHEVs Based on Traffic Flow Information. IEEE Transactions on Intelligent Transportation Systems 2024, vol. 25(no. 12), 20032–20042. [Google Scholar] [CrossRef]
- Okwako, O.E.; Lin, Z.-H.; Xin, M.; Premkumar, K.; Rodgers, A.J. Neural Network Controlled Solar PV Battery Powered Unified Power Quality Conditioner for Grid Connected Operation. Energies 2022, 15, 6825. [Google Scholar] [CrossRef]
- Mahar, H.; Munir, H.M.; Soomro, J.B.; Akhtar, F.; Hussain, R.; Elnaggar, M.F.; Kamel, S.; Guerrero, J.M. Implementation of ANN Controller Based UPQC Integrated with Microgrid. Mathematics 2022, 10. [Google Scholar] [CrossRef]
- Subbulakshmy, R.; Palanisamy, R.; Alshahrani, S.; Saleel, C.A. Implementation of Non-Isolated High Gain Interleaved DC-DC Converter for Fuel Cell Electric Vehicle Using ANN-Based MPPT Controller. Sustainability 2024, 16, 1335. [Google Scholar] [CrossRef]
- Qi, Wenjie; Lan, Peng; Yang, Jiaxing; Chen, Yong; Zhang, Yuemeng; Wang, Guojian; Peng, Fei; Hong, Jichao. Multi-U-Style micro-channel in liquid cooling plate for thermal management of power batteries. Applied Thermal Engineering 2024, Volume 256, 123984. [Google Scholar] [CrossRef]
- Sankarananth, S.; Sivaraman, P. Performance enhancement of multi-port bidirectional DC-DC converter using resilient backpropagation neural network method. Sustainable Computing: Informatics and Systems2022 2022, Volume 36, 100783. [Google Scholar] [CrossRef]
- Akpolat, A.N. Dynamic Stabilization of DC Microgrids Using ANN-Based Model Predictive Control. IEEE Transactions on Energy Conversion 2022, vol. 37(no. 2), 999–1010. [Google Scholar] [CrossRef]
- Ramu, Senthil Kumar; IndragandhiVairavasundaram; BalakumarPalaniyappan; Bragadeshwaran, Ashok; BelqasemAljafari. Enhanced energy management of DC microgrid: Artificial neural networks-driven hybrid energy storage system with integration of bidirectional DC-DC converter. Journal of Energy Storage 2024, Volume 88, 111562. [Google Scholar] [CrossRef]






































| Ripple factors |
Lower Value (Below 10%) |
Higher Value (Above 40%) | Values (10%-30%) |
|---|---|---|---|
| Inductor current ripple | A large inductor results in higher cost and size. | Higher losses and more EMI | Enough ripple for control and uses a small value of inductor |
| Capacitor voltage ripple | A large capacitor results in increased cost and size. | Higher stresses and control remain unstable. | Lower ripples requirea smaller value of capacitors. |

| Parameters | Specifications |
|---|---|
| Solar cells type | Monocrystalline |
| Rated Voltage (Vmpp) | 39.8V |
| Rated Current (Impp) | 5.40 A |
| Maximum Peak Power (Pmax) | 220W |
| Short Circuit Current (Isc) | 8.3A |
| Open Circuit Voltage (Voc) | 38V |
| Maximum System Voltage | 600V |
| Parameters | Specifications |
|---|---|
| Battery type | Lead-Acid |
| Nominal Voltage (V) | 12 V |
| Nominal Capacity (Ah) | 20 A |
| Internal Resistance (mΩ) | 3.4Ω |
| Cut-off voltage | 9V |
| Full-charge voltage (Voc) | 13.6V |
| Parameters | Specifications |
|---|---|
| Converter Output voltage | 500V~600V |
| Wind Rectifier Output | 150V DC |
| DC Bus link voltage | 600V |
| Inductors L1, L2 and L3 | 5mH and 100mH |
| Capacitors C1, C2 and C | 4.7µF and 1000µF |
| Switching Frequency | 50kHz |
| Output Power | 300W |
| Power Switch | MOSFET IRF840, 500V, 8A |
| Load resistance | 47kΩ, 1kΩ |
| Controller | Efficiency (η%) | Voltage Error(%) | Settling time (ms) | Fault detection time(ms) |
|---|---|---|---|---|
| PI-based controller [32] | 93.2% | 2.5 | 45 | 40 |
| PSO-controller [39] | 94.5% | 1.9 | 38 | 35 |
| Proposed ANN-based controller | 95.4% | 0.9 | 16 | 5-15 |
| Ref | L | C | Q | Voltage Gain | fs | Power | Efficiency (η%) |
|---|---|---|---|---|---|---|---|
| [8] | 2 | 3 | 3 | 50kHz | 100W | 92% | |
| [23] | 1 | 3 | 3 | 20kHz | 35W | 92.5% | |
| [26] | 2 | 5 | 2 | 100kHz | 200W | 91% | |
| [29] | 2 | 2 | 3 | 100kHz | 50W | 91.5% | |
| [31] | 4 | 4 | 4 | 50Hz | 250W | 93.5% | |
| Proposed Converter | 2 | 3 | 3 | ( | 50kHz | 1kW | 95.4% |
| Sl. No | Components | Specifications |
|---|---|---|
| 1 | Capacitors( C1, C2,and Co) | 1000 µF/50V, 2200µF/50V, 470µF/25V, 1000µF/63V |
| 2 | Diodes used in bridge rectifier 1 and 2 | FR207 |
| 3 | BR 101Rectron-Bridge Rectifier | 10A, 100V |
| 4 | Battery | 12V, 1.5Ah |
| 5 | Microcontroller | DSPIC IC30F4011 |
| 6 | Inductors (L1, L2,L3) | 2mH, 150µH |
| 7 | Power MOSFET (Q1, Q2, and Q3) | IRF 840 |
| 8 | Dump Load resistor | 1k, 47k |
| Parameters | Simulation observation |
Experimental Observation |
Similarity and Interpretation |
|---|---|---|---|
| Input DC Voltage | Voltage increases from 440 V to 450 V and then to 500 V over the period of time. | Input voltage obtained at 34 V and output at 36.10 V. | Both exhibit increasing voltage; hardware uses a scaled-down model. |
|
Boost Converter Output Voltage |
Voltage stabilizes at 600 V after 0.1 seconds | Output voltage stabilizes at 36.10 V. | Stable voltage achieved in both systems; hardware output scaled down. |
| Battery Voltage | Voltage drops at 0.3 seconds, then stabilizes at 10 V. | Flat and steady voltage waveform observed | Both show stable battery behaviour post-transient. |
|
Bidirectional Converter Pulse |
Switching behaviour observed. | Pulses peak at ~10 V and ~20.75 V at 0.1 sec. | Both show expected pulse switching patterns. |
| Converter Pulse (General) | Periodic waveform behaviour assumed. | Oscillating waveform from -3.91 V to +5.52 V. | The periodic signal shows the converter switching operation. |
Disclaimer/Publisher’s Note: The statements, opinions and data contained in all publications are solely those of the individual author(s) and contributor(s) and not of MDPI and/or the editor(s). MDPI and/or the editor(s) disclaim responsibility for any injury to people or property resulting from any ideas, methods, instructions or products referred to in the content. |
© 2026 by the authors. Licensee MDPI, Basel, Switzerland. This article is an open access article distributed under the terms and conditions of the Creative Commons Attribution (CC BY) license.