Submitted:
27 April 2023
Posted:
28 April 2023
You are already at the latest version
Abstract
Keywords:
1. Introduction
1.1. Motivation

1.2. Literature review
1.3. Key contributions:
- 1.
- The design of a highly efficient, modular bi-directional converter for V2V charging.
- 2.
- Design of DNN-based closed-loop control for Bi- directional V2V and V2G charger.
- 3.
- Elimination of PI control and its comparison with proposed technology.
1.4. Organization:
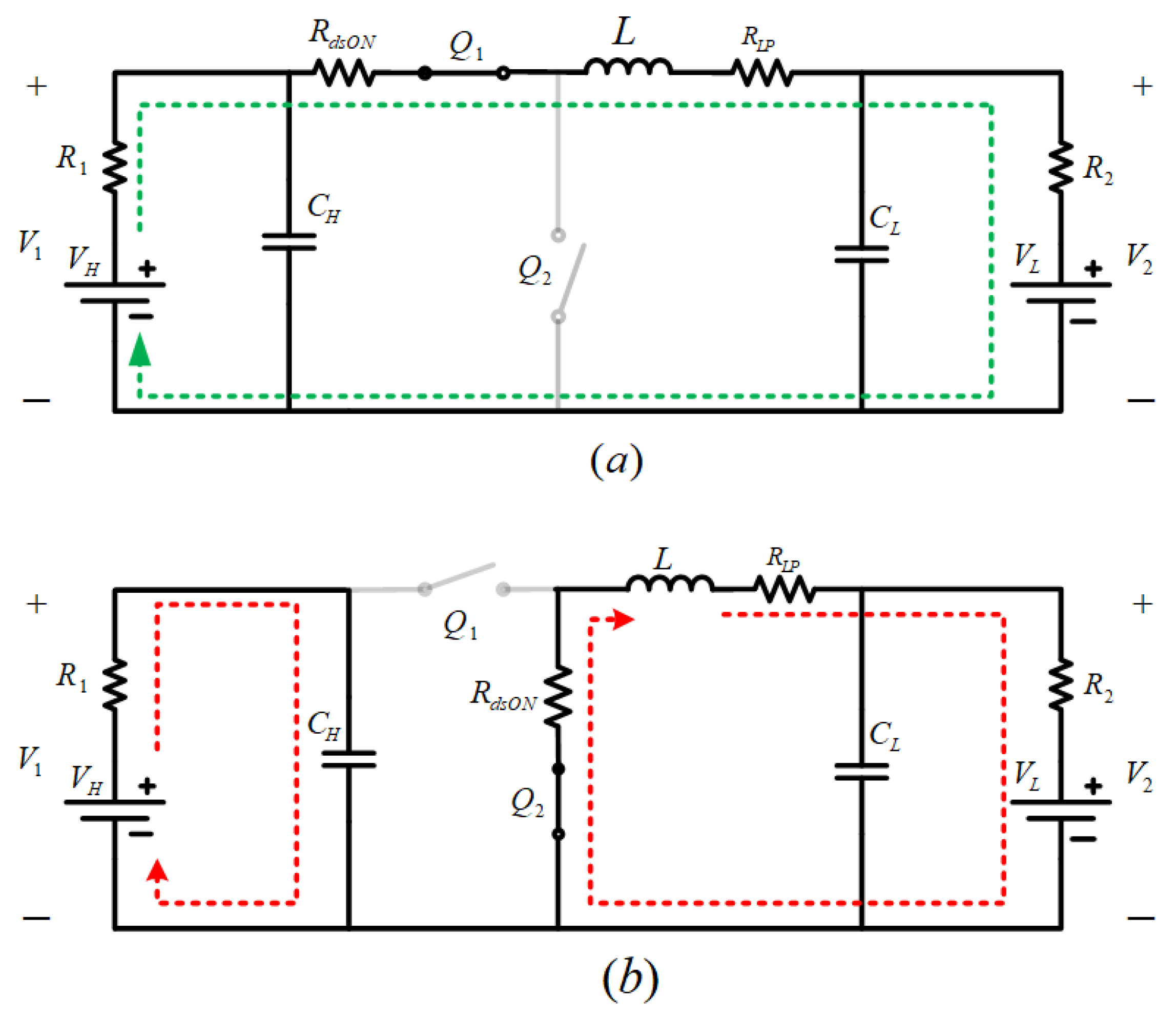
2. Section II - Operation of NIBC
2.1. Mode I:
2.2. Mode II:
Buck Mode(On):
Buck mode(Off):
3. Controller design
3.1. Training and testing of proposed DNN controller:
3.1.1. Hyper parameter selection:
3.2. Algorithm
4. Results
4.1. PID Controller:
4.1.1. Charging to discharging mode:
4.1.2. Discharging to charging mode:
4.2. DNN Controller:
4.2.1. Charging to discharging mode:
Inductor Current:
HV Battery () :
LV Battery ():
4.2.2. Discharging to charging mode:
Inductor Current:
HV Battery () :
LV Battery () :
5. Conclusion
References
- Mai, T.; Hand, M.M.; Baldwin, S.F.; Wiser, R.H.; Brinkman, G.L.; Denholm, P.; Arent, D.J.; Porro, G.; Sandor, D.; Hostick, D.J.; et al. Renewable electricity futures for the United States. IEEE Transactions on Sustainable Energy 2013, 5, 372–378. [Google Scholar] [CrossRef]
- Zhang, Y.; Gatsis, N.; Giannakis, G.B. Robust Energy Management for Microgrids With High-Penetration Renewables. IEEE Transactions on Sustainable Energy 2013, 4, 944–953. [Google Scholar] [CrossRef]
- Haegel, N.M.; Kurtz, S.R. Global Progress Toward Renewable Electricity: Tracking the Role of Solar. IEEE Journal of Photovoltaics 2021, 11, 1335–1342. [Google Scholar] [CrossRef]
- Li, W.; Yang, M.; Sandu, S. Electric vehicles in China: A review of current policies. Energy & Environment 2018, 29, 1512–1524. [Google Scholar] [CrossRef]
- A review of energy sources and energy management system in electric vehicles. Renewable and Sustainable Energy Reviews 2013, 20, 82–102. [CrossRef]
- Omahne, V.; Knez, M.; Obrecht, M. Social Aspects of Electric Vehicles Research—Trends and Relations to Sustainable Development Goals. World Electric Vehicle Journal 2021, 12. [Google Scholar] [CrossRef]
- Yang, K.; Huang, Y.; Qin, Y.; Hu, C.; Tang, X. Potential and challenges to improve vehicle energy efficiency via V2X: Literature review. International Journal of Vehicle Performance 2021, 7, 244–265. [Google Scholar] [CrossRef]
- Chaitanya, M.; Vinayak, A.; Pavan, B.G.; Lakshmi, N.; Sandeep, K. A Review of Bidirectional DC-DC,DC-AC Converters for V2G and G2V Applications. In Proceedings of the 2023 International Conference on Power, Instrumentation, Energy and Control (PIECON), 2023, pp. 1–6. [CrossRef]
- Technical investigation on V2G, S2V, and V2I for next generation smart city planning. Journal of Electronic Science and Technology 2019, 17, 100010. [CrossRef]
- Mummadi, V.; Mohan, B.K. Robust digital voltage-mode controller for fifth-order boost converter. IEEE Transactions on Industrial Electronics 2010, 58, 263–277. [Google Scholar] [CrossRef]
- Chattopadhyay, S.; Das, S. A Digital Current-Mode Control Technique for DC–DC Converters. IEEE Transactions on Power Electronics 2006, 21, 1718–1726. [Google Scholar] [CrossRef]
- Sliding mode control of DC/DC converters. Journal of the Franklin Institute 2013, 350, 2146–2165. [CrossRef]
- Wu, H.; Su, W.; Liu, Z. PID controllers: Design and tuning methods. 2014 9th IEEE Conference on Industrial Electronics and Applications, 2014; 808–813. [Google Scholar]
- Mattavelli, P.; Rossetto, L.; Spiazzi, G.; Tenti, P. General-purpose fuzzy controller for DC-DC converters. IEEE Transactions on Power Electronics 1997, 12, 79–86. [Google Scholar] [CrossRef]
- Machina, V.S.P.; Koduru, S.S.; Madichetty, S.; Mishra, S. Design of ANN Based Controller for Cyberattack Detection in DC-DC Buck Converter. In Proceedings of the 2022 22nd National Power Systems Conference (NPSC), 2022, pp. 460–464. [CrossRef]
- Srikanth, R.; Venkatesan, M.; Subba Rao, M. Design and performance evaluation of PID, Fuzzy logic and ANN controllers based MPPTs for hybrid electric vehicle applications. International Journal of Ambient Energy 2022, 43, 3661–3675. [Google Scholar] [CrossRef]
- Banda, M.K.; Koduru, S.S.; Machina, V.S.P.; Madichetty, S. A Deep Learning Based Cyber Attack Detection and Mitigation Scheme in Synchronous Buck Converter. In Proceedings of the 2022 IEEE International Conference on Power Electronics, Drives and Energy Systems (PEDES). IEEE, 2022, pp. 1–6.














| Epochs | Optimizer | Activation function | ||
| Sigmoid | ReLU | Tanh | ||
| 50 | Adam | 0.02256 | 0.00082 | 0.003549 |
| RMSprop | 0.03945 | 0.00652 | 0.00701 | |
| SGD | 0.15299 | 0.00091 | 0.00752 | |
| Adam | 0.00707 | 0.00049 | 0.00089 | |
| 100 | RMSprop | 0.03002 | 0.00278 | 0.00291 |
| SGD | 0.08281 | 0.00028 | 0.00457 | |
| Adam | 0.00501 | 0.00161 | 0.00191 | |
| 150 | RMSprop | 0.00635 | 0.00381 | 0.00514 |
| SGD | 0.04432 | 0.00060 | 0.00402 |
Disclaimer/Publisher’s Note: The statements, opinions and data contained in all publications are solely those of the individual author(s) and contributor(s) and not of MDPI and/or the editor(s). MDPI and/or the editor(s) disclaim responsibility for any injury to people or property resulting from any ideas, methods, instructions or products referred to in the content. |
© 2023 by the authors. Licensee MDPI, Basel, Switzerland. This article is an open access article distributed under the terms and conditions of the Creative Commons Attribution (CC BY) license (http://creativecommons.org/licenses/by/4.0/).