Submitted:
29 September 2025
Posted:
30 September 2025
You are already at the latest version
Abstract
Keywords:
1. Introduction

2. Finite Element Model – Validation
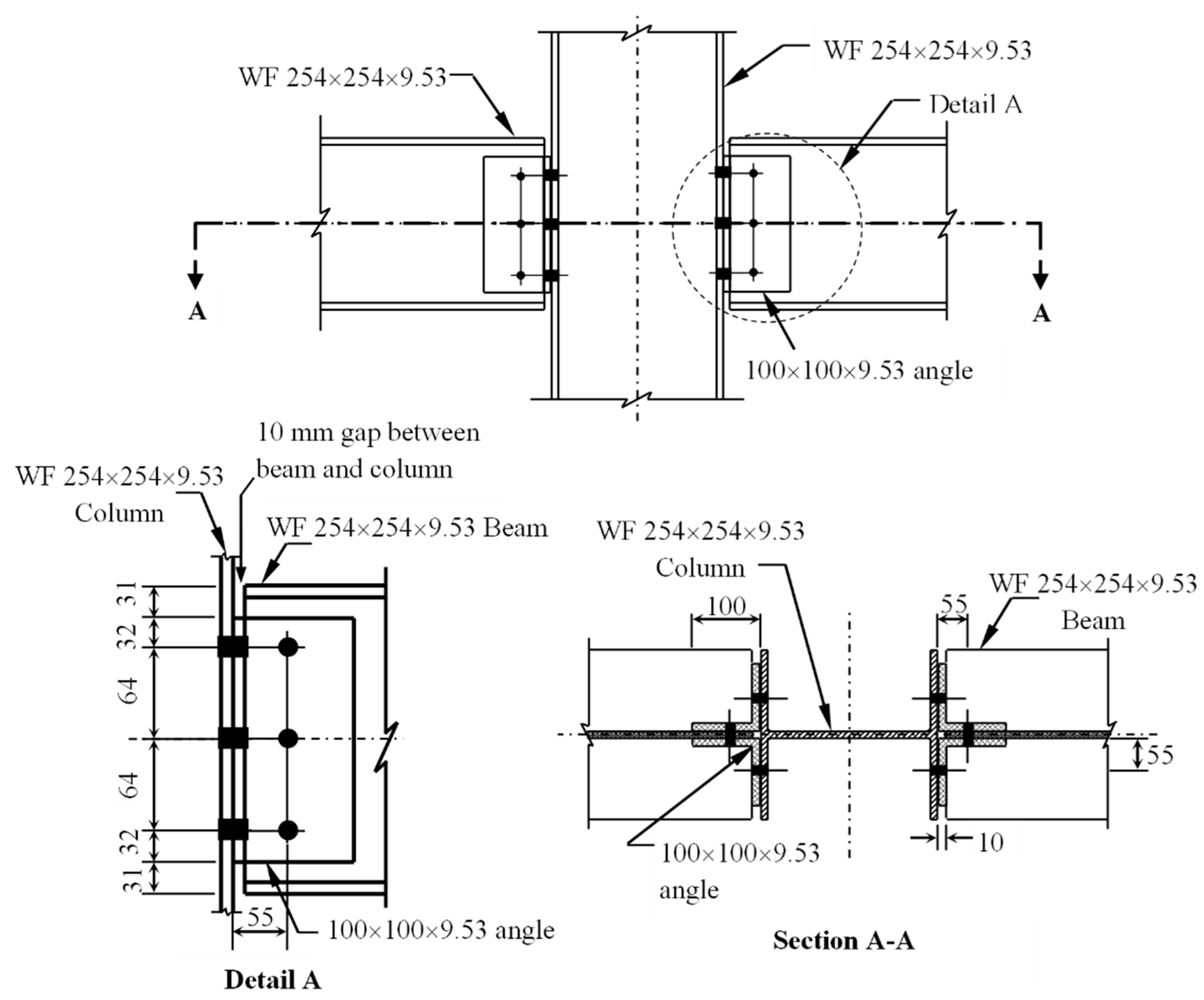
2.1. Description of Experimental Setup

2.2. Creating Geometry
2.2.1. Beam and Column
2.2.2. Web Cleat
2.2.3. Steel Bolts
2.2.4. Steel Loading Plate
2.3. Material Properties
2.3.1. FRP beam, column and cleats – Elastic properties
2.3.2. FRP beam, column and cleats – Damage properties
2.3.3. Steel Bolts and Loading Plates
2.4. Assembling Individual Parts
2.5. Defining Analysis Steps
2.6. Defining Contact Interactions
2.7. Boundary Conditions and Load Application
2.8. Meshing and Mesh Sensitivity Analysis
2.8.1. Meshing
2.8.2. Mesh Sensitivity Analysis
2.9. Job Definition and Simulation
2.10. Visualisation and Result Extraction
2.11. Validaiton with Experiments
2.11.1. Moment Versus Rotation Curves
2.11.2. Delamination and Failure Modes
3. Parametric Study
3.1. Connection Geometry
3.2. Bolt Size
3.3. Bolt-Hole Clearance
3.4. Joint Properties
3.5. Joint Classification
4. Conclusions
- The finite element model developed in ABAQUS successfully reproduced the moment–rotation response, stiffness, and failure modes of pultruded FRP beam-to-column joints with FRP web cleats. Numerical predictions showed good agreement with experimental results, with differences within 10%.
- Delamination at the top fillet radius of the web cleats was identified as the governing failure mode. Hashin’s progressive damage model accurately captured fibre and matrix failures, confirming its suitability for simulating the brittle failure mechanisms of FRP materials.
- The parametric study demonstrated that variations in cleat size, bolt size, and bolt-hole clearance had limited influence on ultimate moment capacity. However, these parameters significantly affected joint stiffness, indicating that connection detailing plays a key role in serviceability performance.
- Increasing cleat thickness and bolt diameter improved initial stiffness, while bolt-hole clearance introduced slip effects but did not significantly alter ultimate strength.
- The rotational stiffness values obtained from all numerical models fall within the limits defined by Eurocode 3, classifying the joints as nominally pinned.
- The validated FE approach provides a practical framework for evaluating FRP joint performance, reducing the need for extensive physical testing. It also offers a basis for optimising connection design in pultruded FRP structures and supports the future development of design guidelines.
Author Contributions
Acknowledgments
Conflicts of Interest
References
- Bank, L.C. Composites for Construction - Structural Design with FRP Materials; John Wiley & Sons: Hoboken, New Jersey, USA, 2006;
- Mottram, J.T. Does Performance-Based Design with FRP Components and Structures Provide Any New Benefits and Challenges? Struct. Eng. 2011, 89.
- Mosallam, A. Design Guide for FRP Composite Connections; American Society of Civil Engineers: Reston, VA, 2011; ISBN 978-0-7844-0612-0.
- Turvey, G.J.; Cooper, C. Review of Tests on Bolted Joints between Pultruded GRP Profiles. Proc. Inst. Civ. Eng. Struct. Build. 2004, 157, 211–233. [CrossRef]
- Mottram, J.T.; Zheng, Y. State-of-the-Art Review on the Design of Beam-to-Column Connections for Pultruded Frames. Compos. Struct. 1996, 35, 387–401. [CrossRef]
- Turvey, G.J. Analysis of Pultruded Glass Reinforced Plastic Beams with Semi-Rigid End Connections. Compos. Struct. 1997, 38, 3–16. [CrossRef]
- Bank, L.C.; Mosallam, A.S.; Gonsior, H.E. Beam-to-Column Connections for Pultruded FRP Structures. In Proceedings of the Proc. 1st Materials Engineering Congress, ASCE; Denver, USA, 1990; pp. 804–813.
- Mottram, J.T.; Zheng, Y. Further Tests on Beam-to-Column Connections for Pultruded Frames: Web-Cleated. J. Compos. Constr. 1999, 3, 3–11. [CrossRef]
- Qureshi, J.; Nadir, Y.; John, S.K. Bolted and Bonded FRP Beam-Column Joints with Semi-Rigid End Conditions. Compos. Struct. 2020, 247, 112500. [CrossRef]
- Qureshi, J.; Nadir, Y.; John, S.K. Cyclic Response of Bolted and Hybrid Pultruded FRP Beam-Column Joints between I-Shaped Sections. Fibers 2021, 9, 66. [CrossRef]
- Qureshi, J. A Review of Fibre Reinforced Polymer Structures. Fibers 2022, 10, 27. [CrossRef]
- Eskenati, A.R.; Mahboob, A.; Bernat-Maso, E.; Gil, L. Experimental and Numerical Study of Adhesively and Bolted Connections of Pultruded GFRP I-Shape Profiles. Polymers (Basel). 2022, 14. [CrossRef]
- Matharu, N.S.; Mottram, J.T. Plain and Threaded Bearing Strengths for the Design of Bolted Connections with Pultruded FRP Material. Eng. Struct. 2017, 152. [CrossRef]
- Coelho, A.M.G.; Mottram, J.T. Numerical Evaluation of Pin-Bearing Strength for the Design of Bolted Connections of Pultruded FRP Material. J. Compos. Constr. 2017, 21. [CrossRef]
- Tang, J.; Feng, P.; Wang, Q. Beam-Column Joints of FRP Pultruded Profiles: State-of-the-Art Review, Performance Evaluation, and Design Method. Compos. Struct. 2025, 370, 119250. [CrossRef]
- Ascione, F.; D’Aniello, M.; Feo, L.; Granata, L.; Landolfo, R. A Novel Ductile Connection for FRP Pultruded Beam-to-Column Assemblies. Compos. Struct. 2024, 337, 118091. [CrossRef]
- Qureshi, J.; Mottram, J.T. Resin Injected Bolted Connections: A Step towards Achieving Slip-Resistant Joints in FRP Bridge Engineering. In Proceedings of the FRP Bridges Conference, NetComposites, 13-14 Sep 2012; London, UK, 2012.
- Qureshi, J.; Mottram, J.T. Response of Beam-to-Column Web Cleated Joints for FRP Pultruded Members. J. Compos. Constr. 2014, 18, 04013039. [CrossRef]
- Qureshi, J.; Mottram, J.T.; Zafari, B. Robustness of Simple Joints in Pultruded FRP Frames. Structures 2015, 3, 120–129. [CrossRef]
- Zafari, B.; Qureshi, J.; Mottram, J.T.; Rusev, R. Static and Fatigue Performance of Resin Injected Bolts for a Slip and Fatigue Resistant Connection in FRP Bridge Engineering. Structures 2016, 7, 71–84. [CrossRef]
- Qureshi, J.; Mottram, J.T. Moment-Rotation Response of Nominally Pinned Beam-to-Column Joints for Frames of Pultruded Fibre Reinforced Polymer. Constr. Build. Mater. 2015, 77, 396–403. [CrossRef]
- Creative Composites The New and Improved PulTex Pultrusion Design Manual; Creative Pultrusions Inc.: Alum Bank, PA, USA, 2024;
- Bishay-Girges, N.W. Improved Steel Beam-Column Connections in Industrial Structures. Eng. Technol. Appl. Sci. Res. 2020, 10, 5126–5131. [CrossRef]
- Zheng, Y. Connection Behaviour and Frame Analysis for Structures of Pultruded Profile, PhD Thesis, University of Warwick, Coventry, UK, 1998.
- Abd-El-Naby, S.F.M.; Hollaway, L. The Experimental Behaviour of Bolted Joints in Pultruded Glass/ Polyester Material. Part 2: Two-Bolt Joints. Composites 1993, 24, 539–546. [CrossRef]
- Abd-El-Naby, S.F.M.; Hollaway, L. The Experimental Behaviour of Bolted Joints in Pultruded Glass/ Polyester Material. Part 1: Single-Bolt Joints. Composites 1993, 24, 531–538. [CrossRef]
- Hollaway, L.C.; Head, P.R. Advanced Polymer Composites and Polymers in the Civil Infrastructure; First edit.; Elsevier Science: Oxford, UK, 2001; ISBN 978-0-08-043661-6.
- 28. BS EN 1993-1-8:2005 Eurocode 3: Design of Steel Structures - Part 1-8: Design of Joints; British Standards Institution: London, UK, 2005;













| Material Property | Input value |
| Density (tonne/mm3) | 2.1 × 10-9 |
| Young’s Modulus, E1 (N/mm2) | 29000 |
| Young’s Modulus, E2= E3 (N/mm2) | 8600 |
| Poisson’s Ratio, ν12 = ν13 | 0.35 |
| Poisson’s Ratio, ν23 | 0.12 |
| Shear Modulus, G12 = G13 (N/mm2) | 3000 |
| Shear Modulus, G23 (N/mm2) | 3400 |
| Material Property | Input value |
| Longitudinal Tensile Strength (N/mm2) | 275 |
| Longitudinal Compressive Strength (N/mm2) | 315.7 |
| Transverse Tensile Strength (N/mm2) | 95 |
| Transverse Compressive Strength (N/mm2) | 122.4 |
| Longitudinal Shear Strength (N/mm2) | 60 |
| Transverse Shear Strength (N/mm2) | 27.5 |
| Material Property | Input value |
| Longitudinal Tensile Strength (N/mm2) | 208.3 |
| Longitudinal Compressive Strength (N/mm2) | 257.8 |
| Transverse Tensile Strength (N/mm2) | 72.2 |
| Transverse Compressive Strength (N/mm2) | 97.6 |
| Longitudinal Shear Strength (N/mm2) | 48.3 |
| Transverse Shear Strength (N/mm2) | 23.4 |
| Material Property | Input value |
| Longitudinal Tensile Strength (N/mm2) | 215 |
| Longitudinal Compressive Strength (N/mm2) | 270 |
| Transverse Tensile Strength (N/mm2) | 115 |
| Transverse Compressive Strength (N/mm2) | 175 |
| Longitudinal Shear Strength (N/mm2) (Full section) | 48.3 |
| Longitudinal Shear Strength (N/mm2) (through heel of angle) | 23.4 |
| Transverse Shear Strength (N/mm2) | 23.4 |
| Yield Stress (N/mm2) | Plastic strain |
| 355 | 0 |
| 470 | 0.2 |
| Yiled Stress (N/mm2) | Plastic strain |
| 640 | 0 |
| 800 | 0.178 |
|
Specimen label (1) |
Mi (kN m) (2) |
φi (mrad) (3) |
Si = Mi/φi (kN m/rad) (4) |
Mj (kN m) (5) |
φj (mrad) (6) |
Sj = Mj/φj (kN m/rad) (7) |
Mmax (kN m) (8) |
φmax (mrad) (9) |
| Wmj254_3M16_WC150 (Left) | 0.75 | 7 | 107 | 0.93 | 13.3 | 70 | 2.45 | 40.4 |
| Wmj254_3M16_WC150 (Right) | 0.71 | 6.9 | 103 | 0.96 | 15.8 | 61 | 2.51 | 42.8 |
| Mean of 2 | 0.73 | 6.95 | 105 | 0.95 | 14.5 | 66 | 2.48 | 41.6 |
| CV | 3.8% | 1% | 2.7% | 2.4% | 12% | 9.7% | 1.7% | 4% |
|
Specimen label (1) |
Mi (kN m) (2) |
φi (mrad) (3) |
Si = Mi/φi (kN m/rad) (4) |
Mj (kN m) (5) |
φj (mrad) (6) |
Sj = Mj/φj (kN m/rad) (7) |
Mmax (kN m) (8) |
φmax (mrad) (9) |
| Wmj254_3M18_BS (Left) | 0.75 | 7.2 | 104 | 0.95 | 13.4 | 71 | 2.03 | 40.4 |
| Wmj254_3M18_BS (Right) | 0.7 | 7 | 100 | 0.87 | 11.70 | 74 | 2.04 | 48.7 |
| Mean of 2 | 0.725 | 7.1 | 102 | 0.91 | 12.5 | 72.5 | 2.035 | 44.5 |
| CV | 4.9% | 2% | 2.8% | 6.2% | 9.6% | 6.9% | 0.3% | 13.1% |
|
Specimen label (1) |
Mi (kN m) (2) |
φi (mrad) (3) |
Si = Mi/φi (kN m/rad) (4) |
Mj (kN m) (5) |
φj (mrad) (6) |
Sj = Mj/φj (kN m/rad) (7) |
Mmax (kN m) (8) |
φmax (mrad) (9) |
| Wmj254_3M16_BHC (Left) | 0.8 | 7.2 | 111 | 0.94 | 13.81 | 68 | 1.61 | 27.3 |
| Wmj254_3M18_BHC (Right) | 0.76 | 8.1 | 94 | 0.96 | 15.87 | 60.5 | 1.81 | 48.4 |
| Mean of 2 | 0.78 | 7.65 | 102.5 | 0.95 | 14.84 | 64.25 | 1.71 | 37.85 |
| CV | 3.6% | 8.3% | 12% | 1.5% | 9.7% | 8% | 8% | 39% |
Disclaimer/Publisher’s Note: The statements, opinions and data contained in all publications are solely those of the individual author(s) and contributor(s) and not of MDPI and/or the editor(s). MDPI and/or the editor(s) disclaim responsibility for any injury to people or property resulting from any ideas, methods, instructions or products referred to in the content. |
© 2025 by the authors. Licensee MDPI, Basel, Switzerland. This article is an open access article distributed under the terms and conditions of the Creative Commons Attribution (CC BY) license (http://creativecommons.org/licenses/by/4.0/).