Submitted:
21 July 2025
Posted:
23 July 2025
You are already at the latest version
Abstract
Keywords:
1. Introduction
2. Methods
2.1. System Model
- Determining a cost-effective purchase decision for the components.
- Operating a subset of the purchased components for each load case within the specified load profile, ensuring that the system meets the demand while maximising efficiency.
2.2. Fan Station Model
- Fan power consumption is expressed as a function of flow and pressure , using the fan pressure curve Equation (4).
- For multiple parallel fans, the total electrical power consumption is split into hydraulic power, , and the residual losses , such that . Since the total flow rate Q is known in advance (unlike the individual flows), the hyraulic term is linear. Moreover, the loss function exhibits a smaller locally non-convex region than the full fan curve.
- The power loss function is linearised for each fan by constructing a set of linear inequalities - lower bounds at selected operating points (i.e., outer polyhedral approximation). Since the optimisation minimises electrical power, the solution will lie on one of these lower bounding constraints.
- Because the fan speed is no longer a decision variable, it must be constrained indirectly to stay within feasible bounds. This is achieved via additional linear inequalities that ensure the estimated electrical power does not exceed the value at 100 % fan speed.

2.3. Pressure Losses
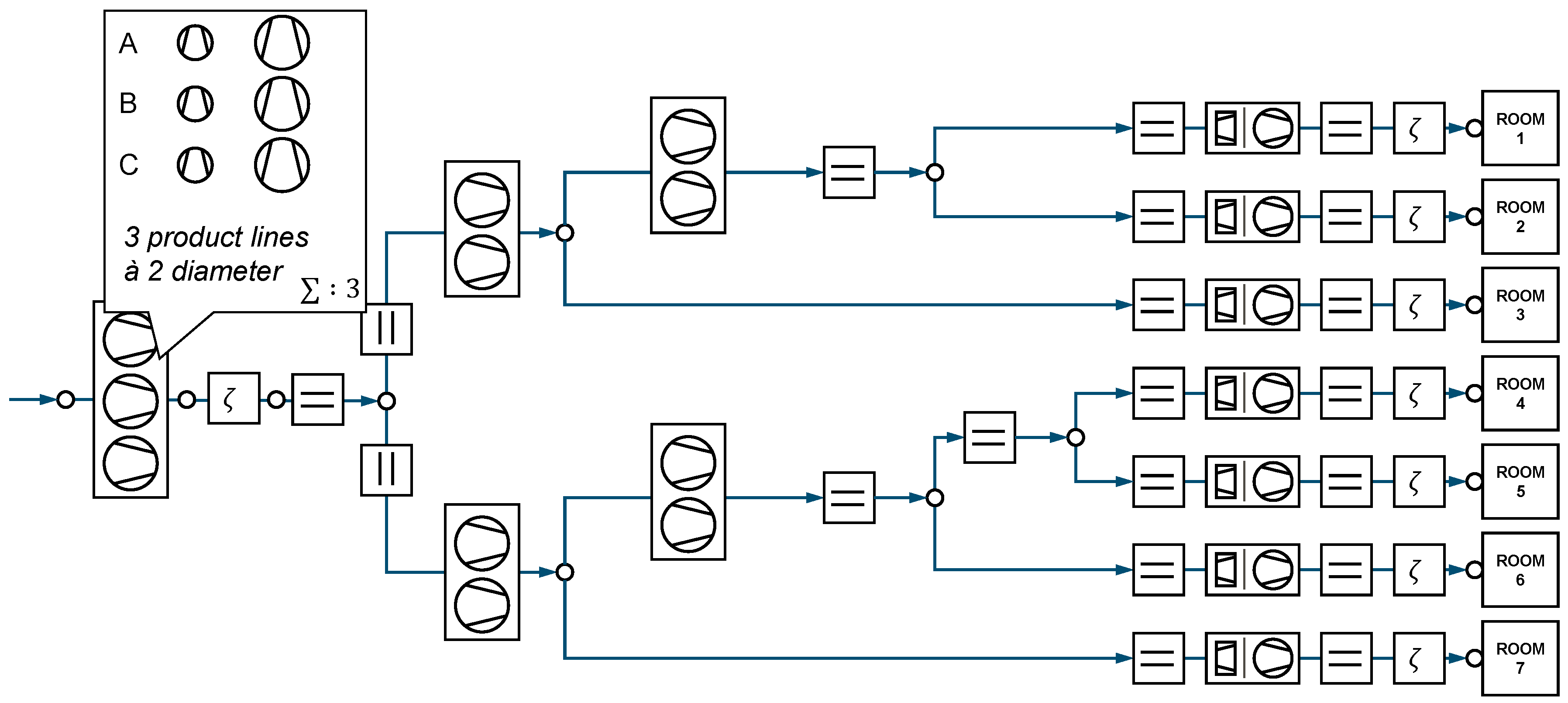
3. Case Study

4. Results



5. Discussion and Conclusions
Author Contributions
Funding
Data Availability Statement
Conflicts of Interest
Abbreviations
| VFC | Volume flow controller |
| MILP | Mixed-Integer Linear Program |
Appendix A.
Appendix A.1. CONVEXITY
References
- European Commission. Commission Regulation (EU) No 327/2011 of 30 March 2011 implementing Directive 2009/125/EC with regard to ecodesign requirements for fans driven by motors with an electric input power between 125 W and 500 kW. http://data.europa.eu/eli/reg/2011/327/oj, 2011. EU Regulation, Official Journal L 90, pp. 8–21, 6 April 2011.
- Federal Ministry for Economic Affairs and Energy. Energy Efficiency Strategy for Buildings: Methods for Achieving a Virtually Climate-Neutral Building Stock. Government report, BMWi, Berlin, Germany, 2015.
- Alsen, N.; Klimmt, T.; Knissel, J.; Giesen, M. Einsatz dezentraler Ventilatoren zur Luftförderung in zentralen RLT-Anlagen insbesondere bei Nicht-Wohngebäuden. Final report, Kassel University, 2018.
- Knissel, J.; Giesen, M.; Klimmt, T. Planungsleitfaden Semizentrale Lüftung – Dezentrale Ventilatoren in zentralen RLT-Anlagen. Final report, University of Kassel, 2018.
- Müller, T.M.; Sachs, M.; Breuer, J.H.; Pelz, P.F. Planning of distributed ventilation systems for energy-efficient buildings by discrete optimisation. Journal of Building Engineering 2023, 68, 106205. [Google Scholar] [CrossRef]
- Breuer, J.H.; Pelz, P.F. Algorithmic planning of ventilation systems: Optimising for life-cycle costs and acoustic comfort. Journal of Building Engineering 2025, 99, 111547. [Google Scholar] [CrossRef]
- Kabbara, Z.; Jorens, S.; Ahmadian, E.; Verhaert, I. Improving HVAC ductwork designs while considering fittings at an early stage. Building and Environment 2023, 237, 110272. [Google Scholar] [CrossRef]
- Breuer, J.H.P.; Pelz, P.F. Efficient and Quiet: Optimisation of Ventilation Systems by coupling Airflow with Acoustics in a Multipole Approach. In Operations Research Proceedings 2023: Selected Papers of the Annual International Conference of the German Operations Research Society (GOR 2023); Lecture Notes in Operations Research, Springer, Cham: Cham, Switzerland, 2025; pp. 1–7. [Google Scholar]
- Verein Deutscher Ingenieure (VDI). VDI 2067 Blatt 1: Economic efficiency of building installations – Fundamentals and cost calculation; VDI-Verlag: Düsseldorf, Germany, 2012. [Google Scholar]
- Groß, T.F.; Pöttgen, P.F.; Pelz, P.F. Analytical Approach for the Optimal Operation of Pumps in Booster Systems. Journal of Water Resources Planning and Management 2017, 143, 04017029. [Google Scholar] [CrossRef]
- Müller, T.M.; Leise, P.; Lorenz, I.S.; Altherr, L.C.; Pelz, P.F. Optimization and validation of pumping system design and operation for water supply in high-rise buildings. Optimization and Engineering 2021, 22, 643–686. [Google Scholar] [CrossRef]
- Idelchik, I.E.; Steinberg, M.O.; Martynenko, O.G. Handbook of hydraulic resistance; Vol. 2, Hemisphere publishing corporation New York, 1986.
- Verein Deutscher Ingenieure (VDI). VDI 3803 Blatt 6: Luftleitsysteme – Druckverluste und wärmetechnische Berechnungen; VDI-Verlag: Düsseldorf, Germany, 2023. [Google Scholar]
- Hart, W.E.; Watson, J.P.; Woodruff, D.L. Pyomo: Modeling and solving mathematical programs in Python. Mathematical Programming Computation 2011, 3, 219–260. [Google Scholar] [CrossRef]
- Gurobi Optimization, LLC. Gurobi Optimizer Reference Manual, 2023.
Disclaimer/Publisher’s Note: The statements, opinions and data contained in all publications are solely those of the individual author(s) and contributor(s) and not of MDPI and/or the editor(s). MDPI and/or the editor(s) disclaim responsibility for any injury to people or property resulting from any ideas, methods, instructions or products referred to in the content. |
© 2025 by the authors. Licensee MDPI, Basel, Switzerland. This article is an open access article distributed under the terms and conditions of the Creative Commons Attribution (CC BY) license (http://creativecommons.org/licenses/by/4.0/).