Submitted:
04 June 2025
Posted:
05 June 2025
You are already at the latest version
Abstract
Keywords:
1. Introduction
2. Compressed Air Energy System with Accumulation in a Storage Vessel
2.1. Static and Dynamic Reservoirs
2.2. The Model of the Compressor
2.3. Modeling the Two Reservoirs
2.3.1. Parameters of the Reservoirs
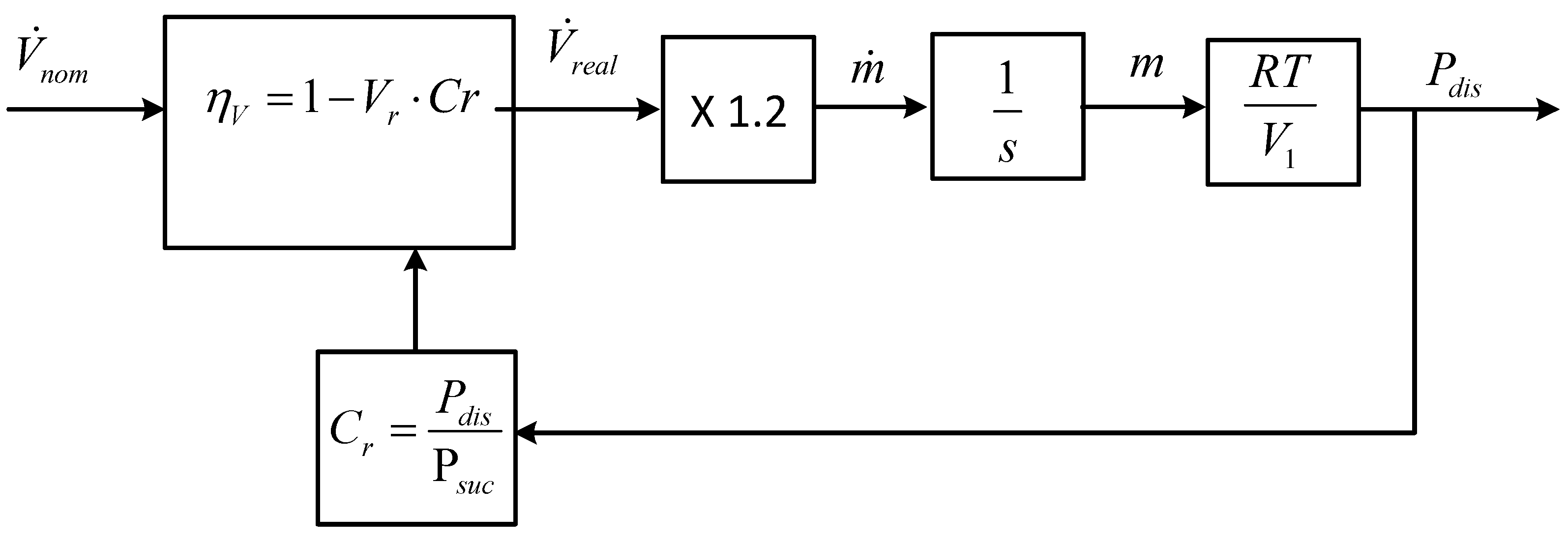
2.3.2. The Structural Diagram of the Static Reservoir System
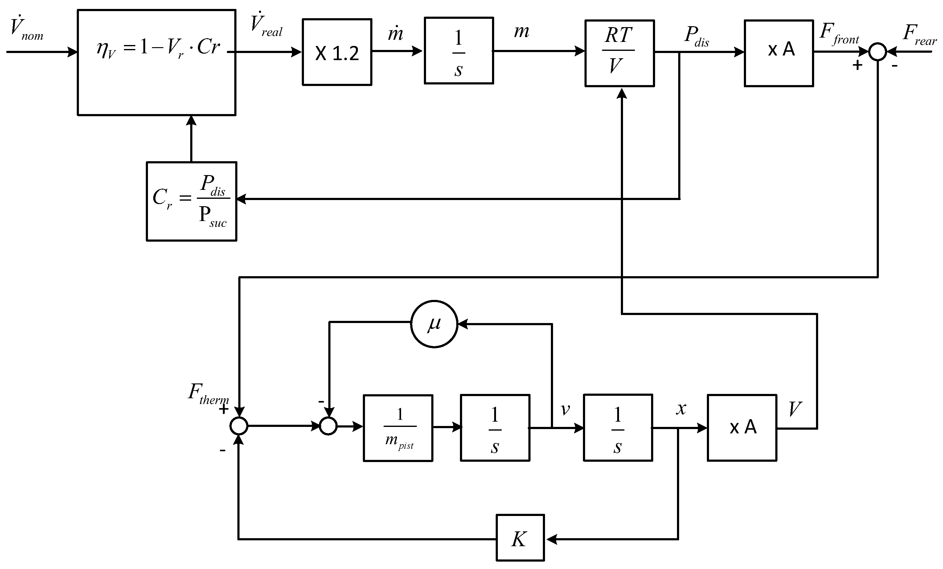
2.3.3. Structural Diagram of the Dynamic Reservoir System
2.3.4. The Model of the spring-Mass System
2.4. Energies Accumulated
2.4.1. Volume of Air
2.4.2. Energy Accumulated in the Spring
3. Simulation Results
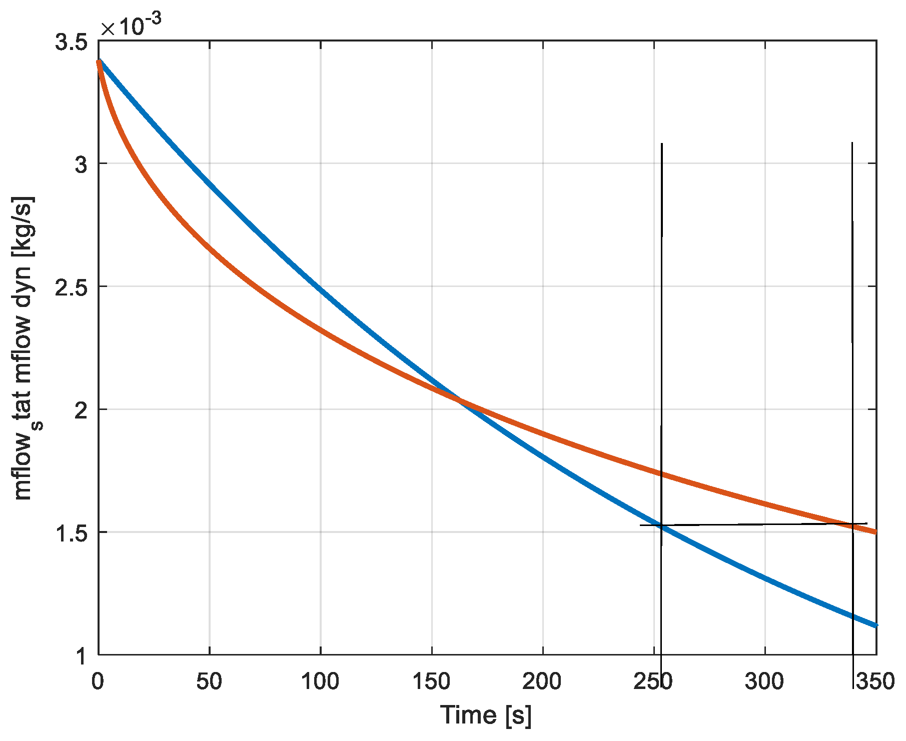
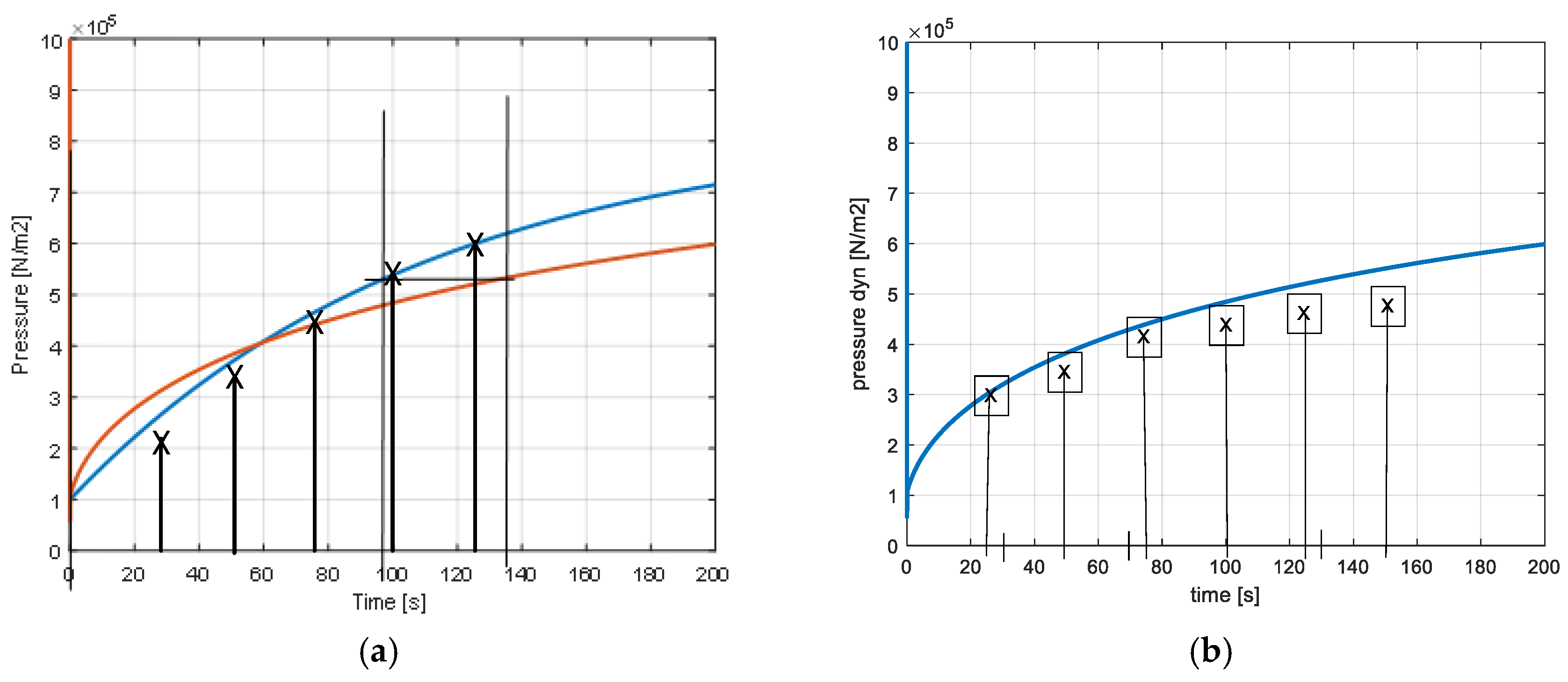
3.1. Evolution of the Pressures and Masses of Air
3.2. Evolution of the Mechanical Variables
3.3. Evolution of the Energies Stored in the Systems
4. Analysis and Experimentation with a Small-Scale System
4.1. Numeric Values of the Small Experimental Static Reservoir
4.2. The small-Scale Dynamic Reservoir
4.3. Experimental Results
5. Discussion
6. Conclusions
Funding
Conflicts of Interest
References
- IPCC Intergovernmental Panel on Climate Change (IPCC) Synthesis Report 2024,.
- https://www.ipcc.ch/synthesis-report/.
- Rufer A., Energy storage – Systems and Components,.
- Ruiming Fang, Ronghui Zhang, Advances in Hybrid Energy Storage Systems and Smart Energy Grid Applications, Special issue of the Journal of Energy Storage, Elsevier, 23 September 2021, https://www.sciencedirect.com/special-issue/10GRJ69GC0Q accessed April 4th 2025. [CrossRef]
- World energy outlook 2024 IEA, International Energy Agency.
- https://iea.blob.core.windows.net/assets/a5ba91c9-a41c-420c-b42e-1d3e9b96a215/WorldEnergyOutlook2024.pdf.
- Ali M. Adil a, Yekang Ko, Socio-technical evolution of Decentralized Energy Systems: A critical review and implications for urban planning and policy, Renewable and Sustainable Energy Reviews 57 (2016) 1025–1037, Elsevier.
- Lehmann, J., Air storage gas turbine power plants, a major distribution for energy storage, International Conference on Energy Storage, Brighton, U.K., April 1981, pp.327–336.
- The Mc Intosh CAES Power Plant, http://www.powersouth.com/files/CAES%20 Brochure%20[FINAL].pdf. Accessed on September 22, 2017.
- Bradshaw, D. T., Pumped hydroelectric storage (PHS) and compressed air energy storage.
- (CAES), Power Engineering Society Summer Meeting, Seattle, WA, July 16–20, 2000, Vol. 3, pp. 1551–1573.
- Kermit, A., CAES: The underground portion, IEEE Transactions on Power Apparatus and Systems, PAS-104(4), 809–812, 1985. [CrossRef]
- Electricity storage. Heat. Cold. Compressed air. Combined in a sustainable system, https://www.green-y.ch/en/.
- Radeska, T ., The Mekarski system—Compressed-air propulsion system for trams, The Vintage News, October 17, 2016 [online], https://www.thevintagenews.com/2016/10/17/the-mekarski-system-compressed-air-propulsionsystem for-trams/. Accessed on July 28, 2017.
- L. Blain, “AIRPod: tiny air-powered commuter costs half a Euro per 100km.,” 2009. [Online]. Available:https://newatlas.com/airpod-compressed-air-car-mdi-zeroemissions/11177/ or https://www.mdi.lu/airpod2. [Accessed 27 April 2018].
- MDI.lu,” Motor Development International, 2018. [Online]. Available: https://www.mdi.lu. [Accessed 05 May 2019].
- Kabinga R.K.N., Tartibu L.K., Okwu M.O., Development and performance evaluation of a dynamic compressed air energy storage system, IMECE 2020, International Mechanical Engineering Congress and Expo, November 16-19, 2020, Portland USA, Proceedings of the ASME 2020.
- Yuan Cheng; Keyu Chen; C.C. Chan; Alain Bouscayrol; Shumei Cui, Global modeling and control strategy simulation, IEEE Vehicular Technology Magazine ( Volume: 4, Issue: 2, June 2009). [CrossRef]
- Michael Shaerer, Pierre Gremaud, Periodic motion of a mass–spring system, IMA Journal of Applied Mathematics ( Volume: 74, Issue: 6, December 2009).





















| Static reservoir | |
| Volume | 0.1m3 |
| Dynamic reservoir | |
| Variable volume | 0 – 0.1m3 |
| Stroke of the piston | 0.9m |
| Surface of the piston | 0.111m2 |
| Constant of the spring | 61.7kN/m |
| Moving mass | 10kg |
| Pneumatic cylinder | SC50X175 |
| Diameter of the piston | 50mm |
| Area of the piston | 0.00196m2 |
| Maximal stroke | 175mm |
| Spring | T33220 |
| De (external diameter) | 50mm |
| D (diameter of the string) | 4.5mm |
| L0 (initial length) | 142mm |
| Ln (length under nominal load) | 280mm |
| Fn (nominal load) | 451N |
| C (spring constant) | 2.77 *103N/m |
| De (external diameter) | 50mm |
![]() | |
Disclaimer/Publisher’s Note: The statements, opinions and data contained in all publications are solely those of the individual author(s) and contributor(s) and not of MDPI and/or the editor(s). MDPI and/or the editor(s) disclaim responsibility for any injury to people or property resulting from any ideas, methods, instructions or products referred to in the content. |
© 2025 by the authors. Licensee MDPI, Basel, Switzerland. This article is an open access article distributed under the terms and conditions of the Creative Commons Attribution (CC BY) license (http://creativecommons.org/licenses/by/4.0/).
