Submitted:
25 November 2024
Posted:
26 November 2024
Read the latest preprint version here
Abstract
Keywords:
1. Introduction
2. Materials and Methods
2.1. Determination of the Parameters of the PMSM
2.1.1. Electrical Parameters of the Motor
2.1.2. Mechanical Parameters of the Motor
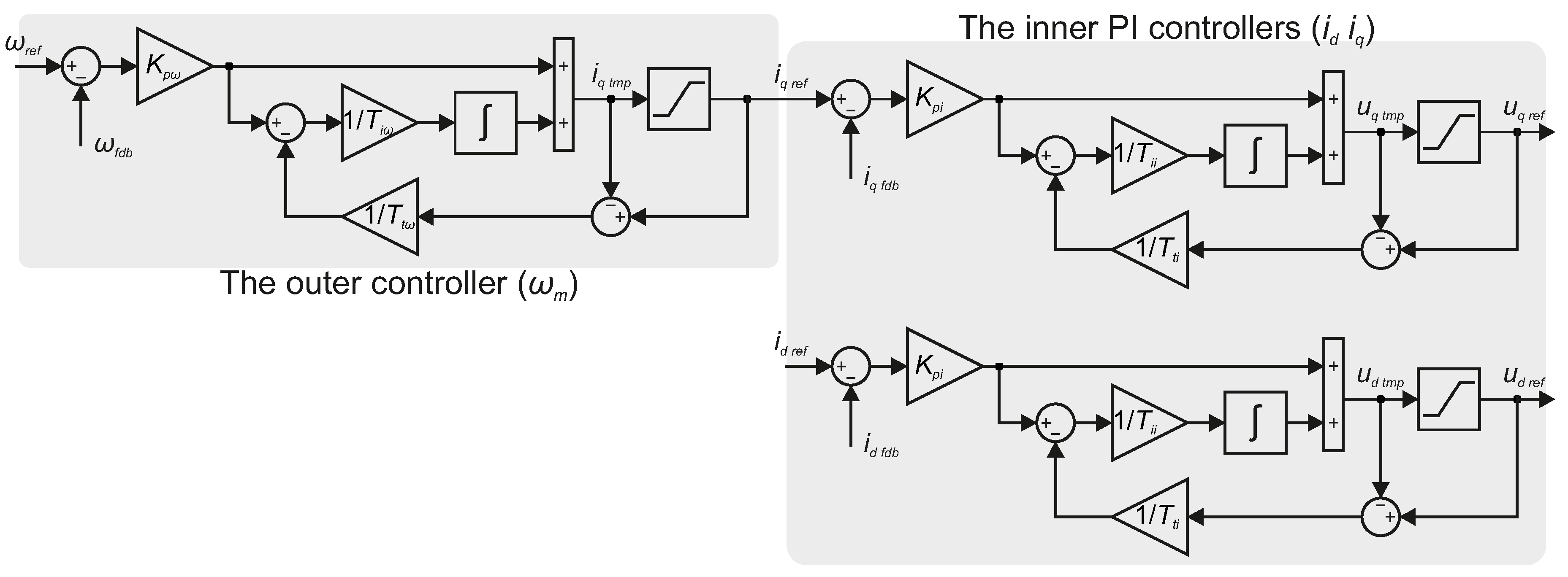
2.2. Cascade Control Structure
2.3. Tuning Approaches
2.3.1. Analytical-Based Tuning
2.3.2. Swarm-Based Tuning
2.3.3. LLM-Based Tuning
3. Results


3.1. Swarm-Based Tuning
3.2. Analytical-Based Tuning
3.3. LLM-Based Tuning
4. Discussion
Supplementary Materials
Author Contributions
Funding
Conflicts of Interest
Abbreviations
| LLM | Large Language Model |
| PMSM | Permanent Magnet Synchronous Motor |
| VSC | Variable Speed Drive |
| TA | Tuning Assistant |
| CCS | Cascade Control Structure dichroism |
| AC | Alternating Current |
| SBMA | Swarm-Based Metaheuristic Algorithm |
| PID | Proportional-Integral-Derivative |
| AI | Artificial Intelligence |
| IMC | Internal Model Control |
| ITSE | Integral of Time Squared Error |
| ABC | Artificial Bee Colony |
| PSO | Particle Swarm Optimization |
Appendix A
| Symbol | Value | Unit | Symbol | Value | Unit | |
|---|---|---|---|---|---|---|
| 1.05 | 0.014 | Nms/rad | ||||
| 0.0127 | H | 0.0177 | ||||
| 0.25 | Wb | 100 | - | |||
| 1.145 | Nm/A | 22000 | Hz | |||
| p | 3 | - | 4.55 |
Appendix B
| Parameter | Symbol | Value |
|---|---|---|
| No of optimized parameters | D | 6 |
| No of colony size | NP | 10 |
| No of food sources | FN | NP/2 |
| Maximum no of cycles | MCN | 20 |
| Control parameter limit | limit | FN×D |
| Scout production period | SPP | FN×D |
| Modification rate | MR | 0.8 |
References
- Huanhuan, R.; Zhang, L.; Su, C.; Jian, S.; Liu, D. Research on fuzzy control of permanent magnet synchronous motor for a mobile robot. Journal of Physics: Conference Series. IOP Publishing, 2021, Vol. 1754, p. 012172.
- Li, P.; Xu, X.; Yang, S.; Jiang, X. Open circuit fault diagnosis strategy of PMSM drive system based on grey prediction theory for industrial robot. Energy Reports 2023, 9, 313–320. [Google Scholar] [CrossRef]
- Che, X.; Ma, Z.; Qi, X.; Li, W.; Niu, H.; Yan, C. Barrier-Function-Based Adaptive Fast-Terminal Sliding-Mode Control for a PMSM Speed-Regulation System. Electronics 2024, 13, 1091. [Google Scholar] [CrossRef]
- Farah, N.; Lei, G.; Zhu, J.; Guo, Y. Robust Model-Free Reinforcement Learning Based Current Control of PMSM Drives. IEEE Transactions on Transportation Electrification 2024, pp.1–1. [CrossRef]
- Di Fonso, R.; Cecati, C. Navigation and Motors Control of a Differential Drive Mobile Robot. 2023 International Conference on Control, Automation and Diagnosis (ICCAD), 2023, pp. 1–6. [CrossRef]
- Wang, Y.; Fang, S.; Hu, J. Active disturbance rejection control based on deep reinforcement learning of PMSM for more electric aircraft. IEEE Transactions on Power Electronics 2022, 38, 406–416. [Google Scholar] [CrossRef]
- Aggarwal, A.; Meier, M.; Strangas, E.; Agapiou, J. Analysis of Modular Stator PMSM Manufactured Using Oriented Steel. Energies 2021, 14. [Google Scholar] [CrossRef]
- Tarczewski, T.; Szczepanski, R.; Erwinski, K.; Hu, X.; Grzesiak, L.M. A Novel Sensitivity Analysis to Moment of Inertia and Load Variations for PMSM Drives. IEEE Transactions on Power Electronics 2022, 37, 13299–13309. [Google Scholar] [CrossRef]
- Ewert, P.; Kowalski, C.T.; Jaworski, M. Comparison of the Effectiveness of Selected Vibration Signal Analysis Methods in the Rotor Unbalance Detection of PMSM Drive System. Electronics 2022, 11. [Google Scholar] [CrossRef]
- Zuo, Y.; Lai, C.; Iyer, K.L.V. A review of sliding mode observer based sensorless control methods for PMSM drive. IEEE Transactions on Power Electronics 2023. [Google Scholar] [CrossRef]
- Wróbel, K.; Szabat, K.; Wicher, B.; Brock, S. Hybrydowy ślizgowy obserwator Luenbergera w układzie napędowym z połączeniem elastycznym. Przeglad Elektrotechniczny 2024, 2024. [Google Scholar] [CrossRef]
- Kaminski, M.; Malarczyk, M. Hardware implementation of neural shaft torque estimator using low-cost microcontroller board. 2021 25th International Conference on Methods and Models in Automation and Robotics (MMAR). IEEE, 2021, pp. 372–377.
- Jankowska, K.; Dybkowski, M. Experimental Analysis of the Current Sensor Fault Detection Mechanism Based on Neural Networks in the PMSM Drive System. Electronics 2023, 12. [Google Scholar] [CrossRef]
- Jin, L.; Mao, Y.; Wang, X.; Lu, L.; Wang, Z. Online Data-Driven Fault Diagnosis of Dual Three-Phase PMSM Drives Considering Limited Labeled Samples. IEEE Transactions on Industrial Electronics 2023. [Google Scholar] [CrossRef]
- Tarczewski, T.; Niewiara, L.; Grzesiak, L. Artificial bee colony based state feedback position controller for PMSM servo-drive – the efficiency analysis. Bulletin of the Polish Academy of Sciences. Technical Sciences 2020, 68. [Google Scholar] [CrossRef]
- Niewiara, L.J.; Szczepanski, R.; Tarczewski, T.; Grzesiak, L.M. State Feedback Speed Control with Periodic Disturbances Attenuation for PMSM Drive. Energies 2022, 15. [Google Scholar] [CrossRef]
- Templos-Santos, J.L.; Aguilar-Mejia, O.; Peralta-Sanchez, E.; Sosa-Cortez, R. Parameter Tuning of PI Control for Speed Regulation of a PMSM Using Bio-Inspired Algorithms. Algorithms 2019, 12. [Google Scholar] [CrossRef]
- Aguilar-Mejía, O.; Minor-Popocatl, H.; Tapia-Olvera, R. Comparison and ranking of metaheuristic techniques for optimization of PI controllers in a machine drive system. Applied Sciences 2020, 10, 6592. [Google Scholar] [CrossRef]
- Hussain, H.A. Tuning and Performance Evaluation of 2DOF PI Current Controllers for PMSM Drives. IEEE Transactions on Transportation Electrification 2021, 7, 1401–1414. [Google Scholar] [CrossRef]
- Ren, J.; Ye, Y.; Xu, G.; Zhao, Q.; Zhu, M. Uncertainty-and-Disturbance-Estimator-Based Current Control Scheme for PMSM Drives With a Simple Parameter Tuning Algorithm. IEEE Transactions on Power Electronics 2017, 32, 5712–5722. [Google Scholar] [CrossRef]
- Rajesh Kumar Mahto, A.M.; Bansal, R.C. Controller design using PSO and WOA algorithm for enhanced performance of vector-controlled PMSM drive. International Journal of Modelling and Simulation 2024, 0, 1–11. [Google Scholar] [CrossRef]
- Achour, H.B.; Ziani, S.; Chaou, Y.; El Hassouani, Y.; Daoudia, A. Permanent magnet synchronous motor PMSM control by combining vector and PI controller. WSEAS Trans. Syst. Control 2022, 17, 244–249. [Google Scholar] [CrossRef]
- Umland, J.W.; Safiuddin, M. Magnitude and symmetric optimum criterion for the design of linear control systems: What is it and how does it compare with the others? IEEE Transactions on Industry Applications 1990, 26, 489–497. [Google Scholar] [CrossRef]
- Harnefors, L.; Nee, H.P. Model-based current control of AC machines using the internal model control method. IEEE Transactions on Industry Applications 1998, 34, 133–141. [Google Scholar] [CrossRef]
- Pietrusewicz, K.; Waszczuk, P.; Kubicki, M. MFC/IMC control algorithm for reduction of load torque disturbance in PMSM servo drive systems. Applied Sciences 2018, 9, 86. [Google Scholar] [CrossRef]
- Song, W.; Li, J.; Ma, C.; Xia, Y.; Yu, B. A Simple Tuning Method of PI regulators in FOC for PMSM Drives based on Deadbeat Predictive Conception. IEEE Transactions on Transportation Electrification 2024. [Google Scholar] [CrossRef]
- Nasab, M.R.; Ghalebani, P.; Bruno, S.; Cometa, R.; La Scala, M. Adaptive PI Control of PMSM for Electric Vehicle Application Based on Sliding-mode Extremum Seeking Algorithm. 2023 Asia Meeting on Environment and Electrical Engineering (EEE-AM). IEEE, 2023, pp. 1–6.
- Chang, Y.; Wang, X.; Wang, J.; Wu, Y.; Yang, L.; Zhu, K.; Chen, H.; Yi, X.; Wang, C.; Wang, Y.; others. A survey on evaluation of large language models. ACM Transactions on Intelligent Systems and Technology 2024, 15, 1–45.
- Kevian, D.; Syed, U.; Guo, X.; Havens, A.; Dullerud, G.; Seiler, P.; Qin, L.; Hu, B. Capabilities of large language models in control engineering: A benchmark study on gpt-4, claude 3 opus, and gemini 1.0 ultra. arXiv preprint arXiv:2404.03647 2024. arXiv:2404.03647 2024.
- de Zarzà, I.; de Curtò, J.; Roig, G.; Calafate, C.T. Llm adaptive pid control for b5g truck platooning systems. Sensors 2023, 23, 5899. [Google Scholar] [CrossRef] [PubMed]
- Bobek, V. PMSM electrical parameters measurement. Application Note, Freescale Semiconductor Inc., Doc. No. AN4680 2013, 7, 13. [Google Scholar]
- Szczepanski, R.; Tarczewski, T.; Niewiara, L.J.; Stojic, D. Identification of mechanical parameters in servo-drive system. 2021 IEEE 19th International Power Electronics and Motion Control Conference (PEMC). IEEE, 2021, pp. 566–573.
- Tarczewski, T.; Skiwski, M.; Grzesiak, L.M.; Zieliński, M. PMSM servo-drive fed by SiC MOSFETs based VSI. Power Electronics and Drives 2018, 3, 35–45. [Google Scholar] [CrossRef]
- Astrom, K.J.; Hagglund, T. PID controllers; theory, design, and tuning problems; Instrument Society of America, 1995.
- Bingi, K.; Ibrahim, R.; Karsiti, M.N.; Hassan, S.M.; Harindran, V.R. A comparative study of 2DOF PID and 2DOF fractional order PID controllers on a class of unstable systems. Archives of Control Sciences 2018, pp. 635–68.
- Dannehl, J.; Fuchs, F.W.; Thøgersen, P.B. PI state space current control of grid-connected PWM converters with LCL filters. IEEE Transactions on Power Electronics 2010, 25, 2320–2330. [Google Scholar] [CrossRef]
- Roni, M.H.K.; Rana, M.; Pota, H.; Hasan, M.M.; Hussain, M.S. Recent trends in bio-inspired meta-heuristic optimization techniques in control applications for electrical systems: A review. International Journal of Dynamics and Control 2022, pp. 1–13.
- Chen, J.; Liu, Z.; Huang, X.; Wu, C.; Liu, Q.; Jiang, G.; Pu, Y.; Lei, Y.; Chen, X.; Wang, X.; others. When large language models meet personalization: Perspectives of challenges and opportunities. World Wide Web 2024, 27, 42.
- www.ordemio.com/ai-chatbot.
- Tarczewski, T.; Grzesiak, L.M. Constrained State Feedback Speed Control of PMSM Based on Model Predictive Approach. IEEE Transactions on Industrial Electronics 2016, 63, 3867–3875. [Google Scholar] [CrossRef]
- Karaboga, D.; Basturk, B. Artificial bee colony (ABC) optimization algorithm for solving constrained optimization problems. International fuzzy systems association world congress. Springer, 2007, pp. 789–798.






| No. | Auto-tuning* | Method | Iter. no. | Time [mins] | User exp. | Figure | |||||||
|---|---|---|---|---|---|---|---|---|---|---|---|---|---|
| 1 | 5.58 | 82.85 | 1 | 30.89 | 1000 | 1 | 0.00197 | N | Ordemio | – | adv | Figure 8 (e)-(f) | |
| 2 | 0.5 | 200 | 1 | 30 | 200 | 1 | 0.00198 | Y | empirical | 74 | 80 | beg | – |
| 3 | 0.9 | 45 | 0 | 350 | 4 | 0.8 | 0.00198 | Y | empirical | 80 | – | beg | – |
| 4 | 217.15 | 0 | 371.45 | 134.49 | 500 | 3.16 | 0.00198 | Y | ABC | 500 | 70 | adv | Figure 5 (e)-(f) |
| 5 | 0.39 | 144.44 | 0.1 | 210.1 | 0.0001 | 1 | 0.00199 | N | analytical | 80 | – | beg | – |
| 6 | 8.37 | 0.0001 | 1000 | 382.29 | 0.0004 | 100 | 0.002 | N | analytical | 109 | 30 | beg | Figure 6 (e)-(f) |
| 7 | 2.79 | 82.85 | 0.8 | 152.72 | 1098 | 0.5 | 0.002 | N | analytical | 32 | – | beg | – |
| 8 | 278.96 | 82.85 | 3.37 | 388.98 | 388.98 | 1 | 0.0021 | N | ChatGPT | – | adv | Figure 8 (a)-(b) | |
| 9 | 0.56 | 82.72 | 0.8 | 15.29 | 109.86 | 1.12 | 0.0021 | N | analytical | 41 | 50 | beg | – |
| 10 | 0.5 | 231.11 | 7 | 15.29 | 109.86 | 1.27 | 0.0021 | N | analytical | 70 | – | beg | – |
| 11 | 0.23 | 82.72 | 0 | 152.97 | 0.0009 | 20 | 0.0021 | N | analytical | 34 | 71 | beg | – |
| 12 | 0.28 | 120.7 | 1 | 16.97 | 549.31 | 50 | 0.0022 | N | analytical | 27 | – | beg | – |
| 13 | 2.8 | 82.7 | 0 | 5493.1 | 0.0002 | 5 | 0.0022 | N | analytical | 37 | 56 | beg | – |
| 14 | 2.5 | 12.5 | 0.7 | 17.5 | 25 | 1.25 | 0.0023 | N | empirical | 42 | 15 | adv | – |
| 15 | 0.5 | 60 | 62 | 10 | 120 | 190 | 0.0026 | Y | empirical | 120 | – | beg | – |
| 16 | 1 | 300 | 5 | 20 | 100 | 40 | 0.0026 | Y | empirical | 93 | – | adv | – |
| 17 | 0.4 | 185 | 30 | 150 | 90 | 30 | 0.003 | N | empirical | 115 | 75 | beg | – |
| 18 | 0.75 | 38.52 | 0 | 44.7 | 92.52 | 0 | 0.003 | N | analytical | 98 | – | beg | – |
| 19 | 0.47 | 963.65 | 19.56 | 5.81 | 94.45 | 19.96 | 0.003 | N | analytical | 14 | – | adv | Figure 6 (c)-(d) |
| 20 | 0.056 | 82.85 | 0.7 | 17.5 | 27.5 | 1.5 | 0.0032 | N | an. & em. | 55 | 10 | adv | – |
| 21 | 0.35 | 750 | 200 | 100 | 110 | 190 | 0.0034 | Y | empirical | 91 | 60 | beg | – |
| 22 | 1.21 | 44.95 | 1 | 7.73 | 45.14 | 15 | 0.0042 | Y | PSO | 2757 | 120 | adv | Figure 5 (c)-(d) |
| 23 | 0.103 | 82.72 | 0 | 5 | 50 | 1 | 0.0044 | N | an. & em. | – | 45 | adv | Figure 6 (a)-(b) |
| 24 | 1.4 | 82.72 | 0 | 15.29 | 1.4 | 5 | 0.0045 | Y | analytical | 47 | 66 | beg | – |
| 25 | 0.36 | 250 | 65 | 75 | 30 | 100 | 0.0091 | Y | empirical | 238 | 75 | beg | – |
| 26 | 0.019 | 11.88 | 40.42 | 9.47 | 37.86 | 189.86 | 0.013 | N | ABC* | 430 | 24 | adv | Figure 5 (a)-(b) |
| 27 | 0.011 | 82.72 | 0.1 | 3.05 | 0.046 | 0 | 0.054 | N | analytical | 13 | 48 | beg | – |
| 28 | 0.28 | 82.85 | 1 | 0.3 | 0.8 | 1 | 3.22 | N | an. & em. | 21 | 16 | adv | – |
| 29 | 0.64 | 3.81 | 3.81 | 0.16 | 0.12 | 0.12 | 10.72 | N | Copilot | – | adv | Figure 8 (c)-(d) |
Disclaimer/Publisher’s Note: The statements, opinions and data contained in all publications are solely those of the individual author(s) and contributor(s) and not of MDPI and/or the editor(s). MDPI and/or the editor(s) disclaim responsibility for any injury to people or property resulting from any ideas, methods, instructions or products referred to in the content. |
© 2024 by the authors. Licensee MDPI, Basel, Switzerland. This article is an open access article distributed under the terms and conditions of the Creative Commons Attribution (CC BY) license (http://creativecommons.org/licenses/by/4.0/).