Submitted:
06 September 2024
Posted:
09 September 2024
You are already at the latest version
Abstract
Keywords:
1. Introduction
2. Switching Characteristics Evaluation
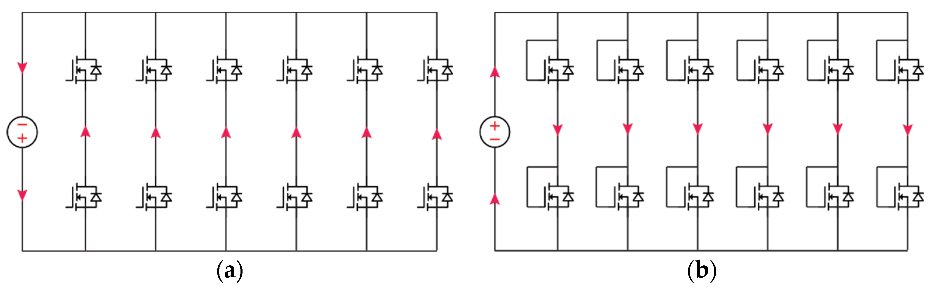
2.1. Double Pulse Test Using the Two-Level Phase Leg Switching Cell
2.2. Understanding Double Pulse Test Waveform


2.3. Multicycle Test
2.4. Functionality Validation
3. Thermal Management Evaluation
3.1. Heat Injection for Thermal Management Evaluation
3.2. Dynamic Thermal Impedance Extraction
4. Insulation Evaluation
4.1. DC Dielectric Withstand Test
4.3. High-Frequency PWM Partial Discharge Measurement
5. Full Power Validation
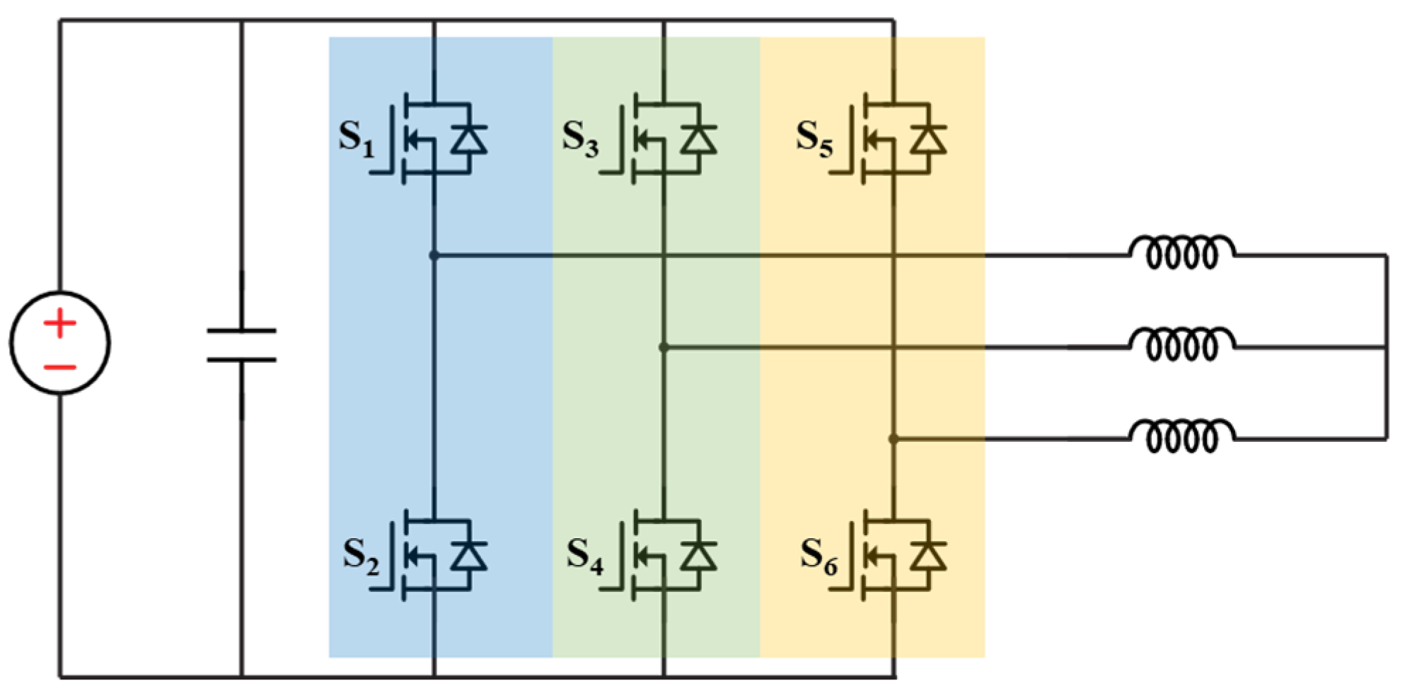
5.1. Circulating Test for Three-Phase Inverter
5.2. Circulating Test for Isolated Converter
6. Conclusions
References
- J. Millán, P. Godignon, X. Perpiñà, A. Pérez-Tomás and J. Rebollo, “A Survey of Wide Bandgap Power Semiconductor Devices,” in IEEE Transactions on Power Electronics, vol. 29, no. 5, pp. 2155-2163, May 2014. [CrossRef]
- A. Q. Huang, “Wide bandgap (WBG) power devices and their impacts on power delivery systems,” 2016 IEEE International Electron Devices Meeting (IEDM), San Francisco, CA, USA, 2016, pp. 20.1.1-20.1.4. [CrossRef]
- Z. Chen and A. Q. Huang, “Extreme high efficiency enabled by silicon carbide (SiC) power devices,” Materials Science in Semiconductor Processing, Volume 172, 2024, 108052, ISSN 1369-8001. [CrossRef]
- S. Sen, “ Medium Voltage Extreme Fast Charger based on Novel Medium Voltage SiC Power Devices,” Ph.D. dissertation, Department of Electrical and Computer Engineering, the University of Texas at Austin, Austin, TX, USA, 2021.
- Z. Chen, H. S. Rizi, W. Xu, R. Yu and A. Q. Huang, “Hardware Design of a 150kW/1500V All-SiC Grid-forming Photovoltaic Synchronous Generator (PVSG),” 2022 IEEE Applied Power Electronics Conference and Exposition (APEC), Houston, TX, USA, 2022, pp. 1977-1984.
- Z. Chen, C. Chen, H. S. Rizi and A. Q. Huang, “A High Power Density 75kVA Air-Cooled SiC Intelligent Power Stage (IPS) As A Universal Building Block for Grid Applications,” 2023 IEEE Applied Power Electronics Conference and Exposition (APEC), Orlando, FL, USA, 2023, pp. 2299-2306.
- Z. Chen, D. Boroyevich, P. Mattavelli and K. Ngo, “A frequency-domain study on the effect of DC-link decoupling capacitors,” 2013 IEEE Energy Conversion Congress and Exposition, Denver, CO, USA, 2013, pp. 1886-1893. [CrossRef]
- Z. Zhang, B. Guo, F. F. Wang, E. A. Jones, L. M. Tolbert and B. J. Blalock, “Methodology for Wide Band-Gap Device Dynamic Characterization,” in IEEE Transactions on Power Electronics, vol. 32, no. 12, pp. 9307-9318, Dec. 2017. [CrossRef]
- W. Zhang, Z. Zhang and F. Wang, “Review and Bandwidth Measurement of Coaxial Shunt Resistors for Wide-Bandgap Devices Dynamic Characterization,” 2019 IEEE Energy Conversion Congress and Exposition (ECCE), Baltimore, MD, USA, 2019, pp. 3259-3264. [CrossRef]
- W. Zhang, Z. Zhang, F. Wang, E. V. Brush and N. Forcier, “High-Bandwidth Low-Inductance Current Shunt for Wide-Bandgap Devices Dynamic Characterization,” in IEEE Transactions on Power Electronics, vol. 36, no. 4, pp. 4522-4531, April 2021. [CrossRef]
- K. Wang, X. Yang, H. Li, L. Wang and P. Jain, “A High-Bandwidth Integrated Current Measurement for Detecting Switching Current of Fast GaN Devices,” in IEEE Transactions on Power Electronics, vol. 33, no. 7, pp. 6199-6210, July 2018. [CrossRef]
- W. Zhang, S. B. Sohid, F. Wang, H. Cui and B. Holzinger, “High-Bandwidth Combinational Rogowski Coil for SiC MOSFET Power Module,” in IEEE Transactions on Power Electronics, vol. 37, no. 4, pp. 4397-4405, April 2022. [CrossRef]
- E. A. Jones et al., “Characterization of an enhancement-mode 650-V GaN HFET,” 2015 IEEE Energy Conversion Congress and Exposition (ECCE), Montreal, QC, Canada, 2015, pp. 400-407. [CrossRef]
- T. Liu, Y. Feng, R. Ning, W. Wang, T. T. Y. Wong and Z. J. Shen, “Extraction of parasitic inductances of SiC MOSFET power modules based on two-port S-parameters measurement,” 2017 IEEE Energy Conversion Congress and Exposition (ECCE), Cincinnati, OH, USA, 2017, pp. 5475-5482. [CrossRef]
- J. Chen et al., “A Novel Power Loop Parasitic Extraction Approach for Paralleled Discrete SiC MOSFETs on Multilayer PCB,” in IEEE Journal of Emerging and Selected Topics in Power Electronics, vol. 9, no. 5, pp. 6370-6384, Oct. 2021. [CrossRef]
- B. T. DeBoi, A. N. Lemmon, B. W. Nelson, C. D. New and D. M. Hudson, “Improved Methodology for Parasitic Characterization of High-Performance Power Modules,” in IEEE Transactions on Power Electronics, vol. 35, no. 12, pp. 13400-13408, Dec. 2020. [CrossRef]
- Y. S. Cao et al., “Inductance Extraction for PCB Prelayout Power Integrity Using PMSR Method,” in IEEE Transactions on Electromagnetic Compatibility, vol. 59, no. 4, pp. 1339-1346, Aug. 2017. [CrossRef]
- H. Gui et al., “Modeling and Mitigation of Multiloops Related Device Overvoltage in Three-Level Active Neutral Point Clamped Converter,” in IEEE Transactions on Power Electronics, vol. 35, no. 8, pp. 7947-7959, Aug. 2020. [CrossRef]
- H. Gui et al., “Development of High-Power High Switching Frequency Cryogenically Cooled Inverter for Aircraft Applications,” in IEEE Transactions on Power Electronics, vol. 35, no. 6, pp. 5670-5682, June 2020. [CrossRef]
- Z. Chen and A. Q. Huang, “High Performance SiC Power Module Based on Repackaging of Discrete SiC Devices,” in IEEE Transactions on Power Electronics, vol. 38, no. 8, pp. 9306-9310, Aug. 2023. [CrossRef]
- Z. Ni, X. Lyu, O. P. Yadav, B. N. Singh, S. Zheng and D. Cao, “Overview of Real-Time Lifetime Prediction and Extension for SiC Power Converters,” in IEEE Transactions on Power Electronics, vol. 35, no. 8, pp. 7765-7794, Aug. 2020. [CrossRef]
- Z. Chen, C. Chen and A. Q. Huang, “Driver Integrated Online Rds-on Monitoring Method for SiC Power Converters,” 2022 IEEE Energy Conversion Congress and Exposition (ECCE), Detroit, MI, USA, 2022, pp. 01-07. [CrossRef]
- A. S. Bahman, K. Ma and F. Blaabjerg, “Thermal impedance model of high power IGBT modules considering heat coupling effects,” 2014 International Power Electronics and Application Conference and Exposition, Shanghai, China, 2014, pp. 1382-1387. [CrossRef]
- Infineon, “Transient Thermal Measurements and Thermal Equivalent Circuit Models,” Appl. Note AN2015-10 V 1.2, 2020.
- Z. Guo and A. Q. Huang, “Characterizations of Partial Discharge in Modern Power Electronics,” in IEEE Journal of Emerging and Selected Topics in Power Electronics. [CrossRef]
- Z. Guo, H. Li, P. Cheetham and N. Guvvala, “Partial Discharge Characterization of Solid-Dielectric-Based Transformer Under High Frequency High dv/dt PWM Voltage for MV Applications,” 2023 IEEE Applied Power Electronics Conference and Exposition (APEC), Orlando, FL, USA, 2023, pp. 301-305. [CrossRef]
- S. Mocevic et al., “Power Cell Design and Assessment Methodology Based on a High-Current 10-kV SiC MOSFET Half-Bridge Module,” in IEEE Journal of Emerging and Selected Topics in Power Electronics, vol. 9, no. 4, pp. 3916-3935, Aug. 2021. [CrossRef]
- X. Lin, L. Ravi, R. Burgos and D. Dong, “Hybrid Voltage Balancing Approach for Series-Connected SiC MOSFETs for DC–AC Medium-Voltage Power Conversion Applications,” in IEEE Transactions on Power Electronics, vol. 37, no. 7, pp. 8104-8117, July 2022. [CrossRef]
- U. -M. Choi, S. Jørgensen and F. Blaabjerg, “Advanced Accelerated Power Cycling Test for Reliability Investigation of Power Device Modules,” in IEEE Transactions on Power Electronics, vol. 31, no. 12, pp. 8371-8386, Dec. 2016. [CrossRef]
- X. She, T. Frangieh and R. Datta, “On the Switching Frequency of Hysteresis Control in a Silicon Carbide Converter Pump-Back Test,” in IEEE Transactions on Industry Applications, vol. 54, no. 5, pp. 4886-4893, Sept.-Oct. 2018. [CrossRef]
- S. Pu, F. Yang, B. T. Vankayalapati and B. Akin, “Aging Mechanisms and Accelerated Lifetime Tests for SiC MOSFETs: An Overview,” in IEEE Journal of Emerging and Selected Topics in Power Electronics, vol. 10, no. 1, pp. 1232-1254, Feb. 2022. [CrossRef]
- X. She, A. Q. Huang and R. Burgos, “Review of Solid-State Transformer Technologies and Their Application in Power Distribution Systems,” in IEEE Journal of Emerging and Selected Topics in Power Electronics, vol. 1, no. 3, pp. 186-198, Sept. 2013. [CrossRef]
- W. Xu, Z. Guo, A. Vetrivelan, R. Yu and A. Q. Huang, “Hardware Design of a 13.8-kV/3-MVA PV Plus Storage Solid-State Transformer (PVS-SST),” in IEEE Journal of Emerging and Selected Topics in Power Electronics, vol. 10, no. 4, pp. 3571-3586, Aug. 2022.
- D. Dong, M. Agamy, J. Z. Bebic, Q. Chen and G. Mandrusiak, “A Modular SiC High-Frequency Solid-State Transformer for Medium-Voltage Applications: Design, Implementation, and Testing,” in IEEE Journal of Emerging and Selected Topics in Power Electronics, vol. 7, no. 2, pp. 768-778, June 2019. [CrossRef]
- A Modular SiC High-Frequency Solid-State Transformer for Medium-Voltage Applications: Design, Implementation, and Testing,” in IEEE Journal of Emerging and Selected Topics in Power Electronics, vol. 7, no. 2, pp. 768-778, June 2019. [CrossRef]



























Disclaimer/Publisher’s Note: The statements, opinions and data contained in all publications are solely those of the individual author(s) and contributor(s) and not of MDPI and/or the editor(s). MDPI and/or the editor(s) disclaim responsibility for any injury to people or property resulting from any ideas, methods, instructions or products referred to in the content. |
© 2024 by the authors. Licensee MDPI, Basel, Switzerland. This article is an open access article distributed under the terms and conditions of the Creative Commons Attribution (CC BY) license (http://creativecommons.org/licenses/by/4.0/).