Submitted:
05 August 2024
Posted:
07 August 2024
You are already at the latest version
Abstract
Keywords:
1. Introduction and Scope of the Work
- Testing of the control system in conditions similar to real ones and a detailed and supervised analysis of the operation of the entire system.
- Searching for errors related to the variety of cooperating subassemblies and components, e.g., sensors or communication systems.
- Shortening the project implementation time and, consequently, minimizing costs.
2. The Description of the Combustion Process in the Ship’s Propulsion Boiler
- possibility of frequency analysis,
- ease of creating models with complex structures.
- fuel pressure fed to the burners,
- air pressure in the air duct,
- angular speed of the blower,
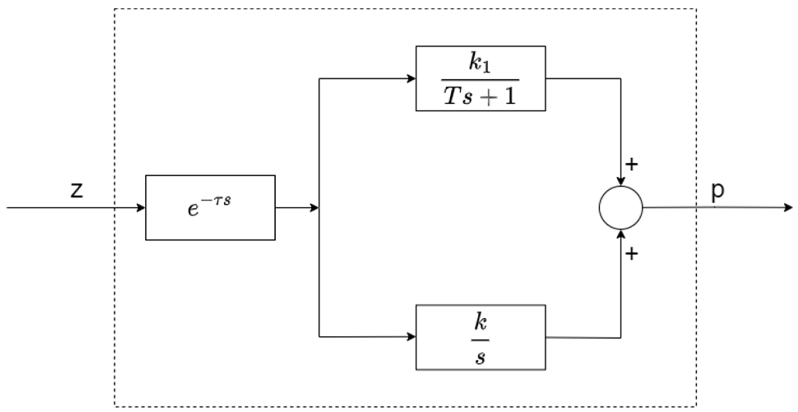
2.1. Determining the Identification Algorithm
- statistical or probabilistic methods
- classical methods based on frequency and step response.
- T - inertia time constant
- K1 - inertial element gain factor
- K - integration gain factor
- ti - step on the timeline
- dl - measurement length in inertial time constants.
- Tcal - calculated time constant
- K1cal - calculated proportional gain factor
- Kcal - calculated integral gain factor
2.2. Conditions and Method of Identification
- automatic control systems for PORT and STBD boilers have been disconnected,
- in the ECR (Engine Control Room), step signals were manually entered from the control panels forcing the position of the fuel valves (at the input of one boiler)
- during identification, the efficiency of the PORT and STBD boilers and the output signal of the steam pressure were recorded
- additional parameters were recorded and observed, stabilized by separate control systems and which may also affect the transmittance parameters (fuel viscosity, superheated steam temperature).
2.3. Parameter’s Identification
- for the integrating term - integration gain k
- for the inertial term - time constant T of inertia and k1 gain.
| A series - | propeller speed = 0 [rpm],load - average fuel pressure = 5.0 - 7.0 [at], on anchor. |
| B series - | propeller speed = 40-55 [rpm],average fuel pressure = 11-12 [at],good sailing conditions. |
| C series - | propeller speed = 65 [rpm],average fuel pressure = 13.4 [at].bad sailing conditions. |
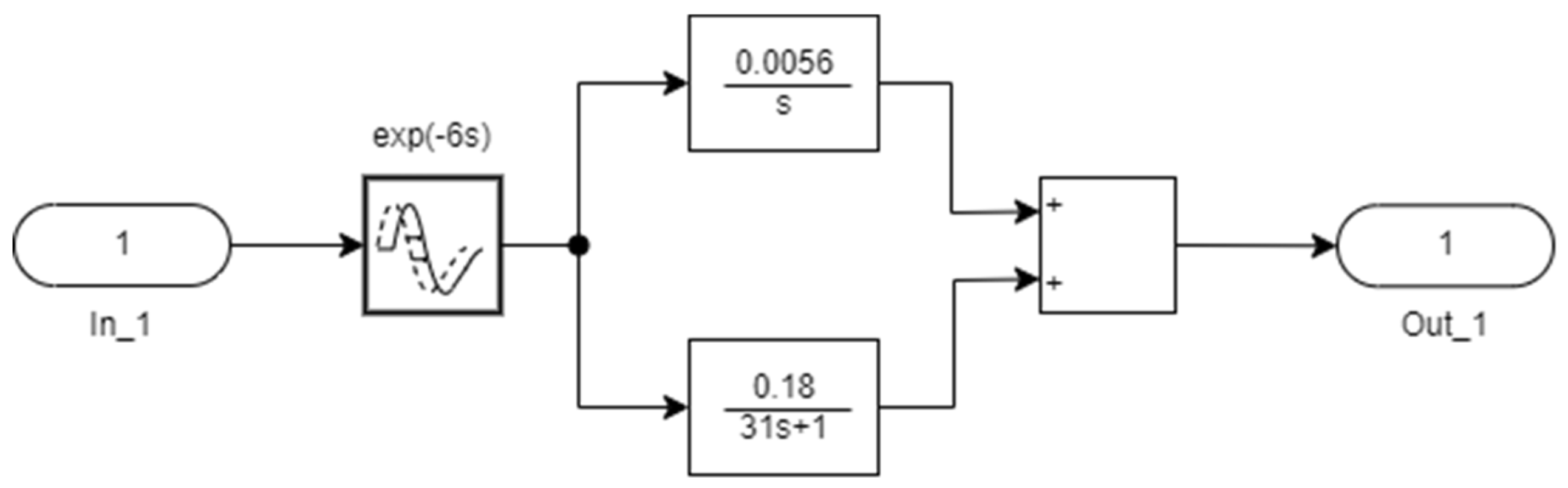
2.4. Summary
3. Computer Simulation of the Identified Object and Optimization of the Control Structure of the Boiler Efficiency Control System
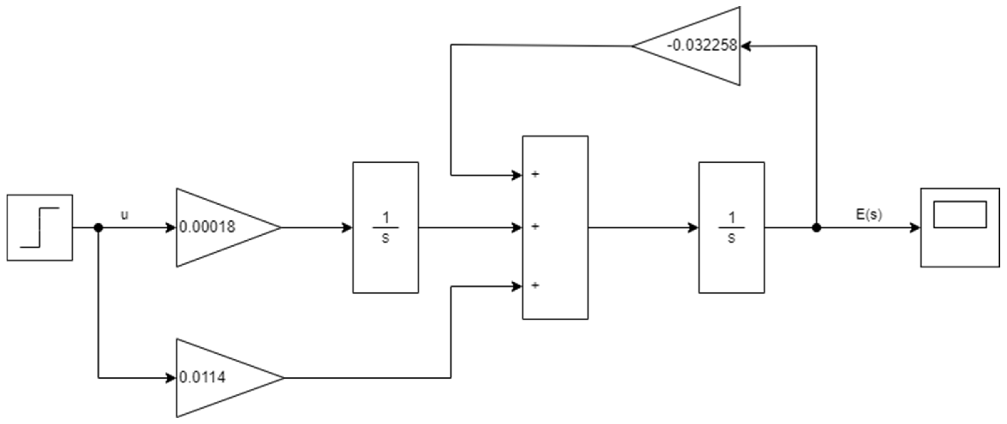
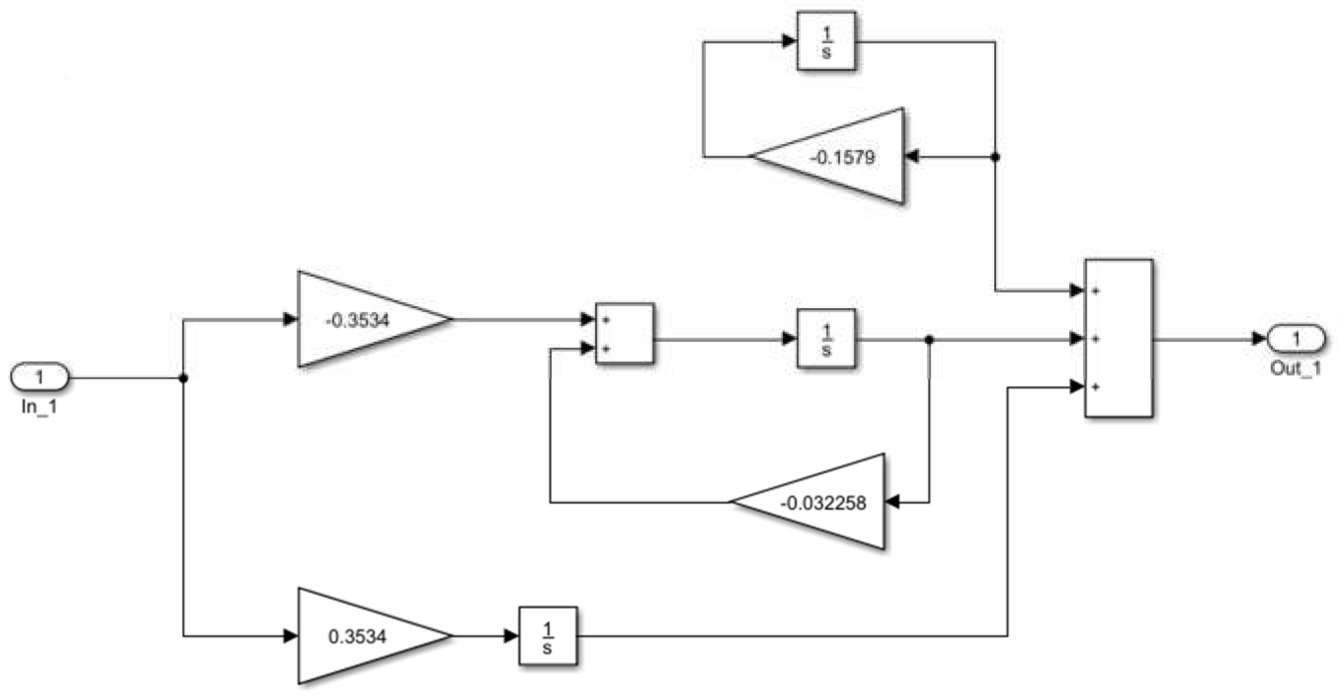
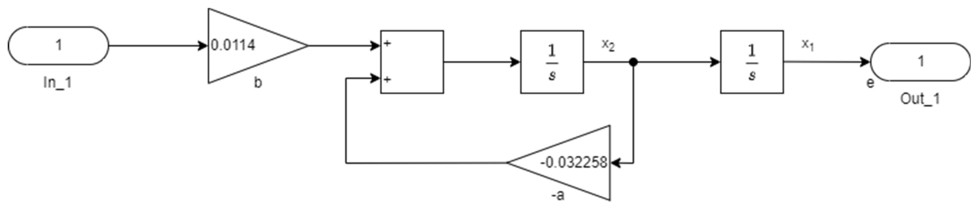
3.1. Optimization of the Structure of the Boiler Control System
3.2. Determination of the Optimal Control of the Boiler Capacity Control System
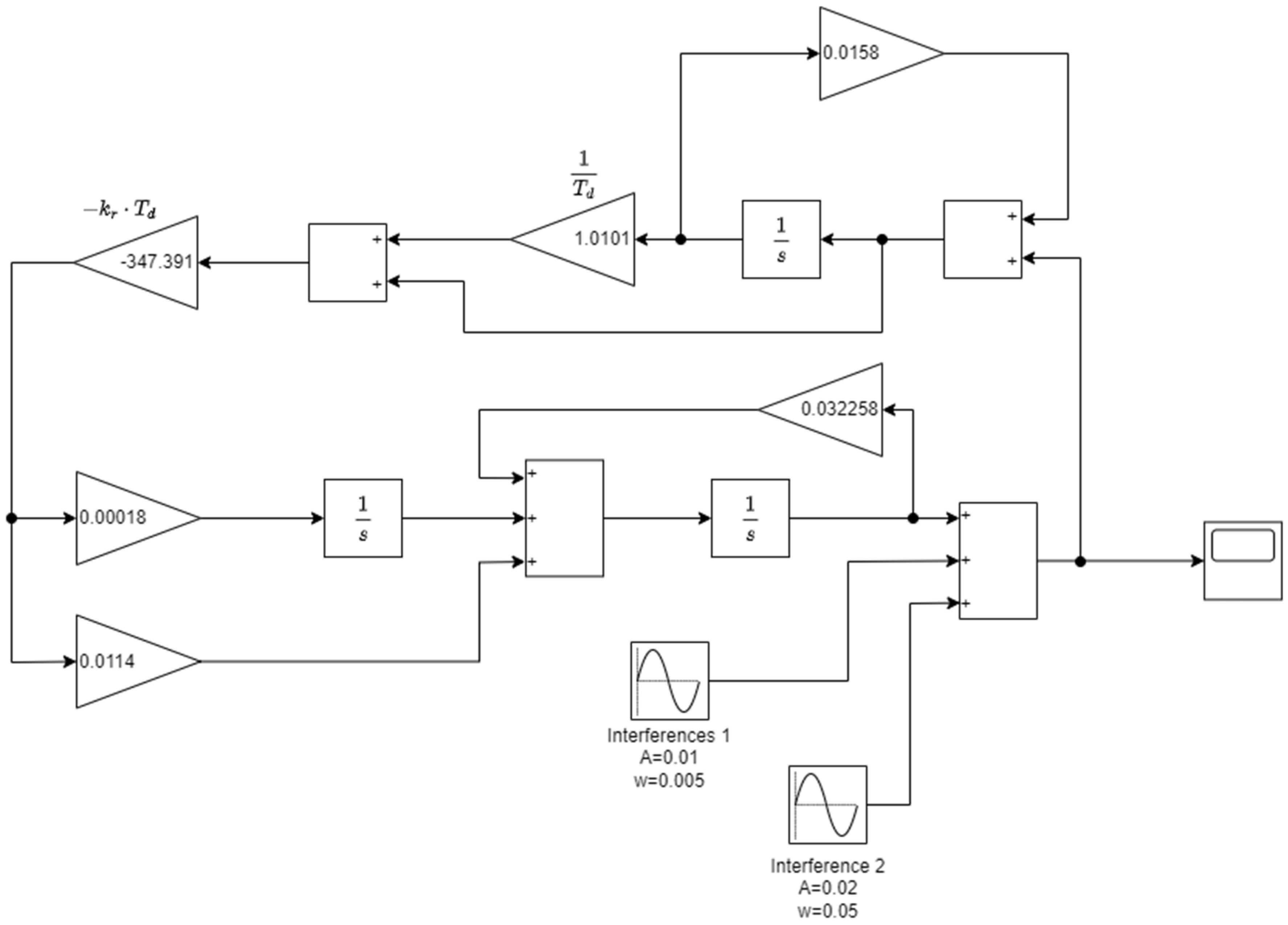
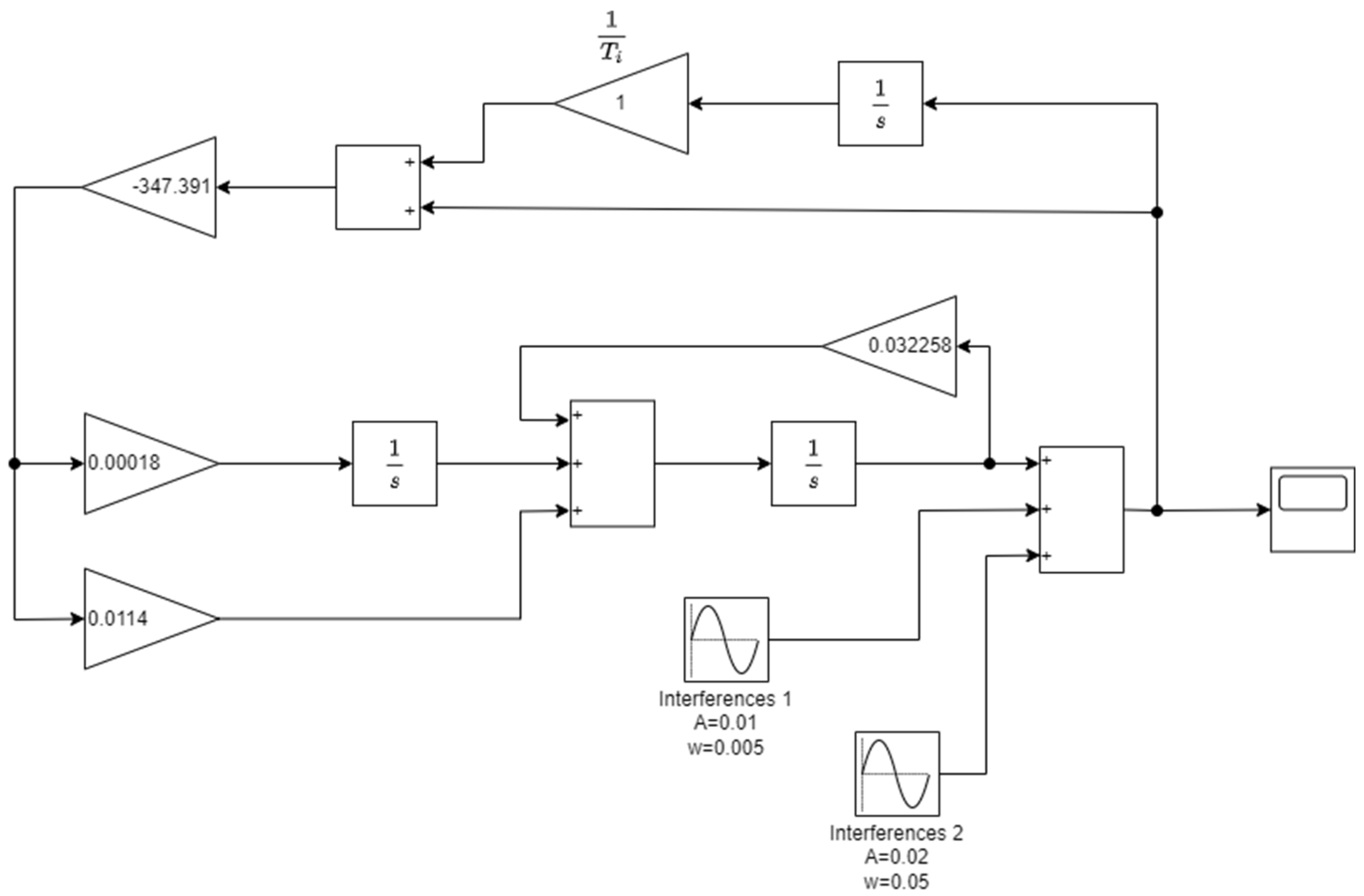
4. Test of the Optimal Model Structures
- determination the extortion compensation (at the optimum settings Td and kr) for a system with a phase-delay controller,
- check of a slip compensation at settings Ti= 1s and kPI= krTd = 347.391, resulting from relations (59) and comparison of (57) and (58) for the system with PI controller.
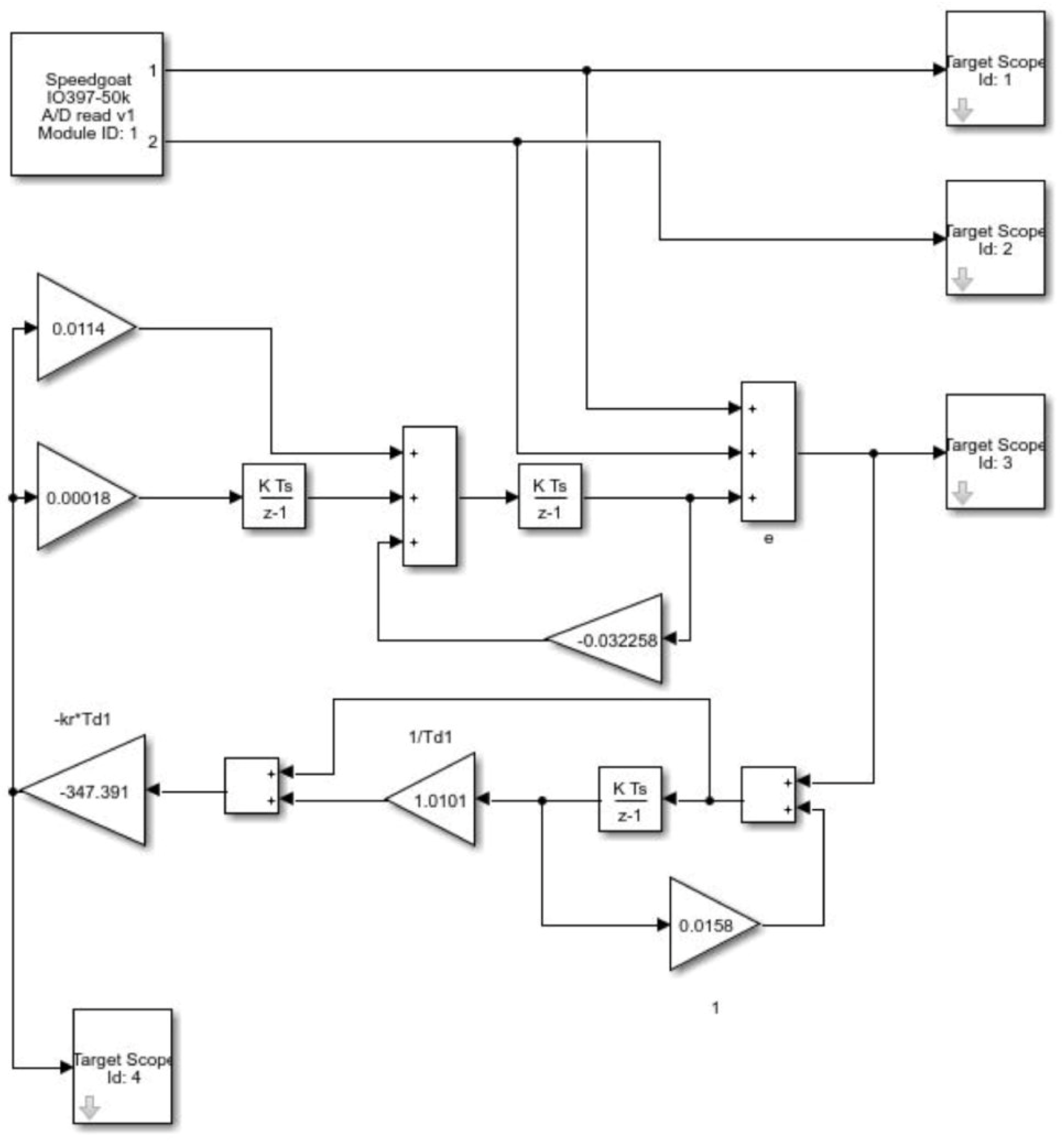
4.1. Hardware in Loop Implementation
4.2. Discussion on the Test Results
| Serie | T | K1 | K |
| [s] | [at/at] | [at/s*at] | |
| A | 37.71 | 0.2 | 0.0058 |
| B | 36.25 | 0.06 | 0.0036 |
| C | 21.47 | 0.28 | 0.0075 |
| A, B, C | 31.81 | 0.18 | 0.0056 |
References
- Mihalič, F.; Truntič, M.; Hren, A. Hardware-in-the-Loop Simulations: A Historical Overview of Engineering Challenges. Electronics 2022, 11, 2462. [CrossRef]
- Ai, F.C.; Sun, J.B. Simulation training system of marine auxiliary boiler and its application. Chinese Control And Decision Conference (CCDC), Shenyang, China, 2018, pp. 4236–4240. [CrossRef]
- Andersen, S.; Jørgensen, L. Scheme for auto tuning control of marine boilers. Master’s Thesis, Aalborg University, 2007.
- Solberg, B.; Andersen, P.; Stoustrup, J. Advanced water level control in a onepass smoke tube marine boiler. Technical report, Department of Electronic Systems, Aalborg University, Aalborg, Denmark, 2007.
- Jose, J.; Nafeesa K.; Ismail Yasar Arafath K.M. Fuzzy logic based control of marine boiler system. International Conference on Power, Instrumentation, Control and Computing (PICC), Thrissur, India, 2015, pp. 1-5. [CrossRef]
- Solberg B.; Andersen P.; Stoustrup J. The One-pass Smoke Tube Marine Boiler-Limits of Performance, Engineering, Environmental Science, 2008.
- Hultgren M.; Ikonen E.; Kovács J. Integrated control and process design for improved load changes in fluidized bed boiler steam path. Chemical Engineering Science. 2019, 199, 164–178; ISSN 0009-2509. [CrossRef]
- Milton; D.C.; Leach; R.M. Marine Steam Boiler. Elsevier Science & Technology. London, 1980.
- Perepeczko, A., Okrętowe kotły parowe, Wydawnictwo Uczelniane Politechniki Gdańskiej, Gdańsk 1979. (In Polish).
- Rakowski; J.J. Automatyka cieplnych urządzeń siłowni, Wydawnictwa Naukowo-Techniczne WNT Warszawa 1983.
- Matyszczak; M. Sterowanie wydajnością okrętowych kotłów napędu głównego z uwzględnieniem wymuszeń losowych. PhD dissertation, Wrocław 1980.
- Greblicki, W. Podstawy automatyki, Oficyna Wydawnicza Politechniki Wrocławskiej, 2006.
- Bendat, J.S.; Piersol, A.G. Metoda Analizy i pomiaru sygnałów losowych, PWN Warszawa 1976.
- Kaczorek, T. Teoria sterowania, PWN Warszawa 1997.
- Kaczorek, T. Synteza liniowych układów stacjonarnych metodą przestrzeni stanów, PWN Warszawa 1975.
- Kaczorek, T. Teoria Układów Regulacji Automatycznej; WNT; Warszawa, Poland, 1977.
- Niederliński, A. Systemy cyfrowe automatyki przemysłowej, Wydawnictwa Naukowo-Techniczne WNT Warszawa 1974.
- Mańczak, K. Metody identyfikacji wielowymiarowych obiektów sterowania, Wydawnictwa Naukowo-Techniczne WNT Warszawa 1979.
- The boiler system control of T.T “Dorian”. Users manual.
- Moreta, M.J. Rosenbrock Type Methods for Solving Non-Linear Second-Order in Time Problems, Mathematics 2021, 9, 2225. [CrossRef]
- Combustion Process Control, Technical Review, Emerson Process Management, Industrial Systems and Control Limited, 2013. https://www.emerson.com/documents/automation/white-paper-combustion-process-control-technical-review-isc-ltd-en-41958.pdf.
- Brayanov, N.; Stoynova, A. Review of hardware-in-the-loop - a hundred years progress in the pseudo-real testing. Electrotechnica & Electronica (E+E) 2019, 54, 70.
- Bailey M.; Doerr J. Contributions of hardware-in-the-loop simulations to Navy test and evaluation. Proceedings of the Society of Photo-optical Instrumentation Engineers 1996, 2741, 33–43. [CrossRef]
- Solberg B. Optimization of Marine Boilers using Model-based Multivariable Control. Industrial Ph.D. Thesis, 2008.
- Whalley, R. The Control of Marine Propulsion Plant. The University of Manchester (United Kingdom) ProQuest Dissertations Publishing, 1976. 13891317.
- Åström, K. J.; Bell, R.D. Drum boiler dynamics. Automatica 2000, 36, 363–378. [CrossRef]
- Jacobson, P; Hagerman, G; Scott, G. Mapping and Assessment of the United States Ocean Wave Energy Resource. EPRI 2011. [CrossRef]






















| Control system | Control | Controlled parameter | Parameter value during identification process | ||
| PORT Boiler | STBD Boiler | PORT Boiler | STBD Boiler | ||
| Air flow | auto | auto | Flaps’ position | Const. | Var. |
| Fuel dose | man. | man. | Fuel valve position | Const. | Var. |
| Graph No. | T | K1 | K | Extorsion | Fuel av. press | Propeller rev. |
| [s] | [at/at] | [at/s*at] | [at] | [at] | [rpm] | |
| 11p | 32.97 | 0.7600 | 0.0170 | 0.6 | 4.9 | 0 |
| 12p | 25.28 | 0.0500 | 0.0040 | 2.0 | 6.5 | 0 |
| 15p | 31.47 | 0.1800 | 0.0040 | 1.0 | 6.5 | 0 |
| 16p | 41.92 | 0.0900 | 0.0030 | 1.2 | 6.5 | 0 |
| 19p | 53.28 | 0.0300 | 0.0040 | 1.0 | 6.0 | 0 |
| 20p | 41.38 | 0.0900 | 0.0030 | 1.5 | 6.3 | 0 |
| 10p | 54.28 | 0.0300 | 0.0070 | 1.6 | 7.5 | 50 |
| 28p | 26.08 | 0.0700 | 0.0030 | 1.8 | 10.2 | 55 |
| 30p | 40.30 | 0.1000 | 0.0030 | 1.4 | 11.0 | 53 |
| 31p | 36.00 | 0.0500 | 0.0020 | 2.4 | 11.8 | 45 |
| 32p | 12.33 | 0.0300 | 0.0030 | 3.0 | 12.0 | 45 |
| 33p | 24.60 | 0.0500 | 0.0030 | 2.0 | 11.0 | 40 |
| 22p | 22.33 | 0.1000 | 0.0050 | 1.8 | 13.4 | 65 |
| 23p | 20.61 | 0.4400 | 0.0110 | 0.6 | 13.4 | 65 |
Disclaimer/Publisher’s Note: The statements, opinions and data contained in all publications are solely those of the individual author(s) and contributor(s) and not of MDPI and/or the editor(s). MDPI and/or the editor(s) disclaim responsibility for any injury to people or property resulting from any ideas, methods, instructions or products referred to in the content. |
© 2024 by the authors. Licensee MDPI, Basel, Switzerland. This article is an open access article distributed under the terms and conditions of the Creative Commons Attribution (CC BY) license (http://creativecommons.org/licenses/by/4.0/).
