Preprint
Article

This version is not peer-reviewed.

Use of Distributed Energy Resources Integrated with the Electric Grid in the Amazon: A Case Study of the UFPA Poraquê Electric Boat Using Digital Twin

Submitted:

05 August 2024

Posted:

06 August 2024

You are already at the latest version

Abstract
Electric mobility is a global trend and necessity, with electric and solar boats offering a promising alternative for transportation electrification and carbon emission reduction, especially in the Amazon region. This study analyzes the system of a solar boat from the SIMA project, to be implemented at UFPA, using MATLAB software for modeling. The Simulink tool was utilized to model the system, focusing on operational parameters such as module voltage, converter voltage, and speed. Results indicate that the solar boat's operational cost is significantly lower compared to a similar internal combustion model, considering diesel's high consumption and cost. The environmental impact is also reduced, with nearly 72 tons of CO2 emissions avoided annually, thanks to Brazil's renewable energy matrix. Simulations confirmed the project's parameters, demonstrating the efficiency of digital twin technology in monitoring and predicting system performance. The study underscores the importance of digital twins and renewable energy in promoting sustainable transportation solutions, advocating for the replication of such projects globally. Future research should focus on further advancing digital twin applications in electric mobility to enhance predictive maintenance and operational efficiency.
Keywords: 
;  ;  ;  ;  ;  ;  ;  ;  

1. Introduction

The energy transition and decarbonization of vehicles are global trends driven by the increasing consumption of electricity, especially in transportation, and the urgent need to reduce Greenhouse Gas (GHG) emissions [1]. This scenario has strengthened the expansion of distributed generation, including photovoltaic and storage systems, which aim to meet the complex energy demand of urban centers more intelligently and sustainably [2].
In 2022, the transportation sector accounted for 31% of the final energy consumption in Europe [3], and in 2023, this percentage was 33% in Brazil [4]. These data highlight the significant participation of the transport sector in the global energy matrix. However, the transition from fossil fuels to non-fossil electricity depends on each country's electricity matrix composition, increasingly focused on clean and renewable energy generation to reduce GHG emissions [5]. In this context, replacing internal combustion vehicles is crucial, as they are one of the main GHG emitters [6]. It is important to note that while vehicles significantly contribute to GHG emissions, the effectiveness of this replacement depends on each country's electrical matrix, many of which still rely on fossil fuels for electricity generation [4,7].
In the Brazilian context, diesel and gasoline represent 71.1% of transport energy consumption, while 22.5% comes from renewable sources such as biodiesel and ethanol. Brazil stands out as a pioneer in decarbonizing primary energy sources, with one of the cleanest energy and electricity matrices globally, with approximately 89% renewable sources in the electricity matrix, compared to 35% in OECD countries and the global average of 30% [4]. The Brazilian transport sector has 22.5% of its energy consumption from renewable sources [4].
When discussing Brazilian mobility, it is important to consider river modes. River mobility is significant in Brazil, which has a 63,000 km long river network, almost 27,000 km of which are navigable. However, only 30% of this river network is used for commercial transport of goods and passengers [8]. Alternatives promoting electric mobility are essential to meet this demand more sustainably.
Besides advances in technologies for land modes, such as electric cars and buses, it is important to encourage research development for water modes. A notable example in the Amazon is the Intelligent Multimodal System of the Amazon (SIMA), hosted at the Federal University of Pará (UFPA), proposing a project integrating land and river electric mobility powered by photovoltaic energy [10]. To replace fossil fuel consumption in boats, energy generated by photovoltaic systems has been considered the most suitable renewable energy source [11].
Currently, solar boats are defined as vessels that use an electric motor powered by electricity in conjunction with an energy storage system that receives electricity through the grid and from solar energy conversion via photovoltaic modules. This makes them an effective alternative for cleaner and more ecological water transport by reducing greenhouse gas emissions [12].
The use of photovoltaic systems in boats is a way to generate electricity without constantly relying on fossil fuels. Photovoltaic modules have several advantages as they convert energy silently and, unlike wind turbines, do not have rotating components that could affect the boat's stability [11]. Another way to classify boats is by their hull structure, whether they are monohulls, catamarans, or trimarans [13]. It has been found that the best possible method for using solar photovoltaic energy in boats is in catamaran-structured boats, which have a flat roof and better area utilization for photovoltaic module placement, allowing maximum solar radiation from the start of the day. This model avoids obstructions to the solar rays by the boat's structure itself [11].
In this context, the electric boat Poraquê, developed by UFPA, stands out as an innovative example. It uses an electric propulsion system powered by an energy storage system and photovoltaic modules for charging these batteries. This project demonstrates the viability of using Distributed Energy Resources (DERs) in transportation applications in the Amazon. Furthermore, implementing a Digital Twin in the project allows for real-time monitoring and optimization of the boat's performance, illustrating how digitalization can complement DERs and provide more efficient energy management.
This case study highlights the importance of integrating DERs with the electricity grid in the Amazon and underscores the benefits of digitalization for sustainability and operational efficiency, offering valuable insights into the opportunities and challenges in implementing advanced technologies in remote and ecologically sensitive regions.

2. Literature Review

The purpose of this literature review is to conceptually demonstrate the use of Digital Twin technology through studies that focus on its application in various scenarios, contexts, and purposes. Digital Twins can be classified into different types, such as Part Twins, Unit Twins, and Process Twins, and are applied in various fields including aerospace, automotive, and smart cities [13,14].
Research has demonstrated the expansion of Digital Twin usage beyond flow analysis and optimizations, showing applications in planning and managing structures, such as in smart cities [15]. This study illustrates the potential for using Digital Twins to determine the operation of autonomous vehicles in urban centers, conducting traffic studies and optimizing routes for electric and autonomous vehicles with a focus on energy efficiency and consumption minimization.
Concepts of the lifecycle of systems are presented, covering everything from the theoretical design phase of a project to the end of its stipulated useful life [16]. The lifecycle of a system is seen as a performance indicator, whether analyzing the wear and tear of electrical components, such as battery health, influenced by various economic or technical aspects, directly impacting production costs. This study demonstrates that the Digital Twin allows the implementation of new technologies based on a defined model, enabling the comparison of techniques and system management methods to achieve excellence.
Various challenges regarding electric mobility for autonomous vehicles are presented, highlighting that the dynamism of highways can cause delays in simulations and complicate the understanding of regional dynamics [17]. This study underscores the importance of precise parity with real vehicles to represent automated models and optimize the load flow for electric chargers. The development of a charging station for electric boats in Malaysia is also addressed, comparing the use of conventional fuels with electric energy, emphasizing the economic advantages and the reduction of GHG emissions, especially when the energy comes from renewable sources.
Another relevant study explores electric mobility in air traffic with taxis and ambulances at low altitudes in urban areas [18]. The use of Digital Twins allows the prediction of execution problems related to traffic, routes, and weather conditions, increasing the chances of successful implementations. Furthermore, the use of Digital Twin allows the complete study of the operation of an electrical mode, with virtual and physical models that communicate, thus obtaining optimal results as demonstrated by [19]. This study complements the study by [14], which presents the efficiency of vehicle traffic routes.
In addition to digital and technological issues, the energy transition is crucial for reducing climate change, especially in urban centers, which are the major contributors to these problems [20]. In the Amazonian context, the low number of electric vehicles and the implementation of electric mobility projects, such as the Intelligent Multimodal System of the Amazon (SIMA) by UFPA, which integrates electric land and water modes with hybrid photovoltaic systems, are essential to address the lack of sustainable modes [20].
Complementary aspects of electric mobility in the European context highlight electric vehicles as key components for reducing GHG emissions [22,23]. The first work emphasizes the social, economic, and environmental impacts of incorporating electric modes, as well as the challenges related to the scarcity of raw materials and the generation of energy required for these vehicles. The second work focuses on the energy transition in Europe, which, although not following the expected projections, shows an increase in electric vehicle sales. It is crucial to ensure the energy transition and the decarbonization of vehicles, promoting the development of renewable energy matrices to combat GHG emissions, with Brazil being a world reference with approximately 88% of its renewable energy matrix [4].
Research has also demonstrated that internal combustion systems are detrimental both environmentally and economically, due to rising fuel tariffs [24]. This study presents a zero-emission conceptual model, simulated via Matlab/Simulink, using photovoltaic modules and an electrical energy storage system. Challenges such as the seasonality of energy generation curves and the low efficiency of photovoltaic systems are addressed, highlighting that the application of monocrystalline/polycrystalline silicon modules in the Amazonian context is advantageous due to high solar radiation indices and constant temperature, as well as their greater efficiency and positive impact on the stability of vessels [20].
This brief state of the art was conducted with the aid of artificial intelligence (AI) for the recommendation of selected works, using a tool named Research Rabbit. Figure 1 presents the main keywords of relevant articles in the research areas used, with the fields of electrical engineering and computer engineering being the most utilized, represented by keywords such as renewable sources and digital twin, respectively. Furthermore, it is possible to analyze the publication years of these academic works, as shown in Figure 2, which indicates that the database is recent, with articles from 2020 onwards. It is important to note that the normalization of these results refers to the most frequent keywords in the database, meaning there may be articles prior to 2020 that do not contain the most relevant keywords for the analyses. The database utilized includes 42 articles from the most renowned bibliographic sources in scientific content for engineering, such as MPDI, IEEE Xplore, and Elsevier.
Therefore, the frequency of recent articles is essential for maintaining the relevance of academic work, making updated publications crucial considering scientific advancements in recent years. This ensures that research and discussions are aligned with the latest trends, fostering innovation and integration with established methodologies, thereby developing more precise analyses, results, and recommendations.

3. Subject of Study: SIMA PROJECT

The Intelligent Multimodal System of the Amazon (SIMA) project is an initiative of the Federal University of Pará (UFPA) in partnership with Norte Energia and the Center for Research and Development in Telecommunications (CPqD). Its objective is to promote sustainable mobility in the Amazon Region, based on the pilot project installed at the Guamá campus of UFPA through electric modes, including electric buses and boats, supported by photovoltaic generation and energy storage systems [23,27,28], with the topology presented in Figure 3.

3.1. Supporting Energy Infrastructure and Electric Mobility

The supporting energy infrastructure of the SIMA project consists of photovoltaic generation systems, energy storage, and charging stations for electric vehicles. These systems are integrated to create a Distributed Energy Resources (DER), characterized by decentralized energy generation and intelligent management of energy flows.

3.1.1. Photovoltaic Generation Systems

Two main photovoltaic generation systems are in operation on campus:
  • Mirante do Rio Photovoltaic System:
    • Power: 59.29 kWp
    • Modules: 177 photovoltaic modules of 335 Wp (BYD)
    • Inverter: 60 kW (Huawei)
    • Connection: On-grid
  • Ceamazon Hybrid Mini-grid:
    • Power: 78.39 kWp
    • Components: SMA system: 54.94 kWp (on-grid/hybrid), Fronius system: 18.09 kWp (on-grid/hybrid), Victron system: 5.36 kWp (off-grid/hybrid)
    • Biodiesel Generator: Backup for extreme cases
    • Connection: Part of the systems is connected to the internal mini-grid, while another part is connected to the UFPA grid.

3.1.2. Energy Storage System

The energy storage system uses lithium-ion batteries to ensure the continuous operation of electric modes. Specifications:
Total Capacity: 110.4 kWh (Ceamazon)
Technology: BYD batteries, with 80% depth of discharge
Management: Interconnected controllers manage battery charge and discharge, maintaining system efficiency and safety.

3.1.3. Charging Stations

The Guamá campus has four charging stations for electric vehicles, strategically located next to the Sports Hall and CEAMAZON. Specifications of the main models:
  • BYD EVA080KI/01 Charging Station:
    • Output Power: 80 kVA
    • Input Voltage: 380-480 V AC
    • Output Current: ≤ 126A AC
  • ABB TERRA 54HV Charging Station:
    • Output Power: 50 kW
    • Maximum Output Current: 125 A DC
    • DC Output Range: 200-950 V DC

3.1.4. Real-time Monitoring

A real-time monitoring system has been developed to collect and analyze data from electric modes. Variables such as current, voltage, and power are continuously monitored, facilitating efficient management and preventive maintenance of the systems. This system uses sensor technology and cloud data transmission, providing managers with accurate and up-to-date information.

3.2. Electric Mobility Modes

SIMA introduced three electric mobility modes on campus: two electric buses and a solar electric boat.

3.2.1. Electric Buses

The buses, both intercity and urban models, have permanent magnet synchronous motors with a nominal power of 110 kW each and BYD LiFePO4 batteries with a capacity of 324 kWh, offering a range of up to 250 km.
  • Intercity Bus:
    • Motor: Two permanent magnet synchronous motors, 110 kW each
    • Battery: BYD LiFePO4, 324 kWh
    • Range: 250 km
    • Charging: 4-5 hours, power 2x 40 kW AC
    • Operation: Daily trip UFPA Belém campus – Castanhal
  • Urban Bus:
    • Motor: Two synchronous motors, 110 kW each
    • Battery: BYD LiFePO4, 324 kWh
    • Range: 250 km
    • Charging: 4-5 hours, power 2x 40 kW AC
    • Operation: Internal transport on the Guamá campus

3.1.2. Solar Electric Boat

The project includes a solar electric boat in the final stages of implementation, which is the main study object of this work. The SIMA project's solar electric boat is a catamaran, equipped with an integrated photovoltaic system and energy storage system, with the topology presented in Figure 4, designed to operate efficiently and sustainably in the Amazon rivers. Table 1 presents the physical specifications of the electric boat, including length, width, and structure weight.
Meanwhile, Table 2 presents various characteristics of the electric boat's propulsion system, such as motor information, power, and technical details. These specifications are essential to understand the performance capacity and efficiency of the boat in daily operations.
Furthermore, Table 3 presents the parameters of the photovoltaic system and storage system, such as power, quantity, weight, among other parameters. These details are crucial to evaluate the feasibility of using photovoltaic energy on the boat and ensure it can operate efficiently and sustainably during its trips.

4. Methodology

The methodology of this study focuses on the creation of a Digital Twin model of the electric boat within the SIMA project. This involves the use of software tools such as MATLAB for modeling the electrical and mechanical elements, both internal and external to the boat, and Pvsyst for assessing photovoltaic energy generation. The primary objective is to simulate the boat's operation under various conditions to evaluate its performance, energy balance, and greenhouse gas emissions. The results from this study will integrate with other systems already in operation within the SIMA project to provide a comprehensive evaluation of energy balance and emission issues.

4.1. Digital Twin Modeling

The Digital Twin model will be developed using MATLAB, a powerful tool for simulating and analyzing complex systems. This involves creating detailed models of the boat's electrical and mechanical components. The electrical model includes the battery storage system, photovoltaic generation system, and propulsion system, while the mechanical model incorporates aspects such as the boat's structure and hydrodynamics.
MATLAB is widely utilized for various mathematical procedures, integrating numerical analysis, matrix calculations, signal processing, and graph plotting. The software uses a programming language similar to Fortran, Basic, or C [29]. It also features numerous tools that facilitate power system simulations, allowing for the modeling and analysis of dynamic systems. One of these tools is Simulink, which offers a graphical interface where users can employ pre-existing blocks from the software's library, as well as custom blocks, simplifying the modeling approach [30]. In Figure 5, an example of a control system for a boat using Simulink is presented. This is an example of a Digital Twin, where it is possible to perform various operational analyses of the boat under different conditions, considering both electrical and physical equipment included in the object under study. Various variables can be obtained, such as movement speed, fuel usage, and even the energy used to keep the internal lights on.
Additionally, there are specific libraries such as Simscape, which is used for various power electronics applications. These specialized libraries aim to simplify the simulation of specific applications, like photovoltaic modules, which are elements of electrical power systems. Thus, it is possible to use basic and specific elements to build a complete physical system [31]. MATLAB also supports the creation of Digital Twins, which represent a way to evaluate, simulate, and improve real products. By virtually replicating a real physical system, the digital model can provide valuable data on the stability and utilization of the product, such as the product's lifecycle [31].

4.2. Photovoltaic System Simulation

The photovoltaic system simulation is conducted using Pvsyst to provide foundational support for the MATLAB simulation of the boat's photovoltaic system. Pvsyst analyzes the performance of the photovoltaic modules under the unique meteorological conditions of the Amazon region, including solar irradiance and temperature variations.
The photovoltaic system is configured in Pvsyst by specifying the type and number of photovoltaic modules, their arrangement, and their connection to the boat's electrical system. Key parameters such as module orientation, tilt angle, and shading effects are input to ensure accurate modeling. Environmental data specific to the Amazon, such as solar irradiance and temperature, are integrated into Pvsyst to accurately predict the photovoltaic system's performance [32].
The simulations account for various impactful variables such as climate, solar irradiance, and precipitation, considering the system's location. Location differences are observed through parameters like latitude, longitude, and altitude [33], which directly affect the climatic conditions in a region. These factors influence the amount of solar irradiance reaching the system due to the region's cloud cover.
Pvsyst simulates the energy output of the photovoltaic system over different periods, providing detailed reports on expected energy production. These results inform the MATLAB simulation, ensuring realistic energy input data. The integration of the photovoltaic system with the boat's electrical system is evaluated to ensure compatibility with the battery storage and propulsion systems. Pvsyst helps identify optimization strategies to enhance system efficiency and reliability.
By utilizing Pvsyst for initial simulations, accurate input data for MATLAB is provided, enabling a comprehensive evaluation of the photovoltaic system's performance and supporting the SIMA project's goal of sustainable mobility in the Amazon region.

4.3. Financial and Ecological Comparasion

Using the data from the Digital Twin model and photovoltaic system simulation, this study assesses the greenhouse gas emissions of the electric boat. The goal is to identify scenarios where the boat operates most efficiently, minimizing emissions and maximizing energy use.
To perform the financial and ecological analysis, comparisons were made between the operating costs of this electric boat and an equivalent internal combustion engine boat. The estimation of the total energy consumption of the solar boat on a typical sunny day was developed. Using the installed peak power values (Pp), the average PVOUT is obtained, based on the specific production calculated by PVSyst of 4.21 kWh/kWp/day (annual average value).
The comparison between the systems considers the available generated energy, Total Energy (Etotal), obtained through simulation, and the theoretical Total Consumption (Ctotal), with three possible scenarios:
  • Etotal > Ctotal;
  • Etotal = Ctotal;
  • Etotal < Ctotal.
In these scenarios, the system's performance is evaluated: if the generated energy is greater than consumption, the system operates with an energy surplus; if the generated energy equals consumption, the system requires optimal performance without deviations or operational issues to maintain balance; and if the generated energy is less than consumption, the system will not operate adequately over the stipulated period.
The total available energy in a service day is calculated as shown in Equation (1), where Etotal is the sum of the energies from the fotovoltaic modules (Emodules) and the storage system (Ebatteries):
𝐸total = (Emodules + 𝐸batteries )
Subsequently, the energy consumption in the propulsion system is calculated based on the engine load and its usage percentage to maintain cruising speed, as shown in Equation (2). The Ctotal is the relation between the engine power (Pengine), the number of engines (n), and the engine usage percentage at cruising speed (Pu):
Ctotal = Pengine * A * n * Pu
Based on these results of Ctotal, the daily and monthly cost of electricity consumed from the grid for the catamaran can be calculated, considering different tariff types, such as the single rate tariffs and the time-of-use tariff, peak and off-peak, as shown in Table 4, obtained from the local energy concessionaire in 2022. The exchange rate considered was 5.66 R$/USD, and the values were converted accordingly.
For a catamaran with a cruising speed of 8 knots (approximately 7.3 knots for a solar boat), the estimated consumption is 20 liters per hour of operation. Thus, the consumption for the same autonomy of 3 hours and 5 minutes and the cost of fuel were calculated, considering the average price of nautical diesel for 2022, as shown in Equation (3):
CDtotal = (CD/h * A)
Where CDtotal is the total diesel consumption in liters, and CD/h is the hourly diesel consumption. Based on Equation (3), the total consumption is 61.6 liters.
Diesel-powered vehicles emit more CO2 per unit volume or weight of fuel compared to other motorized modes. In this study, an average emission factor of 2.6 kg of CO2 per liter of diesel burned was used, plus an average of 0.5 kg of CO2 emitted to produce and distribute the fuel, resulting in a total emission rate of approximately 3.2 kg of CO2 per liter of diesel. The total daily CO2 emission is calculated using Equation (4):
𝐸𝑡𝐶𝑂2 = (𝐸𝑝𝐶𝑂2 + 𝐸𝑞𝐶𝑂2) ∗ 𝑉𝑑
Where EtCO2 is the total CO2 emission, EpCO2 is the CO2 emission from producing 1 liter of diesel, EqCO2 is the CO2 emission from burning 1 liter of diesel, and Vd is the daily volume of diesel, totaling 197.12 kg/day.
By incorporating these methodologies, the study aims to provide a comprehensive evaluation of the electric boat's environmental impact and its potential for reducing greenhouse gas emissions, thereby supporting the broader objectives of the SIMA project in promoting sustainable mobility in the Amazon region.

5. Results

The Digital Twin model of the electric boat accurately simulates the boat's electrical and mechanical components under various operational scenarios. The model provides detailed insights into the boat's energy consumption, propulsion system performance, and overall efficiency.

5.1. Photovoltaic Modules

The photovoltaic system simulation utilized the PVarray block from the Simscape library to model the arrangement of photovoltaic modules. This block requires two key parameter inputs: irradiation and temperature. In addition to these inputs, the block has three outputs: a negative pole, a positive pole for voltage measurements, and an output labeled "m" for displaying measured parameters. Figure 6 illustrates the block representing the photovoltaic generation system.
To assess the performance under different environmental conditions, simulations were conducted with varying ambient temperatures. Figure 7 presents the current and power curves as functions of voltage for scenarios with ambient temperatures of 25ºC and 45ºC.
For the specific case defined in the schematic input, with an irradiance of 1000W/m² and a temperature of 30ºC, the simulation indicates a voltage output of 233.2V, as shown in Figure 8.
Given that the battery bank charging voltage is 72V, which is lower than the PV array output voltage, a DC-DC converter is essential to adjust the voltage output to match the input voltage of the battery bank. This step ensures efficient charging and energy transfer between the photovoltaic system and the battery storage.
Optimizing the photovoltaic system involves ensuring proper alignment of the modules to maximize solar exposure and implementing a monitoring system to track performance metrics. This data helps maintain efficiency and inform potential adjustments or upgrades. Additionally, integrating the photovoltaic system with the boat's overall energy management system allows for real-time adjustments based on energy demand and storage capacity. This integration enhances operational efficiency and supports the SIMA project's sustainability goals by maximizing renewable energy use and minimizing dependency on external sources.
The simulation results highlight the importance of considering environmental factors such as temperature and irradiation when designing photovoltaic systems. By accounting for these variables, the system can be optimized for the specific meteorological conditions of the Amazon region, supporting the project's objectives of promoting clean and sustainable energy solutions.

5.2. DC-DC Converter

The DC-DC converter is crucial in photovoltaic systems, performing tasks like optimizing power generation through Maximum Power Point Tracking (MPPT) and aligning voltage for battery charging. In this project, the converter regulates the voltage to 72V, ensuring compatibility with the storage system. Figure 9 displays the converter model in Simulink, and Figure 10 shows the photovoltaic system's output voltage after conversion.
Beyond simple voltage regulation, the converter dynamically adjusts to maintain system efficiency, compensating for variations in irradiation and temperature. This ensures optimal operation of the photovoltaic modules, maximizing energy capture and conversion. Using MPPT algorithms within the converter enhances the system's adaptability to changing environmental conditions, improving overall performance and reliability.
Integrating the DC-DC converter into the photovoltaic system enhances compatibility with the storage system and contributes to the energy management setup's longevity and stability. By maintaining consistent voltage levels, the converter prevents overcharging or undercharging of the batteries, thereby extending their lifespan and efficiency. This integration is essential for the electric boat's operation within the SIMA project, ensuring effective and sustainable use of renewable energy.

5.3. Battery bank

The Simscape Battery block was used to represent the storage system, as shown in Figure 11. Three battery blocks are connected in parallel, with the main parameters being a nominal voltage of 76.8V and a capacity of 205Ah per block, Figure 12. This configuration results in a total storage capacity of 615Ah.
The parameters V1 Voltage and AH1 Charge represent the no-load voltage and no-load capacity at a specific point, which are used to plot the battery discharge curve, as shown in Figure 13.
Integrating this battery bank with the photovoltaic system and the DC-DC converter ensures efficient energy storage and management. The system can store sufficient energy to meet the boat's daily operational needs, supporting its sustainable and independent operation. This integration is key to achieving the SIMA project's goals of promoting clean and renewable energy in the Amazon region.

5.4. DC-AC Converter

The DC-AC inverter is a crucial component of the system, converting the DC voltage from the bus—where the photovoltaic generator and storage system are connected—into AC voltage at the specifications required by the electric motors. In the original design, two inverters divide the power, but in the simulation, a single Average-Value Inverter (Three-phase) block is used to perform the entire conversion process. Figure 14 shows the block with positive and negative DC inputs and the three-phase AC output on phases ABC.
The parameter configurations for the inverter block were selected based on the motor specifications: three-phase at 60 Hz, 120º phase shift, and an output voltage of 51V, as shown in Figure 15.
Thus, the energy signal at the inverter output, with maximum voltage values of 53V and a frequency of 60 Hz, is depicted in Figure 16.
This conversion process is vital for ensuring that the energy generated and stored by the photovoltaic and battery systems is effectively utilized by the boat's electric motors, contributing to the overall efficiency and sustainability of the system.

5.5. Motors

To model the propulsion motors of the boat, the Induction Machine Squirrel Cage block was used, which represents a squirrel cage three-phase motor. As shown in Figure 17, two motors connected in delta configuration were placed just after the frequency inverter. This block has two outputs: R, the mechanical rotational port associated with the machine rotor, which transmits the values of angular speed and output torque of the motor.
The design parameters were added to the simulation for each motor with 13 kW of power and a nominal voltage of 51 V in three-phase alternating current at a frequency of 60 Hz, as depicted in Figure 18.
These parameters ensure that the motors are accurately represented in the simulation, reflecting the real-world operational characteristics necessary for efficient boat propulsion.

5.6. AC-DC Converter

Since the photovoltaic generation system does not supply all the energy needed for the boat's daily autonomy, a power supply for recharging at land-based charging stations is necessary. Therefore, an AC-DC converter was developed to transform the 127 V AC from the UFPA power grid into the continuous 72 V DC required for the battery bank. A subsystem was created in Simulink, featuring an alternative voltage source to represent the energy input, a switching mechanism controlled by a Step block to indicate when it is on or off, and the AC-DC converter power source subsystem, as shown in Figure 19.
The converter source diagram was built based on a simple analog electronics circuit, which includes a voltage transformer, a rectifying bridge with diodes, and a capacitor. This circuit allows for the unilateral conversion of the alternating current from the university grid into direct current for battery charging. The source circuit is depicted in Figure 20.

5.6. Physical Represetation of the Boat

The physical representation of the boat follows the motors and includes three measurement blocks and four system representation blocks. The measurement blocks are: an angular velocity meter at the motor output (measuring in rad/s, converted to rpm), a force meter showing the projected force on the boat (in Newtons), and a linear velocity meter showing the boat's cruise speed (initially in m/s, converted to knots).
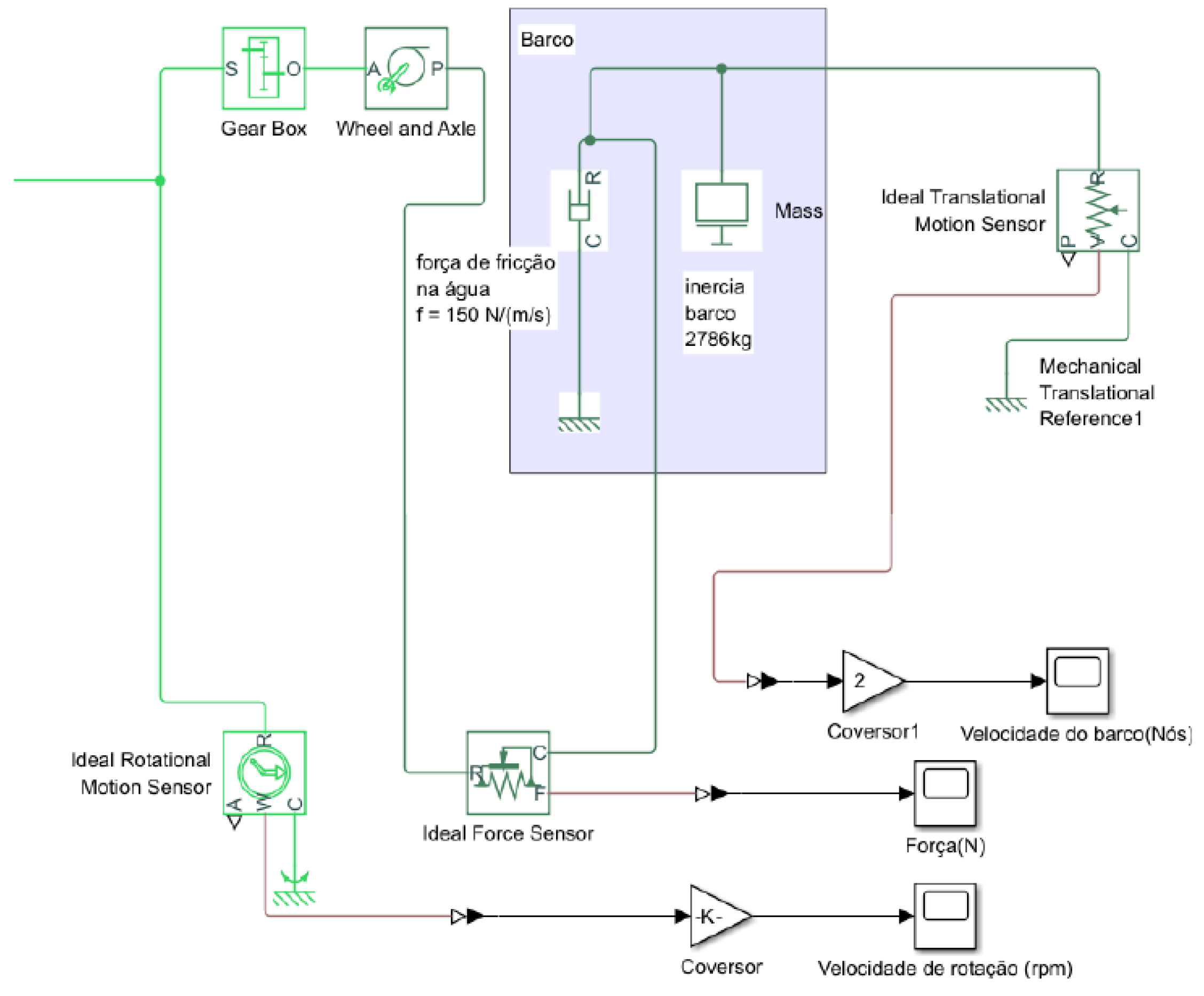
The system representation blocks consist of a gearbox to increase torque and propulsion, a Wheel and Axle block that converts wheel and axle size, along with angular rotation speed and torque data to produce a propulsion output force. Additionally, there are blocks representing the boat's inertia, considering a mass of 1,389 kg plus 20 passengers averaging 70 kg each, totaling 2,789 kg. Finally, a block simulates the friction force between the boat and the water, set at 150 N/(m/s). The complete system is shown in Figure 21.
Using these sensors, various scenarios were simulated to evaluate the boat's operation. Figure 22 shows the result of a 100-second full power simulation, where the boat reached its maximum design speed of 10 knots in 40 seconds. Another simulation, using the total autonomy time of 3 hours and 5 minutes (11,100 seconds) at cruising speed, achieved the expected result, maintaining speed throughout the period with constant irradiation at 1,000 W/m², as shown in Figure 23.

5.7. Financial and Ecological Comparison

To evaluate the economic and environmental impact of the electric boat, a comprehensive comparison was made between its operational costs and emissions against those of a conventional internal combustion engine boat. The Table 5 shows energy parameters obtained through simulation, including values for PVOut, Ebatteries, and Emodules.
The energy generated by the modules is 28.20 kWh, and the energy available in the storage system is 47.23 kWh, resulting in a total energy of 75.43 kWh for the operation of the electric boat. Upon calculation, 73.35 kWh is needed for the boat's operation, as shown in Equation 2 and Equation 3. Therefore, the specified storage and generation values are sufficient for the proposed autonomy, as Etotal is greater than Ctotal, with a daily consumption coverage rate of 38% by the photovoltaic generation system, while the remaining 62% of the battery charge will be recharged at the university's charging stations.
The daily fuel cost was calculated using the average diesel price in 2022, as shown in Table 6. It can be observed that the diesel cost is more than 10 times higher than the electricity cost for the solar boat. Table 6 shows the total consumption, diesel price, and daily and monthly costs, with values converted to USD at an exchange rate of 5.66 BRL/USD.
Considering that the electricity generation source is renewable and non-polluting, it is possible to calculate the number of tons of CO2 avoided annually. The annual CO2 emissions amount to 71,948.8 kg/year, or nearly 72 tons of pollutants per year. The contribution of such a modal to the environment is evident, with significantly lower maintenance costs and potentially faster investment returns if off-peak charging strategies are utilized.

6. Conclusions

Electric mobility is a global trend and necessity. Electric and solar boats offer a promising alternative for the electrification of transport and the reduction of carbon emissions by relying on renewable energy sources. This is particularly relevant in the Amazon region, where waterway transport is widely utilized. The future of electric mobility depends on continuous simulations and digital experiments, with digital twins providing more accurate performance predictions and preventive maintenance through data monitoring.
In this context, the present study analyzes the system of a solar boat within the SIMA project, which is to be implemented at UFPA with the aid of MATLAB software. The system modeling was carried out using the Simulink tool. The operational parameters of the electrical system were studied, yielding results that demonstrate both electrical and physical applications, including final operational aspects such as module voltage, voltage with converters, and travel speed, among other results obtained through simulation.
The data obtained on the solar boat's operation, compared to a similar internal combustion model, demonstrate a significantly lower operational cost for the solar boat. This is especially evident when considering the high diesel consumption and its higher price compared to electricity. Furthermore, the reduction in environmental impact is substantial, as Brazil's electrical grid is predominantly composed of renewable sources, and the UFPA grid includes various photovoltaic systems connected to it. This success of the SIMA project results in nearly 72 tons of CO2 being saved from the atmosphere annually, avoiding a considerable impact. Consequently, projects like SIMA should be replicated in cities worldwide to achieve greater sustainability.
In terms of simulation, it was concluded that monitoring the system through digital simulation is efficient, as the results confirmed the project parameters. Therefore, future work involving digital twins in this context deserves attention and can further contribute to advancements in electric mobility research.

Author Contributions

B.S.d.A. and A.L.L.d.N. developed the entire study in addition to conducting data acquisition, modeling and analysis of the results obtained. B.S.d.A. and A.L.L.d.N. wrote the original draft and edited the text, while M.E.d.L.T., U.H.B. and C.C.M.d.M.C. reviewed and supervised the study. Financial resources were guaranteed by Federal University of Para. All authors discussed the results and conclusions of the manuscript. All authors read and agreed to the published version of the manuscript.

Data Availability Statement

Not applicable.

Acknowledgments

The team would like to thank the support of the Pró-Reitoria de Administração (PROAD/UFPA), PROEX/UFPA, Projeto Gestão de Energia Elétrica (SISGEE/UFPA), Pos-Graduate Program in Electrical Engineering (PPGEE-UFPA), Centro de Excelência em Eficiência Energética da Amazônia (Ceamazon) and also Coordenação de Aperfeiçoamento de Pessoal de Nível Superior (CAPES).

Conflicts of Interest

The autors declare no conflict of interest.

References

  1. Daulatabad, N. A.; R, M.; M, B. M.; A, H. H.; Shankar, S. Smart Grid And The Importance Of Electric Vehicles, 2022 IEEE International Conference on Distributed Computing and Electrical Circuits and Electronics (ICDCECE), Ballari, India, 2022. [CrossRef]
  2. Ibrahim, M.S.; Dong, W.; Yang, Q. Machine learning driven smart electric power systems: Current trends and new perspectives. ELSEVIER: Applied Energy, 2020; 272. [Google Scholar]
  3. Eurostats. Avaliable online: https://ec.europa.eu/eurostat/statistics-explained/ (accessed on July 24, 2024).
  4. EPE - Empresa de Pesquisa Energética. Balanço Energético Nacional 2023. Brasília, DF: EPE, 2023.
  5. IEPA – Instituto de Pesquisa Econômica Aplicada. Política energética no BRICS: desafios da transição energética. Rio de Janeiro, RJ, 2023.
  6. Al-Ismail, F.S.; Alam, M.S.; Shafiullah, M.; Hossain, M.I.; Rahman, S.M. Impacts of Renewable Energy Generation on Greenhouse Gas Emissions in Saudi Arabia: A Comprehensive Review. Sustainability 2023, 15, 5069. [Google Scholar] [CrossRef]
  7. Icct – The Internetional Council on Clean Transportation. Available online: https://theicct.org/publication/a-global-comparison-of-the-life-cycle-greenhouse-gas-emissions-of-combustion-engine-and-electric-passenger-cars/ (accessed on July 24, 2024).
  8. Francisquini, S. A Infraestrutura para Utilização do Transporte Fluvial no Brasil e a Lei dos Portos. Revista Científica Semana Acadêmica, 2021. [Google Scholar]
  9. Gryparis, E.; Papadopoulos, P.; Leligou, H.C.; Psomopoulos, C.S.; Electric demand and carbon emission in power generation under high penetration of electric vehicles. A European Union perspective. ELSEVIER: Energy Reports, 2020, 6, 475–486. [Google Scholar]
  10. Tostes, M.E.L.; Souza, A.P.F.; Tabora, J.M.; Palheta, M.S.S.; Duarte, A.R.; Soares, T.M.; Nascimento, A. Aplicação dos objetivos do desenvolvimento sustentável na Amazônia: um estudo de caso na Universidade Federal Do Pará (UFPA). PRW 2023, 5, 365–379. [Google Scholar] [CrossRef]
  11. Kurniawa, A. A Review of Solar-Powered Boat Development. The Journal for Technology and Science 2016, 27, 185–192. [Google Scholar]
  12. Minak, G. Solar Energy-Powered Boats: State of the Art and Perspectives. J. Mar. Sci. Eng. 2023, 11, 1519. [Google Scholar] [CrossRef]
  13. Oliveira, M.; Suemitsu, W. Uma análise do desenvolvimento dos barcos solares. Conexões – Ciência E Tecnologia, 2017; 11, 101–108. [Google Scholar]
  14. Ibrahim, M.; Rassõlkin, A.; Vaimann, T.; Kallaste, A. Overview on Digital Twin for Autonomous Electrical Vehicles Propulsion Drive System. Sustainability 2022, 14, 601. [Google Scholar] [CrossRef]
  15. Yeon, H.; Eom, T.; Jang, K.; Yeo, J. DTUMOS, digital twin for large-scale urban mobility operating system. Scientific reports 2023. [Google Scholar] [CrossRef] [PubMed]
  16. Khalyasmaa, A.I.; Stepanova, A.I.; Eroshenko, S.A.; Matrenin, P.V. Review of the Digital Twin Technology Applications for Electrical Equipment Lifecycle Management. Mathematics 2023, 11, 1315. [Google Scholar] [CrossRef]
  17. Liu, Y.; Tu, X.; Chen, D.; Han, K.; Altintas, O.; Wang, H.; Xie, J. Visualization of Mobility Digital Twin: Framework Design, Case Study, and Future Challenges, 2023 IEEE 20th International Conference on Mobile Ad Hoc and Smart System (MASS), Toronto, Canada, 2023.
  18. Salleh, N.A.S.; Muda, W.M.M.; Umar, R. Optimization and Economic Analysis of Grid-Photovoltaic Electric Boat Charging Station in Kuala Terengganu, MATEC Web Conf., 2016, 74.
  19. Rassõlkin, A.; Vaimann, T.; Kallaste, A.; Kuts, V. Digital twin for propulsion drive of autonomous electric vehicle, 2019 IEEE 60th International Scientific Conference on Power and Electrical Engineering of Riga Technical University (RTUCON), Riga, Latvia, 2019, pp. 1-4. [CrossRef]
  20. Tang, C.; Tukker, A.; Sprecher, B.; Mogollon, J. M. Assessing the European Electric-Mobility Transition: Emissions from Electric Vehicle Manufacturing and Use in Relation to the EU Greenhouse Gas Emission Targets, Environmental Science & Technology 2022, 57.
  21. Namuduri, K. ; Digital Twin Approach for Integrated Airspace Management With Applications to Advanced Air Mobility, IEEE Open Journal of Vehicular Technology, 2023, 4, 693–700. 4.
  22. Lima, V.L. Articulação Entre Mobilidade Urbana e Meio Ambiente em Projetos Urbanos. Potencialidade de Redução de Mudanças Climáticas nos Projetos da Operação Urbana Rio Verde-Jacu, XIV SIIU Seminário Internacional de Investigação em Urbanismo, Madrid, Espanha, 2022. [CrossRef]
  23. Tabora, J.M.; Paixão Júnior, U.C.; Rodrigues, C.E.M.; Bezerra, U.H.; Tostes, M.E.d.L.; Albuquerque, B.S.d.; Matos, E.O.d.; Nascimento, A.A.d. Hybrid System Assessment in On-Grid and Off-Grid Conditions: A Technical and Economical Approach. Energies 2021, 14, 5284. [Google Scholar] [CrossRef]
  24. Leal Filho, W.; Abubakar, I.R.; Kotter, R.; Grindsted, T.S.; Balogun, A.L.; Salvia, A.L.; Aina, Y.A.; Wolf, F. Framing Electric Mobility for Urban Sustainability in a Circular Economy Context: An Overview of the Literature. Sustainability 2021, 13, 7786. [Google Scholar] [CrossRef]
  25. Cancela, A.; Lastra, R.; Suárez, V.; Sánchez, A. Design and Simulation of a Sustainable Photovoltaic Electric Plug-In Boat, European Journal of Sustainable Development 2016, 5.
  26. Borges, L.S.; Nobre, J.C.A.; Sousa, D.L.P.; Andrade, L.C.F. Construction of a new solar radiation profile and air temperature from known weather patterns for the city of Belém-PA, The Journal of Engineering and Exact Sciences 2023, 9.
  27. NORTE ENERGIA. Available online: https://www.norteenergiasa.com.br/pt-br/ped/projetos-de-ped-em-curso/mobilidade-eletrica (accessed on 30 September 2013).
  28. Nascimento, A.L.L.; Albuquerque, B.S.; Rozal Filho, E.O.; Jorge, L.R.M.; Carvalho, C.C.M.M.; Tostes, M.EL. Estimativa de payback de um sistema fotovoltaico híbrido para um prédio público educacional, 2023 XV Brazilian Conference on Quality of Power (CBQEE), São Luiz, Brazil, 2023, pp. 1-6. [CrossRef]
  29. DETIC Unicamp. Available online: https://www.detic.unicamp.br/softwares/matlab-2 (accessed on 27 July 2024).
  30. Instituto Politécnico de Bragança. Introdução ao Simulink. Available online: https://www.ipb.pt/~jpcoelho/CCD/documento.pdf (accessed on 27 July 2024).
  31. Ibbini, M.S.; Mansi, S.; Masadeh, M.A; Hajri, E.A. Simscape Solar Cells Model Analysis and Design, Computer Applications in Environmental Sciences and Renewable Energy 2014.
  32. Santos, W.J.P.; Albuquerque, B.S.; Nascimento, A.L.L.; Couto, G.A.S.; Carvalho, C.C.M.; Tostes, M.E.L.; Nascimento, A.A. Análise de Desempenho com Auxílio de Termograia: Estudo de Caso do Mirante do Rio, The XIV Latin-American Congress on Electricity Generation and Transmission – CLAGTEE 2022, Rio de Janeiro, Brazil, 2022.
  33. Yadav, P.; Kumar, N.; Chandel, S.S. Simulation and performance analysis of a 1kWp photovoltaic system using PVsyst, 2015 International Conference on Computation of Power, Energy Information and Communication (ICCPEIC), 2015, Melmaruvathur, India.
Figure 1. Keyword correlation tree of articles.
Figure 1. Keyword correlation tree of articles.
Preprints 114420 g001
Figure 2. Keyword correlation tree, annual classification.
Figure 2. Keyword correlation tree, annual classification.
Preprints 114420 g002
Figure 3. Topology of the SIMA Project.
Figure 3. Topology of the SIMA Project.
Preprints 114420 g003
Figure 4. Topology of the Solar Electric Boat.
Figure 4. Topology of the Solar Electric Boat.
Preprints 114420 g004
Figure 5. Example of an electric boat control system.
Figure 5. Example of an electric boat control system.
Preprints 114420 g005
Figure 6. Photovoltaic system of the electric boat highlighting the PVarray block in orange.
Figure 6. Photovoltaic system of the electric boat highlighting the PVarray block in orange.
Preprints 114420 g006
Figure 7. Current and power curves as a function of voltage for temperatures of 25ºC and 45ºC.
Figure 7. Current and power curves as a function of voltage for temperatures of 25ºC and 45ºC.
Preprints 114420 g007
Figure 8. Output voltage of the photovoltaic system.
Figure 8. Output voltage of the photovoltaic system.
Preprints 114420 g008
Figure 9. DC-DC converter in Simulink.
Figure 9. DC-DC converter in Simulink.
Preprints 114420 g009
Figure 10. DC-DC converter output voltage.
Figure 10. DC-DC converter output voltage.
Preprints 114420 g010
Figure 11. Battery bank represented in Simulink.
Figure 11. Battery bank represented in Simulink.
Preprints 114420 g011
Figure 12. Storage System Parameters.
Figure 12. Storage System Parameters.
Preprints 114420 g012
Figure 13. Storage System Discharge Curve.
Figure 13. Storage System Discharge Curve.
Preprints 114420 g013
Figure 14. Electric Inverter Block.
Figure 14. Electric Inverter Block.
Preprints 114420 g014
Figure 15. Inverter block parameters.
Figure 15. Inverter block parameters.
Preprints 114420 g015
Figure 16. Graph of voltage and current at the inverter output.
Figure 16. Graph of voltage and current at the inverter output.
Preprints 114420 g016
Figure 17. Block of three-phase motors for boat propulsion.
Figure 17. Block of three-phase motors for boat propulsion.
Preprints 114420 g017
Figure 18. Parameters of the Induction Machine Block.
Figure 18. Parameters of the Induction Machine Block.
Preprints 114420 g018
Figure 19. AC-DC Converter Subsystem.
Figure 19. AC-DC Converter Subsystem.
Preprints 114420 g019
Figure 20. AC-DC Converter Source.
Figure 20. AC-DC Converter Source.
Preprints 114420 g020
Figure 21. System for representing the physical parameters of the boat.
Figure 21. System for representing the physical parameters of the boat.
Preprints 114420 g021
Figure 22. Graph of Boat Speed in knots.
Figure 22. Graph of Boat Speed in knots.
Preprints 114420 g022
Figure 23. Graph boat speed in knots for full range.
Figure 23. Graph boat speed in knots for full range.
Preprints 114420 g023
Table 1. Physical Specifications.
Table 1. Physical Specifications.
Specifications Value
Length 12,3 m
Width 6 m
Weight of the structure 1386 kg
Table 2. Specifications of the Propulsion System.
Table 2. Specifications of the Propulsion System.
Parameters Value
Quantity of motors 2
Maximum mechanical power 24 kW
Nominal voltage 51 V
Total weight 118 kg
Table 3. Specifications of the Propulsion System.
Table 3. Specifications of the Propulsion System.
Parameters Value
Maximum PV power 6,7 kWp
Quantity of PV modules 20
Technology of PV modules Polycrystalline
Weight of PV system 430 kg
Total capacity of storage system 14760 Ah
Quantity of batteries 72
Table 4. Daily Cost of Boat Electricity.
Table 4. Daily Cost of Boat Electricity.
Fare Type Price (BRL/kWh) Price (USD/kWh) Grid Energy (kWh)
Single Rate R$ 0.88 $0.16 45.15
Peak R$ 3.59 $0.63 45.15
Off-Peak R$ 0.33 $0.06 45.15
Table 5. Metrics obtained in simulation for electrical energy generation and battery discharge.
Table 5. Metrics obtained in simulation for electrical energy generation and battery discharge.
PVOut (kWh/kWp/day) Ebatteries (kWh) Emodules (kWh)
4.21 47.23 28.20
Table 6. Consumption metrics, diesel price, and daily and monthly costs.
Table 6. Consumption metrics, diesel price, and daily and monthly costs.
Total daily consumption (l) Diesel Price (USD/l) Diesel daily cost (USD) Diesel monthly cost (USD)
61.6 $1.20 $73.66 $2,209.80
Disclaimer/Publisher’s Note: The statements, opinions and data contained in all publications are solely those of the individual author(s) and contributor(s) and not of MDPI and/or the editor(s). MDPI and/or the editor(s) disclaim responsibility for any injury to people or property resulting from any ideas, methods, instructions or products referred to in the content.
Copyright: This open access article is published under a Creative Commons CC BY 4.0 license, which permit the free download, distribution, and reuse, provided that the author and preprint are cited in any reuse.
Prerpints.org logo

Preprints.org is a free preprint server supported by MDPI in Basel, Switzerland.

Subscribe

Disclaimer

Terms of Use

Privacy Policy

Privacy Settings

© 2026 MDPI (Basel, Switzerland) unless otherwise stated