Submitted:
30 July 2024
Posted:
30 July 2024
You are already at the latest version
Abstract
Keywords:
1. Introduction
2. Materials and Methods
2.1. Overall Design of the Extended-Range Power Supply System
2.1.1. The Power Supply Architecture of the Extended-Range Electric Tractor
2.1.2. Hardware Design of the Extended-Range Power Supply System
2.1.2.1. 1. Hardware Architecture
2.1.2.2. 2. Determination of the DC Bus Voltage Level
2.1.2.3. 3. Hardware Selection
2.2. Control Design of the Extended-Range Power Supply System
2.2.1. General Overview of the Control Strategy of the Extended-Range Power Supply System
2.2.2. Mathematical Model of the Controlled Object of Extended-Range Power Supply System
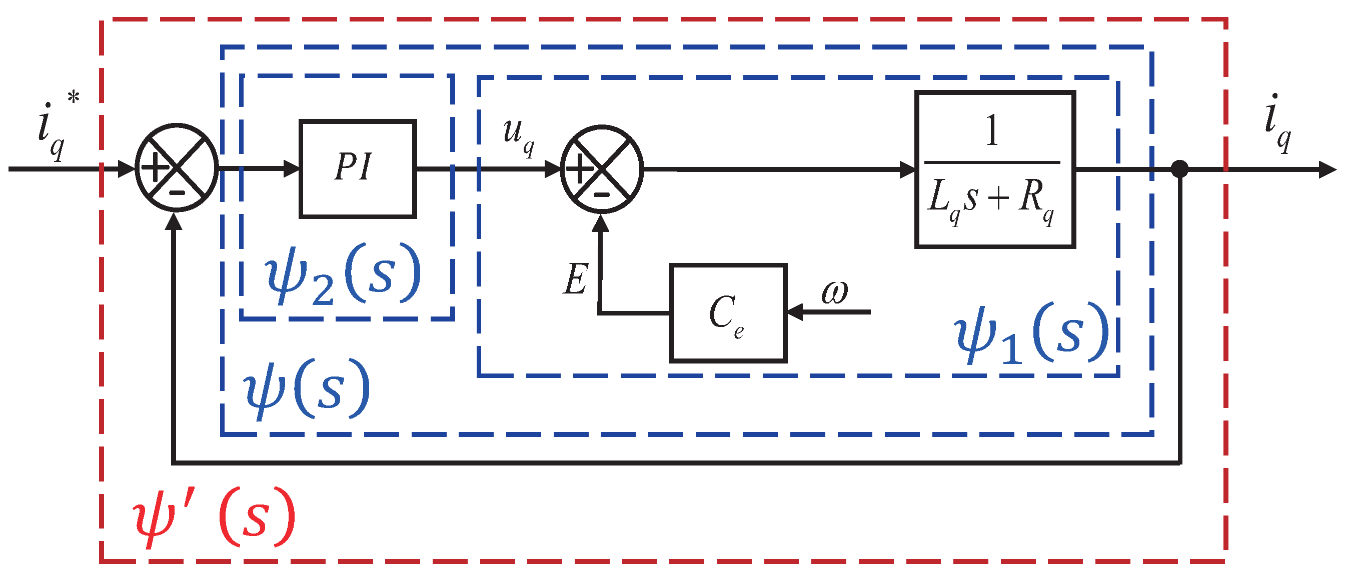
2.2.3. Design of Current Control for Extended-Range Power Supply System
2.2.4. Design of Voltage Control for Extended-Range Power Supply System
2.2.5. Design of Droop Control Parameters for Extended-Range Power Supply System
3. Results and Discussion
3.1. Experimental and Test Conditions
3.2. Current Loop Control Characteristics Experiment
3.3. Start-up Ramping
3.4. Voltage Loop Dynamic Control Characteristics Experiment
3.5. Droop Control Steady State Characteristics Experiment
4. Conclusions
Author Contributions
Funding
Institutional Review Board Statement
Data Availability Statement
Acknowledgments
Conflicts of Interest
Abbreviations
| SOC | State of Charge |
| BEMF | Back ElectroMotive Force |
| FOC | Field Orientation Control |
| PMSM | Permanent Magnet Synchronous Motor |
References
- Khatawkar, D.S.; James, P.S.; Dhalin, D. Modern trends in farm machinery-electric drives: A review. Int. J. Curr. Microbiol. App. Sci 2019, 8, 83–98.
- Mileusnić, Z.; Petrović, D.; Đević, M. Comparison of tillage systems according to fuel consumption. Energy 2010, 35, 221–228.
- Janulevičius, A.; Juostas, A.; Pupinis, G. Tractor’s engine performance and emission characteristics in the process of ploughing. Energy Conversion and Management 2013, 75, 498–508.
- Katrašnik, T. Hybridization of powertrain and downsizing of IC engine–A way to reduce fuel consumption and pollutant emissions–Part 1. Energy Conversion and Management 2007, 48, 1411–1423.
- Moreda, G.; Muñoz-García, M.; Barreiro, P. High voltage electrification of tractor and agricultural machinery–A review. Energy Conversion and Management 2016, 115, 117–131.
- Moghadasi, S.; Long, Y.; Jiang, L.; Munshi, S.; McTaggart-Cowan, G.; Shahbakhti, M. Design and performance analysis of hybrid electric class 8 heavy-duty regional-haul trucks with a micro-pilot natural gas engine in real-world highway driving conditions. Energy Conversion and Management 2024, 309, 118451.
- Deng, X.; Sun, H.; Lu, Z.; Cheng, Z.; An, Y.; Chen, H. Research on dynamic analysis and experimental study of the distributed drive electric tractor. Agriculture 2022, 13, 40.
- An, Y.; Wang, L.; Deng, X.; Chen, H.; Lu, Z.; Wang, T. Research on Differential Steering Dynamics Control of Four-Wheel Independent Drive Electric Tractor. Agriculture 2023, 13, 1758.
- Mao, Y.; Wu, Y.; Yan, X.; Liu, M.; Xu, L. Simulation and experimental research of electric tractor drive system based on Modelica. Plos one 2022, 17, e0276231.
- Zhang, X.; Tan, S.C.; Li, G.; Li, J.; Feng, Z. Components sizing of hybrid energy systems via the optimization of power dispatch simulations. Energy 2013, 52, 165–172.
- Wu, Z.; Wang, J.; Xing, Y.; Li, S.; Yi, J.; Zhao, C. Energy Management of Sowing Unit for Extended-Range Electric Tractor Based on Improved CD-CS Fuzzy Rules. Agriculture 2023, 13, 1303.
- Faria, R.; Moura, P.; Delgado, J.; De Almeida, A.T. A sustainability assessment of electric vehicles as a personal mobility system. Energy Conversion and Management 2012, 61, 19–30.
- Mousazadeh, H.; Keyhani, A.; Javadi, A.; Mobli, H.; Abrinia, K.; Sharifi, A. Life-cycle assessment of a Solar Assist Plug-in Hybrid electric Tractor (SAPHT) in comparison with a conventional tractor. Energy conversion and Management 2011, 52, 1700–1710.
- Li, J.; Wu, X.; Zhang, X.; Song, Z.; Li, W. Design of distributed hybrid electric tractor based on axiomatic design and Extenics. Advanced Engineering Informatics 2022, 54, 101765.
- Liu, M.; Lei, S.; Zhao, J.; Meng, Z.; Zhao, C.; Xu, L. Review of development process and research status of electric tractors. Trans. Chin. Soc. Agric. Mach 2022, 53, 348–364.
- Flórez-Orrego, D.; Silva, J.A.; de Oliveira Jr, S. Exergy and environmental comparison of the end use of vehicle fuels: The Brazilian case. Energy Conversion and Management 2015, 100, 220–231.
- Pali, H.S.; Kumar, N.; Alhassan, Y. Performance and emission characteristics of an agricultural diesel engine fueled with blends of Sal methyl esters and diesel. Energy conversion and management 2015, 90, 146–153.
- Liu, M.; Li, Y.; Xu, L.; Wang, Y.; Zhao, J. General modeling and energy management optimization for the fuel cell electric tractor with mechanical shunt type. Computers and Electronics in Agriculture 2023, 213, 108178.
- Li, X.; Xu, L.; Liu, M.; Yan, X.; Zhang, M. Research on torque cooperative control of distributed drive system for fuel cell electric tractor. Computers and Electronics in Agriculture 2024, 219, 108811.
- Yang, H.; Sun, Y.; Xia, C.; Zhang, H. Research on energy management strategy of fuel cell electric tractor based on multi-algorithm fusion and optimization. Energies 2022, 15, 6389.
- Chen, L.; Zhan, Q.; Wang, W.; Huang, X.; Zheng, Q. Design and experiment of electric drive system for pure electric tractor. Transactions of the Chinese Society for Agricultural Machinery 2018, 49, 388–94.
- Wang, B.; Sechilariu, M.; Locment, F. Intelligent DC microgrid with smart grid communications: Control strategy consideration and design. IEEE transactions on smart grid 2012, 3, 2148–2156.
- Wang, B.; Qiao, M.; Chu, X.; Shang, S.; Wang, D. Design and Experimental Study of Extended-Range Electric Caterpillar Tractor. Trans. Chin. Soc. Agric. Mach 2023, 54, 431–439.
- Dong, Z.; Qin, J.; Hao, T.; Li, X.; Chi, K.T.; Lu, P. Distributed cooperative control of DC microgrid cluster with multiple voltage levels. International Journal of Electrical Power & Energy Systems 2024, 159, 109996.
- Xiong, W.; Zhang, Y.; Yin, C. Optimal energy management for a series–parallel hybrid electric bus. Energy conversion and management 2009, 50, 1730–1738.
- Marzougui, H.; Kadri, A.; Martin, J.P.; Amari, M.; Pierfederici, S.; Bacha, F. Implementation of energy management strategy of hybrid power source for electrical vehicle. Energy Conversion and Management 2019, 195, 830–843.
- Liu, J.; Xia, C.; Jiang, D.; Sun, Y. Development and testing of the power transmission system of a crawler electric tractor for greenhouses. Applied Engineering in Agriculture 2020, 36, 797–805.
- Li, M.; Xu, H.; Li, W.; Liu, Y.; Li, F.; Hu, Y.; Liu, L. The structure and control method of hybrid power source for electric vehicle. Energy 2016, 112, 1273–1285.
- Yu, Y.; Hao, S.; Guo, S.; Tang, Z.; Chen, S. Motor Torque Distribution Strategy for Different Tillage Modes of Agricultural Electric Tractors. Agriculture 2022, 12, 1373.
- Alegria, E.; Brown, T.; Minear, E.; Lasseter, R.H. CERTS microgrid demonstration with large-scale energy storage and renewable generation. IEEE Transactions on Smart Grid 2013, 5, 937–943.
- Justo, J.J.; Mwasilu, F.; Lee, J.; Jung, J.W. AC-microgrids versus DC-microgrids with distributed energy resources: A review. Renewable and sustainable energy reviews 2013, 24, 387–405.
- Hou, X.; Zhang, X.; Huang, S.; Xu, P.; Shen, J. Measurement of engine performance and maps-based emission prediction of agricultural tractors under actual operating conditions. Measurement 2023, 222, 113637.
- Ren, G.; Wang, J.; Chen, C.; Wang, H. A variable-voltage ultra-capacitor/battery hybrid power source for extended range electric vehicle. Energy 2021, 231, 120837.
- Cao, X.; Han, M.; Nee, H.P.; Yan, W. A new method for simplifying complex DC systems and obtaining the controller droop coefficients. IEEE Transactions on Power Systems 2021, 37, 996–1006.
- Ahmed, K.; Hussain, I.; Seyedmahmoudian, M.; Stojcevski, A.; Mekhilef, S. Voltage stability and power sharing control of distributed generation units in DC microgrids. Energies 2023, 16, 7038.
- Lee, H.S.; Kim, J.S.; Park, Y.I.; Cha, S.W. Rule-based power distribution in the power train of a parallel hybrid tractor for fuel savings. International Journal of Precision Engineering and Manufacturing-Green Technology 2016, 3, 231–237.















| Name | Parameters(Units) | Value |
|---|---|---|
| ]7*Generator | Rated power(kW) | 10 |
| Rated current(A) | 53.39 | |
| Rated speed(r/min) | 3000 | |
| Frequency(Hz) | 100 | |
| Pole pair | 2 | |
| Armature resistance() | 0.07 | |
| Armature inductance(mH) | 0.84 | |
| ]2*Prime mover | Rated power(kW) | 10.67 |
| Rated speed(r/min) | 2200 | |
| ]8*AC-DC Converter | Rated voltage on the DC side(V) | 400 |
| Rated current on the DC side(A) | 25 | |
| Switching frequency(kHz) | 8 | |
| ]3*Control functions | Current closed-loop control | |
| Voltage closed-loop control | ||
| droop control |
| Load level name | Resistance value() | Corresponding power(kW) |
|---|---|---|
| Load1 | 160 | 1 |
| Load2 | 80 | 2 |
| Load3 | 32 | 5 |
| Load4 | 16 | 10 |
Disclaimer/Publisher’s Note: The statements, opinions and data contained in all publications are solely those of the individual author(s) and contributor(s) and not of MDPI and/or the editor(s). MDPI and/or the editor(s) disclaim responsibility for any injury to people or property resulting from any ideas, methods, instructions or products referred to in the content. |
© 2024 by the authors. Licensee MDPI, Basel, Switzerland. This article is an open access article distributed under the terms and conditions of the Creative Commons Attribution (CC BY) license (http://creativecommons.org/licenses/by/4.0/).