Submitted:
02 July 2024
Posted:
02 July 2024
You are already at the latest version
Abstract
Keywords:
1. Introduction
2. Problem Statement
- 1.
- Calculate function (6) of intersections at the trial step:
- 2.
- Numerically calculate increment of function (5) at the current i trial step:
- 3.
- Determine a predicate for the presence of an event of a given type (increase, decrease, both) at the current trial step. For an increase, we have:For a decrease, we have:
- 4.
- Calculate the upper limit of the step at the k+1 trial iteration of the integration methodwhere is the step reduction factor at iterations, taken equal to 0.55; is the integration step at the current trial step; is the value of function (5) at the previous accepted integration step; is the minimum specified integration step; is the step obtained by extrapolation method, if the event is not recorded at the intermediate step, which is calculated aswhere the extrapolation estimate of the integration step is calculated by the formulawhere
- 5.
- If the integration step at the next trial step satisfies the calculated upper constraint and exceeds the minimum specified integration step, then the integration method stops executing trial steps and performs the accepted step, provided the specified accuracy in the dynamic and algebraic state variables is satisfied
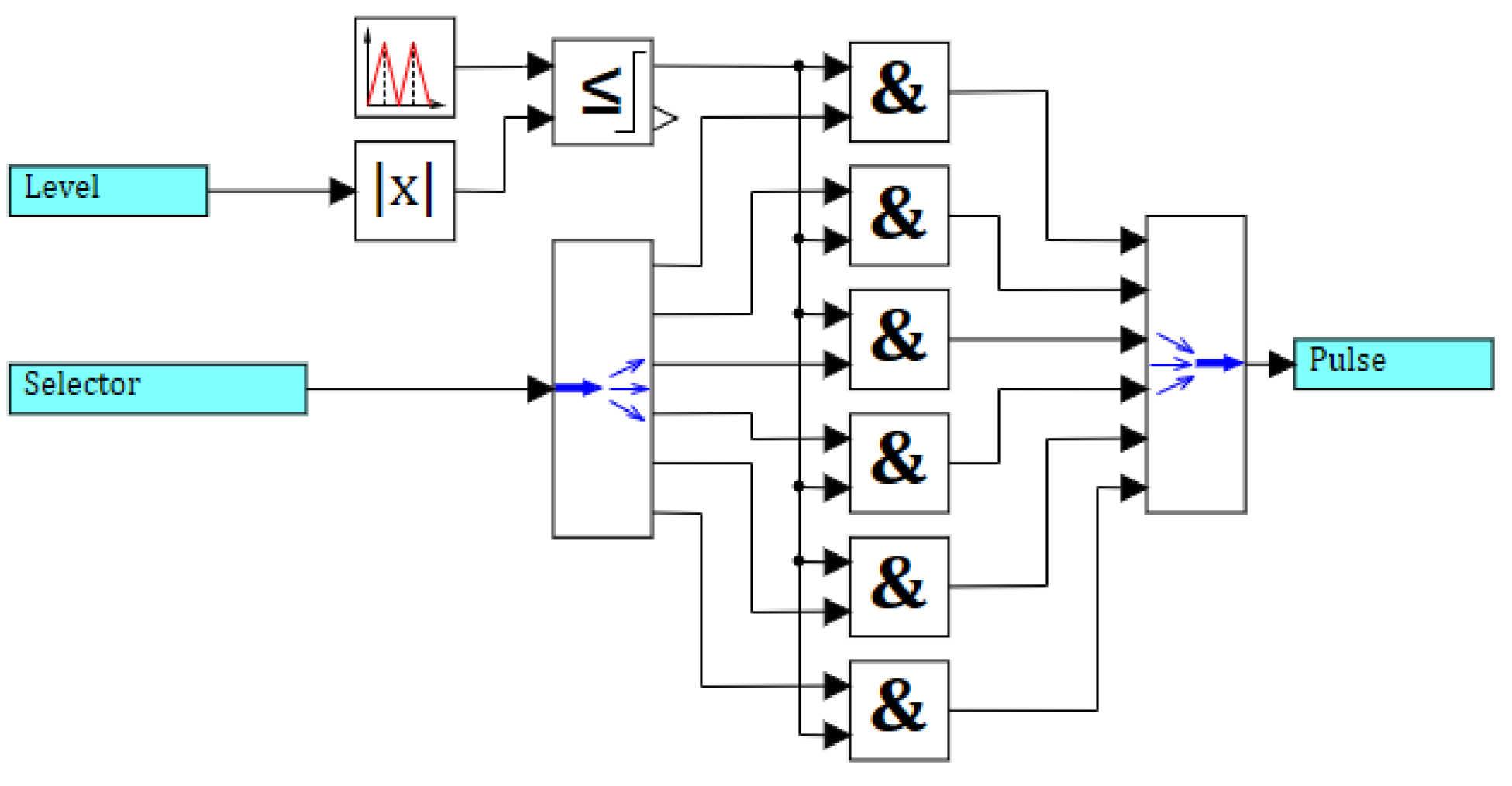
3. Testing the Detection Algorithm
4. Cross-Verification of the Intersection Detection Algorithm
5. A Complex Electric Drive Model
6. Experimental Verification of the Electric Drive Model
- Inverter model;
- Electric motor model;
- Mechanical transmission model.
- 1.
- No-load test:
- An unloaded motor controlled by rotor position sensor (RPS), with a nominal power supply (54.5V), accelerated to real idle speed.
- The motor phase speed and current were measured.
- Similar conditions were simulated in SimInTech and the modeling results were compared with the experiment.
- 2.
- Static load test:
- The RPS controlled motor was loaded to its nominal value using a load machine, with a nominal power supply (54.5V).
- The motor phase speed and current were measured.
- Similar conditions were modeled in SimInTech and the modeling results were compared with the experiment.
- 3.
- At the second stage, the mechanical transmission model was verified. The motor was connected to the mechanical transmission of the electric drive, and the dynamic impact response experiment was performed:
- The inverter was powered with a voltage of 54.5V.
- A torque command was issued to a RPS -controlled motor in the form of a bipolar square wave of maximum amplitude of various frequencies.
- The position of the output rod of the electric drive and the inverter shunt current were measured.
- Similar conditions were simulated in SimInTech and the modeling results were compared with the experiment.
6. Conclusions
Author Contributions
Funding
Data Availability Statement
Conflicts of Interest
References
- X. Meng, Q. Duan, G. Sha; C. Zhao, H. Wang, X. Wang, Z. Lan, “An Efficiency Improvement Strategy for Triple-Active-Bridge-Based DC Energy Routers in DC Microgrids”, Electronics 2024, 13, 1172. [CrossRef]
- Y. Hakam, A. Gaga, M. Tabaa, B. El Hadadi, “Enhancing Electric Vehicle Charger Performance with Synchronous Boost and Model Predictive Control for Vehicle-to-Grid Integration”, Energies 2024, 17, 1787. [CrossRef]
- J. Kim, M.-H. Nguyen, S. Kwak, S. Choi, “Lifetime Extension Method for Three-Phase Voltage Source Converters Using Discontinuous PWM Scheme with Hybrid Offset Voltage”, Machines 2023, 11, 612. [CrossRef]
- Zahaf, S. Bouden, M. Chadli, I. Boulkaibet, B. Neji, N. Khezami, “Dynamic Sensorless Control Approach for Markovian Switching Systems Applied to PWM DC–DC Converters with Time-Delay and Partial Input Saturation”, Sensors 2023, 23, 6936. [CrossRef]
- T. A. Sakharuk, B. Lehman, A. M. Stankovic and G. Tadmor, “Effects of finite switching frequency and computational delay on PWM controlled servo DC drives,” IAS '97. Conference Record of the 1997 IEEE Industry Applications Conference Thirty-Second IAS Annual Meeting, New Orleans, LA, USA, 1997, pp. 699-706 vol.1. [CrossRef]
- S. Zeng, Q. Zhou, S. Yu, L. Zhu, J. Zhu, H. Fu, “A Three-Level RF-PWM Method Based on Phase-Shift Control and MPWM for ADTx”, Electronics 2022, 11, 2905. [CrossRef]
- Z. Zhou, J. Song, Y. Yu, Q. Xu, X. Zhou, “Research on High-Quality Control Technology for Three-Phase PWM Rectifier”, Electronics 2023, 12, 2417. [CrossRef]
- R.Abdullah, M. B. Smida, A. Thamallah, A. Khalaf, A. Sakly, “Novel DQ-Based Multicarrier PWM Strategy for a Single-Phase F-Type Inverter”, Electronics 2023, 12, 2972. [CrossRef]
- M. Madhavan, C. Nallaperumal, Md. J. Hossain, “Segment Reduction-Based Space Vector Pulse Width Modulation for a Three-Phase F-Type Multilevel Inverter with Reduced Harmonics and Switching States”, Electronics 2023, 12, 4035. [CrossRef]
- K. B. Tawfiq, A.S. Mansour, P. Sergeant, “Comparison of 2L + 2M and 6L SVPWM for Five-Phase Inverter to Reduce Common Mode Voltage”, Electronics 2023, 12, 3979. [CrossRef]
- M. Fernandez, E. Robles, I. Aretxabaleta, I. Cortabarria, J. Andrew, J. L. Martín, “A 3D Reduced Common Mode Voltage PWM Algorithm for a Five-Phase Six-Leg Inverter”, Machines 2023, 11, 532. [CrossRef]
- S.-K. Lim, J.-H. Park, H.-S. Jun, K.-B. Hwang, C. Hwangbo, J.-H. Lee, “High-Speed Tracking Controller for Stable Power Control in Discontinuous Charging Systems”, Electronics 2023, 13, 183. [CrossRef]
- X. Wang, Q. Zhou, M. Wang, H. Fu, “An Outphasing Architecture Based on Parallel Radio Frequency–Pulse Width Modulation Method for All-Digital Transmitter”, Electronics 2024, 13, 263. [CrossRef]
- Hou, J. Qi, H. Li, “Robust Direct Power Control of Three-Phase PWM Rectifier with Mismatched Disturbances”, Electronics 2024, 13, 1476. [CrossRef]
- X. Guo, J. Qiao, Y. Li, S. Jiao, “A Robust Switching Control Strategy for Three-Phase Voltage Source Converters with Uncertain Circuit Parameters”, Energies 2024, 17, 1832. [CrossRef]
- E. C. Renz, J. Turso, “Toward the Application of Pulse Width Modulated (PWM) Inverter Drive-Based Electric Propulsion to Ice Capable Ships”, Energies 2022, 15, 8217. [CrossRef]
- R. I. Viera Diaz; C. Nuñez, N. Visairo Cruz, J. Segundo Ramírez, “A Polynomial Synthesis Approach to Design and Control of an LCL-Filter-Based PWM Rectifier with Extended Functions Validated by SIL Simulations”, Energies 2023, 16, 7382. [CrossRef]
- Ma, L. Chai, J. Lu, S. Sun, “Pulse Width Modulation-Controlled Switching Impedance for Wireless Power Transfer”, Energies 2023, 16, 8103. [CrossRef]
- T.A. Do, Q. D. Nguyen, P. Vu, M. D. Ngo, S.-J. Ahn, “Comparative Analysis of PWM Techniques for Interleaved Full Bridge Converter in an AC Battery Application”, Energies 2024, 17, 375. [CrossRef]
- K. Kroičs, A. Būmanis, “BLDC Motor Speed Control with Digital Adaptive PID-Fuzzy Controller and Reduced Harmonic Content”, Energies 2024, 17, 1311. [CrossRef]
- B. K. Chemodanov, “Servo drives: In 3 volumes / ed. - 2nd ed., add. and processed [Sledyashhie privody: V 3 t. / red. - 2-e izd., dop. i pererab.]” (in Russian), M.: Publishing house of BMSTU, 1999.
- Hairer and G. Wanner, “Solving Ordinary Differential Equations II: Stiff and Differential Algebraic Problems”, Springer-Verlag, second revised edition, 1996.
- L. M. Skvortsov, “Numerical solution of ordinary differential and differential-algebraic equations [Chislennoye resheniye obyknovennykh differentsial'nykh i differentsial'no-algebraicheskikh uravneniy],” (in Russian), DMK Press, ISBN: 978-5-97060-636-0, pp. 5–225, 2018.
- A. Popov, Yu. V. Shornikov, “Detection of events of various types in hybrid dynamic systems [Detektsiya sobytiy raznogo tipa v gibridnykh dinamicheskikh sistemakh]”, (in Russian), Data Analysis and Processing Systems, no. 4 (80), 2020.
- B. A. Kartashov; et al., “The environment for dynamic modeling of technical systems SimInTech: A workshop on modeling automatic control systems [Sreda dinamicheskogo modelirovaniya tekhnicheskikh sistem SimInTech : Praktikum po modelirovaniyu sistem avtomaticheskogo regulirovaniya],” (in Russian), Moscow, DMK Press, ISBN 978-5-97060-482-3, pp. 90–200, 2017.
- A. Novikov, Yu. V. Shornikov, “Computer simulation of stiff hybrid systems: Monograph [Komp`yuternoe modelirovanie zhestkix gibridny`x sistem: Monografiya].” (in Russian), Publishing house – NSTU, Novosibirsk, 451 p., ISBN 978-5-7782-2023-2, 2013.
- J. Esposito, V. Kumar, G. J. Pappas, “Accurate event detection for simulating hybrid systems“, In: Hybrid Systems: Computation and Control (HSCC). Volume LNCS 2034, Springer–Verlag, 1998.
- L. M. Skvortsov, “Construction and analysis of explicit adaptive one-step methods for numerical solution of stiff problems [Postroyeniye i analiz yavnykh adaptivnykh odnoshagovykh metodov chislennogo resheniya zhestkikh zadach]”, (in Russian), Journal of Computational Mathematics and Mathematical Physics [Zhurnal vychislitel'noy matematiki i matematicheskoy fiziki], 2020, vol. 60, no. 7, pp. 1111-1125. [CrossRef]
- Hayder Almukhtar-Abbood, “A Review of Intelligent Techniques Based Speed Control of Brushless DC Motor (BLDC) “, Basrah Journal for Engineering Sciences, Vol. 24, No. 1, pp. 109-119, 2024.
- В. R. Boustead, “Special stability analysis for the Shichman formula“, Electronics Letters, 1971, v. 7, № 5/6, p. 127-129.
























| Parameter | ISMA 2007 | SimInTech reference |
SimInTech without detection |
SimInTech with intersection refinement | SimInTech with intersection refinement and specification of step for discrete blocks |
|---|---|---|---|---|---|
| Integration method | STEKS | ARK32v1 | |||
| Number of function calls | 6 425 | 3 028 | 2 195 | 1 630 | 1 865 |
| Number of integration steps | 1 285 | 1 109 | 479 | 330 | 377 |
| Number of trial steps | n/a | 169 | 202 | 22 | 22 |
| Standard deviation | n/a | 0 | 0.03011187 | 0.015199124 | 0.0000393341 |
| Method | Euler | ARK21 with detection |
SimInTech without detection |
|---|---|---|---|
| Position at the end of the modeling | 0.00999914934636218 | 0.0100026831685805 | 0.0100020459415512 |
| 4 530 403 | 1 701 481 | 1 133 284 | |
| , s | 60.7 | 18.29 | 11.98 |
| Parameter | Value |
|---|---|
| Position at the end of the modeling | 0.3 ohm |
| Winding resistance | 0.00027 H |
| Winding inductance | 0.0137 Wb |
| Rotor flux linkage | 2 |
| Number of pole pairs | 4.45∙10 -6 kg m2 |
| Moment of inertia | 0.3 ohm |
| Parameter | Value |
|---|---|
| Friction coefficient on the motor shaft | 0.00001 |
| Motor - gearbox backlash | 0.013 (rad) |
| Gearbox moment of inertia | 0.00000276 |
| Gearbox transmission ratio | 3.3 |
| Gearbox – ball screw backlash | 0.0063 |
| Ball screw moment of inertia | 0.00000914 |
| Ball screw transmission ratio | 1 571 |
Disclaimer/Publisher’s Note: The statements, opinions and data contained in all publications are solely those of the individual author(s) and contributor(s) and not of MDPI and/or the editor(s). MDPI and/or the editor(s) disclaim responsibility for any injury to people or property resulting from any ideas, methods, instructions or products referred to in the content. |
© 2024 by the authors. Licensee MDPI, Basel, Switzerland. This article is an open access article distributed under the terms and conditions of the Creative Commons Attribution (CC BY) license (http://creativecommons.org/licenses/by/4.0/).