Submitted:
26 June 2024
Posted:
27 June 2024
You are already at the latest version
Abstract
Keywords:
1. Introduction
2. Materials and Methods
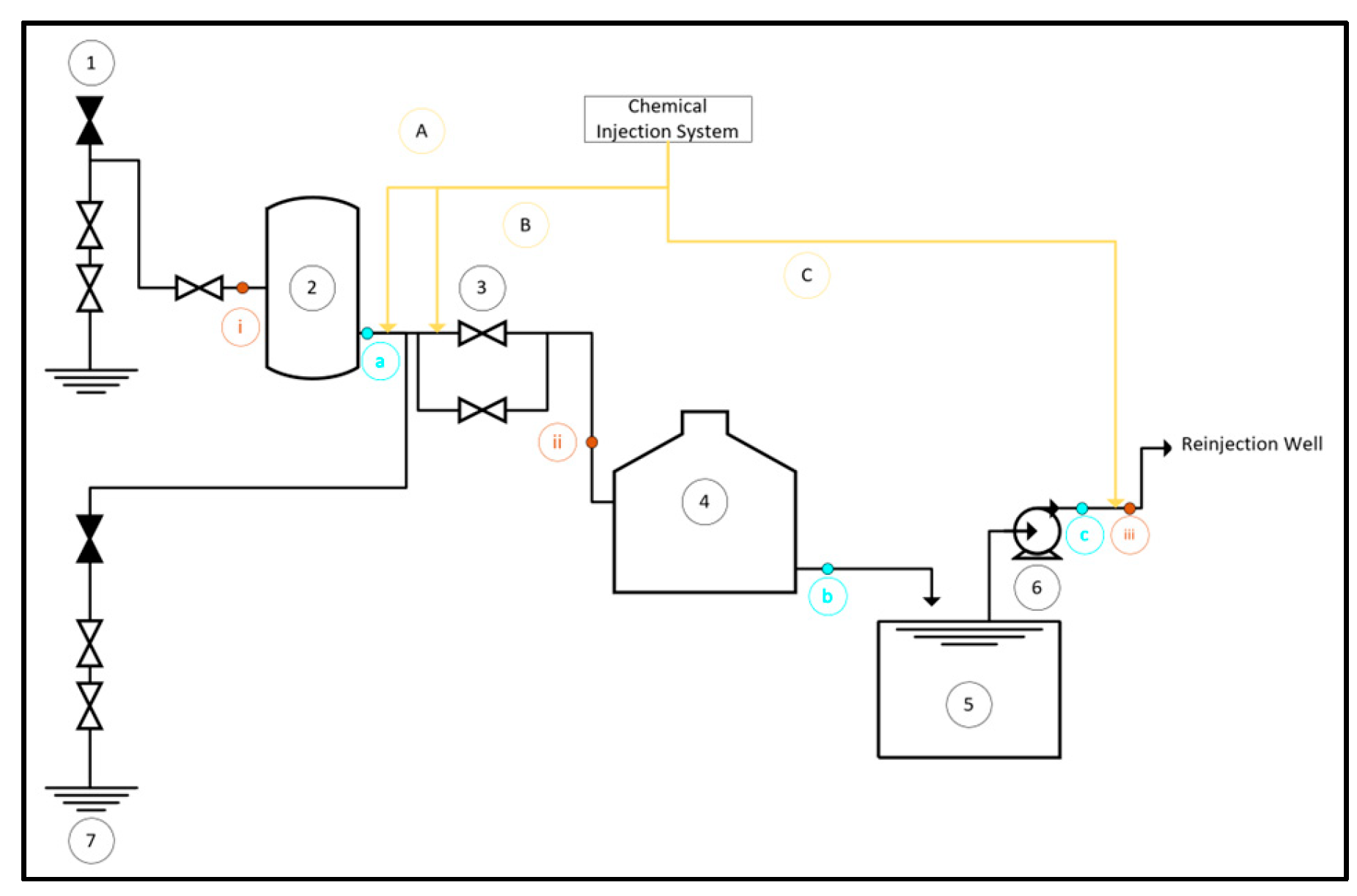
2.1. Pilot Test Facility
2.2. Chemical Injection System
2.3. Laboratory Test
3. Results
3.1. Silica Molybdate Test
3.2. Scale Coupon Analysis
4. Analysis and Discussion
4.1. Comparison Between Brine Acidification Method and Antiscalant
4.2. Decision Tree Analysis

5. Conclusions
Author Contributions
Funding
Data Availability Statement
Conflicts of Interest
References
- Nasruddin; Idrus Alhamid, M.; Daud, Y.; Surachman, A.; Sugiyono, A.; Aditya, H.B.; Mahlia, T.M.I. Potential of Geothermal Energy for Electricity Generation in Indonesia: A Review. Renewable and Sustainable Energy Reviews 2016, 53.
- MEMR RUPTL PT. PLN (PERSERO) 2021-2030; 2021.
- Presidential Decree Presidential Decree No. 22 Year 2017 on National Energy General Plan; 2017.
- Spitzmüller, L.; Goldberg, V.; Held, S.; Grimmer, J.C.; Winter, D.; Genovese, M.; Koschikowski, J.; Kohl, T. Selective Silica Removal in Geothermal Fluids: Implications for Applications for Geothermal Power Plant Operation and Mineral Extraction. Geothermics 2021, 95, 102141. [Google Scholar] [CrossRef]
- Gan, H.; Liu, Z.; Wang, X.; Zhang, Y.; Liao, Y.; Zhao, G.; Zhao, J.; Liu, Z. Effect of Temperature and Acidification on Reinjection of Geothermal Water into Sandstone Geothermal Reservoirs: Laboratory Study. Water (Switzerland) 2022, 14. [Google Scholar] [CrossRef]
- Zhao, H.; Huang, Y.; Deng, S.; Wang, L.; Peng, H.; Shen, X.; Ling, D.; Liu, L.; Liu, Y. Research Progress on Scaling Mechanism and Anti-Scaling Technology of Geothermal Well System. J Dispers Sci Technol 2023, 44. [Google Scholar] [CrossRef]
- Iler, R.K. The Chemistry of Silica: Solubility, Polymerization, Colloid and Surface Properties, and Biochemistry. Lavoisierfr 1979. [Google Scholar] [CrossRef]
- Fournier, O.R. Estimation of Underground Temperatures from the Silica Content of Water from Hot Springs and Wet-Steam Wells. Amer. J. Sci. 1966, 264, 685–697. [Google Scholar] [CrossRef]
- Henley, R.W. PH and Silica Scaling Control in Geothermal Field Development. Geothermics 1983, 12, 307–321. [Google Scholar] [CrossRef]
- Akhmad Sofyan, A.S.; Hari Sumantri Aka, H.S.A.; Suranta, B.Y.; Ratasya, S.M.A. Analysis of Scale Saturation Index (SSI), Scale Formation Rate, and Scale Formation Time Based on Geothermal Production Well Head Pressure at Well “X. ” Indonesian Journal of Energy and Mineral 2021, 1. [Google Scholar] [CrossRef]
- Weres, O.; Yee, A.; Tsao, L. EQUATIONS AND TYPE CURVES FOR PREDICTING THE POLYMERIZATION OF AMORPHOUS SILICA IN GEOTHERMAL BRINES. Society of Petroleum Engineers journal 1982, 22. [Google Scholar] [CrossRef]
- Setiawan, F.A.; Rahayuningsih, E.; Petrus, H.T.B.M.; Nurpratama, M.I.; Perdana, I. Kinetics of Silica Precipitation in Geothermal Brine with Seeds Addition: Minimizing Silica Scaling in a Cold Re-Injection System. Geothermal Energy 2019, 7. [Google Scholar] [CrossRef]
- Juhri, S.; Yonezu, K.; Harijoko, A.; Nurpratama, M.I.; Yokoyama, T. Diverse Scale Deposition in Response to the Change in Chemical Properties of Geothermal Water at the Dieng Geothermal Power Plant, Indonesia. Geothermics 2023, 111. [Google Scholar] [CrossRef]
- Utami, W.S.; Herdianita, N.R.; Atmaja, R.W. The Effect of Temperature and PH on the Formation of Silica Scaling of Dieng Geothermal Field, Central Java, Indonesia; 2014.
- Dwivedi, D.; Lepková, K.; Becker, T. Carbon Steel Corrosion: A Review of Key Surface Properties and Characterization Methods. RSC Adv 2017, 7, 4580–4610. [Google Scholar] [CrossRef]
- Kamila, Z.; Kaya, E.; Zarrouk, S.J. Reinjection in Geothermal Fields: An Updated Worldwide Review 2020. Geothermics 2021, 89. [Google Scholar] [CrossRef]
- Driscoll, C.T.; Lawrence, G.B.; Bulger, A.J.; Butler, T.J.; Cronan, C.S.; Eagar, C.; Lambert, K.F.; Likens, G.E.; Stoddard, J.L.; Weathers, K.C. Acidic Deposition in the Northeastern United States: Sources and Inputs, Ecosystem Effects, and Management Strategies THE EFFECTS OF ACIDIC DEPOSITION IN THE NORTHEASTERN UNITED STATES INCLUDE THE ACIDIFICATION OF SOIL AND WATER, WHICH STRESSES TERRESTRIAL AND AQUATIC BIOTA; 2001; Vol. 51.
- Hauksson, T.; Widianto, H.; Mukti, A.W.; Sigmarsson, Þ. Dieng Geothermal Field: Testing of the Effectiveness of PH Modification for the Mitigation of Silica and Arsenic-Sulfide Scaling in Heat Extraction Process Using a Pilot Plant; 2023.
- Harrar, J.E.; Locke, F.E.; Otto, C.H., Jr.; Lorensen, L.E.; Monaco, S.B.; Frey, W.P. Field Tests of Organic Additives for Scale Control at the Salton Sea Geothermal Field. Society of Petroleum Engineers Journal 1982, 22, 17–27. [Google Scholar] [CrossRef]
- Ikeda, R.; Ueda, A. Experimental Field Investigations of Inhibitors for Controlling Silica Scale in Geothermal Brine at the Sumikawa Geothermal Plant, Akita Prefecture, Japan. Geothermics 2017, 70, 305–313. [Google Scholar] [CrossRef]
- Gallup, D.L. Investigations of Organic Inhibitors for Silica Scale Control in Geothermal Brines. Geothermics 2002, 31. [Google Scholar] [CrossRef]
- Mejorada, A. V; Garcia, S.E.; Jordan, O.T.; Reyes, R.L.; Barroca, G.B.; Pamatian, P.I.; Lim, P.G. A Silica Scale Inhibitor, Geogard SX, Testing at the Southern Negros Geothermal Production Field; 2000; Vol. 24.
- Gallup, D.L.; Barcelon, E. Investigations of Organic Inhibitors for Silica Scale Control from Geothermal Brines-II. Geothermics 2005, 34, 756–771. [Google Scholar] [CrossRef]
- Baltazar, A.D.; See, F.S.; De Guzman, R.C.; Solis, R.P.; Salonga, N.D.; Ogena, M.S.; Patel, S.; Lee, L.; Ooi, A. Geothermal Silica Scale Inhibition and Control Using Phosphino Carboxylic Acid Copolymer in Bacon-Manito Geothermal Business Unit Energy Development Corporation 2 BWA Water Additives; 2014; Vol. 38.
- Rothbaum, H.P.; Anderton, B.H.; Harrison, R.F.; Rohde, A.G.; Slatter, A. Effect of Silica Polymerisation and PH on Geothermal Scaling. Geothermics 1979, 8, 1–20. [Google Scholar] [CrossRef]
- Belas-Dacillo, K.; De Leon, A.C.; Panopio, A.C.R.; Advincula, R.C. Evaluating Protective Coatings and Metal Alloys in Acidic Geothermal Fluids Using Laboratory Techniques. World Geothermal Congress 2015 2015. [Google Scholar]
- Milicich, S.D.; Clark, J.P.; Wong, C.; Askari, M. A Review of the Kawerau Geothermal Field, New Zealand. Geothermics 2016, 59, 252–265. [Google Scholar] [CrossRef]
- Fukuyama, M.; Chen, F. Geochemical Characteristics of Silica Scales Precipitated from the Geothermal Fluid at the Onuma Geothermal Power Plant in Japan. Journal of Mineralogical and Petrological Sciences 2021, 116, 159–169. [Google Scholar] [CrossRef]
- Villaseñor, L.B.; Calibugan, A.A. Silica Scaling in Tiwi-Current Solutions; 2011.
- Project Management Institute “THE STANDARD FOR PROJECT MANAGEMENT AND A GUIDE TO THE PROJECT MANAGEMENT BODY OF KNOWLEDGE”; 2021.
- Maceika, A.; Bugajev, A.; Šostak, O.R.; Vilutienė, T. Decision Tree and AHP Methods Application for Projects Assessment: A Case Study. Sustainability (Switzerland) 2021, 13. [Google Scholar] [CrossRef]
- Pambudi, N.A.; Itoi, R.; Yamashiro, R.; CSS Syah Alam, B.Y.; Tusara, L.; Jalilinasrabady, S.; Khasani, J. The Behavior of Silica in Geothermal Brine from Dieng Geothermal Power Plant, Indonesia. Geothermics 2015, 54, 109–114. [Google Scholar] [CrossRef]
- Sicad, J. Tiwi Geothermal Brine Injection Surface Facility Development as Response to Changing Subsurface Conditions; 2015.
- Remoroza, A.I.; Doroodchi, E.; Moghtaderi, B. Corrosion Inhibition of Acid-Treated Geothermal Brine-Results from Pilot Testing in Southern Negros, Philippines; 2010.
- Rivera Diaz, A.; Kaya, E.; Zarrouk, S.J. Reinjection in Geothermal Fields: A Worldwide Review Update; 2015.
- Thasril, M. LAPORAN JASA KAJIAN OPERASIONAL CHEMICAL ANTISCALANT PAD 10 DAN 33 DIENG UNIT 1 PT GEO DIPA ENERGI (PERSERO); 2024.
- Kölbel, L.; Kölbel, T.; Herrmann, L.; Kaymakci, E.; Ghergut, I.; Poirel, A.; Schneider, J. Lithium Extraction from Geothermal Brines in the Upper Rhine Graben: A Case Study of Potential and Current State of the Art. Hydrometallurgy 2023, 221, 106131. [Google Scholar] [CrossRef]




| Point | Location | Dosage, ppm |
| A | Separator Outlet | 5 |
| B | Before LCV | 3 |
| C | Brine Pump Outlet | 2 |
| Point | Location |
| Silica-Molybdate | |
| a | Separator Outlet |
| b | AFT Outlet |
| c | Brine Pump Outlet |
| Scale Coupon | |
| i | Separator Inlet |
| ii | AFT Inlet |
| iii | Brine Pump Outlet |
| Sample Point (x) | Si Con. (mg/L) |
RPI | TSS (mg/L) |
| a | 775 | 20,33 | 36,42 |
| b | 400 | 18,01 | 35,49 |
| c | 277 | 14,57 | 31,77 |
| Sample Point (x) | Inhibitor A Dosage (ppm) Silica Concentration (mg/L) |
|||
| 7 | 10 | 20 | 25 | |
| a | 749 | 752 | 768 | 768 |
| b | 532 | 709 | 754 | 754 |
| c | 417 | 528 | 652 | 653 |
| Month / Location (x) | Si (mg/L) |
Dissolved Si |
|---|---|---|
| Month 1 | ||
| a | 896,19 | Reference |
| b | 533,57 | 60% |
| c | 254,76 | 28% |
| Month 2 | ||
| a | 926,93 | Reference |
| b | 543,04 | 59% |
| c | 257,39 | 28% |
| Month 3 | ||
| a | 869,33 | Reference |
| b | 511,00 | 59% |
| c | 244,00 | 28% |
| Month / Location | Si (mg/L) |
Dissolved Si |
|---|---|---|
| a | 1179 | Reference |
| b | 1021 | 87% |
| c | 892 | 76% |
| Separator Inlet | ||
| Day 1 | 17,5028 | gram |
| Day 36 | 18,5157 | gram |
| Scaling Rate | 0,99 | mm/year |
| AFT Inlet | ||
| Day 1 | 17,9631 | gram |
| Day 70 | 19,2043 | gram |
| Scaling Rate | 0,62 | mm/year |
| Brine Pump Outlet | ||
| Day 1 | 19,0566 | gram |
| Day 31 | 20,5522 | gram |
| Scaling Rate | 1,70 | mm/year |
Disclaimer/Publisher’s Note: The statements, opinions and data contained in all publications are solely those of the individual author(s) and contributor(s) and not of MDPI and/or the editor(s). MDPI and/or the editor(s) disclaim responsibility for any injury to people or property resulting from any ideas, methods, instructions or products referred to in the content. |
© 2024 by the authors. Licensee MDPI, Basel, Switzerland. This article is an open access article distributed under the terms and conditions of the Creative Commons Attribution (CC BY) license (http://creativecommons.org/licenses/by/4.0/).