Submitted:
13 March 2024
Posted:
15 March 2024
You are already at the latest version
Abstract
Keywords:
1. Introduction
2. Investigation Methods and Framework
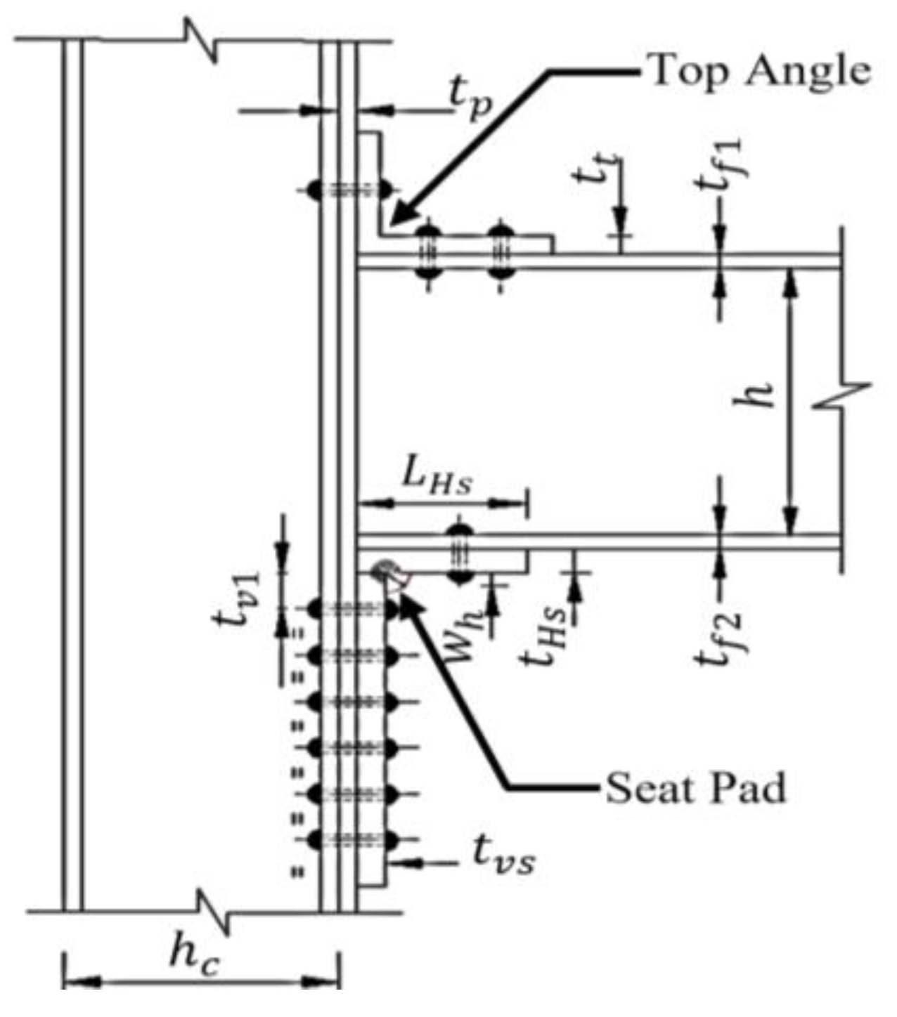
2. Deterministic Analyses of the Existing Connection System
2.1. Assessing the Failure Probability in the TA-SP Connection System
2.2. Analysing the TA-SP Connection Through Locked Chain System
2.3. Ultimate Moment Capacity of the TA-SP Connection
3. Analysing the Weakest Element Failure Mechanisms in the System
4.0. Modelling Finite Element Method
4.1. Validation
5.0. Structural Reliability Methods
5.1. First-Order Reliability Method FORM
5.1.1. Estimating the Probability of Failure Using FOSM
5.1.2. Estimating the Probability of Failure Using AFOSM
5.2. Estimating the Probability of Failure Using SORM
6.0. Results in Percental Error
7.0. System Reliability Analysis of the Existing TA-SP Connection
8.0. Target Reliability Index Considerations
9.0. Conclusion
Notation
Acknowledgments
References
- Cross, H. Analysis of Continuous Frames By Distributing Fixed-End Moments. Trans. Am. Soc. Civ. Eng. 1932, 96, 1–10. [Google Scholar] [CrossRef]
- American Institute of Steel Construction AISC "Manual of steel construction," load and resistance factor design-LRFD, Second ed, AISC, 1994, Chicago IL, U.S.
- EN 1993 Eurocode 3: "Design of steel structures part 1– 1: general building rules," 2005.
- Richard, R.M.; Abbott, B.J. Versatile Elastic-Plastic Stress-Strain Formula. J. Eng. Mech. Div. 1975, 101, 511–515. [Google Scholar] [CrossRef]
- N. Kishi, & W. F. Chen, "Moment-rotation relations of semi-rigid connections with angles", Journal of Structure Engineering, (ASCE), 1987, Vol. 116, no. 7, pp. 1813-1834. [CrossRef]
- Colson, & J.M. Louveau, "Connections Incidence on the Inelastic Behaviour of Steel Structural", Euromech Colloquium, 174, 1983.
- et al. , "Cyclic characteristics of bolted semi-rigid steel beam to column connections."PhD thesis.," Dept. Civ. Engrg., Univ. of South Carolina, Columbia, SC., 1985.
- R. Bjorhovde, A. R. Bjorhovde, A. Colson, & J. Brozzetti, "Classification system for beam-to-column connections," Journal of Structural Engineering, (AISC), 1990, Vol. 116, no. 11, pp. 3059-3076.
- G. Pekcan, J.B. G. Pekcan, J.B. Mander, & S.S. Chen, Experimental & analytical study of low-cycle fatigue behaviour of semi-rigid top and seat angle connections, 1995, NCEER-95-0002.
- Faella, V. Piluso, and G. Rizzano, "Structural Steel Semi-rigid Connections Theory Design, and Software" Engineering, Materials Science, Corpus ID: 107124660, 1999.
- Ahmed, N. Kishi, K.Matsuoka, and M.Komuro, "Nonlinear analysis on prying of top- and seat-angle connections."," Journal of the. Appled. Mechanics., 2001, Vol. 4, no1, pp., 227–236.
- Pirmoz, K. Seyed, A. Mohammadrezapour, E., and D. Saedi, "Moment-rotation behaviour of bolted top-seat angle connections." Journal of Construction Steel Research, (ELSEVIER), 2009, Vol. 65 no.4, pp.973– 984. [CrossRef]
- M.S. Smitha and S. Babu "Behaviour of top and seat angle semi-rigid connections," Journal of the Institution of Engineers (India), - A, 2014, Vol. 94, no. 3, pp. 153–159. [CrossRef]
- Ahmed, A. Prediction of moment–rotation characteristic of top- and seat-angle bolted connection incorporating prying action. Int. J. Adv. Struct. Eng. 2017, 9, 79–93. [Google Scholar] [CrossRef]
- Díaz, C.; Martí, P.; Victoria, M.; Querin, O.M. Review on the modelling of joint behaviour in steel frames. J. Constr. Steel Res. 2011, 67, 741–758. [Google Scholar] [CrossRef]
- ISO 13822, "Bases for design of structures assessment of existing," ISO TC98/SC2, Geneva, Switzerland, 2010.
- ISO 2394, "General principles on structure reliability," 2nd ed, ISO, Geneva, Switzerland, 1998.
- JCSS, "Probabilistic model code," Joint Committee on Structural Safety, Zurich, 2001.
- ABOUCS, CAE user's manuals. Version 6.14,: Hibbitt Karlsson & Sorensen, RI, USA, 2014.
- Cornell, "A probability-based structural code," American Concrete Institute Structural Journal, 1969, Vol. 66 no 12, pp. 974–985.
- Breitung, K. Asymptotic Approximations for Multinormal Integrals. J. Eng. Mech. 1984, 110, 357–366. [Google Scholar] [CrossRef]
- G. Bucher, "Adaptive Sampling an iterative, fast Monte Carlo procedure," Journal of Structural Safety, (ELSEVIER), 1988, Vol. 5, no. 2, pp. 119-126. [CrossRef]
- Freudenthal, "Safety, reliability and structural design," Journal of the Structural Division, (ASCE), 1961, Vol. 87, no 3, pp. 1–16. [CrossRef]
- W. Weibull, "A statistical theory of the strength of the material," Proceeding Royal Sweden. Institute Engineering res, 1939, Vol. 15, pp 1887-1979.
- Ellingwood, B.R. Reliability-based condition assessment and LRFD for existing structures. Struct. Saf. 1996, 18, 67–80. [Google Scholar] [CrossRef]
- J. Fisher, M. J. Fisher, M. Ravindra, and T. Galambos "Load and resistance factor design criteria for connection," Journal of the Structural Division, (ASCE), 1978, Vol. 104, pp. 1427–1441.
- T. Galambos, and M. Ravindra, "Properties of steel for use chapter in LRFD," Journal of the Structural Division,(ASCE), 1968, Vol. 104, no. 9, pp. 1459–1468.
- Kennedy, D.J.L.; Aly, M.G. Limit states design of steel structures—performance factors. Can. J. Civ. Eng. 1980, 7, 45–77. [Google Scholar] [CrossRef]
- R. E. Melchers, Structural reliability analyses and prediction, 1st ed, Chichester: New York: Jonh Wiley & Sons Inc, 2017.
- Sýkora M, Holický M, Marková J, Target reliability levels for assessment of existing structures, culled from M.H. FABER, J. KÖHLER and K. NISHIJIMA, eds. In: Proc. ICASP11, CRC Press/Balkema, pp. 1048-1056, 1-. 4 August.
- Drucker, D.C. The Effect of Shear on the Plastic Bending of Beams. J. Appl. Mech. 1956, 23, 509–514. [Google Scholar] [CrossRef]
- H. Tresca, "Sur l’ecoulement des corps solides soumis a de fortes pressions.," Comptes rendus de l’Académie des Sciences, 1864Vol. 59, pp. 754.
- AS 4100 Australian standard, Steel structures, Australian, 2020.
- R.E. von Mises, Mechanik der festen Körper im plastisch- deformablen Zustand, Corpus ID: 138864271, Materials Science, https://resolver.sub.uni-goettingen.de/purl PPN252457811, 1913.
- ANSI/AISC 360, Specification for Structural Steel Buildings, American Institute of Steel Construction, Chicago, US, 2010.
- MATCAD, MATCAD user's manuals, 2014.
- Halder and, S. Mahadevan, Probability, Reliability and Statistical Methods in Engineering Design, New York: Jonh Wiley & Sons Inc., 2000.
- Ang, A.H.-S.; Tang, W.H. Probability Concepts in Engineering Planning and Design: Basic Principles, Volume 1; John Wiley & Sons: Hoboken, NJ, USA, 1975. [Google Scholar]
- M. Hasofer and N. C. Lind, "An exact and invariant first-order reliability format," Journal of Engineering Mechanics, 1974, Vol. 100, pp. 111–121.
- Rackwitz, R.; Flessler, B. Structural reliability under combined random load sequences. Comput. Struct. 1978, 9, 489–494. [Google Scholar] [CrossRef]
- Rosenblatt, M. Remarks on a Multivariate Transformation. Ann. Math. Stat. 1952, 23, 470–472. [Google Scholar] [CrossRef]
- Bastidas-Arteaga and, A.-H. Soubra, Reliability Analysis Methods, in HAL Id: in2p3-01084369, France, HAL Archives Ouvertes ID: in2p3-01084369, University of Nantes, Ge M Laboratory, UMR CNRS 6183, Nantes, France, 2015.
- J. Zhang and. X. Du, "A second-order reliability method with first-order efficiency," The American Society of Mechanical Engineers, (ASME), 2010, Vol. 132, no. 10, pp 101006 (8 pages).
- P.Thoft-Christensen, and J.Dalsgård Sørensen "Reliability of structural systems with correlated elements," Journal of Applied Mathematical Modelling- (ELSEVIER), 1982, Vol. 6, pp. 171-178.
- Allen, D.E. Limit states criteria for structural evaluation of existing buildings. Can. J. Civ. Eng. 1991, 18, 995–1004. [Google Scholar] [CrossRef]
- T. Vrouwenvelder and N. Scholten," Assessment criteria for existing structures," Journal of Structural Engineering International, (IABSE), 2010, Vol. 20, no. 1, pp. 62–65.
- P. Tanner and C. L. Sarache, "Semi-probabilistic models for the assessment of existing concrete structures," in 11th International Conference on Applications of Statistics and Probability in Civil Engineering, Zurich, Switzerland, 1–4 August.
- Steenbergen, R.D.J.M.; Sýkora, M.; Diamantidis, D.; Holický, M.; Vrouwenvelder, T. Economic and human safety reliability levels for existing structures. Struct. Concr. 2015, 16, 323–332. [Google Scholar] [CrossRef]
- ISO, International Organisation for Standardisation/ South African National Standard, 2016a. ISO13822: 2010/SANS 13822:2016. Bases for Design of Structures. Assessment of Existing Structures. Geneva, Switzerland: ISO, 2016.
- Sykora, M.; Diamantidis, D.; Holicky, M.; Jung, K. Target reliability for existing structures considering economic and societal aspects. Struct. Infrastruct. Eng. 2016, 13, 181–194. [Google Scholar] [CrossRef]
- Federal Emergency Management Agency (FEMA), "Interim Guidelines Evaluation, Repair, Modification and Design of Welded Steel Moment Frame," Report (SAC Joint Venture), no. SAC-95-02, Washington, D.C, 1995.
- Fischer, K.; Viljoen, C.; Köhler, J.; Faber, M.H. Optimal and acceptable reliabilities for structural design. Struct. Saf. 2018, 76, 149–161. [Google Scholar] [CrossRef]

















| Variables | Symbol | Distribution | E [ ] | Cov |
|---|---|---|---|---|
| Section model | Zx | Normal | 1.00 | 0.05 |
| Thickness | t | Normal | 0.964 | 0.0390.025 |
| Yield stress | Log-normal | 1.05 | 0.110 | |
| Elastic Modulus | Log-normal | 1.00 | 0.060 | |
| Fillet weld | Log-normal | 0.88 | 0.150 | |
| height & width | h&w | Normal | 1.00 | 0.002 |
| Beam | W14 × 38 |
| Column | W12 × 96 |
| Top Angle | 152.4 × 101.6 × 12.7mm |
| Seat Pad | 100(H) × 19.1 + 350(V) × 22.23mm |
| Rivet- Accessory plate | 22.0mm 10.0mm |
| Iteration cycle | Element (E2) | Element (E7) | ||
| No | () | () | () | () |
| 1 | -3.098 | 9.73E-04 | −3.199 | 6.89E-04 |
| 2 | -3.080 | 4.26E-03 | −3.198 | 6.93E-04 |
| 3 | -3.080 | 1.04E-03 | −3.198 | 6.93E-04 |
| Top angle (E2) | Weld (E7) | |||||
| Types | Error | Error | ||||
| AFOSM | −3.09 | 9.99E-04 | 100.1% | −2.92 | 1.74E-03 | 113.1% |
| FOSM | −2.97 | 1.48E-03 | 195.6% | −2.75 | 2.96E-03 | 262.1% |
| SORM | −3.16 | 7.86E-04 | 57.4% | −3.05 | 1.16E-04 | 42.4% |
| MCS | −3.29 | 4.99E-04 | −3.15 | 8.16E-04 | ||
| Type | Error (%) | ||
| AFOSM | 2.74E-03 | −2.78 | 108.2 |
| FOSM | 4.43E-03 | −2.62 | 236.8 |
| SORM | 1.95E-03 | −2.89 | 48.1 |
| MCS | 1.12E-03 | −3.03 |
Disclaimer/Publisher’s Note: The statements, opinions and data contained in all publications are solely those of the individual author(s) and contributor(s) and not of MDPI and/or the editor(s). MDPI and/or the editor(s) disclaim responsibility for any injury to people or property resulting from any ideas, methods, instructions or products referred to in the content. |
© 2024 by the authors. Licensee MDPI, Basel, Switzerland. This article is an open access article distributed under the terms and conditions of the Creative Commons Attribution (CC BY) license (https://creativecommons.org/licenses/by/4.0/).