Preprint
Review

This version is not peer-reviewed.

Progress and Evaluation of Compressed Carbon Dioxide Energy Storage Systems: A Review

Submitted:

09 March 2024

Posted:

12 March 2024

You are already at the latest version

Abstract
Compressed carbon dioxide energy storage (CCES) offers several benefits over other existing energy storage systems, including ease of liquefaction, high energy storage density, and environmental friendliness. As a result, the research progress, economic and technological feasibility, and system operation of the CCES system are all discussed in depth in this study. The system evaluation method is summarized and the compressed carbon dioxide storage is analyzed, and the performance optimization direction of the compressed carbon dioxide energy storage technology is discussed. When the overall performance of a transcritical CCES system, a supercritical CCES system and a liquid CCES system are compared, it is discovered that the supercritical CCES system has better thermodynamic characteristics and a simpler system configuration, making it suitable for large-scale development and use. The goal of the CCES system's future development is to create a design with an optimum compression and expansion ratio, a more precise analysis and system model, and multi-field coupling. This review's discussion serves as a guide for the best design and use of the CCES system.
Keywords: 
;  ;  ;  ;  

1. Introduction

As a known greenhouse gas, carbon dioxide (CO2) has attracted a lot of attention. With the signature of the United Nations Framework Convention on Climate Change, the Kyoto Protocol, and the Paris Agreement, all governments have demonstrated their commitment to addressing climate change and have prioritized COemissions reduction as a key policy goal. Countries all across the world have adopted a variety of steps to minimize greenhouse gas emissions. Some developed countries represented by the United States, which have reached the carbon peak, have put forward carbon capture and storage technology (CCS), which are the options to reduce greenhouse gas emissions.
Carbon capture and sequestration technology mainly consist of the following steps: COcapture, which means that COis separated from fossil fuels before or after combustion and can be reduced by compression; COtransportation, which means that the captured COis transported to the storage site through pipelines or other means of transportation. COstorage refers to the injection of COinto storage space, such as an underground saltwater layer, waste gas mining, and other geological structures or geological structures below the sea bed [1,2,3,4]. Pre-combustion capture, post-combustion capture, and oxygen-enriched combustion are the three primary carbon capture methods now in use [5,6]. Due to the high expense of directly injecting COinto the ground and geological storage, some researchers have expanded the attention of COoil displacement in the carbon capture and storage process and proposed the concept of Carbon capture, utilization and storage (CCUS). How to use these captured COhave also become one of the research directions of scholars. Compared with CCS technology, the CCUS proposed in recent years has more obvious advantages. It purifies the captured COand then puts it into the new production process to become raw material recycling rather than simple storage. Compared with CCS, CCUS can turn COin waste gas into a usable resource, resulting in economic benefits [7,8,9,10]. According to the CCS Global Status Report [11], there are large-scale CCS devices in use globally as of September 2017, with projects in operation or under development, capturing a total of million tons of COper year. For such a big amount of COcaptured every year, the most common treatment method is to store it underground. If this portion of COcan be employed instead of air as an energy storage system, the pressure to deal with the COgathered each year will be reduced.
Simultaneously, renewable energy sources such as wind and solar can help to improve power system structure, lower the amount of primary energy used in grid power generation, and minimize carbon emissions. However, because of the limitations of natural conditions, such as wind and solar power generation, the goal of renewable energy power generation is to effectively realize the use of these renewable energies and to safely connect to the grid in the event of no wind or night, as well as to effectively enhance the benefits of renewable energy power generation technology [12]. As a result, in light of the fact that renewable energy is about to take off on a large scale, energy storage technology is being used in renewable energy generation systems such as wind power generation and photovoltaic power generation as peak shaving equipment in the power grid. It is required for the large-scale and successful use of renewable energy systems. Renewable energy sources such as wind power and photovoltaic power generation are stored during periods of low power consumption, and the output curve of the unit is adjusted by the energy storage device, reducing the risk caused by the randomness and unpredictability of renewable energy power generation to the power grid's stable power generation, and reducing the impact of renewable energy generation on the power grid. By converting stored energy into electric energy output during the peak period of power consumption, the energy storage device can effectively eliminate the hidden danger of a power supply shortage during the peak period, play the role of cutting peak and filling a valley, and reduce the reserve demand of the power grid for peak-shaving power stations [13,14].
The current electric energy storage technology, as illustrated in Table 1, is fairly advanced. The current electric energy storage technologies mainly include three categories: physical energy storage technologies represented by pumped hydro energy storage, compressed air energy storage and flywheel energy storage; chemical energy storage technologies represented by battery energy storage, superconducting energy storage technologies and electromagnetic energy storage technology represented by super capacitors [15,16,17,18]. Electrochemical energy storage systems generally have relatively small capacities and high costs. At present, only pumped storage technology and compressed air energy storage technology can match the grid and realize large-scale energy storage. The single unit power of compressed air energy storage power station can reach more than 350MW, and the maximum capacity of pumped storage power station can reach 2.1GW [19]. Although the technology of pumped storage power station has matured, and the cycle efficiency is high and the cycle is long, the site selection of pumped storage power station has strict requirements: it must be a reservoir with a large drop and a corresponding dam. Therefore, the sites suitable for the construction of pumped storage power plants will decrease year by year. Compressed air energy storage technology is another technology that can realize large-scale energy storage, and compared with pumped hydro storage, it has more flexible site selection requirements, so this technology has also received extensive attention [20,21]. The research on compressed air energy storage systems provides a theoretical foundation for increasing compressed air energy storage system energy utilization and making it more useful in renewable energy and power grid peak cutting and valley filling. However, there are still several issues with compressed air energy storage. COhas good physical qualities compared to air and is a type of energy storage system with significant development potential, allowing for large-scale deployment of CCES technology.
The energy storage working system using air has the characteristic of low energy storage density. Although the energy storage density can be increased by converting air into a liquid or supercritical state, it will increase the technical difficulty and economic cost accordingly [20,26,27]. So, researchers began to explore the gas energy storage system with high density and can be used as the compressed energy storage system. Because supercritical carbon dioxide has the characteristics of low viscosity, low diffusion coefficient, and high density, using it as the energy storage system for compressed gas energy storage can obtain higher energy storage density and greatly reduce the energy storage volume needed by container/reservoir [28,29,30]. As a result, many professionals and academics have been interested in compressed-gas energy storage technology based on carbon dioxide in recent years.
In conclusion, as compared to air, carbon dioxide has several distinct benefits as an energy storage system. Pumps, rather than compressors, may be applied to enhance storage pressure since it has a higher dew point temperature and is easier to condense than air. On either hand, it enables large-scale carbon dioxide consumption, which aids in the reduction of carbon dioxide emissions. Due to the advantages of easy access to carbon dioxide and good physical properties, CCES technology is developing rapidly at present. The research work of the refrigeration cycle and Brayton cycle with carbon dioxide as the working system has been paid attention to, and the research on the carbon dioxide system has been more mature [31]. However, there is still a big deficiency in the research of using carbon dioxide as the working system of compressed-gas energy storage systems. Therefore, it is necessary to carry out research on the expansion of a new type of energy storage system with carbon dioxide as the working system, especially paying attention to the performance improvement of carbon dioxide heat exchanger and compression expander in the supercritical state, which is helpful to further improve the cycle efficiency of the system and expound the utilization field of carbon dioxide.
The advancement of carbon dioxide compression energy storage system research is evaluated and addressed in this study. The thermodynamic techniques of CCES are outlined first, followed by a discussion of the development of the CCES system, as well as its economic and technical viability and system operation. This review also addresses cycle efficiency, energy storage efficiency, energy storage density, and system structure complexity, which are commonly used to assess the overall performance of CCES systems. Finally, the challenges faced by the current compressed carbon dioxide energy storage system are summarized, and its future research directions are prospected.

2. Principle of CCES System

At normal temperature and pressure, carbon dioxide, also known as carbon oxide, has the chemical formula CO2. It is a colorless and odorless gas that is one of the components of air (about 0.% of the total volume of the atmosphere). Carbon dioxide has a melting point of 194.K and a boiling point of 216.K, making it denser than air (under ordinary circumstances) and somewhat soluble in water. Carbon dioxide is chemically inactive, has great thermal stability (only 1.8% degraded at °C), cannot burn, does not generally assist the combustion, and low quantities of carbon dioxide are non-toxic. Carbon dioxide's critical temperature is 304.K, and its equivalent pressure is 7.MPa, making it relatively simple for it to reach the critical state. It's termed supercritical carbon dioxide (SC-CO2) when the temperature and pressure of carbon dioxide are higher than the critical temperature and pressure. Transcritical carbon dioxide (TC-CO2) occurs when the pressure of carbon dioxide undergoes supercritical and subcritical transitions and cycles around the critical point. The transcritical carbon dioxide heat pump and supercritical carbon dioxide Brayton cycle studies have shown that carbon dioxide may be used as a natural working system. Supercritical carbon dioxide occurs when the temperature and pressure of carbon dioxide exceed the critical threshold (Supercritical Carbon Dioxide, SC- CO2). SC-COcombines some of the properties of gaseous and liquid CO2, but also has new properties. Hence it has a lower viscosity, a greater diffusion coefficient, and a higher density [32,33,34]. Under the existing technical conditions, carbon dioxide can easily reach the supercritical state by pressurization, therefore, a lot of research work has been done on the thermodynamic cycle based on carbon dioxide, for example, carbon dioxide refrigeration cycle [35,36,37,38], carbon dioxide Brayton cycle [39,40], carbon dioxide Rankine cycle [41], carbon dioxide heat pump cycle [42], carbon dioxide energy storage cycle [30,43,44]and so on.
Morandin et al. [45] suggested an electrothermal energy storage system that employs COas the working system and converts energy using the heat engine and heat pump cycles. According to the physical condition of carbon dioxide at the expansion unit's outlet, when the pressure of carbon dioxide at the expansion unit's outlet is less than the critical pressure of carbon dioxide, the energy storage system is classified as a transcritical energy storage system (Transcritical CCES, TC-CCES). The energy storage system is described as a supercritical compressed carbon dioxide energy storage system when the temperature and pressure of carbon dioxide at the exit of the expansion unit are higher than the critical temperature and pressure of carbon dioxide (Supercritical CCES, SC-CCES). As demonstrated in Figure 1, CCES, TC-CCES, and SC-CCES have all progressed significantly in recent years, with significant improvements in system round-trip efficiency (RTE) under various operating situations. As shown in Figure 2, the electrothermal energy storage system's working principle is that during the energy storage process, the excess electric energy input motor drives the compressor to compress CO2, converting the electric energy into internal energy and pressure energy of CO2, which is stored through the high-temperature accumulator, and the pressure energy is converted into cold energy through the expansion turbine and stored through the cold accumulator. After raising the pressure, COabsorbs the heat energy in the accumulator and warms up before entering the expansion turbine to accomplish work. The COproduced by the turbine is cooled by the cold source before being returned to the cycle's beginning, turning the heat and cold energy into electric energy.
On the basis of classic compressed air energy storage technology, a CCES system is developed. Multi-stage compression, inter-stage cooling, multi-stage expansion, inter-stage reheat, and other options are available in the system's functioning. However, there are significant structural variations between the two systems. This section summarizes the principle and development progress of compressed carbon dioxide energy storage system to clarify its development direction.
Because carbon dioxide is a greenhouse gas that has a significant impact on global temperature change, and the process of capturing and collecting carbon dioxide is complex, the CCES system uses closed technology, which means there is no material exchange with the outside world during the entire energy storage process, only energy exchange. Figure 3 depicts the CCES device in action, the working principle of the system is as follows: when storing energy, the carbon dioxide is compressed by surplus electric energy, stored after heat exchange by the heat storage device, and the high-pressure carbon dioxide is stored in the storage tank, and the compressed heat is stored in the heat storage device; during energy release, the high-pressure carbon dioxide is heated by heat exchange, drives the expander to do work, and outputs electric energy, and the carbon dioxide after the work is cooled to the initial state to store [46,47].
To maintain the liquid or supercritical state of carbon dioxide working fluid in the gas storage chamber in the existing CCES system, the CCES system must use a specially manufactured gas storage tank to ensure the temperature and pressure of the gas storage chamber [48]. A heat accumulator is required in the system to recover and utilize the heat created by the energy storage process. The presence of artificial gas storage tanks and heaters adds to the existing CCES system's complexity and manufacturing expense. The compression of carbon dioxide into subterranean fluids or porous rock formations that formerly held fluids, such as natural gas, oil, or deep saline water layers, exhausted oil and gas reservoirs, unexploitable coal seams, and so on, is known as carbon dioxide geological storage. The rise in temperature per unit distance down the normal of the subsurface isothermal surface to the core of the earth is defined as a geothermal gradient [49], also known as "geothermal gradient". The geothermal gradient is usually about °C /km. As a result, when carbon dioxide is kept underground for 2-kilometers, geothermal energy may be used to heat high-pressure carbon dioxide, eliminating the need for a heat accumulator in the CCES system.
The CCES system employs two subterranean gas storage chambers, one of which stores high-pressure carbon dioxide emitted by the compressor, to ensure that carbon dioxide in the energy storage system is not discharged into the atmosphere. Another low-pressure gas storage chamber stores low-pressure carbon dioxide emitted by expansion turbines, resulting in a closed CCES system [46]. The heat accumulator may be removed from the system due to the impact of the geothermal gradient on the subterranean gas storage chamber, and the carbon dioxide at the compressor's outlet can be directly injected into the gas storage chamber for storage. Compressor, high-pressure gas storage chamber, low-pressure gas storage chamber, heater, expansion turbine, regenerator, and other components make up the CCES system based on subterranean gas storage chamber.
The CCES system based on the underground gas storage chamber works on the following principle: during periods of low power consumption, the compressor uses the excess electric energy to supercritically reduce the carbon dioxide in the low-pressure gas storage chamber and then store it in the high-pressure gas storage chamber [50]. The supercritical carbon dioxide stored in the high-pressure gas storage chamber is released at the peak of power consumption, heating up in the heater and entering the expansion turbine to do work, which is then converted into electricity through the generator, and the carbon dioxide is then stored in the low-pressure gas storage chamber after the work is completed. Prepare to utilize in the next cycle of energy storage[51].

3. Research Progress of CCES

A liquid COenergy storage system based on the Brayton cycle was firstly proposed by Wang et al.[52]. Through the storage of liquid COfor energy storage, while the use of organic Rankine cycle to absorb the waste heat generated in the process of power generation, and finally achieve the storage and release of electric energy, as shown in figure 3. The operation principle of the liquid compression COenergy storage system is that in the process of energy storage, the COin the gas storage tank releases cold energy in the accumulator after being regulated by the throttle valve, and then enters the compressor. The compressor uses excess electric energy to compress the CO2. The high temperature and high-pressure COis cooled to the liquid to be stored in the gas storage tank, and the thermal energy is stored in the storage tank at the same time. In the process of energy release, the liquid COin the gas storage tank is pressurized by the COpump, absorbs the heat energy in the heat accumulator, and then enters the expansion turbine to do work, the waste heat discharged by the turbine enters the Rankine cycle to do work, and the COis cooled to the liquid in the heat accumulator to enter the gas storage tank. Thermodynamic analysis shows that compared with the advanced adiabatic air compression energy storage system (Advanced Adiabatic Compressed Air Energy Storage, AA-CAES), the liquid compression COenergy storage system has a higher energy storage density (about times of the energy storage density of the AA-CAES system), but its cycle efficiency is lower.
On the basis of the electrothermal energy storage system proposed by Morandin, Zhang et al.[53] proposed the supercritical (transcritical) COenergy storage system based on Rankine cycle and the integrated energy storage system of CORankine cycle and voltage shrinking refrigeration cycle, as shown in Figure 4(a). And the supercritical (transcritical) compression COenergy storage system is based on the Brayton cycle[54], as shown in Figure 4(b). The cycle characteristics, optimal design, system and cycle, and the relationship between components and parameters of the thermoelectric energy storage system with COas a working system are analyzed in detail. The operation principle of the compressed COenergy storage system based on the Brayton cycle is that in the energy storage stage, the liquid COin the low-pressure gas tank releases cold energy to vaporize into the low-pressure gaseous CO2, the vaporized COenters the compressor and is compressed to the supercritical state, and the supercritical COreleases heat energy through the accumulator and enters the high-pressure gas storage tank. In the energy release stage, the high-pressure gas storage tank releases CO2, absorbs heat energy through the accumulator, and then enters the expansion turbine to do work. The COdischarged by the turbine passes through the air cooler, the cold accumulator, and the expansion turbine in turn, and finally liquefies into the low-pressure liquid storage tank. In the process of calculation, the packed bed is used as the heat storage device, the heat in the compression process of the system is absorbed, the temperature difference in the heat transfer process is reduced, and the efficiency of the system is improved from 56.3% to 60.69%. Through sensitivity analysis, the changing trend of system efficiency and energy density with compressor efficiency, expander efficiency, and turbine efficiency can be obtained, and the exergy loss distribution of each component can be obtained by exergy analysis of the system. Exergy research shows that turbines account for 47.% exergy loss and that this percentage decreases as turbine efficiency improves. Improved turbine mechanical component efficiency can boost system performance and decrease exergy damage. More emphasis should be made on turbine optimization since increasing turbine efficiency may also increase the energy density of the system. Simultaneously, the change in pressure at the process point may be used to determine changes in exergy loss, system efficiency, and energy density of each component.
Following that, a hybrid system was created that combined carbon dioxide energy storage with other energy storage methods. Figure 5(a) shows a carbon dioxide energy storage system with phase change devices developed by Dai et al[55]. The system compresses carbon dioxide using wind energy and power grid surplus electric energy, then employs a phase change device to absorb the compression heat created by compressed carbon dioxide in the energy storage stage and heat high-pressure carbon dioxide in the energy release stage. The device has high energy storage density and can realize large-scale energy storage. Dai et al.[55] combine the characteristics of easy liquefaction of carbon dioxide, use wind energy to compress carbon dioxide, and propose a combination system of wind energy and carbon dioxide energy storage technology, as shown in Figure 5(b). Double-tank liquid storage is utilized in the energy storage process, which considerably decreases storage volume while increasing energy density. The technology has the maximum efficiency in first-stage compression and first-stage expansion when compared to multi-stage compression. At the same time, instead of using water as a heat storage system, it employs heat conduction oil, which makes better use of compression heat in the energy storage stage and lowers the heat transfer temperature difference. Finally, the system is combined with the organic Rankine cycle to absorb the waste heat from the tail gas of the last stage expander in the energy release stage, and the efficiency of the system is improved by nearly 10% on the basis of 41.2% in the process of system optimization.
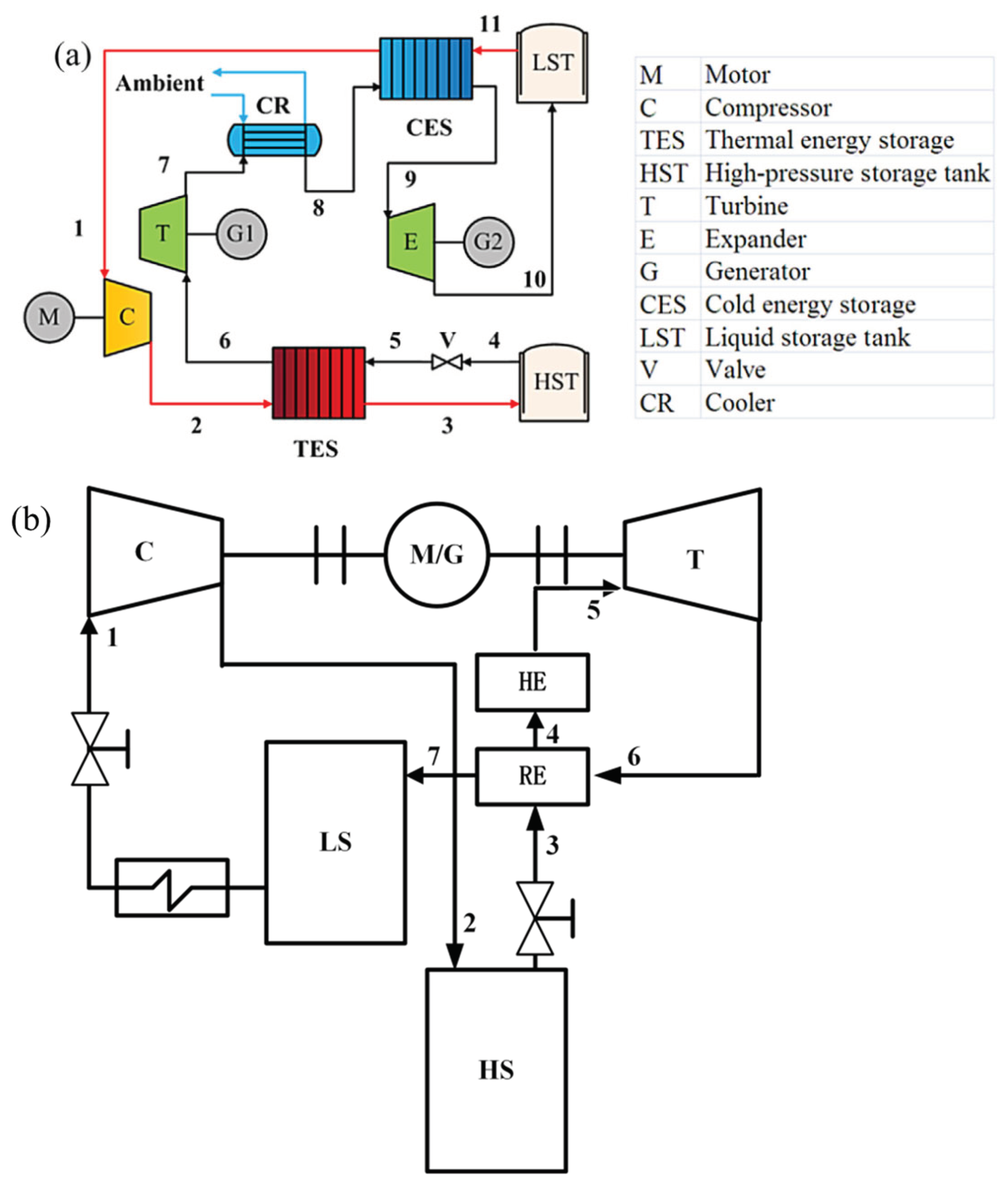
Liu et al. [56] proposed a new triple generation system based on transcritical Brayton cycle and carbon dioxide energy storage, as shown in Figure 6. The CCHP system is in the charging phase during off-peak hours. The liquid CO(stream 10) provided is first expanded by TVto ensure the functionality of the CS. The obtained gas-liquid mixture (stream 11) becomes gaseous CO(stream 1) after the phase transition, in which the cold energy provided by COis stored in CS. Then, using the excess and cheap electricity from the power grid, the COis compressed into a supercritical phase (stream 2), and after the cooling process in HE1, it is finally stored in HST as a supercritical phase (stream 3). The compression heat is absorbed by the heat storage system and stored in HFT for reuse.
Liu et al.[46] proposed a carbon dioxide energy storage system that combines underground strata of different depths, as shown in Figure 7. The system maintains the temperature of carbon dioxide relatively constant according to the temperature characteristics of rock strata at different depths. In the energy release stage, combined with natural gas combustion, the inlet carbon dioxide of the expander is heated, and the energy grade of carbon dioxide is improved [57]. The natural gas combustion supporting system is added to the system, and the temperature of carbon dioxide at the outlet of the last stage expander is higher. This part of the energy is heated to the carbon dioxide before the stage of the expander, and the waste heat of the tail gas is effectively utilized. At the same time, the transcritical carbon dioxide energy storage system and supercritical carbon dioxide energy storage system under different pressures are analyzed. The influence of the change of key parameters on the supercritical carbon dioxide energy storage system and the loss distribution of each component and its trend with the key parameters are obtained. In the system, a natural gas supplementary combustion device is added in front of the expander stage, which improves the work capacity of carbon dioxide, but it has the problems of tail gas treatment and dependence on underground strata.
Zhang et al.[53] proposed transcritical and supercritical carbon dioxide energy storage systems based on the Brayton cycle, as shown in Figure 8 (a) and 8 (b), respectively. To limit the loss caused by hot water mixing, the system employs water as the working system for heat storage and stores the compression heat produced in the compression stage in distinct hot tanks. The impacts of critical factors on system cycle efficiency, expansion efficiency, expander power output, and energy density are determined via sensitivity analysis. Transcritical carbon dioxide energy storage systems and supercritical carbon dioxide energy storage systems have the maximum efficiency of 60% and 70%, respectively, and both have a high energy density. However, because the storage pressure of the two energy storage systems is enormous, it is difficult to detect, and the equipment has concealed risks.
Supercritical fluid technology is a new green chemical technology in recent decades, which has been developed rapidly in the world. Supercritical carbon dioxide is the most widely used supercritical fluid at the present stage. The physical and chemical properties of the supercritical fluid are special, and its properties are between liquid and gaseous states. It neither belongs to the liquid state nor the gaseous state. The differences of density, viscosity, and diffusion coefficient of working fluids in gaseous, liquid, and supercritical states are compared in Table 2. It can be seen that the density of the supercritical fluid is close to that of liquid, and its viscosity is close to that of gas. Therefore, the supercritical state is considered to be the third phase state which is different from the gas and liquid states. In addition, the supercritical fluid has good flow and transfer properties and has a strong ability to dissolve low-volatile substances, and its physical properties have a significant effect on temperature and pressure near the critical region. The critical temperature of carbon dioxide is 31.℃ and the pressure is 7.MPa. The gaseous carbon dioxide can be liquefied when the pressure of gaseous carbon dioxide is raised to about MPa at room temperature. liquid carbon dioxide can store a large amount of energy with very small tank space, and a stable pressure can be obtained as long as the temperature is kept stable during the gasification process. Sarkar et al.[35] proposed a new type of transcritical carbon dioxide refrigeration cycle combined with vortex tube expansion structure, and optimized the key parameters of the cycle to improve the cycle efficiency of the system. Mahmoudi et al.[58] studied the carbon dioxide transcritical (subcritical) refrigeration cycle, analyzed the thermodynamic characteristics, and optimized the parameters of the carbon dioxide coupled cycle based on the basic theory of thermodynamics. Pickard et al.[59] studied the application of carbon dioxide in the Brayton cycle based on the characteristics of carbon dioxide in the supercritical state, and evaluated the application potential of the system in the future. On the basis of the first law of thermodynamics, Kumar et al.[35] studied the carbon dioxide Brayton cycle in different states with thermal efficiency, power generation efficiency, and irreversibility as evaluation indexes, analyzed the thermodynamic characteristics of carbon dioxide under subcritical, transcritical, and supercritical conditions, and summarized the advantages and disadvantages and applicable conditions of carbon dioxide cycle system in different states.
To sum up, a large number of scholars have done some creative work to promote the carbon dioxide energy storage system, but the system still lacks the ability of high output power, eco-friendliness and comprehensive and flexible application of new energy. To ensure transcritical or supercritical conditions, most of the aforementioned COenergy storage systems are designed with low compression and expansion ratios. With the low temperature trend of system heat of compression, limited power capacity, and low energy density can be expected. This will inevitably lead to an increase in the size and cost of the system.
In addition, in the above-mentioned compressed carbon dioxide energy storage system, in the process of setting thermal parameters of the system, the design scheme of equal distribution of compression ratios and expansion ratios at all levels is adopted for the step-by-step compression process and the step-by-step expansion process. They did not fully take into account the effects of changes in the physical properties of carbon dioxide on the thermodynamic parameters of the system's compression and expansion processes. Therefore, there is a large room for improvement in the thermal performance improvement of the compressed carbon dioxide energy storage system.

4. Evaluation for the characterization of CCES systems

4.1. Economic and Technical Feasibility

As a new type of electric energy storage system, the compressed carbon dioxide energy storage system has a long construction period and an operating income period of more than ten years to several decades, which prolongs the project's break-even period and does not have obvious economic benefits in the short term. To analyze and evaluate the technical and economic characteristics of the system comprehensively and accurately, it is necessary to study the economic status of the compressed carbon dioxide energy storage system in its entire life cycle, and to compare and analyze the technical and economical aspects of the compressed carbon dioxide energy storage system. Sensitivity analysis and critical point impact analysis are carried out on the economic factors that have a greater impact on the power generation cost and profit and loss of the energy storage system project, and the impact trend of the technical and economic indicators of the energy storage system and the corresponding critical point value are found. The whole life cycle analysis method is an analysis method to obtain the best overall equipment efficiency at an economical life cycle cost, and is the core of equipment management [62]. Life Cycle Cost (LCC) refers to the synthesis of all costs that may occur in the process of equipment from investment, operation, maintenance to scrapping during the equipment life cycle [63]. The whole life cycle analysis method can effectively solve the contradiction between equipment development and shortage of funds, and it is a strategic measure to effectively improve the profit of equipment life cycle [64]. Figure 9 shows the specific calculation flow of the full life cycle method. For system investment projects, the calculation of the whole life cycle model can predict the direct and indirect economic benefits of project investment to a certain extent, comprehensively analyze the technicality and economy of system investment projects, and provide reasonable decision-making basis for system project investors [65].
Cao et al. [51] evaluate the economy of a new CCES system that combines the storage of carbon dioxide in underground coal seams with the compression and storage of carbon dioxide above ground. The results show that reducing the compression stage and increasing the expansion stage can improve the performance of the system. Considering the factors of the carbon tax and carbon income price, the economic conditions for the energy storage system to obtain economic benefits are given, and the system can make a profit under most ladder electricity prices in the process of energy storage. Compared with the integrated system and the independent carbon dioxide storage system, the independent energy storage system only shows economic advantages when the carbon tax is below 47$/ton and 68$/ton respectively.

4.2. System Operability

In the aspect of dynamic simulation of CCES system, Chaychizadeh et al. [66] proposed a new type of hybrid compressed supercritical carbon dioxide energy storage system. In this system, an electric heater powered by a wind farm's high-frequency magnetoresistive power is employed to realize wind energy utilization, and dynamic simulation is performed to assess the system's dynamic features under stable wind generating settings and actual wind generation conditions. With a round-trip efficiency (RTE) of 57.55% and an energy density of 84.kWh/m3, the system can store wind power during off-peak hours and release it to the grid seamlessly. The uncertainty quantification shows that the system can work normally with the RTE standard deviation of 55.72-58.16% and the uncertainty of the energy density of 83.7-86.kWh/m3. In the experimental research of the CCES system, Alami et al. [67] studied the utilization of carbon dioxide as the working system of low pressure compressed gas energy storage system, and obtained the experimental data of the key thermal parameters of the CCES system by designing and building a test-bed. The pressure regulator and the heater are used to control the pressure and temperature of the carbon dioxide entering the cylinder, and the carbon dioxide in the cylinder is kept at the starting pressure of bar,2.bar, and bar respectively. The experimental results show that the heat transfer loss during the charge-discharge cycle can be reduced and the safety can be enhanced under the maximum starting pressure of bar. The cycle efficiency of the system is about 79%.
It is vital to study the thermodynamic properties of the thermal system while developing, optimizing, and integrating it to expose the transfer, transformation, and loss of energy in the system. According to the theory of thermodynamics, there are many different methods for thermodynamic analysis of thermodynamic systems, such as "energy balance method" based on the first law of thermodynamics, "heat balance method": "entropy analysis method" and "exergy analysis method" based on the second law of thermodynamics, and exergy economic analysis method based on thermodynamics analysis method (exergy economic analysis) [68,69].

4.3. Exergy Analysis

Energy has the characteristic of mutual transformation, but not all energy can be converted into useful work, which shows that there are differences in the ability to convert different forms of energy into useful work. As a result, energy possesses both the property of "quantity" and the attribute of "quality." The first law of the thermodynamics-based energy analysis approach solely addresses the attribute of "quantity" in energy.
Exergy is defined as the greatest work that can be done with any given kind of energy when a certain environmental characteristic is used as the reference condition. As a result, exergy possesses both "quantity" and "quality" properties. The classical analysis approach, which is based on the first and second laws of thermodynamics, is an energy system analysis method based on the idea of exergy. In practice, exergy losses will occur due to the irreversibility of the process. The exergy analysis method can reveal the imperfection of the thermodynamic system under given thermal conditions, and the perfection of a thermodynamic process can be evaluated by the magnitude of exergy loss. Large exergy loss indicates that the thermodynamic process is irreversible. Usually, in the process of exergy analysis, the ratio of income exergy to payment exergy is used to measure the utilization of exergy. Through exergy analysis, it can measure the rationality of the energy use of the energy conversion system, and find the unreasonable part of the energy use, which provides a basis for the optimization of the energy system [70].
The exergy analysis method is based on the exergy equilibrium equation. For the thermodynamic system, the exergy equilibrium equation is[71]:
E ˙ I n , t o t = E ˙ P + k E ˙ L , k + E ˙ O u t  
where, E ˙ I n , t o t - the total exergy amount of the input system, kW; E ˙ P - exergy produced for the system, kW; E ˙ O u t - the exergy output into the environment by the system, kW; k E ˙ L , k - the sum of exergy losses of components(k) in the system, kW。
For any part of the system, the exergy loss is [71]:
E ˙ L , k = E ˙ I n , k E ˙ P , k
where, E ˙ L , k - the exergy loss of component k in the system, kW; E ˙ I n , k - The amount of exergy for the input component k, kW; E ˙ P , k - Exergy produced for component k, kW.
The exergy loss of the internal components of the compressed carbon dioxide energy storage system can be divided into two parts: internal exergy loss and external exergy loss. It can also be divided into avoidable exergy loss and unavoidable exergy loss [72]. The exergy loss of components in the system can be expressed as
E L ˙ i = E L E N ˙ i + E L E X ˙ i = E L A V ˙ i + E L U N ˙ i
In the formula, E L E N ˙ i is the internal exergy loss of the i-th component in the system, kW; E L E N ˙ i is the external exergy loss of the i-th component in the system, kW; E L A V ˙ i is the avoidable exergy loss of the i-th component in the system, kW; E L U N ˙ i is the unavoidable exergy loss of any component in the system, kW.
To analyze the interrelationship between the various operating components in the energy storage system, the exergy loss of the i-th component is divided into internal exergy loss and external exergy loss [73]. The internal exergy loss refers to the exergy loss caused by the structure of the part in the system when the other parts in the system except the part are in an ideal state, and its calculation formula is:
E L E N ˙ i = E ˙ P , t o t E L ˙ i E P ˙ i E N
In the formula, E L E N ˙ i is the internal exergy loss of the i-th component, kW; the superscript EN means the internal exergy loss.
The external exergy loss of the i-th component in the system is the exergy loss caused by the structural defects of other components (excluding this component) under the non-ideal state, and its calculation formula is[73]:
E L E X ˙ i = E L ˙ i E L E N ˙ i
where E L E X ˙ i is the external exergy loss of any component in the system, kW.
The external exergy loss of the system is[73]:
E L , t o t E X ˙ i = E L , t o t ˙ i E L , t o t E N ˙ i = i = 1 n E L ˙ i i = 1 n E L E N ˙ i
where E L , t o t E X ˙ i is the external exergy loss of the system, kW; E L , t o t E N ˙ i is the internal exergy loss of the system, kW.
To effectively reduce the exergy loss of the internal components of the system, it can be achieved by optimizing the structure of the components or optimizing the cooperation between the various components within the system. The avoidable exergy loss of any component in the system means that the loss is reduced by optimizing the structure of the components and optimizing the cooperation between the components in the system under the unavoidable working conditions of the remaining components in the system except the component. The inevitable exergy loss is[74]:
E L U N ˙ i = E ˙ P , t o t E L ˙ i E P ˙ i U N
where E L U N ˙ i is the unavoidable Hata loss of the i-th component in the system, kW.
Inevitable exergy loss refers to the exergy loss that cannot be reduced by optimizing the structure of other components or optimizing the operating conditions of the system under unavoidable working conditions except for the i-th component. The avoidable exergy loss is[74]:
E L A V ˙ i = E L ˙ i E L U N ˙ i
In the formula, E L A V ˙ i is the avoidable exergy loss of any component in the system, kW; the superscript AV means the avoidable exergy loss.
The avoidable exergy loss of the system is [74]:
E L , t o t A V ˙ i = E L , t o t ˙ i E L , t o t U N ˙ i = i = 1 n E L ˙ i i = 1 n E L U N ˙ i
In the formula, E L , t o t A V ˙ i is the avoidable exergy loss of the system, kW.
Liu et al. [75] conducted an advanced and economic analysis of the new liquid CCES system, calculated the thermal economy of the system from the perspective of "loss cost" and "investment cost," and provided energy management measures of the system components to provide technical guidance for the system's optimization and improvement. The analysis of the whole system shows that the avoidable internal system loss of the system is only 42.1% of the total consumption, 43.42% of the total consumption cost, and 55.43% of the total investment cost. The results of traditional tank analysis show that the compressor has the greatest impact on the overall consumption, while the results of advanced economic evaluation and economic evaluation show that the expander, as the most important component, should be revamped first.

4.4. Exergy Economic Analysis

The conclusions obtained through exergy analysis are all considered from the perspective of improving energy utilization efficiency, and the conclusions obtained will be restricted by economic factors and cannot be realized. This is the contradiction between "saving energy" and "saving money". Therefore, in engineering practice, thermodynamic analysis and economic analysis must be combined to make a feasible decision. The combination of thermodynamics and economics gives rise to a new analysis method-thermoeconomic analysis method, also known as the exergy economic analysis method [76]. The concept of exergy economics was formed in the 1960s and was put forward by Tribus and Evans. R.A.Gaggidi [77] optimizes the thickness of the thermal insulation layer in a power plant by using exergy economics and puts forward a method for calculating the cost of steam exergy. In recent years, due to the deterioration of the environment, people pay more and more attention to the impact of the system on the environment. On the basis of thermoeconomics, considering environmental factors, that is, the organic combination of thermodynamics, economics, and environmental protection, resulting in environmental economics based on exergy economics [78].
At present, thermodynamic analysis methods include: enthalpy analysis method; entropy analysis method, exergy analysis method and exergy economic analysis method. The enthalpy analysis method follows the first law of thermodynamics, that is, the law of conservation of energy. This method takes heat loss, kinetic energy loss and total energy loss as the analysis criteria. The thermodynamic perfection of the system is evaluated with thermal efficiency as the evaluation standard. The entropy analysis method takes into account the "quantity" and "quality" of energy and follows the second law of thermodynamics. In this method, the entropy increase rate and entropy yield are the analysis criteria, and the reversible coefficient is used as the evaluation standard to evaluate the power of the system. The exergy analysis method evaluates the thermodynamic perfection of the system by analyzing the exergy loss and exergy efficiency in the process of energy transfer or conversion in the system. In this way, the weak link of energy utilization can be found out and the energy efficiency can be further improved. The method aims to reveal the nature of energy transfer or transformation. Exe-economic analysis takes into account both thermodynamic and economic properties. Its main purpose is to analyze the useful energy utilization of the system and find a solution to improve the exergy efficiency of the system while reducing the system cost as much as possible. To fully understand the similarities and differences between the above four methods, the above four methods are summarized from various aspects, as shown in Table 3.
From the above analysis, the exergy economic analysis method is an analysis method that takes into account both thermodynamic and economic performance. The basic idea of this method is to place the analyzed system in two environments: one is the physical environment, such as pressure, density, temperature and other parameters that satisfy the law of conservation of energy. The other is the economic environment, such as costs, benefits, etc. that meet the parameters of economic laws. When using exergy economic analysis to solve practical problems, a thermodynamic model (exer equilibrium model, Equation 4-1) and an economic model (exer cost conservation model, Equation 4-11) are usually established [79].
In the thermoeconomic analysis of energy system, the unit price or value of various exergy is involved. Therefore, in addition to the mass conservation equation, the energy conservation equation, and the commission balance equation, it is also necessary to add an economic balance equation, also known as the exergy cost equation. The so-called exergy cost equation is a capital balance formula that lists the product cost of any energy system (unit, equipment), including one-time initial investment and operating costs (energy consumption, maintenance, wages and management costs). According to the exergy economic model shown in Figure 10, the exergy cost balance equation can be obtained as [80]:
C ˙ P , k = C ˙ F , k + Z ˙ k
In the formula, C ˙ P , k is the product congestion exergy cost per unit time, $/s; C ˙ F , k is the fuel exergy cost per unit time, $/s; Z ˙ k is the equal annual amortization cost, $/s.
In part k, due to factors such as the equipment itself and operating conditions, exergy losses will occur in the equipment, and the cost of equipment exergy losses due to exergy losses is [80]:
C ˙ k = c F , k E ˙ k
In the formula, C ˙ k is the unit time exergy loss cost of component k, $/s; c F , k is the unit time fuel exergy cost of input equipment k, $/s; E ˙ k is the exergy loss of equipment k, kW.
For the system of combined operation of compressed carbon dioxide energy storage and new energy power generation, there will be two different forms of energy input in the system: on the one hand, the electric energy converted from new energy input into the energy storage system; The heat energy added to increase the output work of the energy release system during the energy release process of the energy storage system. Due to the different sources of input electrical energy and thermal energy in the energy storage system, the input location and energy level are also different, which makes the performance evaluation of the compressed carbon dioxide energy storage system complicated.
To accurately measure the thermoeconomic properties of compressed carbon dioxide energy storage systems, Di et al. [86] proposed the relationship between the unit exergy cost of a polygeneration energy system product and the "energy quality factor" of the product based on the principle of "high quality and high price". The unit exergy cost of electricity and heat of the polygeneration energy system is calculated through an example. By comparing with the unit exergy cost per unit of electricity and heat production, and the unit exergy cost obtained by the equivalent distribution of products, it is found that according to the "energy quality factor" "It is more appropriate to determine the unit exergy cost of the product. He et al. [81] applied exergy economic theory to wind power-compressed air energy storage system, and proposed the evaluation index of exergy and cost "proportional coefficient". The cost of storing wind energy and the factors that affect cost growth are revealed. Petrakopoulou et al. [82] improved the exoeconomics framework by taking environmental factors into account when building the exoeconomics model. By dividing system losses into avoidable and unavoidable exergy losses, it is demonstrated that system improvement potential and cost interact. Yang et al. [83] based on the theory of exergy economics, considering the environmental cost, established an exergy economic model including environmental cost variables, and optimized the system. However, the modeling time is long and cannot reflect the performance of a single component. On this basis, Sajjad et al. [84] proposed a "functional analysis method", which divides the system into multiple subsystems for analysis one by one. The experimental results show that the more detailed the system is divided, the more stable the economy of a single component is. With the continuous development of exeromics, the limitations of exergy analysis are made up.

4.5. Cycle efficiency of energy storage system

Because electric energy is used as both an input and an output in most energy storage systems, the cycle efficiency of the system is described as the ratio of output electric energy to input electric energy. To improve the output electric energy of a compressed gas energy storage system, an additional component of thermal energy is normally provided to heat the high-pressure gas entering the expansion turbine during the energy release phase, to boost the turbine's output work. To compare compressed gas energy storage systems to other types of energy storage systems, the extra thermal energy must first be converted to electrical energy, and then the cycle efficiency must be computed.
As a result, the compressed gas energy storage system's cycle efficiency is [85]:
η = w t   w c   + η s g Q h e
where, w t   - the external output work of the expansion turbine, kW; w c   - Consume power for the compressor, kW; Q h e - the heat absorption of the working fluid in the combustion chamber, kJ; η s g - Thermal efficiency of the standard gas-fired power plant, it is generally 62%.
The adiabatic efficiency of the compressor increases as the number of stages of the compressor unit increases. On the one hand, the compression process is close to the isothermal adiabatic process, which reduces the power consumption of the compressor unit. On the other hand, the compression heat temperature of the system decreases step by step, so that the temperature of the carbon dioxide working medium at the inlet of the expander decreases, and the output power of the expansion unit decreases. When the reduction degree of the output power of the expansion unit is greater than the reduction degree of the power consumption of the compressor unit, the power consumption of the compressor unit increases and the cycle efficiency decreases when the system output power is generated.

4.6. Energy storage density

The quantity of usable energy stored per unit space or mass of matter is characterized as the energy storage density [86]. The energy is stored in the gas storage chamber with the gas working system as the carrier in the compressed gas energy storage system. As a result, the electrical energy stored in a unit gas storage chamber is described as the energy storage density of a compressed gas energy storage system [85]:
ρ E G = 1 2 w t ' ( β V + β W ) ( ρ h , C p h + ρ l , C p l )
where, ρ E G - energy storage density, kWh/cm3; w t ' - Output work for expansion turbine, kW; p h - Pressure change in the high-pressure gas storage chamber, MPa; p l - Pressure change in low-pressure gas storage chamber, MPa; ρ h , C - Carbon dioxide density in the high-pressure gas storage chamber, kg/cm3; ρ l , C - Carbon dioxide density in the low-pressure gas storage chamber, kg/cm3; β V - Void compression coefficient, β W - Coefficient of density variation of an underground aquifer.
To compare the performance of compression systems with air and COas working fluids, exergy, system cycle efficiency, heat storage efficiency, and energy storage density are widely used as thermodynamic evaluation indexes. Through exergy analysis and sensitivity analysis, the cause of exergy loss of the CCES system can be explained from the point of view of system components and system topology. Then the exergy cost analysis method is used to analyze the thermal economy of the system.
The energy and exergy of the system may be studied using a thermodynamic model, and the impacts of important factors on the system's performance can be compared, providing a foundation for further system improvement. LCES and liquid air energy storage system (LAES) were evaluated through thermodynamic analysis to assess their performance when Zhao et al. [87] suggested a new type of liquid carbon dioxide energy storage system (LCES) with two artificial storage tanks based on the Rankin cycle. Figure 11 depicts the influence of turbine inlet temperature on component exergy loss. The temperature of the turbine inlet has a considerable impact on both systems' net output power and energy generated per unit volume (EVR). Heater exergy loss rose by 1.9%, while co-current heat exchanger and turbine exergy damage increased by 1.9% and declined somewhat when turbine input temperature dropped. The cooler, heater and throttle valve are the primary sources of exergy loss in the LAES system. Exergy damage to heat exchangers and heaters is more severe with the LCES system.
Most of the relevant work was done in the past using traditional exergy analysis methods to uncover the energy-saving potential sources of each component and compare the thermodynamic properties of different systems. Traditional exergy analysis, on the other hand, is unable to reveal the thermodynamic interaction between components. To assess the performance of CAES and SC-CCES, Liu et al.[74] apply both traditional and advanced exergy analysis. Based on sophisticated exergy analysis, the improvement techniques of different energy storage systems vary substantially, as illustrated in Figure 12(a-b). In SC-CCES, the energy-saving potential of the entire system and individual components matches their exergy loss, but in CAES, they are out of balance with exergy loss. The interplay between different components is critical for SC-CCES to decrease exergy loss, whereas the internal structure of CAES has the greatest impact on preventable exergy loss.
Improved turbine and compressor efficiency, as well as a smaller temperature differential between hot and cold refrigerants, can significantly minimize the system's unnecessary exergy loss. Zhang et al. [88] designed and investigated a CCES system based on the Brayton cycle and using hot water as the heat storage system. The study of energy and exergy is done by creating a thermodynamic model of the system, as illustrated in Figure 13(a-b). Then, to expose the influence of various factors on system performance and to seek improvement possibilities, a sensitivity analysis is performed. The cycle pressure is quite high, despite the fact that the RTE and exergy efficiency are relatively excellent and steady with changes in operating parameters under supercritical operation circumstances. Even the lowest pressure is higher than the critical pressure to maintain the post-input cooler's temperature higher than the output temperature. As a result, rather than a high compression ratio and Isentropic efficiency of compressors and turbines, the path of system optimization is toward a relatively high heat transfer efficiency and the lowest water temperature.
Several compressed gas energy storage technologies have been subjected to exergy study. Traditional exergy analysis, on the other hand, can only reveal the location, magnitude, and cause of exergy loss in an energy conversion system, not the energy-saving potential of a single component or the thermodynamic interaction between several components [89]. For the combined operation of compressed carbon dioxide energy storage and new energy power generation, there will be two different forms of energy input in the system. On the one hand, it is the electric energy converted from new energy that is input into the energy storage system. On the other hand, it is the heat energy added to increase the output work of the energy release system during the energy release process of the energy storage system. Due to the different sources of input electrical energy and thermal energy in the energy storage system, the input location and energy level are also different, which makes the performance evaluation of the compressed carbon dioxide energy storage system complicated. As a result, enhanced exergy analysis that focuses on identifying causes and decreasing exergy losses is required [90,91,92]. Exergy loss is split into internal/external and inevitable/avoidable portions in advanced exergy analysis, which substantially increases exergy analysis accuracy and comprehension of thermodynamic inefficiency [93].

5. Summary and Outlook

To sum up, a large number of scholars have done creative work to promote carbon dioxide energy storage systems, but the ability of high output power, eco-friendly and comprehensive flexible application of new energy still needs to be improved, as follow:
(1) develop COas a compressed carbon dioxide system model of gaseous or liquid fluid, and carry out coupling and innovation according to application scenarios, energy-saving requirements, etc;
(2) after analyzing the economy and maneuverability of CCES by thermodynamic analysis, the economic and technological advantages of CCES can be made clear;
(3) the energy-saving potential of single component and the thermodynamic interaction between different components are discussed by advanced analysis, and the source of damage is further analyzed to optimize the system structure and components. To ensure transcritical or supercritical operating conditions, most of the above carbon dioxide energy storage systems are designed with low compression ratio and expansion ratio.
However, given the system's low compression ratio for producing low-pressure heat, it's safe to assume that the system's restricted power capacity and poor energy density will unavoidably lead to a size and cost rise. In addition, the design scheme of equal distribution of compression ratio and expansion ratio is employed in the process of step-by-step compression and step-by-step expansion while determining the thermal parameters of the above- CCES system. The effect of changes in carbon dioxide's physical qualities on the thermodynamic parameters of the system's compression and expansion processes is not completely taken into consideration. As a result, there is a lot of opportunity for improvement in the CCES system's thermal performance. Currently, research on CCES systems is based on the differences in carbon dioxide storage state, and then the system is built based on different storage states, but there is no comparative analysis of CCES systems in different storage states. Simultaneously, there is a scarcity of studies on system loss. The next large-scale CCES system will focus on developing a more precise analysis and system model. For multi-stage compression and multi-stage expansion processes, the design approaches of the average distribution of compression ratio and expansion ratio of compressors at all stages were used in prior design and study of CCES systems. For the development of the CCES system, it needs to focus on the following directions:
(a) Optimize the compression and expansion ratio distributions. On the contrary, during the energy storage process, carbon dioxide is gradually compressed, and the state of the working fluid changes from transcritical to supercritical; during the energy release process, carbon dioxide is gradually expanded, and the state of the working fluid changes from supercritical to transcritical. With increasing temperature and pressure, the power consumption of the compression process lowers while the output work of the expansion process rises due to the particular physical features of supercritical carbon dioxide. As a result, because the carbon dioxide power consumption capacity in each stage compressor differs from that in each stage expander, it is necessary to optimize the compression and expansion ratio distributions in the operation process of a transcritical CCES system to achieve the goal of energy savings and efficiency improvement.
(b) Combined surface devices and underground energy storage to simulate the whole system. The thermodynamic analysis of CCES systems of ground gas storage tanks is now being used in research on CCES systems. Although Liu et al.[93] proposed to use an underground saltwater aquifer for gas storage, their research is only aimed at the thermodynamic analysis of the equal part of the compressor, regenerator, and expansion permeability of surface equipment. There is a lack of thermodynamic analysis and research on the underground energy storage part of the deep aquifer CCES system (wellbore-aquifer). Due to the underground gas storage pressure, gas energy storage technology involves a lot of subject knowledge, including energy engineering, electric power engineering, groundwater engineering and geotechnical engineering, and so on. At present, the research on pressure gas energy storage of underground gas storage often studies the surface device and underground energy storage separately, and the thermodynamic analysis of the above-ground compressor, heat exchanger, and the turbine will idealize the process of underground energy storage. The study of the underground energy storage process will idealize the surface device, so it is impossible to carry out a complete thermodynamic analysis of the whole system in the research.
(c) Simulation of thermal-hydro-mechanical-chemical coupling. In the process of compressed carbon dioxide to underground storage, there may be a chemical reaction between carbon dioxide and formation rocks and minerals, and changes in pressure and temperature will cause mechanical effects. The fatigue damage effect of rock in the process of cyclic pumping should also be considered, so the method of multi-field coupling needs to be further improved in the future to make its simulation closer to the actual situation.

Author Contributions

Conceptualization, Hailing Ma and Yao Tong; methodology, Hailing Ma; software, Hongxu Wang; validation, Hailing Ma, Yao Tong, and Xiao Wang; formal analysis, Xiao Wang; investigation, Xiao Wang; resources, Hailing Ma; data curation, Hailing Ma; writing—original draft preparation, Hailing Ma; writing—review and editing, Yao Tong; visualization, Xiao Wang; supervision, Yao Tong; project administration, Xiao Wang; funding acquisition, Yao Tong. All authors have read and agreed to the published version of the manuscript.

Funding

This work was supported by the National Natural Science Foundation of China (No. 52272096).

Institutional Review Board Statement

Not applicable.

Informed Consent Statement

Not applicable.

Data Availability Statement

No new data were created or analyzed in this study. Data sharing is not applicable to this article.

Conflicts of Interest

The authors declare no conflict of interest.

Nomenclature

TC Transcritical
C ˙ Exergy cost($/s) TES Thermal energy storage
E ˙ ˙ Exergy (kW) TV Throttle valve
P Pressure (MPa) V Value
Q Heat absorption (kJ) Subscripts and Superscripts
W Work (kW) AV Avoidable exergy loss
Z ˙ Equal annual amortization cost($/s) c Compressor
Greek symbols C Carbon dioxide
η Efficiency(%) EG Energy
ρ Density( k g / m 3 ) EN Internal exergy loss
β Coefficient EX External exergy loss
Abbreviations F Fuel
AA Advanced Adiabatic h High-pressure
C Compressor he Heat
CAES Compressed air energy storage In Input
CCES Compressed carbon dioxide energy storage k System Components
CCS Carbon capture and storage l Low-pressure
CCUS Carbon capture, utilization and storage L Loss
CES Cold energy storage Out Output
CFT Cold fluid tank P Produce
CR Cooler sg Standard Gas Power Plant
CS Cold storage t Turbine
E Expander tot Total
EVR Energy generated per unit volume UN Unavoidable exergy loss
FES Flywheel energy storage V Void compression
G Generator W Underground aquifer
HE Heat exchanger
HFT Hot fluid tank
HST High-pressure storage tank
LAES Liquid air energy storage
LCES Liquid carbon dioxide energy storage
LST Low-pressure storage tank
M Motor
PES Pumping energy storage
RTE Round-trip efficiency
SC Supercritical
T Turbine

References

  1. van Alphen, K.; Noothout, P.M.; Hekkert, M.P.; Turkenburg, W.C. Evaluating the development of carbon capture and storage technologies in the United States. Renew. Sustain. Energy Rev. 2010, 14, 971–986. [Google Scholar] [CrossRef]
  2. Golombek, R.; Greaker, M.; Kittelsen, S.A.; Røgeberg, O.; Aune, F.R. Carbon Capture and Storage Technologies in the European Power Market. Energy J. 2011, 32. [Google Scholar] [CrossRef]
  3. K. Van Alphen, Q.v.V. tot Voorst, M.P. Hekkert, R.E. Smits, Societal acceptance of carbon capture and storage technologies, Energy Policy, (2007) 4368-4380.
  4. A.B. Rao, E.S. Rubin, A technical, economic, and environmental assessment of amine-based COcapture technology for power plant greenhouse gas control, Environmental science & technology, (2002) 4467-4475.
  5. Baskar, P.; Senthilkumar, A. Effects of oxygen enriched combustion on pollution and performance characteristics of a diesel engine. Eng. Sci. Technol. Int. J. 2016, 19, 438–443. [Google Scholar] [CrossRef]
  6. Yadav, S.; Mondal, S. A review on the progress and prospects of oxy-fuel carbon capture and sequestration (CCS) technology. Fuel 2022, 308, 122057. [Google Scholar] [CrossRef]
  7. Zhang, X.; Fan, J.-L.; Wei, Y.-M. Technology roadmap study on carbon capture, utilization and storage in China. Energy Policy 2013, 59, 536–550. [Google Scholar] [CrossRef]
  8. Smit, B.; Park, A.-H.A.; Gadikota, G. The Grand Challenges in Carbon Capture, Utilization, and Storage. Front. Energy Res. 2014, 2. [Google Scholar] [CrossRef]
  9. Edwards, R.W.J.; Celia, M.A. Infrastructure to enable deployment of carbon capture, utilization, and storage in the United States. Proc. Natl. Acad. Sci. 2018, 115, E8815–E8824. [Google Scholar] [CrossRef]
  10. Jiang, K.; Ashworth, P.; Zhang, S.; Liang, X.; Sun, Y.; Angus, D. China's carbon capture, utilization and storage (CCUS) policy: A critical review. Renew. Sustain. Energy Rev. 2020, 119, 109601. [Google Scholar] [CrossRef]
  11. age, G. Turan, A. Zapantis, L. Beck, C. Consoli, I. Havercroft, H. Liu, P. Loria, A. Schneider, E. Tamme, Global status of CCS 2019, Technical Report. Global CCS Institute, Melbourne, Australia, https://www …, 2019.
  12. Zhang, C.; Wei, Y.-L.; Cao, P.-F.; Lin, M.-C. Energy storage system: Current studies on batteries and power condition system. Renew. Sustain. Energy Rev. 2018, 82, 3091–3106. [Google Scholar] [CrossRef]
  13. Denholm, P.; Kulcinski, G.L. Life cycle energy requirements and greenhouse gas emissions from large scale energy storage systems. Energy Convers. Manag. 2004, 45, 2153–2172. [Google Scholar] [CrossRef]
  14. Shahmohammadi, A.; Sioshansi, R.; Conejo, A.J.; Afsharnia, S. The role of energy storage in mitigating ramping inefficiencies caused by variable renewable generation. Energy Convers. Manag. 2018, 162, 307–320. [Google Scholar] [CrossRef]
  15. Liu, J.; Hu, C.; Kimber, A.; Wang, Z. Uses, Cost-Benefit Analysis, and Markets of Energy Storage Systems for Electric Grid Applications. J. Energy Storage 2020, 32, 101731. [Google Scholar] [CrossRef]
  16. Bullich-Massagué, E.; Cifuentes-García, F.-J.; Glenny-Crende, I.; Cheah-Mañé, M.; Aragüés-Peñalba, M.; Díaz-González, F.; Gomis-Bellmunt, O. A review of energy storage technologies for large scale photovoltaic power plants. Appl. Energy 2020, 274, 115213. [Google Scholar] [CrossRef]
  17. Rahman, M.; Oni, A.O.; Gemechu, E.; Kumar, A. Assessment of energy storage technologies: A review. Energy Convers. Manag. 2020, 223, 113295. [Google Scholar] [CrossRef]
  18. Cao, Y.; Mousavi, S.B.; Ahmadi, P. Techno-economic assessment of a biomass-driven liquid air energy storage (LAES) system for optimal operation with wind turbines. Fuel 2022, 324. [Google Scholar] [CrossRef]
  19. Rehman, S.; Al-Hadhrami, L.M.; Alam, M.M. Pumped hydro energy storage system: A technological review. Renew. Sustain. Energy Rev. 2015, 44, 586–598. [Google Scholar] [CrossRef]
  20. Alirahmi, S.M.; Razmi, A.R.; Arabkoohsar, A. Comprehensive assessment and multi-objective optimization of a green concept based on a combination of hydrogen and compressed air energy storage (CAES) systems. Renew. Sustain. Energy Rev. 2021, 142, 110850. [Google Scholar] [CrossRef]
  21. Tong, Z.; Cheng, Z.; Tong, S. A review on the development of compressed air energy storage in China: Technical and economic challenges to commercialization. Renew. Sustain. Energy Rev. 2021, 135, 110178. [Google Scholar] [CrossRef]
  22. Nabat, M.H.; Sharifi, S.; Razmi, A.R. Thermodynamic and economic analyses of a novel liquid air energy storage (LAES) coupled with thermoelectric generator and Kalina cycle. J. Energy Storage 2022, 45, 103711. [Google Scholar] [CrossRef]
  23. Lueken, R.; Apt, J. The effects of bulk electricity storage on the PJM market. Energy Syst. 2014, 5, 677–704. [Google Scholar] [CrossRef]
  24. Ruester, S.; Schwenen, S.; Finger, M.; Glachant, J.M. A strategic energy technology policy towards 2050: no-regret strategies for European technology push. Int. J. Energy Technol. Policy 2013, 9, 160. [Google Scholar] [CrossRef]
  25. Oriti, G.; Julian, A.L.; Peck, N.J. Power-Electronics-Based Energy Management System With Storage. IEEE Trans. Power Electron. 2015, 31, 452–460. [Google Scholar] [CrossRef]
  26. Bazdar, E.; Sameti, M.; Nasiri, F.; Haghighat, F. Compressed air energy storage in integrated energy systems: A review. Renew. Sustain. Energy Rev. 2022, 167. [Google Scholar] [CrossRef]
  27. Olabi, A.; Wilberforce, T.; Ramadan, M.; Abdelkareem, M.A.; Alami, A.H. Compressed air energy storage systems: Components and operating parameters – A review. J. Energy Storage 2021, 34, 102000. [Google Scholar] [CrossRef]
  28. M. Qi, J. Park, R.S. Landon, J. Kim, Y. Liu, I. Moon, Continuous and flexible Renewable-Power-to-Methane via liquid COenergy storage: Revisiting the techno-economic potential, Renewable and Sustainable Energy Reviews, (2022) 111732.
  29. Liu, Z.; Liu, X.; Zhang, W.; Yang, S.; Li, H.; Yang, X. Thermodynamic analysis on the feasibility of a liquid energy storage system using CO2-based mixture as the working fluid. Energy 2021, 238, 121759. [Google Scholar] [CrossRef]
  30. Skorek-Osikowska, A.; Bartela, .; Katla, D.; Waniczek, S. Thermodynamic assessment of the novel concept of the energy storage system using compressed carbon dioxide, methanation and hydrogen generator. Fuel 2021, 304, 120764. [CrossRef]
  31. Zhao, P.; Xu, W.; Zhang, S.; Gou, F.; Wang, J.; Dai, Y. Components design and performance analysis of a novel compressed carbon dioxide energy storage system: A pathway towards realizability. Energy Convers. Manag. 2021, 229, 113679. [Google Scholar] [CrossRef]
  32. Pentland, C.H.; El-Maghraby, R.; Iglauer, S.; Blunt, M.J. Measurements of the capillary trapping of super-critical carbon dioxide in Berea sandstone. Geophys. Res. Lett. 2011, 38. [Google Scholar] [CrossRef]
  33. Perera, M.; Ranjith, P.; Viete, D. Effects of gaseous and super-critical carbon dioxide saturation on the mechanical properties of bituminous coal from the Southern Sydney Basin. Appl. Energy 2013, 110, 73–81. [Google Scholar] [CrossRef]
  34. Isaka, B.A.; Ranjith, P.; Rathnaweera, T. The use of super-critical carbon dioxide as the working fluid in enhanced geothermal systems (EGSs): A review study. Sustain. Energy Technol. Assessments 2019, 36, 100547. [Google Scholar] [CrossRef]
  35. J. Sarkar, Cycle parameter optimization of vortex tube expansion transcritical COsystem, International Journal of Thermal Sciences, (2009) 1823-1828.
  36. F. Zhang, P. Jiang, Y. Lin, Y. Zhang, Efficiencies of subcritical and transcritical COinverse cycles with and without an internal heat exchanger, Applied Thermal Engineering, (2011) 432-438.
  37. B. Yu, J. Yang, D. Wang, J. Shi, J. Chen, An updated review of recent advances on modified technologies in transcritical COrefrigeration cycle, Energy, (2019) 116147.
  38. F.E. Manjili, M. Cheraghi, Performance of a new two-stage transcritical COrefrigeration cycle with two ejectors, Applied Thermal Engineering, (2019) 402-409.
  39. Garg, P.; Kumar, P.; Srinivasan, K. Supercritical carbon dioxide Brayton cycle for concentrated solar power. J. Supercrit. Fluids 2013, 76, 54–60. [Google Scholar] [CrossRef]
  40. Wu, P.; Ma, Y.; Gao, C.; Liu, W.; Shan, J.; Huang, Y.; Wang, J.; Zhang, D.; Ran, X. A review of research and development of supercritical carbon dioxide Brayton cycle technology in nuclear engineering applications. Nucl. Eng. Des. 2020, 368, 110767. [Google Scholar] [CrossRef]
  41. Meng, J.; Wei, M.; Song, P.; Tian, R.; Hao, L.; Zheng, S. Performance evaluation of a solar transcritical carbon dioxide Rankine cycle integrated with compressed air energy storage. Energy Convers. Manag. 2020, 215, 112931. [Google Scholar] [CrossRef]
  42. D. Yang, Y. Song, F. Cao, L. Jin, X. Wang, Theoretical and experimental investigation of a combined R134a and transcritical COheat pump for space heating, International Journal of Refrigeration, (2016) 156-170.
  43. Z. Liu, Z. Liu, X. Xin, X. Yang, Proposal and assessment of a novel carbon dioxide energy storage system with electrical thermal storage and ejector condensing cycle: Energy and exergy analysis, Applied Energy, (2020) 115067.
  44. Hao, Y.; He, Q.; Zhou, Q.; Du, D. Modeling and techno-economic analysis of a novel trans-critical carbon dioxide energy storage system based on life cycle cost method. J. Energy Storage 2020, 28, 101273. [Google Scholar] [CrossRef]
  45. Morandin, M.; Maréchal, F.; Mercangöz, M.; Buchter, F. Conceptual design of a thermo-electrical energy storage system based on heat integration of thermodynamic cycles – Part A: Methodology and base case. Energy 2012, 45, 375–385. [Google Scholar] [CrossRef]
  46. Liu, H.; He, Q.; Borgia, A.; Pan, L.; Oldenburg, C.M. Thermodynamic analysis of a compressed carbon dioxide energy storage system using two saline aquifers at different depths as storage reservoirs. Energy Convers. Manag. 2016, 127, 149–159. [Google Scholar] [CrossRef]
  47. Zhang, Y.; Yao, E.; Zhang, X.; Yang, K. Thermodynamic analysis of a novel compressed carbon dioxide energy storage system with low-temperature thermal storage. Int. J. Energy Res. 2020, 44, 6531–6554. [Google Scholar] [CrossRef]
  48. Liu, Z.; Liu, B.; Guo, J.; Xin, X.; Yang, X. Conventional and advanced exergy analysis of a novel transcritical compressed carbon dioxide energy storage system. Energy Convers. Manag. 2019, 198. [Google Scholar] [CrossRef]
  49. Tanaka, A.; Yamano, M.; Yano, Y.; Sasada, M. Geothermal gradient and heat flow data in and around Japan (I): Appraisal of heat flow from geothermal gradient data. Earth, Planets Space 2004, 56, 1191–1194. [Google Scholar] [CrossRef]
  50. Xu, M.; Wang, X.; Wang, Z.; Zhao, P.; Dai, Y. Preliminary design and performance assessment of compressed supercritical carbon dioxide energy storage system. Appl. Therm. Eng. 2020, 183, 116153. [Google Scholar] [CrossRef]
  51. Cao, Z.; Deng, J.; Zhou, S.; He, Y. Research on the feasibility of compressed carbon dioxide energy storage system with underground sequestration in antiquated mine goaf. Energy Convers. Manag. 2020, 211, 112788. [Google Scholar] [CrossRef]
  52. Wang, M.; Zhao, P.; Wu, Y.; Dai, Y. Performance analysis of a novel energy storage system based on liquid carbon dioxide. Appl. Therm. Eng. 2015, 91, 812–823. [Google Scholar] [CrossRef]
  53. Zhang, Y.; Yang, K.; Hong, H.; Zhong, X.; Xu, J. Thermodynamic analysis of a novel energy storage system with carbon dioxide as working fluid. Renew. Energy 2016, 99, 682–697. [Google Scholar] [CrossRef]
  54. He, Q.; Hao, Y.; Liu, H.; Liu, W. Analysis of exergy efficiency of a super-critical compressed carbon dioxide energy-storage system based on the orthogonal method. PLOS ONE 2018, 13, e0195614. [Google Scholar] [CrossRef]
  55. Wang, M.; Zhao, P.; Yang, Y.; Dai, Y. Performance analysis of energy storage system based on liquid carbon dioxide with different configurations. Energy 2015, 93, 1931–1942. [Google Scholar] [CrossRef]
  56. Liu, Z.; Cao, F.; Guo, J.; Liu, J.; Zhai, H.; Duan, Z. Performance analysis of a novel combined cooling, heating and power system based on carbon dioxide energy storage. Energy Convers. Manag. 2019, 188, 151–161. [Google Scholar] [CrossRef]
  57. Koohi-Kamali, S.; Tyagi, V.; Rahim, N.; Panwar, N.; Mokhlis, H. Emergence of energy storage technologies as the solution for reliable operation of smart power systems: A review. Renew. Sustain. Energy Rev. 2013, 25, 135–165. [Google Scholar] [CrossRef]
  58. M. Yari, S. Mahmoudi, Thermodynamic analysis and optimization of novel ejector-expansion TRCC (transcritical CO2) cascade refrigeration cycles (Novel transcritical COcycle), Energy, (2011) 6839-6850.
  59. S.A. Wright, P.S. S.A. Wright, P.S. Pickard, R. Fuller, R.F. Radel, M.E. Vernon, Supercritical COBrayton cycle power generation development program and initial test results, ASME power conference, 2009, pp. 573-583.
  60. S.A. Wright, R.F. S.A. Wright, R.F. Radel, M.E. Vernon, G.E. Rochau, P.S. Pickard, Operation and analysis of a supercritical COBrayton cycle, Sandia Report, No. SAND2010-0171, (2010).
  61. Y. Ahn, S.J. Y. Ahn, S.J. Bae, M. Kim, S.K. Cho, S. Baik, J.I. Lee, J.E. Cha, Review of supercritical COpower cycle technology and current status of research and development, Nuclear engineering and technology, (2015) 647-661.
  62. Madlener, R.; Latz, J. Economics of centralized and decentralized compressed air energy storage for enhanced grid integration of wind power. Appl. Energy 2013, 101, 299–309. [Google Scholar] [CrossRef]
  63. Huang, L.; Liu, Y.; Krigsvoll, G.; Johansen, F. Life cycle assessment and life cycle cost of university dormitories in the southeast China: Case study of the university town of Fuzhou. J. Clean. Prod. 2018, 173, 151–159. [Google Scholar] [CrossRef]
  64. Lu, K.; Jiang, X.; Yu, J.; Tam, V.W.; Skitmore, M. Integration of life cycle assessment and life cycle cost using building information modeling: A critical review. J. Clean. Prod. 2021, 285, 125438. [Google Scholar] [CrossRef]
  65. Bartela. ; Skorek-Osikowska, A.; Dykas, S.; Stanek, B. Thermodynamic and economic assessment of compressed carbon dioxide energy storage systems using a post-mining underground infrastructure. Energy Convers. Manag. 2021, 241, 114297. [Google Scholar] [CrossRef]
  66. Chaychizadeh, F.; Dehghandorost, H.; Aliabadi, A.; Taklifi, A. Stochastic dynamic simulation of a novel hybrid thermal-compressed carbon dioxide energy storage system (T-CCES) integrated with a wind farm. Energy Convers. Manag. 2018, 166, 500–511. [Google Scholar] [CrossRef]
  67. Alami, A.H.; Abu Hawili, A.; Hassan, R.; Al-Hemyari, M.; Aokal, K. Experimental study of carbon dioxide as working fluid in a closed-loop compressed gas energy storage system. Renew. Energy 2019, 134, 603–611. [Google Scholar] [CrossRef]
  68. Alirahmi, S.M.; Rostami, M.; Farajollahi, A.H. Multi-criteria design optimization and thermodynamic analysis of a novel multi-generation energy system for hydrogen, cooling, heating, power, and freshwater. Int. J. Hydrogen Energy 2020, 45, 15047–15062. [Google Scholar] [CrossRef]
  69. Zhao, P.; Wang, J.; Dai, Y. Thermodynamic analysis of an integrated energy system based on compressed air energy storage (CAES) system and Kalina cycle. Energy Convers. Manag. 2015, 98, 161–172. [Google Scholar] [CrossRef]
  70. G.P. Hammond, A. G.P. Hammond, A. Stapleton, Exergy analysis of the United Kingdom energy system, Proceedings of the Institution of Mechanical Engineers, Part A: Journal of Power and Energy, (2001) 141-162.
  71. Wang, L.; Yang, Y.; Morosuk, T.; Tsatsaronis, G. Advanced Thermodynamic Analysis and Evaluation of a Supercritical Power Plant. Energies 2012, 5, 1850–1863. [Google Scholar] [CrossRef]
  72. Morosuk, T.; Tsatsaronis, G. A new approach to the exergy analysis of absorption refrigeration machines. Energy 2008, 33, 890–907. [Google Scholar] [CrossRef]
  73. G. Tsatsaronis, Strengths and limitations of exergy analysis, Thermodynamic optimization of complex energy systems, Springer1999, pp. 93-100.
  74. He, Q.; Liu, H.; Hao, Y.; Liu, Y.; Liu, W. Thermodynamic analysis of a novel supercritical compressed carbon dioxide energy storage system through advanced exergy analysis. Renew. Energy 2018, 127, 835–849. [Google Scholar] [CrossRef]
  75. Z. Liu, Z. Z. Liu, Z. Liu, X. Yang, H. Zhai, X. Yang, Advanced exergy and exergoeconomic analysis of a novel liquid carbon dioxide energy storage system, Energy Conversion and Management, (2020) 112391.
  76. Breyer, C.; Bogdanov, D.; Komoto, K.; Ehara, T.; Song, J.; Enebish, N. North-East Asian Super Grid: Renewable energy mix and economics. Jpn. J. Appl. Phys. 2015, 54, 08KJ01. [Google Scholar] [CrossRef]
  77. Ehyaei, M.; Ahmadi, A.; Rosen, M.A. Energy, exergy, economic and advanced and extended exergy analyses of a wind turbine. Energy Convers. Manag. 2019, 183, 369–381. [Google Scholar] [CrossRef]
  78. Luderer, G.; Bosetti, V.; Jakob, M.; Leimbach, M.; Steckel, J.C.; Waisman, H.; Edenhofer, O. The economics of decarbonizing the energy system—results and insights from the RECIPE model intercomparison. Clim. Chang. 2012, 114, 9–37. [Google Scholar] [CrossRef]
  79. Elsayed, M.L.; Mesalhy, O.; Mohammed, R.H.; Chow, L.C. Performance modeling of MED-MVC systems: Exergy-economic analysis. Energy 2018, 166, 552–568. [Google Scholar] [CrossRef]
  80. Torres, C.; Valero, A. The Exergy Cost Theory Revisited. Energies 2021, 14, 1594. [Google Scholar] [CrossRef]
  81. Q. He, H. Q. He, H. Liu, W. Liu, Exergy and exergy cost analysis model for wind-compressed air energy storage system, Thermal Power Generation, (2016) 34-39.
  82. Petrakopoulou, F.; Tsatsaronis, G.; Morosuk, T.; Paitazoglou, C. Environmental evaluation of a power plant using conventional and advanced exergy-based methods. Energy 2012, 45, 23–30. [Google Scholar] [CrossRef]
  83. Y.Y.-P.L. Wen-Yi, G.X.-Y.L. Y.Y.-P.L. Wen-Yi, G.X.-Y.L. Xiang, An exergoeconomics model for energy system by considering the environmental costs, Journal of Engineering Thermophysics, (2004).
  84. Keshavarzian, S.; Rocco, M.V.; Gardumi, F.; Colombo, E. Practical approaches for applying thermoeconomic analysis to energy conversion systems: Benchmarking and comparative application. Energy Convers. Manag. 2017, 150, 532–544. [Google Scholar] [CrossRef]
  85. S. Succar, R.H. S. Succar, R.H. Williams, Compressed air energy storage: theory, resources, and applications for wind power, Princeton environmental institute report, (2008) 81.
  86. Wang, R.; Wang, F.; Boroyevich, D.; Burgos, R.; Lai, R.; Ning, P.; Rajashekara, K. A High Power Density Single-Phase PWM Rectifier With Active Ripple Energy Storage. IEEE Trans. Power Electron. 2010, 26, 1430–1443. [Google Scholar] [CrossRef]
  87. Xu, M.; Zhao, P.; Huo, Y.; Han, J.; Wang, J.; Dai, Y. Thermodynamic analysis of a novel liquid carbon dioxide energy storage system and comparison to a liquid air energy storage system. J. Clean. Prod. 2019, 242, 118437. [Google Scholar] [CrossRef]
  88. X.R. Zhang, G.B. X.R. Zhang, G.B. Wang, Thermodynamic analysis of a novel energy storage system based on compressed COfluid, International Journal of Energy Research, (2017) 1487-1503.
  89. Yang, Y.; Wang, L.; Dong, C.; Xu, G.; Morosuk, T.; Tsatsaronis, G. Comprehensive exergy-based evaluation and parametric study of a coal-fired ultra-supercritical power plant. Appl. Energy 2013, 112, 1087–1099. [Google Scholar] [CrossRef]
  90. Vatani, A.; Mehrpooya, M.; Palizdar, A. Advanced exergetic analysis of five natural gas liquefaction processes. Energy Convers. Manag. 2014, 78, 720–737. [Google Scholar] [CrossRef]
  91. Tsatsaronis, G.; Morosuk, T. Advanced exergetic analysis of a novel system for generating electricity and vaporizing liquefied natural gas. Energy 2010, 35, 820–829. [Google Scholar] [CrossRef]
  92. Petrakopoulou, F.; Tsatsaronis, G.; Morosuk, T.; Carassai, A. Conventional and advanced exergetic analyses applied to a combined cycle power plant. Energy 2012, 41, 146–152. [Google Scholar] [CrossRef]
  93. Zhang, Y.; Yao, E.; Tian, Z.; Gao, W.; Yang, K. Exergy destruction analysis of a low-temperature Compressed Carbon dioxide Energy Storage system based on conventional and advanced exergy methods. Appl. Therm. Eng. 2020, 185, 116421. [Google Scholar] [CrossRef]
Figure 1. Development diagram of round-trip efficiency of CCES system.
Figure 1. Development diagram of round-trip efficiency of CCES system.
Preprints 100974 g001
Figure 2. A schematic of the carbon dioxide electrothermal energy storage system's cycle [43].
Figure 2. A schematic of the carbon dioxide electrothermal energy storage system's cycle [43].
Preprints 100974 g002
Figure 3. Schematic diagram of CCES system [48].
Figure 3. Schematic diagram of CCES system [48].
Preprints 100974 g003
Figure 4. (a) Compressed COenergy storage system based on Brayton cycle [53]; (b) integrated energy storage system of supercritical (transcritical) CORankine cycle and voltage shrinking refrigeration cycle [54]; (c) effect of turbine efficiency on exergy [53].
Figure 4. (a) Compressed COenergy storage system based on Brayton cycle [53]; (b) integrated energy storage system of supercritical (transcritical) CORankine cycle and voltage shrinking refrigeration cycle [54]; (c) effect of turbine efficiency on exergy [53].
Preprints 100974 g004aPreprints 100974 g004b
Figure 5. Various compressed COenergy storage systems: (a) a carbon dioxide energy storage system with a phase transition device [55]; (b) an energy storage system with a combination of wind energy and carbon dioxide [55].
Figure 5. Various compressed COenergy storage systems: (a) a carbon dioxide energy storage system with a phase transition device [55]; (b) an energy storage system with a combination of wind energy and carbon dioxide [55].
Preprints 100974 g005
Figure 6. A new triple production system based on transcritical Brayton cycle and carbon dioxide energy storage [56].
Figure 6. A new triple production system based on transcritical Brayton cycle and carbon dioxide energy storage [56].
Preprints 100974 g006
Figure 7. A carbon dioxide energy storage system with underground rock strata[46].
Figure 7. A carbon dioxide energy storage system with underground rock strata[46].
Preprints 100974 g007
Figure 8. (a) a cross-carbon dioxide energy storage system based on Brayton cycle [53];(b) an ultra-carbon dioxide energy storage system based on Brayton cycle [53].
Figure 8. (a) a cross-carbon dioxide energy storage system based on Brayton cycle [53];(b) an ultra-carbon dioxide energy storage system based on Brayton cycle [53].
Preprints 100974 g008
Figure 9. Flowchart of calculation of life cycle cost analysis.
Figure 9. Flowchart of calculation of life cycle cost analysis.
Preprints 100974 g009
Figure 10. Exergy cost analysis model.
Figure 10. Exergy cost analysis model.
Preprints 100974 g010
Figure 11. The effect of turbine inlet temperature on the damage of LCES components[87].
Figure 11. The effect of turbine inlet temperature on the damage of LCES components[87].
Preprints 100974 g011
Figure 12. (a) the effect of turbine efficiency on SC-CCES under traditional turbine analysis; (b) the effect of turbine efficiency on SC-CCES under advanced turbine analysis[74].
Figure 12. (a) the effect of turbine efficiency on SC-CCES under traditional turbine analysis; (b) the effect of turbine efficiency on SC-CCES under advanced turbine analysis[74].
Preprints 100974 g012
Figure 13. (a) the scale diagram of CCES system components under supercritical condition; (b) the scale diagram of CCES system components under supercritical condition [88].
Figure 13. (a) the scale diagram of CCES system components under supercritical condition; (b) the scale diagram of CCES system components under supercritical condition [88].
Preprints 100974 g013
Table 1. Technical parameters of different electric energy storage [22,23,24,25].
Table 1. Technical parameters of different electric energy storage [22,23,24,25].
Energy Storage Mode Initial Investment Dollar /kWh Rated Power /MW Discharge Duration Cycleefficiency /% Cycle Life/Year
Physical energy storage Pumping energy storage(PES) 10.6-21.2 10-1000 Minute level-hour level 65-80 30-50
Flywheel energy storage(FES) 1000-5000 0.01-20 Seconds-minutes 75-90 20-50
Compressed air energy storage(CAES) 3.18-5.3 10-300 Minute level-hour level 42-73 30-40
Liquid air energy storage (LAES) 7.6 10-500 Minute level-hour level 61.6 30-40
CCES 2.88 10-300 Minute level-hour level 64-67 30-40
Electromagnetic energy storage Supercapacitor 20000 0.05-0.1 Seconds-minutes 65-90 8-17
Superconducting electromagnetism - 1-100 Millisecond-second 80-95 20
Electrochemical energy storage Vanadium flow battery 600 0.2-12 Hour class 65-75 12-20
Zinc bromine flow battery 450 0.1-15 Hour class 60-70 15
Sodium-sulfur battery 450 0.05-30 Hour class 75-87 12-20
Lead-acid battery 50-100 0.05-10 Minute level-hour level 70-90 5-15
Lithium-ion battery 900-1300 - Minute level-hour level 80-95 10-20
Hydrogen fuel cell 2-15 0.01-50 Minute level-hour level 20-50 5-20
Table 2. Order of magnitude comparison of physical properties of the same carbon dioxide in gaseous, liquid and supercritical transitions [60,61].
Table 2. Order of magnitude comparison of physical properties of the same carbon dioxide in gaseous, liquid and supercritical transitions [60,61].
Fluid Category Density (kg·m-3) Viscosity (g·cm-3·s-1) Diffusion Coefficient (cm2·s-1)
Gaseous 1 10-4 10-1
liquid 1000 10-2 10-5
Super 300-800 10-4 10-4
Table 3. Comparison of Thermodynamic Analysis Methods.
Table 3. Comparison of Thermodynamic Analysis Methods.
Enthalpy Analysis Entropy Analysis Exergy Analysis Exoeconomic Analysis
Theoretical basis The first law of thermodynamics The second law of thermodynamics The first and second laws of thermodynamics The first and second laws of thermodynamics; economics; cost accounting, etc.
Evaluation standard Energy efficiency Irreversible coefficient Exergy efficiency Economic isometrics such as exergy efficiency, cost difference, and exergy economic factors
Essence Conservation of energy in "quantity" Pay more attention to the level of energy "quality" Taking into account the "quantity" and "quality" of energy Balance the thermodynamic and economic properties of energy
Environment Benchmark Benchmark Physical environment physical and economic environment
Content Quantity Quality Quantity and quality The relationship between exergy and economy
Purpose Analyze external losses reveal the irreversibility of the system Internal and External Losses Revealing the weak links in the exergy economy
Scope of application Suitable for short-term decisions Suitable for mid-term decisions Suitable for mid-term decisions Focus on ideals and apply strategic decisions
Disclaimer/Publisher’s Note: The statements, opinions and data contained in all publications are solely those of the individual author(s) and contributor(s) and not of MDPI and/or the editor(s). MDPI and/or the editor(s) disclaim responsibility for any injury to people or property resulting from any ideas, methods, instructions or products referred to in the content.
Copyright: This open access article is published under a Creative Commons CC BY 4.0 license, which permit the free download, distribution, and reuse, provided that the author and preprint are cited in any reuse.
Prerpints.org logo

Preprints.org is a free preprint server supported by MDPI in Basel, Switzerland.

Subscribe

Disclaimer

Terms of Use

Privacy Policy

Privacy Settings

© 2026 MDPI (Basel, Switzerland) unless otherwise stated