Submitted:
04 December 2023
Posted:
05 December 2023
You are already at the latest version
Abstract
Keywords:
1. Introduction
2. Experiment
2.1. Experimental materials and pre-treatment
2.2. Experimental equipment and characterization
3. Discussion and Analysis
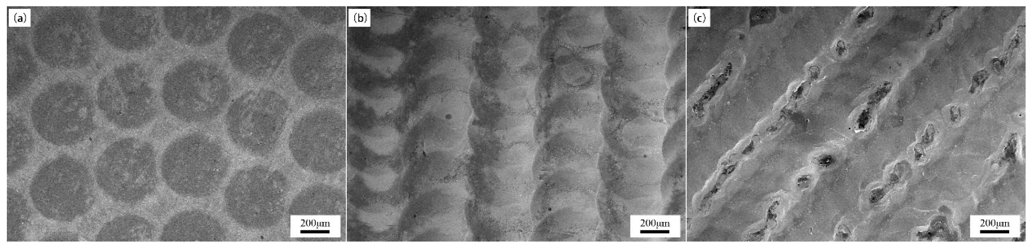
3.1. The influence of laser parameters on the surface morphology
3.1.1. The effect of laser frequency on the surface morphology
3.1.2. The effect of pulse width on the surface morphology
3.1.3. The effect of laser current on the surface morphology
3.2. The influence of laser parameters on the surface microhardness
3.2.1. The effect of laser frequency on surface microhardness
3.2.2. The effect of pulse width on surface microhardness
3.2.3. The effect of pulse width on surface microhardness
3.3. The influence of laser parameters on the surface wear resistance
3.3.1. The effect of laser frequency on the surface wear resistance
3.3.2. The effect of pulse width on the surface wear resistance
3.3.2. The effect of laser current on the surface wear resistance
4. Conclusions
Author Contributions
Funding
Acknowledgments
Conflicts of Interest
References
- Chen, C.; Guo, Z.H; Guo, Y.Y.; Wang, R.Z.; Tang, E.L. Variable mechanism of electrical impedance for MCT high voltage switch under synergetic action of the mechanical and electric loads. Phys. Scr. 2023, 98. [Google Scholar] [CrossRef]
- Miao, J.; Chen, P.; Wu, J.F.; Fei, B.; Wu, X.; Liu, W.; Wan, J.F.; Wang, Y. Multi-spectral Characteristics of Arc Discharge in Switch Cabinet. J. Phys. Conf. Ser. 2022, 2359. [Google Scholar] [CrossRef]
- Yang, Y.B.; Guo, X.H.; Song, K.X.; Long, F.; Wang, X.; Li, S.L.; Li, Z. Electrical wear performance of copper matrix composites reinforced with hybrid CNTs and TiBsub2/sub particles. Ind. Lubr. Tribol. 2022, 74, 609–618. [Google Scholar] [CrossRef]
- Yang, B.K.; Chen, Y.; Hao, W.K.; Han, Y.; Zhang, Q.; Li, Y.J.; Wang, X.F.; Huang, L.Y.; Lu, Y.L. The Corrosion Behavior of Different Silver Plating Layers as Electrical Contact Materials in Sulfur-Containing Environments. Coatings, 2023, 13. [Google Scholar] [CrossRef]
- Li, K.; Fang, J.H.; Liao, R.B.; Jiang, Y.H.; Xu, J.; Li, J.Y.; Cao, H.J.; Luo, T.M.; Zhang, J. Research Status and Prospect of High-performance Metal Laser energy-field Surface Heat Treatment Technology. Chin. J. Lasers 2024, 1–30. http://kns.cnki.net/kcms/detail/31.1339.TN.20231114.1007.032.html.
- Li, C.W.; Zhu, J.L.; Cai, Z.L.; Mei, L.; Jiao, X.D.; Du, X.; Wang, K. Microstructure and Corrosion Resistance of Underwater Laser Cladded Duplex Stainless Steel Coating after Underwater Laser Remelting Processing. Materials 2021, 14, 4965–4965. [Google Scholar] [CrossRef] [PubMed]
- Ni, Y.Q.; Dong, G.N.; Tong, Z.; Li, X.; Wang, W. Effect of laser remelting on tribological properties of Babbitt alloy. Mater. Res. Express 2019, 6, 096570–096570. [Google Scholar] [CrossRef]
- Zhu, J.; Hua, Y.T.; He, Q.S.; Liu, Y.; Huang, A.J.; Yang, Y.; Zhang, K. Research Progress on Laser Remelting in Selective Laser Melting. Rare Met. Mater. Eng. 2023, 52, 1932–1942. [Google Scholar]
- Xie, H.B.; Guan, W.M.; Lv, H.; Yang, H.Y.; Gao, M.Y.; Fang, Y.T.; Liu, J.B.; Wang, H.T. W-Cu/Cu composite electrodes fabricated via laser surface alloying. Mater. Charact. 2022, 185. [Google Scholar] [CrossRef]
- Zhang, B.; Wang, H.M.; Chen, R.; He, B.; Cao, Y.G.; Liu, D. Laser surface alloying with carbon on 15-5PH steel for improved wear resistance. Surf. Eng. 2021, 37, 669–677. [Google Scholar] [CrossRef]
- He, J.Y.; Wu, X.Q.; Xie, F.Q.; Dong, M.J.; Zhou, K.; Li, L.; He, D.D.; Wang, S.Q. Microstructure and Wear Properties of Laser Remelted Microarc Oxide Coating on Titanium Alloy. Rare Met. Mater. Eng. 2023, 52, 2424–2433. [Google Scholar]
- Xiong, T.C.; Yin, Y.Y.; Lu, D.H.; Wu, G.L.; Wang, Y.; Yao, J.H. Microstructure and Mechanism of Copper Layer Processed with Laser Remelting and Electrochemical Deposition Interaction Process. Chin. J. Lasers 2023, 50, 67–79. [Google Scholar]
- Zheng, Z.J.; Zheng, X. Temperature field simulation and process optimization of SLM forming of 316L stainless steel based on laser remelting. Mater. Rep. 2024, 1–12. http://kns.cnki.net/kcms/detail/50.1078.TB.20230824.1109.002.html.
- Xiong, A.H.; Liu, Y.H.; Li, K.; Zhang, H.Y.; Fu, J.Y. Numerical Simulation and Experiments of Gray Cast Iron by Laser Surface Remelting. Laser Optoelectron. Prog. 2022, 59, 247–256. [Google Scholar]
- Liu, R.; Yu, J.C.; Yang, Q.F.; Wu, Z.J.; Xi, M.Z.; Gao, S.Y. Effect of Laser Power on Mechanical Property and Strengthening Mechanism of DH36 Marine Steel. Surf. Technol. 2023, 52, 408–417. [Google Scholar]
- Li, P.; Kong, L.H.; Huang, X.; Lian, G.F.; Yang, J.W. Corrosion Resistance of Stainless-Steel Surface Based on Laser Remelting. Spec. Cast. Nonferrous Alloys 2021, 41, 995–1000. [Google Scholar] [CrossRef]
- Zhang, P.; Zhou, H.; Wang, C.T.; Liu. Y.; Ren L.Q. Wear properties of H13 with micron scale and nano scale grains bionic units processed by laser remelting. Optics Laser Technol. 2013, 54, 219–224. [Google Scholar] [CrossRef]
- Amaya-Vázquez, M.R.; Sánchez-Amaya, J.M.; Boukha, Z.; El Amrani, K.; Francisco, J.B. Application of Laser Remelting Treatments to Improve the Properties of Ti6Al4V Alloy. Mater. Sci. Forum 2012, 1646, 25–30. [Google Scholar] [CrossRef]










Disclaimer/Publisher’s Note: The statements, opinions and data contained in all publications are solely those of the individual author(s) and contributor(s) and not of MDPI and/or the editor(s). MDPI and/or the editor(s) disclaim responsibility for any injury to people or property resulting from any ideas, methods, instructions or products referred to in the content. |
© 2023 by the authors. Licensee MDPI, Basel, Switzerland. This article is an open access article distributed under the terms and conditions of the Creative Commons Attribution (CC BY) license (http://creativecommons.org/licenses/by/4.0/).