Submitted:
29 June 2023
Posted:
03 July 2023
Read the latest preprint version here
Abstract

Keywords:
1. Introduction
2. Materials and Methods
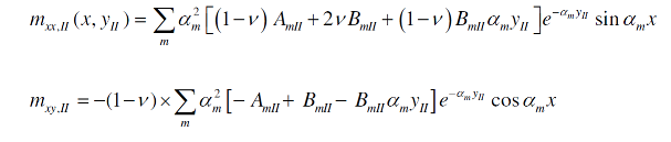
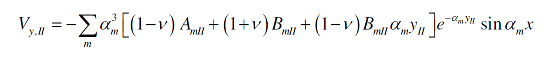
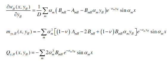
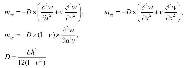
2.1. Governing Equations of the Plate
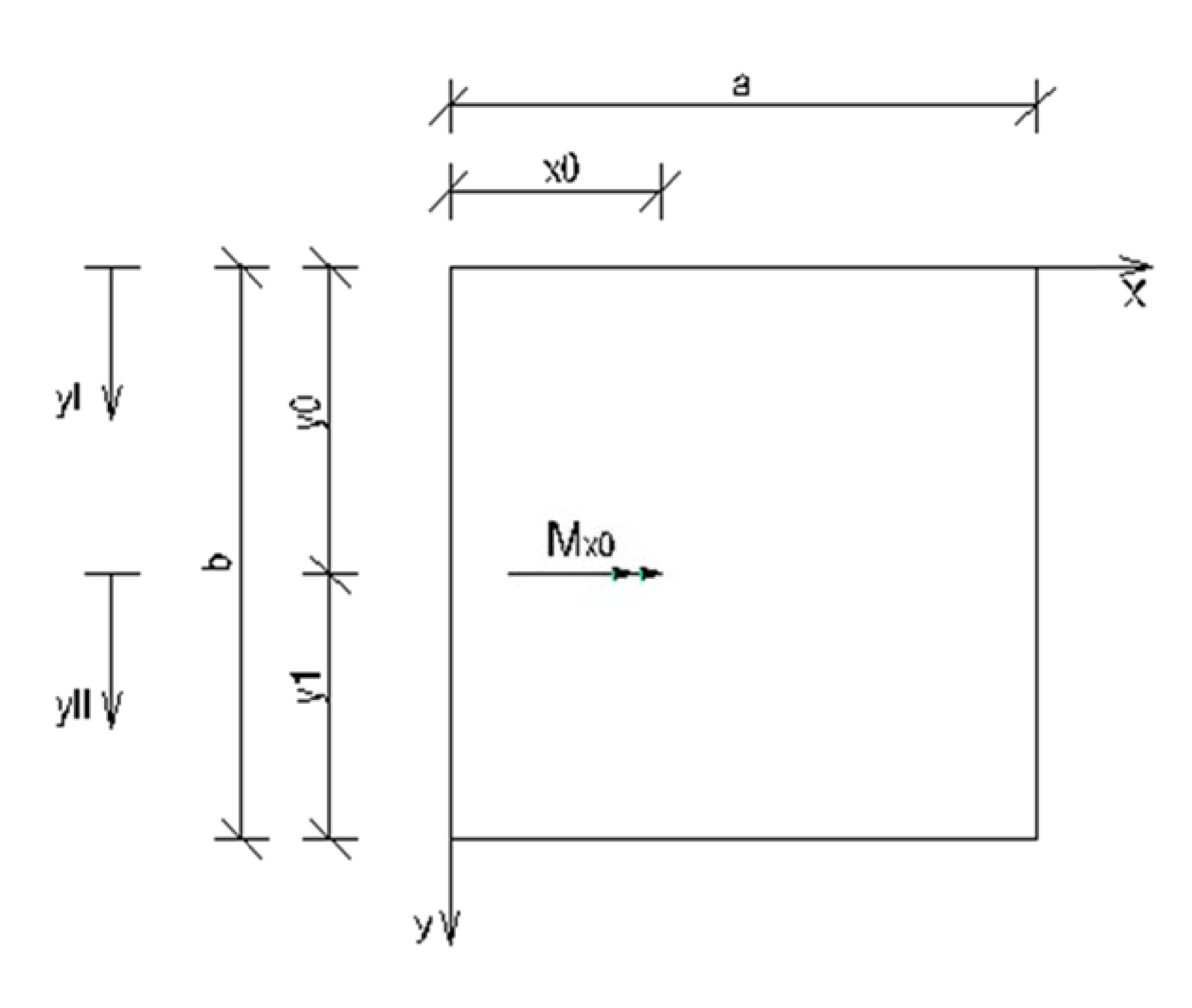
2.2. Rectangular Plate Supported along Two Opposite Edges and Subjected to a Concentrated Bending Moment
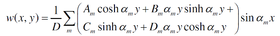
2.2.1. Standard Solution to the Problem
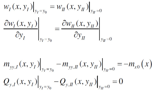
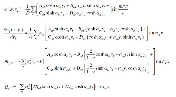
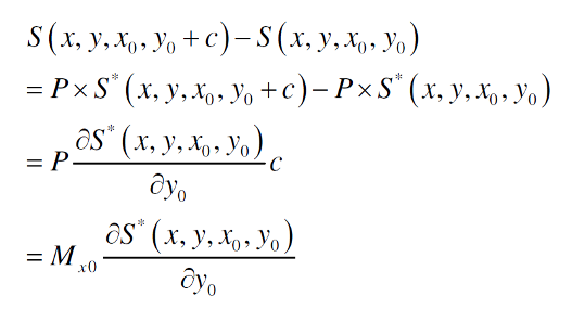
2.2.2. Solution of This Study: Rectangular Plate with Two Opposite Edges Simply Supported
2.2.3. Solution of This Study: Rectangular Plate of Infinite Length with Two Opposite Edges Simply Supported
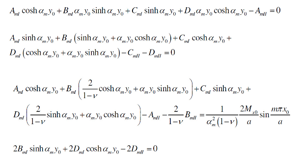
2.2.4. Solution of This Study: Rectangular Plate with One or Two Opposite Edges Clamped
3. Results and Discussion
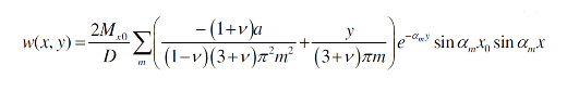
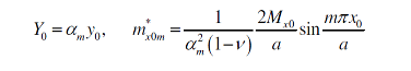
3.1. Plate of Infinite Length Subjected to a Concentrated Moment in the Middle
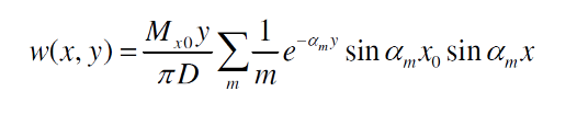
3.2. Plate of Infinite Length Subjected at Its End to a Concentrated Moment
4. Conclusion
Conflicts of Interest
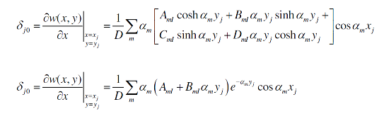
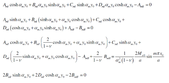
Appendix A. Coefficients AmI, BmI, CmI, and DmI and AmII, BmII, CmII, and DmII for Various Support Conditions at y = 0 and y = b
Appendix B. Plate of Infinite Length: Coefficients AmI, BmI, CmI, DmI, AmII, and BmII for Various Support Conditions at y = 0
References
- Kirchhoff, G. Über das Gleichgewicht und die Bewegung einer elastischen Scheibe. J. für die Reine und Angew. Math.; vol. 18, no. 40, pp. 51-88, 1850.
- Germain, S. Remarques sur la nature, les bornes et l’étendue de la question des surfaces élastiques et équation générale de ces surfaces. impr. de Huzard-Courcier, paris, 1826.
- Lévy, M. Sur l’équilibre élastique d’une plaque rectangulaire. Comptes rendus l’Académie des Sci. Paris, vol. 129, no. 1, pp. 535-539, 1899.
- Timoshenko, S., Woinowsky-Krieger, S. Theory of plates and shells. Second ed., McGraw Hill, New York (1959).
- Girkmann, K. Flächentragwerke. Springer-Verlag. Wien, New York. 1986.
- Jiang, R. , Jiang, L. Trends in Developing Critical Elastic Buckling Formula for Fixed Rectangular Plate Subjected To a Concentrated Load. Trends in Civil Engineering and its Architecture. Volume 1 – Issue 2. 2018. [CrossRef]
- Xu, Y. , Wu, Zhangjan. Exact solutions for rectangular anisotropic plates with four clamped edges. Mechanics of Advanced Materials and Structures, Volume 29, 2022 - Issue 12. [CrossRef]
- Onyia, M.E. , Rowland-Lato, E.O., Ike, C.C. Elastic buckling analysis of SSCF and SSSS rectangular thin plates using the single finite Fourier sine integral transform method. IJERT, Vol 13, No 6, pp 1147 – 1158, july 2020. [CrossRef]
- Imrak, C.E., Gerdemeli, I. An Exact Solution for the Deflection of a Clamped Rectangular Plate under Uniform Load. Applied Mathematical Sciences, Vol. 1, 2007, no. 43, 2129 - 2137.
- Fogang, V. Analysis of Arbitrarily Loaded Rectangular Thin Plates with Two Opposite Edges Supported, One or Both of them Clamped, Using the Flexibility Method and a Modified Lévy Solution. Preprints.org 2023, 2023052121. [Google Scholar] [CrossRef]
- Mama, B.O. , Oguaghamba, O.A., Ike, C.C. Single Finite Fourier Sine Integral Transform Method for the Flexural Analysis of Rectangular Kirchhoff Plate with Opposite Edges Simply Supported, Other Edges Clamped for the Case of Triangular Load Distribution. IJERT, Vol. 13, 7 (2020), pp. 1802-1813. [CrossRef]
- Kamel, A-K. Finite Fourier transform for solving potential and steady-state temperature problems. Advances in Difference Equations (2018), 2018:98. [CrossRef]





Disclaimer/Publisher’s Note: The statements, opinions and data contained in all publications are solely those of the individual author(s) and contributor(s) and not of MDPI and/or the editor(s). MDPI and/or the editor(s) disclaim responsibility for any injury to people or property resulting from any ideas, methods, instructions or products referred to in the content. |
© 2023 by the authors. Licensee MDPI, Basel, Switzerland. This article is an open access article distributed under the terms and conditions of the Creative Commons Attribution (CC BY) license (http://creativecommons.org/licenses/by/4.0/).