Submitted:
26 May 2023
Posted:
29 May 2023
You are already at the latest version
Abstract
Keywords:
1. Introduction
2. Structure and Working Principle of Integrated Reconfigurable Converter
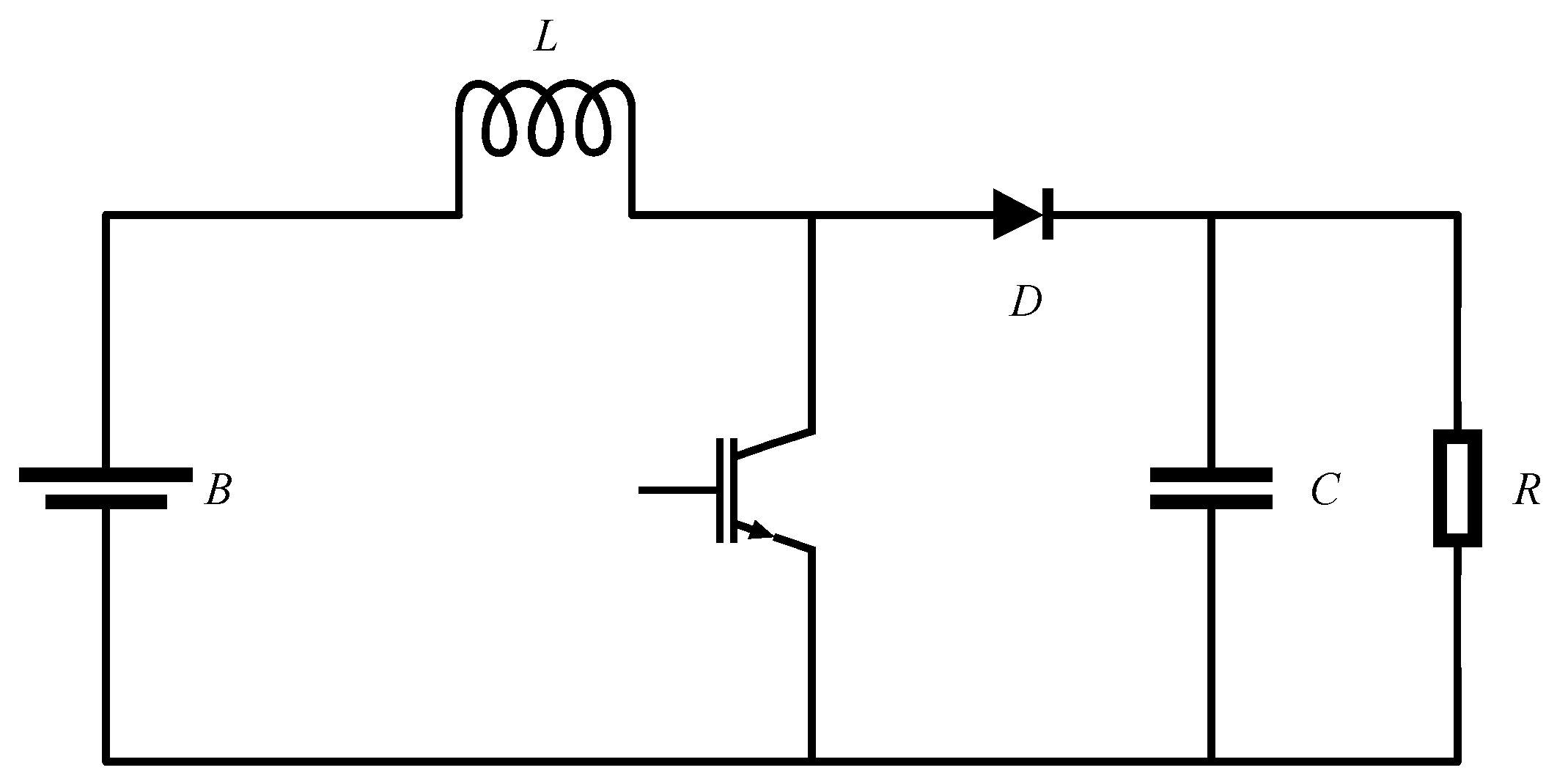
2.1. Power supply mode
2.2. balance mode
3. Balancing Strategy and Control System Design
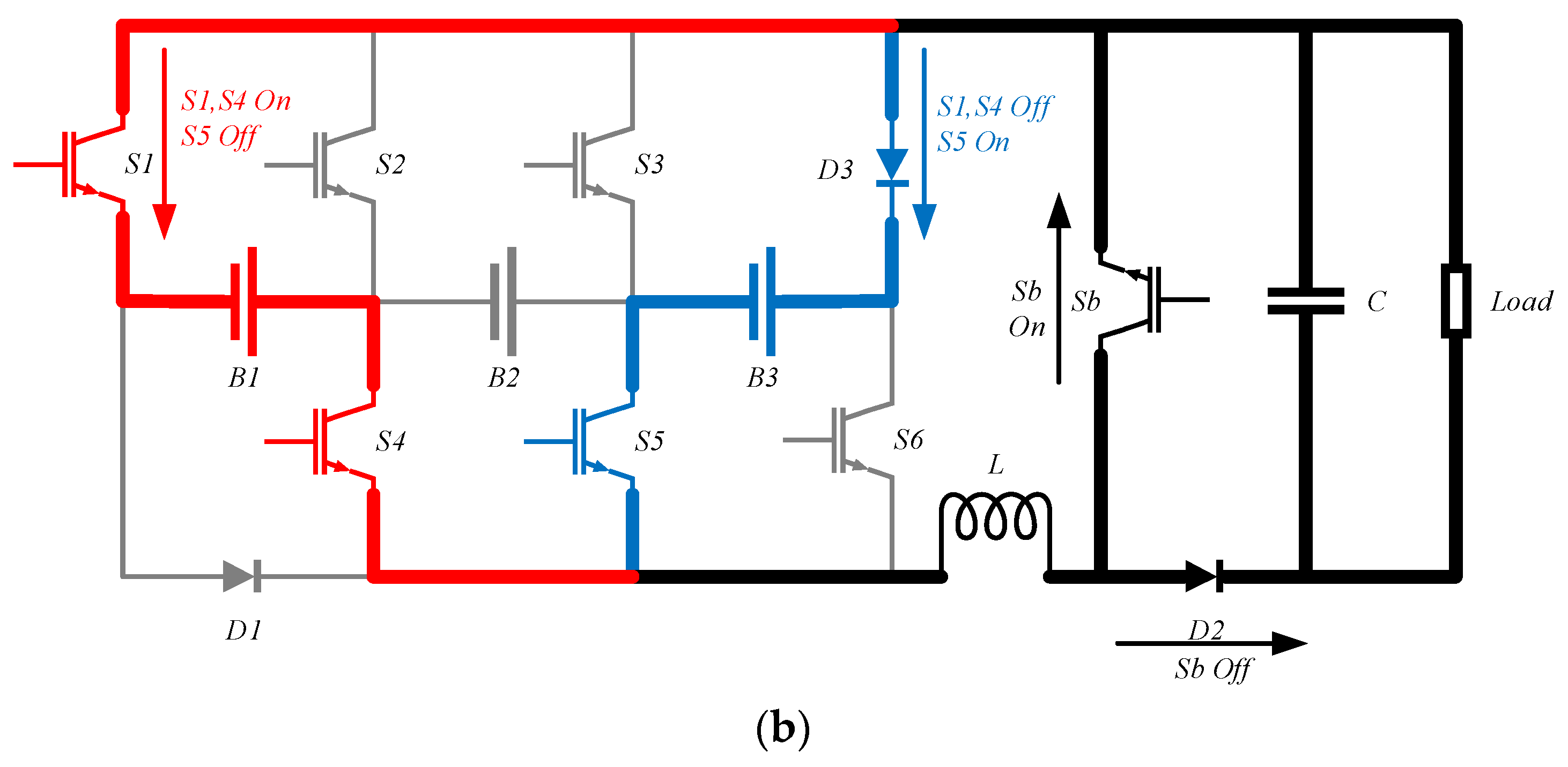
3.1. balanced strategy
3.2. Control System Design
3.2.1. Controller design for the balancing operation when no load is used.
3.2.2. Controller design for the balancing operation when load is used.
- Design of internal current control loop: In order to design the PI controller, the small-signal modeling as shown in Figure 12 is first derived.
- 2.
- Design of the outer voltage control loop: Due to the high-bandwidth and fast current control characteristics of the inner loop, the transfer function of the inner current control loop can be neglected in the design of the voltage controller. Therefore, the duty cycle D can be assumed constant, and its transfer function is:

4. Simulation result
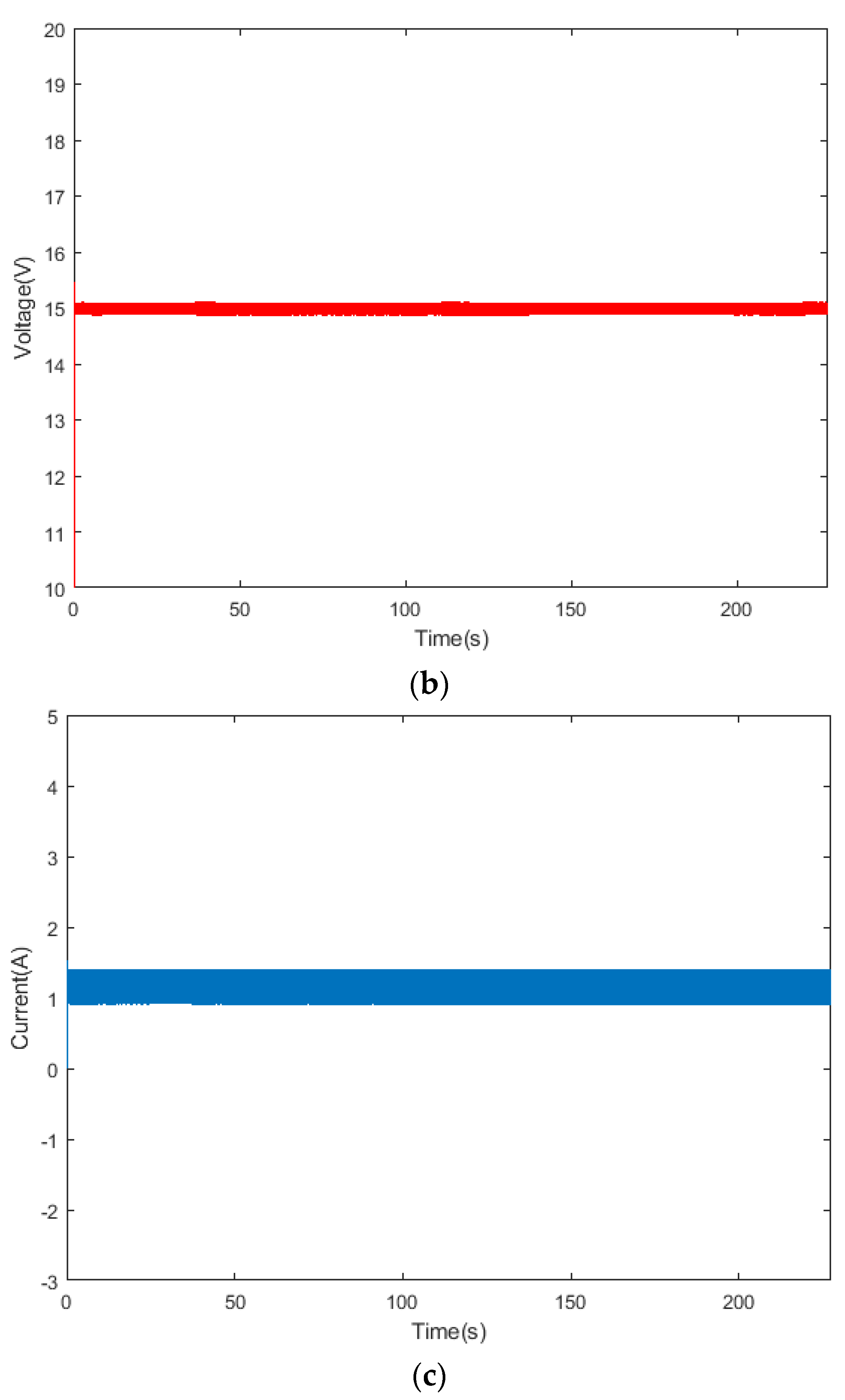
4.1. Balanced simulation when unused load
4.2. Balanced simulation when using load
5. Conclusions
Author Contributions
Funding
Data Availability Statement
Conflicts of Interest
References
- Chen, Y.; Liu, X.; Cui, Y.; Zou, J.; Yang, S. , A multiwinding transformer cell-to-cell active equalization method for lithium-ion batteries with reduced number of driving circuits. IEEE Transactions on Power Electronics 2015, 31, 4916–4929. [Google Scholar]
- Han, W.; Zhang, L. , Battery cell reconfiguration to expedite charge equalization in series-connected battery systems. IEEE Robotics and Automation Letters 2017, 3, 22–28. [Google Scholar] [CrossRef]
- Omariba, Z.B.; Zhang, L.; Sun, D. , Review of battery cell balancing methodologies for optimizing battery pack performance in electric vehicles. IEEE Access 2019, 7, 129335–129352. [Google Scholar] [CrossRef]
- Ren, H.; Zhao, Y.; Chen, S.; Wang, T. , Design and implementation of a battery management system with active charge balance based on the SOC and SOH online estimation. Energy 2019, 166, 908–917. [Google Scholar] [CrossRef]
- Zhang, H.; Wang, Y.; Qi, H.; Zhang, J. , Active battery equalization method based on redundant battery for electric vehicles. IEEE transactions on vehicular technology 2019, 68, 7531–7543. [Google Scholar] [CrossRef]
- Cao, J.; Schofield, N.; Emadi, A. In Battery balancing methods: A comprehensive review, 2008 IEEE Vehicle Power and Propulsion Conference, 2008; IEEE: 2008; pp 1-6.
- Vardwaj, V.; Vishakha, V.; Jadoun, V.K.; Jayalaksmi, N.; Agarwal, A. In Various methods used for battery balancing in electric vehicles: A comprehensive review, 2020 International Conference on Power Electronics & IoT Applications in Renewable Energy and its Control (PARC), 2020; IEEE: 2020; pp 208-213.
- Daowd, M.; Omar, N.; Van Den Bossche, P.; Van Mierlo, J. In Passive and active battery balancing comparison based on MATLAB simulation, 2011 IEEE Vehicle Power and Propulsion Conference, 2011; IEEE: 2011; pp 1-7.
- Schmid, M.; Gebauer, E.; Endisch, C. , Structural analysis in reconfigurable battery systems for active fault diagnosis. IEEE Transactions on Power Electronics 2021, 36, 8672–8684. [Google Scholar] [CrossRef]
- Schmid, M.; Gebauer, E.; Hanzl, C.; Endisch, C. , Active model-based fault diagnosis in reconfigurable battery systems. IEEE Transactions on Power Electronics 2020, 36, 2584–2597. [Google Scholar] [CrossRef]
- Wang, G.; Pou, J.; Agelidis, V.G. In Reconfigurable battery energy storage system for utility-scale applications, IECON 2015-41st Annual Conference of the IEEE Industrial Electronics Society, 2015; IEEE: 2015; pp 004086-004091.
- Wang, X.; Duan, B.; Shang, Y.; Xu, Y.; Yu, K.; Zhang, C. In Fast equalization for lithium ion battery packs based on reconfigurable battery structure, 2020 IEEE/IAS Industrial and Commercial Power System Asia (I&CPS Asia), 2020; IEEE: 2020; pp 1149-1154.
- Zhu, Y.; Zhang, W.; Cheng, J.; Li, Y. In A novel design of reconfigurable multicell for large-scale battery packs, 2018 International Conference on Power System Technology (POWERCON), 2018; IEEE: 2018; pp 1445-1452.
- Ci, S.; Lin, N.; Wu, D. , Reconfigurable battery techniques and systems: A survey. IEEE Access 2016, 4, 1175–1189. [Google Scholar] [CrossRef]
- Mashayekh, A.; Kersten, A.; Kuder, M.; Estaller, J.; Khorasani, M.; Buberger, J.; Eckerle, R.; Weyh, T. In Proactive soc balancing strategy for battery modular multilevel management (bm3) converter systems and reconfigurable batteries, 2021 23rd European Conference on Power Electronics and Applications (EPE'21 ECCE Europe), 2021; IEEE: 2021; pp P. 1-P. 10.
- Han, W.; Zou, C.; Zhou, C.; Zhang, L. , Estimation of cell SOC evolution and system performance in module-based battery charge equalization systems. IEEE Transactions on Smart Grid 2018, 10, 4717–4728. [Google Scholar] [CrossRef]
- Momayyezan, M.; Hredzak, B.; Agelidis, V.G. , Integrated reconfigurable converter topology for high-voltage battery systems. IEEE Transactions on Power Electronics 2015, 31, 1968–1979. [Google Scholar] [CrossRef]
- Momayyezan, M.; Hredzak, B.; Agelidis, V.G. , A load-sharing strategy for the state of charge balancing between the battery modules of integrated reconfigurable converter. IEEE Transactions on power electronics 2016, 32, 4056–4063. [Google Scholar] [CrossRef]
- Morstyn, T.; Momayyezan, M.; Hredzak, B.; Agelidis, V.G. , Distributed control for state-of-charge balancing between the modules of a reconfigurable battery energy storage system. IEEE Transactions on Power Electronics 2015, 31, 7986–7995. [Google Scholar] [CrossRef]
- Zhao, C.; Liu, S.; Fan, B. In State of Charge Balancing Control for Battery System Based on the ReconFigurable Converter, 2021 IEEE 5th Conference on Energy Internet and Energy System Integration (EI2), 2021; IEEE: 2021; pp 4215-4220.
















| Selected module | S1 | S2 | S3 | S4 | S5 | S6 |
|---|---|---|---|---|---|---|
| B1 | 1 | 0 | 0 | 1 | 0 | 0 |
| B2 | 0 | 1 | 0 | 0 | 1 | 0 |
| B3 | 0 | 0 | 1 | 0 | 0 | 1 |
| B1, B2 | 1 | 0 | 0 | 0 | 1 | 0 |
| B2, B3 | 0 | 1 | 0 | 0 | 0 | 1 |
| B1, B2, B3 | 1 | 0 | 0 | 0 | 0 | 1 |
| Mode | PI controller parameters |
|---|---|
| Balancing mode when not using load | Kpb=0.35, Kib=320 |
| Balancing mode when using load |
Kpc=0.15, Kic=132 Kpv=0.063, Kiv=8.6 |
| Parameters | Size |
|---|---|
| VB1~VB5 | 3.7V |
| CB1~CB5 | 2Ah |
| SOC1 | 59.5% |
| SOC2 | 59% |
| SOC3 | 60% |
| SOC4 | 58% |
| SOC5 | 58.5% |
| L | 2mH |
| C | 220uF |
| R | 100Ω |
| f | 20kHz |
Disclaimer/Publisher’s Note: The statements, opinions and data contained in all publications are solely those of the individual author(s) and contributor(s) and not of MDPI and/or the editor(s). MDPI and/or the editor(s) disclaim responsibility for any injury to people or property resulting from any ideas, methods, instructions or products referred to in the content. |
© 2023 by the authors. Licensee MDPI, Basel, Switzerland. This article is an open access article distributed under the terms and conditions of the Creative Commons Attribution (CC BY) license (http://creativecommons.org/licenses/by/4.0/).