Submitted:
25 June 2023
Posted:
26 June 2023
You are already at the latest version
Abstract
Keywords:
1. Introduction
2. Electric Vehicle Modelling

- Total distance of 23.27 km
- Duration is 1800 s
- Mean velocity is 46.5 km
- Maximum velocity is 131.3 km/h
- 9 Number of stop phases
Battery pack Design
Designing of Motor and Battery
- Aerodynamic resistance Ra
- Rolling resistance Rr of the front and rear tires Rrf and Rrr
- Drawbar load RD
- Grade resistance RG, (W sin θ)
- Tractive effort of the front and rear tires Ff and Fr (For a rear-wheel-drive vehicle, Ff = 0, whereas for a front-wheel vehicle, Fr = 0)

Design of Motor
Battery Rating
Battery Capacity

| VEHICLE PARAMETERS | |
|---|---|
| Aerodynamic Drag Coefficient | 0.38 |
| Air Density | 1.23 |
| Front Area | 2.1 |
| Mass of Vehicle | 2300 |
| Rolling Resistance Coefficient | 0.01 |
| Wheel Radius | 0.34 |
| Accessory Load | 600 |
| Vehicle Speed | 50kmph |
| Gear reduction Ratio | 3.55 |
| Gradient | Radian | Gradient Resistance(N) | Aerodynamic Drag(N) | Rolling Resistance(N) | Tractive Force (N) |
|---|---|---|---|---|---|
| 0 | 0 | 0 | 96.19092 | 225.63 | 321.82092 |
| 1 | 0.0174444 | 393.5790377 | 96.19092 | 225.63 | 715.3999577 |
| 2 | 0.0348888 | 787.0383089 | 96.19092 | 225.63 | 1108.859229 |
| 3 | 0.0523333 | 1180.258084 | 96.19092 | 225.63 | 1502.079004 |
| 4 | 0.0697777 | 1573.118705 | 96.19092 | 225.63 | 1894.939625 |
| 5 | 0.0872222 | 1965.500624 | 96.19092 | 225.63 | 2287.321544 |
| 6 | 0.1046666 | 2357.28444 | 96.19092 | 225.63 | 2679.10536 |
| 7 | 0.1221111 | 2748.350933 | 96.19092 | 225.63 | 3070.171853 |
| 8 | 0.1395555 | 3138.581099 | 96.19092 | 225.63 | 3460.402019 |
| 9 | 0.157 | 3527.856192 | 96.19092 | 225.63 | 3849.677112 |
| 10 | 0.1744444 | 3916.057756 | 96.19092 | 225.63 | 4237.878676 |
| 11 | 0.1918888 | 4303.067659 | 96.19092 | 225.63 | 4624.888579 |
| 12 | 0.2093333 | 4688.768135 | 96.19092 | 225.63 | 5010.589055 |
| Power(W) | Torque at Wheel (Nm) | Motor RPM Required | Motor Torque (Nm) | Accessory Load(W) | Battery Capacity (kWh) |
|---|---|---|---|---|---|
| 4505.49288 | 17.23523379 | 686.4820798 | 4.854995434 | 600 | 7.65823932 |
| 10015.59941 | 38.31349909 | 686.4820798 | 10.79253495 | 600 | 15.92339911 |
| 15524.02921 | 59.38535025 | 686.4820798 | 16.72826768 | 600 | 24.18604381 |
| 21029.10605 | 80.44437509 | 686.4820798 | 22.66038735 | 600 | 32.44365908 |
| 26529.15475 | 101.4841653 | 686.4820798 | 28.58708883 | 600 | 40.69373212 |
| 32022.50162 | 122.4983185 | 686.4820798 | 34.5065686 | 600 | 48.93375243 |
| 37507.47505 | 143.4804401 | 686.4820798 | 40.41702538 | 600 | 57.16121257 |
| 42982.40594 | 164.4241451 | 686.4820798 | 46.3166606 | 600 | 65.37360891 |
| 48445.62827 | 185.3230604 | 686.4820798 | 52.203679 | 600 | 73.5684424 |
| 53895.47957 | 206.1708265 | 686.4820798 | 58.07628914 | 600 | 81.74321936 |
| 59330.30146 | 226.9610992 | 686.4820798 | 63.932704 | 600 | 89.89545219 |
| 64748.44011 | 247.6875522 | 686.4820798 | 69.77114146 | 600 | 98.02266016 |
| 70148.24677 | 268.3438783 | 686.4820798 | 75.58982487 | 600 | 106.1223702 |
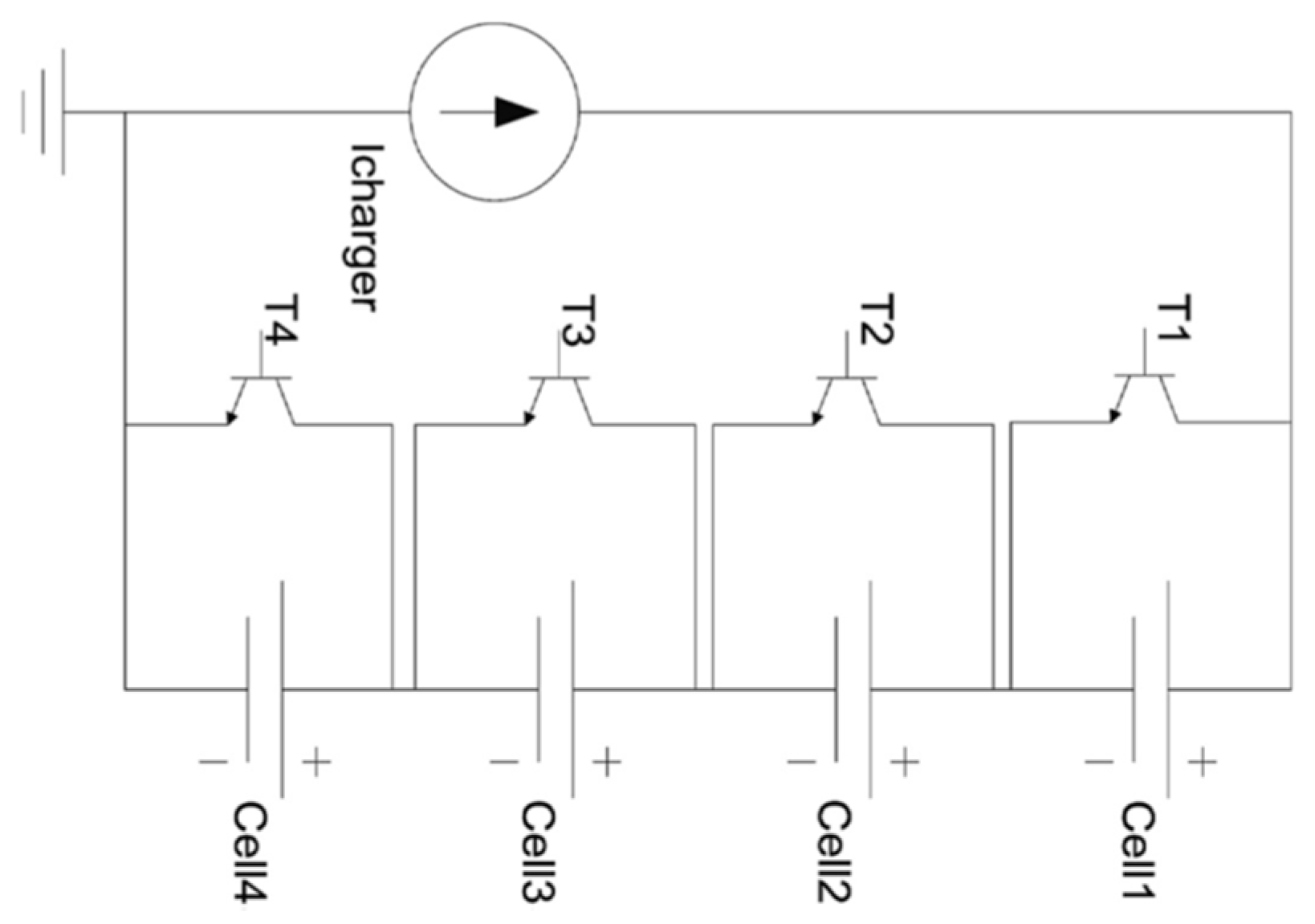
Passive Cell Balancing Technique

3. Results and Discussion
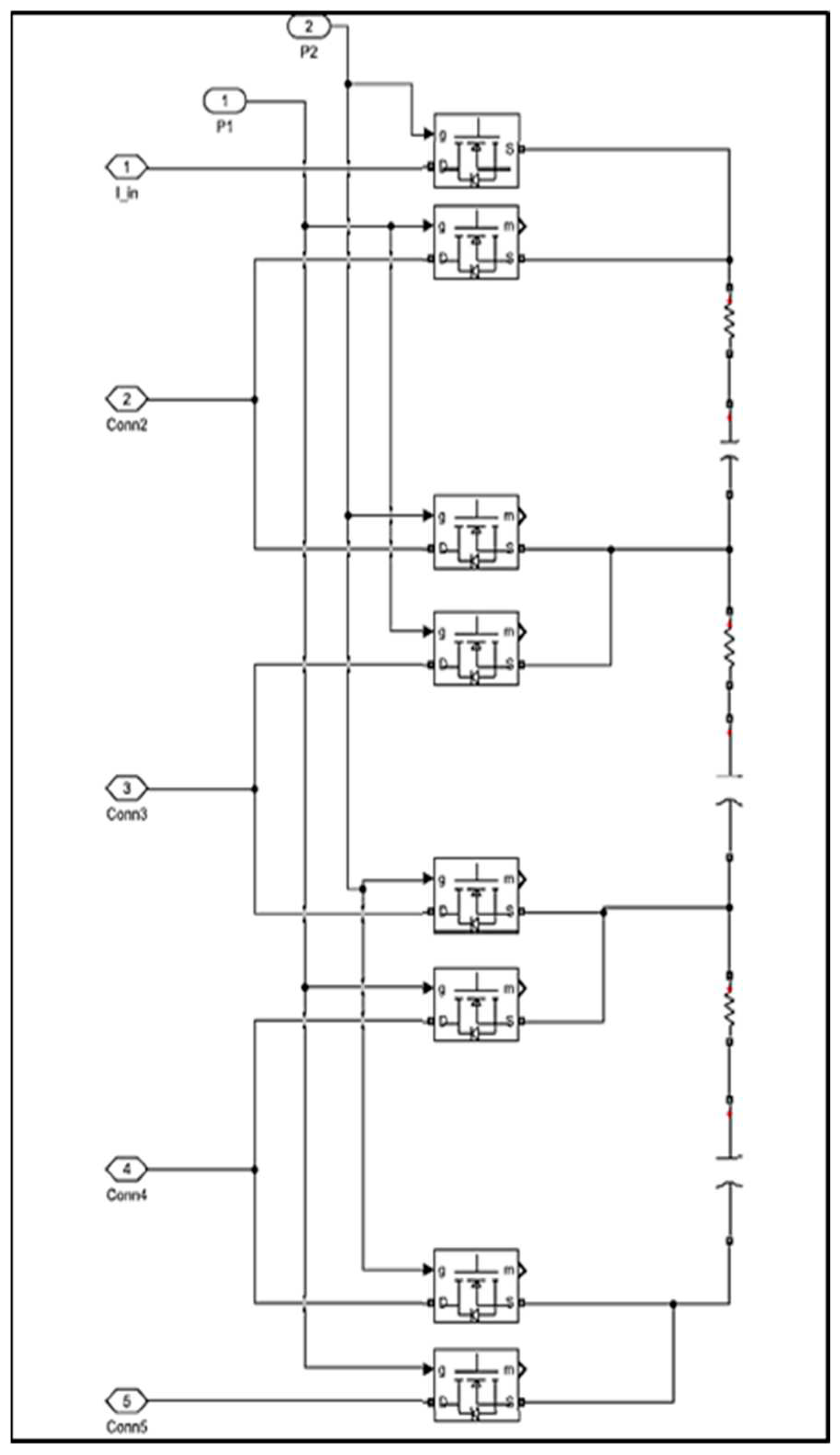
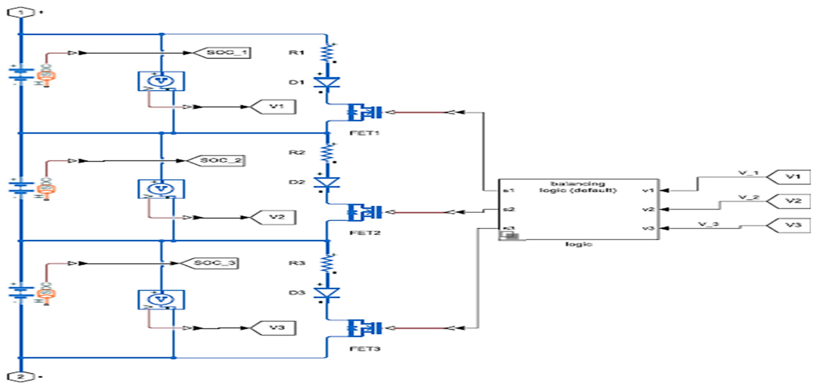
Active Balancing Technique




4. Conclusions
- Balancing time required in case of passive balancing was 4500 seconds whereas that in case of active balancing was 140 seconds.
- Active balancing was continuous whereas passive balancing was not continuous and time taken at higher SOC is very high.
- Costing of passive balancing could be very high for larger battery pack and cost does not justify with the balancing time required.
- By adopting different active balancing techniques and different control logics we can further reduce the balancing time and hence increase the overall life and performance of the battery pack.
References
- Emadi, Y l Lee, and K. Rajashekara, "Power electronics and motor drives in electric, hybrid electric, and plug-in hybrid electric vehicles," IEEE Trans. Ind. Electron, vol. 55. pp. 2237- 2245, June 2008. [CrossRef]
- Stuart A., T. , and Zhu W., “Fast Equalization for Large Lithium-Ion Batteries”, IEEE Aerospace and Electronic Systems Magazine, Vol. 24, pp. 27-31, 2009. [CrossRef]
- Zhang, X. , Liu P., and Wang D., “The Design and Implementation of Smart Battery Management System Balance Technology”, J. Convergence Information Technology, Vol. 6, No. 5, pp. 108-116, May 2011. [CrossRef]
- Cao, J. , Schofield N., and Emadi A., “Battery balancing methods: A comprehensive review”, IEEE Vehicle Power and Propulsion Conf., VPPC08, pp. 1-6, 2008. [CrossRef]
- Daowd, M. , Omar N., Van Den Bossche P., and Van Mierlo J., “Passive and active battery balancing comparison based on MATLAB simulation”, IEEE Vehicle Power and Propulsion Conf., VPPC 2011, pp. 1-7, 6-9 Sept. 2011. [CrossRef]
- Kutkut N., H. , Wiegman H., Divan D. M. and Novotny D. W., “Design considerations for charge equalization of an electric vehicle battery system”, IEEE Trans. Industry Applications, 35(1), Jan. 1999. [CrossRef]
- Moore, S. and Schneider, P., “A Review of Cell Equalization Methods for Lithium-Ion and Lithium Polymer Battery Systems,” SAE Technical Paper 2001-01-0959, 2001. [CrossRef]
- West, S. , and Krein P. T., “Switched-Capacitor Systems for Battery Equalization”, IEEE Modern Techniques and Technology (MTT 2000). Proceedings of the VI International Scientific and Practical Conference of Students, Post-graduates and Young Scientists, pp. 5759, 2000. [CrossRef]
- Pascual, C. , and Krein P. T., “Switched-Capacitor System for Automatic Series Battery Equalization”, IEEE Applied Power Electronics Conf. and Expo., pp. 848-854, 1997. [CrossRef]
- Baughman A., C. , and Ferdowsi M., “Double-Tiered Switched- Capacitor Battery Charge Equalization Technique”, IEEE Trans. Industrial Electronics, Vol. 55. pp. 2277-2285, 2008. [CrossRef]
- Sang-Hyun, P. , Tae-Sung K., Jin-Sik P., Gun-woo M., and Myung-Joong Y., “A New Battery Equalizer Based on Buck-boost Topology,” IEEE 7th Int'l Conf. Power Electronics, pp. 962-965, 2007. [CrossRef]
- Cioroianu, Constantin Cristian, et al. "Simulation of an electric vehicle model on the new WLTC test cycle using AVL CRUISE software." IOP Conference Series: Materials Science and Engineering. Vol. 252. No. 1. IOP Publishing, 2017. [CrossRef]
- Jin, Li-qiang, et al. "A study of novel regenerative braking system based on supercapacitor for electric vehicle driven by in-wheel motors." Advances in Mechanical Engineering 7.3 (2015). [CrossRef]
- Ilimbetov, R. Yu, V. V. Popov, and A. G. Vozmilov. "Comparative Analysis of “NGTU–Electro” Electric Car Movement Processes Modeling in MATLAB Simulink and AVL Cruise Software." Procedia Engineering 129 (2015): 879-885.
- Yang, Yajuan, Han Zhao, and Hao Jiang. "Drive train design and modeling of a parallel diesel hybrid electric bus based on AVL/Cruise." World Electric Vehicle Journal 4.1 (2010): 75-81. [CrossRef]
- Iclodean, C. , et al. "Comparison of different battery types for electric vehicles." IOP conference series: materials science and engineering. Vol. 252. No. 1. IOP Publishing, 2017. [CrossRef]
- Omariba, Zachary Bosire, Lijun Zhang, and Dongbai Sun. "Review of Battery Cell Balancing Methodologies for Optimizing Battery Pack Performance in Electric Vehicles." IEEE Access 7 (2019). [CrossRef]
- Capron, J. Jaguemont, R. Gopalakrishnan, P. van dem Bossche, N. Omar, and J.vanMierlo, ‘‘Impact of the temperature in the evaluation of battery performances during long-term cycling–Characterisation and modelling,’’ Appl. Sci., vol. 8, no. 8, p. 1364, 2018. [CrossRef]
- V. Mueller, R. Kaiser, S. Poller, D. Sauerteig, R. Schwarz, M. Wenger, V. R. H. Lorentz, and M. Maerz, ‘‘Introduction and application of formation methods based on serial-connected lithium-ion battery cells,’’ J. Energy Storage, vol. 14, pp. 56–61, Dec. 2017. [CrossRef]
- J. Gallardo-Lozano, E. Romero-Cadaval, M. I. Milanes-Montero, and M. A. Guerrero-Martinez, ‘‘Battery equalization active methods,’’ J. Power Sources, vol. 246, pp. 934–949, Jan. 2014. [CrossRef]
- Ye, Yuanmao, and Ka Wai Eric Cheng. "An automatic switched-capacitor cell balancing circuit for series-connected battery strings." Energies 9.3 (2016): 138. [CrossRef]
- Kim, Moon-Young, et al. "Switched capacitor with a chain structure for cell-balancing of lithium-ion batteries." IECON 2012-38th Annual Conference on IEEE Industrial Electronics Society. IEEE, 2012. [CrossRef]
- Ye, Yuanmao, and Ka Wai Eric Cheng. "An automatic switched-capacitor cell balancing circuit for series-connected battery strings." Energies 9.3 (2016): 138. [CrossRef]
- Manenti, A. , Abba, A., Geraci, A., & Savaresi, S. (2011). A new cell balancing architecture for Li-ion battery packs based on cell redundancy. IFAC Proceedings Volumes, 44(1), 12150-12155. [CrossRef]
- Daowd, Mohamed, et al. "Battery management system-Balancing modularization based on a single switched capacitor and bi-directional DC/DC converter with the auxiliary battery." Energies 7.5 (2014): 2897-2937. [CrossRef]
- A.R. Sibiceanu, A. Iorga, V. Nicolae, F. Ivan, Consideration on the Implications of the WLTC (Worldwide Harmonized Light-Duty Test Cycle) for a Middle-Class Car, CONAT Brașov ISSN 2069-0401, Transilvania University Press, pp 203-211, 2016.
















| Parameters | Value |
|---|---|
| Switching frequency | 10 kHz |
| Duty cycle | 50% |
| Switched capacitor capacitance | 0.22 F |
| ESR | 0.23 ohms |
| Parameters | SOC % | Normal Voltage | Max. Vol V | Rated Capacity Ah |
|---|---|---|---|---|
| Cell 1 | 80 | 3.6 | 4.2 | 6.5 |
| CelL 2 | 79 | 3.5 | ||
| Cell 3 | 78 | 3.4 | ||
| Cell 4 | 77 | 3.3 |
Disclaimer/Publisher’s Note: The statements, opinions and data contained in all publications are solely those of the individual author(s) and contributor(s) and not of MDPI and/or the editor(s). MDPI and/or the editor(s) disclaim responsibility for any injury to people or property resulting from any ideas, methods, instructions or products referred to in the content. |
© 2023 by the authors. Licensee MDPI, Basel, Switzerland. This article is an open access article distributed under the terms and conditions of the Creative Commons Attribution (CC BY) license (http://creativecommons.org/licenses/by/4.0/).