Submitted:
07 February 2023
Posted:
07 February 2023
You are already at the latest version
Abstract
Keywords:
1. Introduction
2. Calculations and Simulations
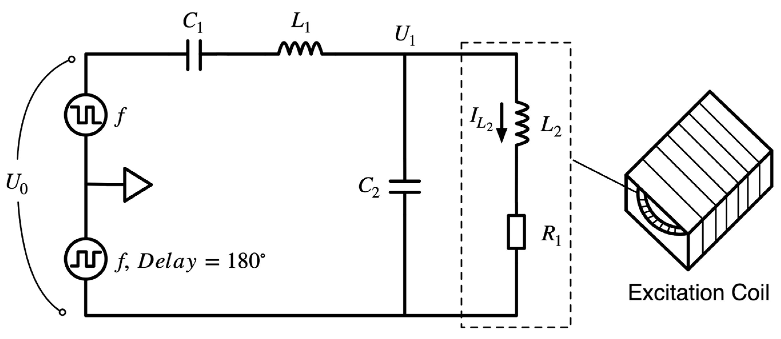
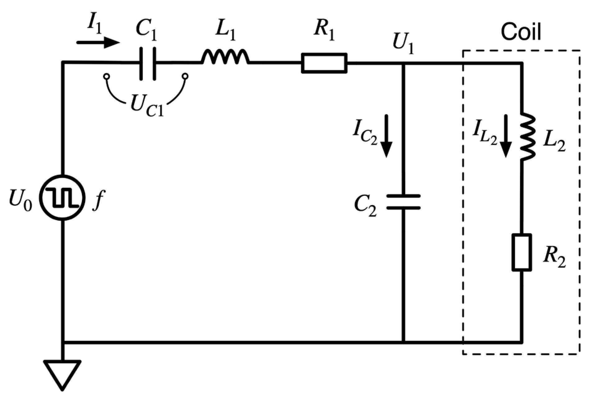
2.1. Excitation Circuit
2.2. Mathematical Calculation
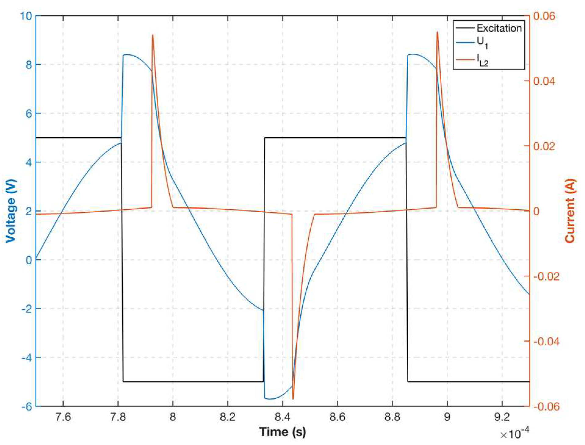
2.3. Nonlinear Simulation
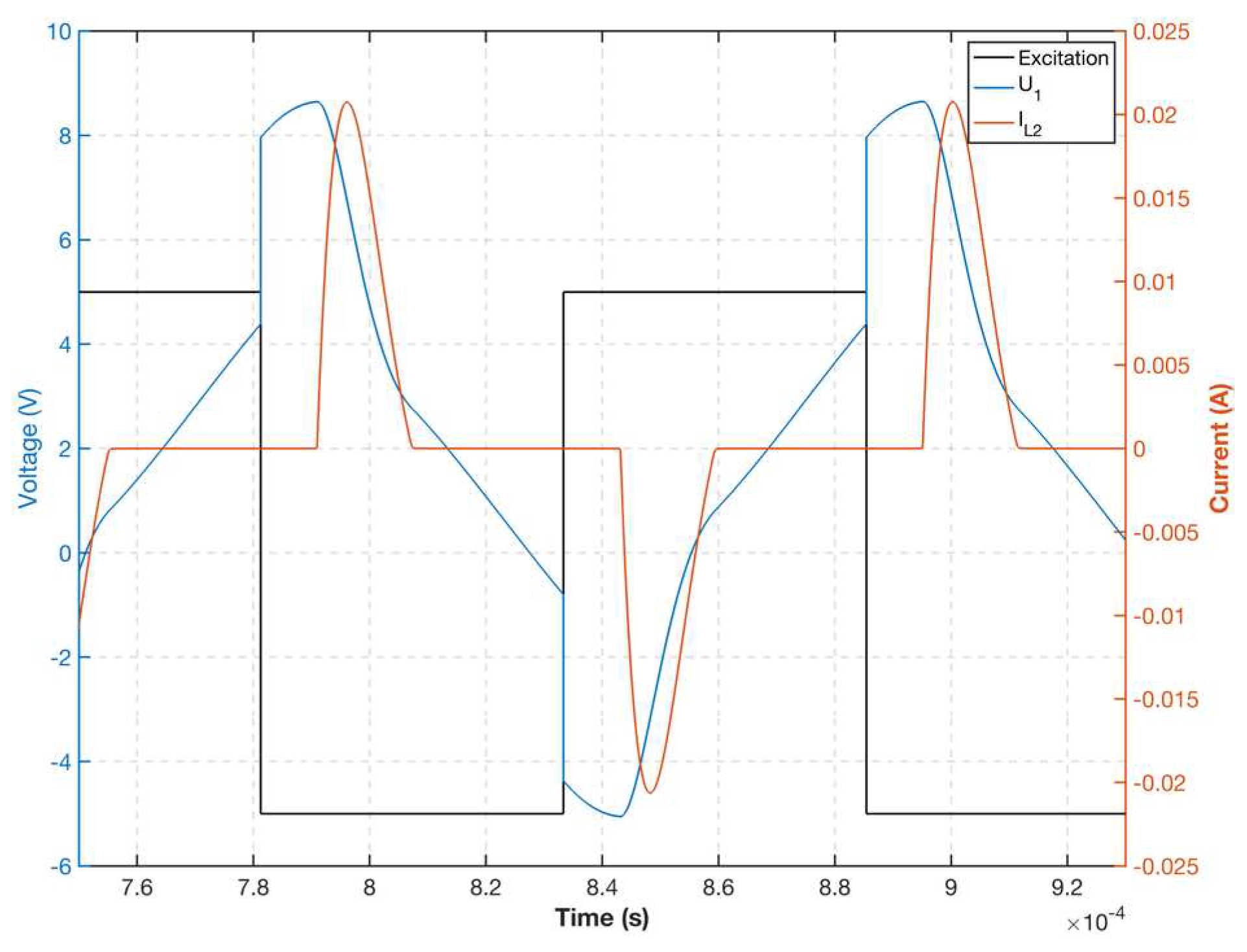
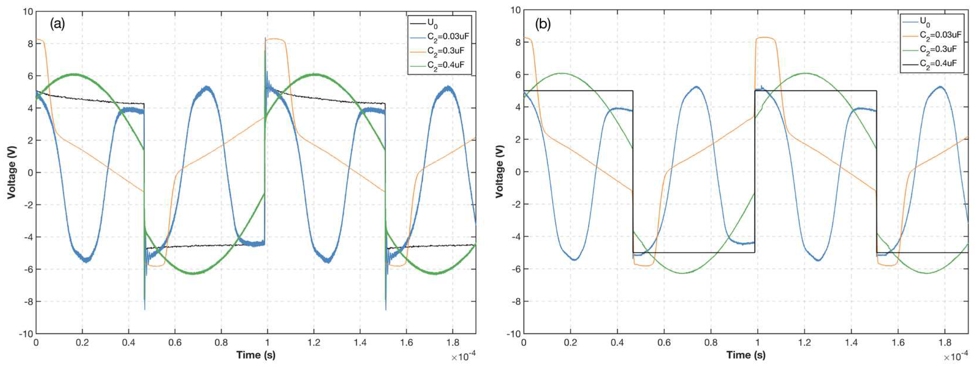
3. Experiments and Discussion
4. Conclusion
Funding
References
- Lenz, J.E. A review of magnetic sensors. Proc. IEEE 1990, 78, 973. [Google Scholar] [CrossRef]
- Ando, B.; Baglio, S.; Sacco, V.; Bulsara, A.R. Effects of driving mode and optimal material selection on a residence times difference-based fluxgate magnetometer. IEEE Trans. Instrum. Meas. 2005, 54, 1366. [Google Scholar] [CrossRef]
- Du, A.M.; Zhang, Y.; Li, H.Y.; Qiao, D.H. The Chinese Mars rover fluxgate magnetometers. Space Sci. Rev. 2020, 216, 135. [Google Scholar] [CrossRef]
- Janosek, M.; Butta, M.; Dressler, M.; Fourie, C. 1-pt noise fluxgate magnetometer for geomagnetic measurements and unshielded magnetocardiography. IEEE Trans. Instrum. Meas. 2020, 69, 2552. [Google Scholar] [CrossRef]
- Wang, Y.; Wu, S.J.; Lu, H.; Cheng, D.F. Output performance optimization for RTD fluxgate sensor based on dynamic permeability. Sci. China Inf. Sci. 2016, 59, 112213. [Google Scholar] [CrossRef]
- Ripka, P.; Hurley, W.G. Excitation efficiency of fluxgate sensors. Sens. Actuators A: Phys. 2006, 129, 75. [Google Scholar] [CrossRef]
- Kirchhoff, M.R.; Jordan, A.; Buttgenbach, S. Influence of seed layer systems and their premagnetization by low temperature annealing on electrodeposited Ni-Fe fluxgate cores. IEEE Trans. Magn. 2011, 47, 161. [Google Scholar] [CrossRef]
- Miles, D.M.; Ciurzynski, M.; Barona, D. Low-noise permalloy ring cores for fluxgate magnetometers. Geosci. Instrum. Method. Data Syst. 2019, 8, 227. [Google Scholar] [CrossRef]
- Yan, B.; Zhu, W.; Zhuang, X.; Lu, Z.; Fang, G. Coil optimization in a fluxgate magnetometer with co₆₈.₂Fe₄.₃Si₁₂.₅B₁₅ amorphous wire cores for geomagnetic station observation. IEEE Trans. Instrum. Meas. 2021, 70, 1. [Google Scholar]
- Miles, D.M.; Mann, I.R.; Kale, A. The effect of winding and core support material on the thermal gain dependence of a fluxgate magnetometer sensor. Geosci. Instrum. Method. Data Syst. 2017, 6, 377. [Google Scholar] [CrossRef]
- Kubik, J.; Ripka, P. Noise spectrum of pulse excited fluxgate sensor. Sens. Actuators A: Phys. 2006, 132, 236. [Google Scholar] [CrossRef]
- Tang, S.C.; Duffy, M.C.; Ripka, P.; Hurley, W.G. Excitation circuit for fluxgate sensor using saturable inductor. Sens. Actuators A: Phys. 2004, 113, 156. [Google Scholar] [CrossRef]
- Zhang, C.H.; Zhang, Y.M.; Wang, X.H.; Gao, J.X. A method to reduce excitation circuit noise of fluxgate sensor. Mod. Phys. Lett. B 2022, 36, 2150606. [Google Scholar] [CrossRef]
- Ripka, P.; Billingsley, S.W. Fluxgate: tuned vs. untuned output. IEEE Trans. Magn. 1998, 34, 1303. [Google Scholar] [CrossRef]
- Wang, Y.; Wu, S.; Zhou, Z.; Cheng, D. Research on the dynamic hysteresis loop model of the residence times difference (RTD)-fluxgate. Sensors 2013, 13, 11539. [Google Scholar] [CrossRef] [PubMed]
- Yang, S.; Liu, S.; Feng, W.; Guo, B. SPICE circuit model of voltage excitation fluxgate sensor. Iet. Sci. Meas. Technol. 2013, 7, 145. [Google Scholar] [CrossRef]
- Forslund, Å.; Belyayev, S.; Ivchenko, N.; Olsson, G. Miniaturized digital fluxgate magnetometer for small spacecraft applications. Meas. Sci. Technol. 2008, 19, 015202. [Google Scholar] [CrossRef]
- Ripka, P. Review of fluxgate sensors. Sens. Actuators A: Phys. 1992, 33, 129. [Google Scholar] [CrossRef]
- Song, S.X.; Deng, M.; Chen, K.; Yuan, Z.Z. Excitation module for orthogonal fundamental mode fluxgate sensor. J. Inst. 2020, 15, P05007. [Google Scholar] [CrossRef]
- Chan, J.H.; Vladimirescu, A.; Gao, X.C. Nonlinear transformer model for circuit simulation. IEEE T. Comput. Aid. D. 1991, 10, 476. [Google Scholar] [CrossRef]














Disclaimer/Publisher’s Note: The statements, opinions and data contained in all publications are solely those of the individual author(s) and contributor(s) and not of MDPI and/or the editor(s). MDPI and/or the editor(s) disclaim responsibility for any injury to people or property resulting from any ideas, methods, instructions or products referred to in the content. |
© 2023 by the authors. Licensee MDPI, Basel, Switzerland. This article is an open access article distributed under the terms and conditions of the Creative Commons Attribution (CC BY) license (http://creativecommons.org/licenses/by/4.0/).