Submitted:
23 April 2026
Posted:
27 April 2026
You are already at the latest version
Abstract
Keywords:
1. Introduction
2. Mathematical Models of Pins Vibrations
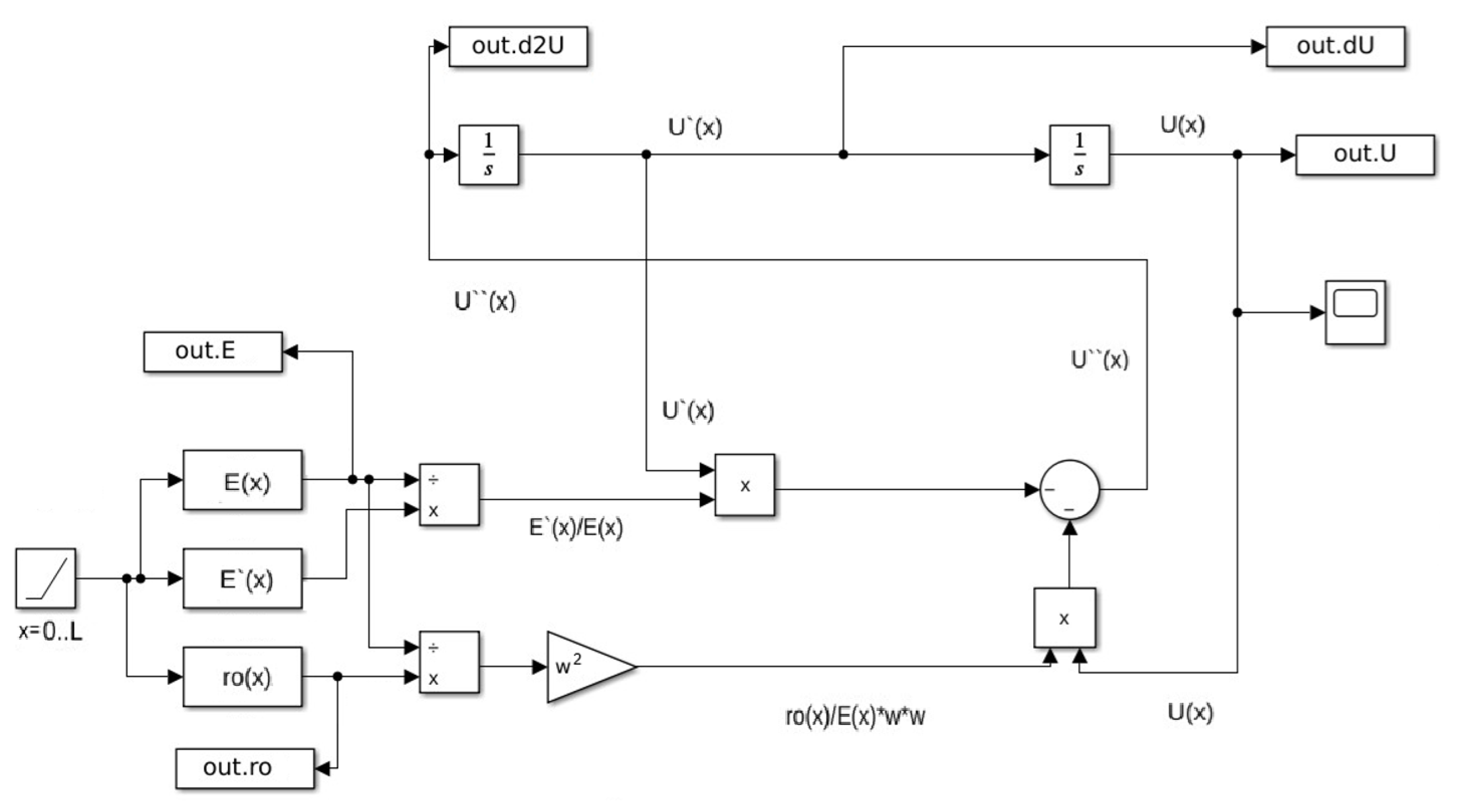
2.1. FEM Model
2.2. Some Exact Solutions of the PDE
2.2.1. Constant and , Exponential
2.2.2. Constant , Exponential and
3. Fast Mathematical Models for Optimization of FGM Key Pins Profiles
3.1. Speed Profile Approximation
3.2. Calculation of b Coefficient
3.3. Comparison of Two ODE Models
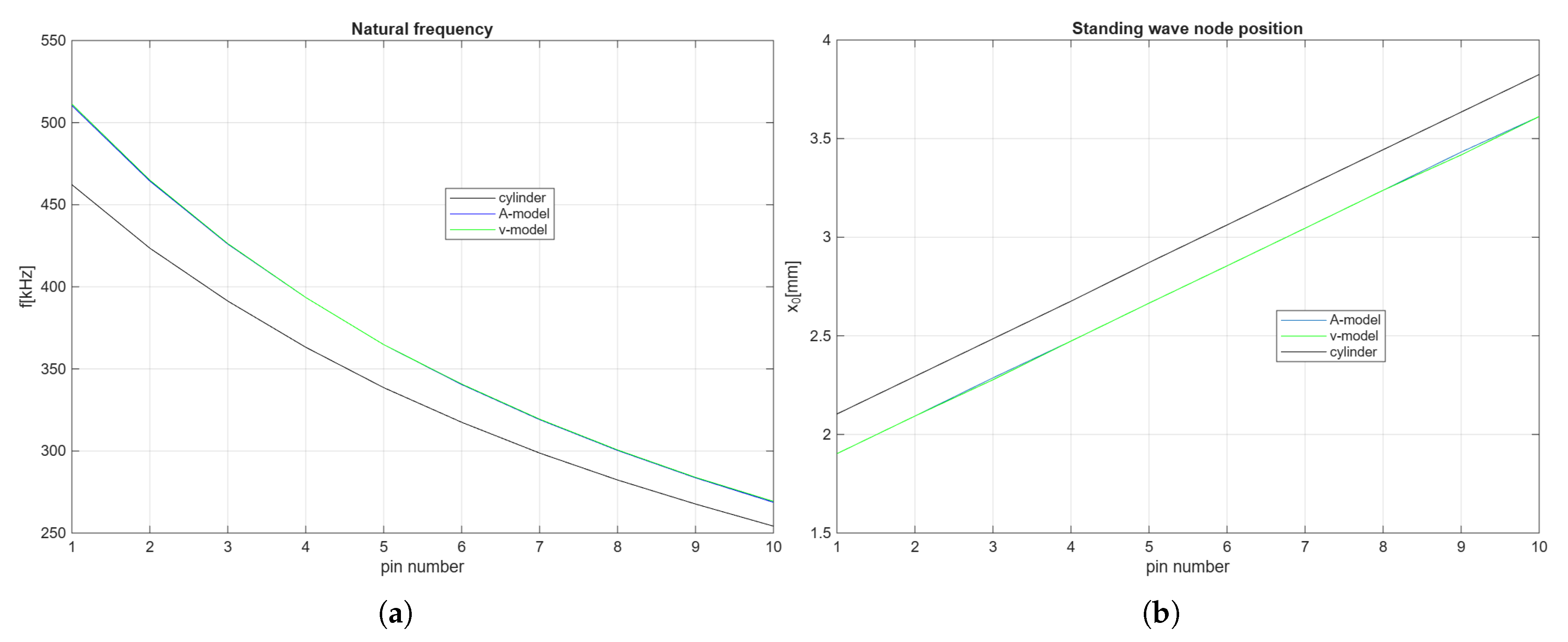
3.3.1. Natural Frequencies of Brass Schlage Pins
3.3.2. Comparison of "A" and "v" Models of FGM Pins
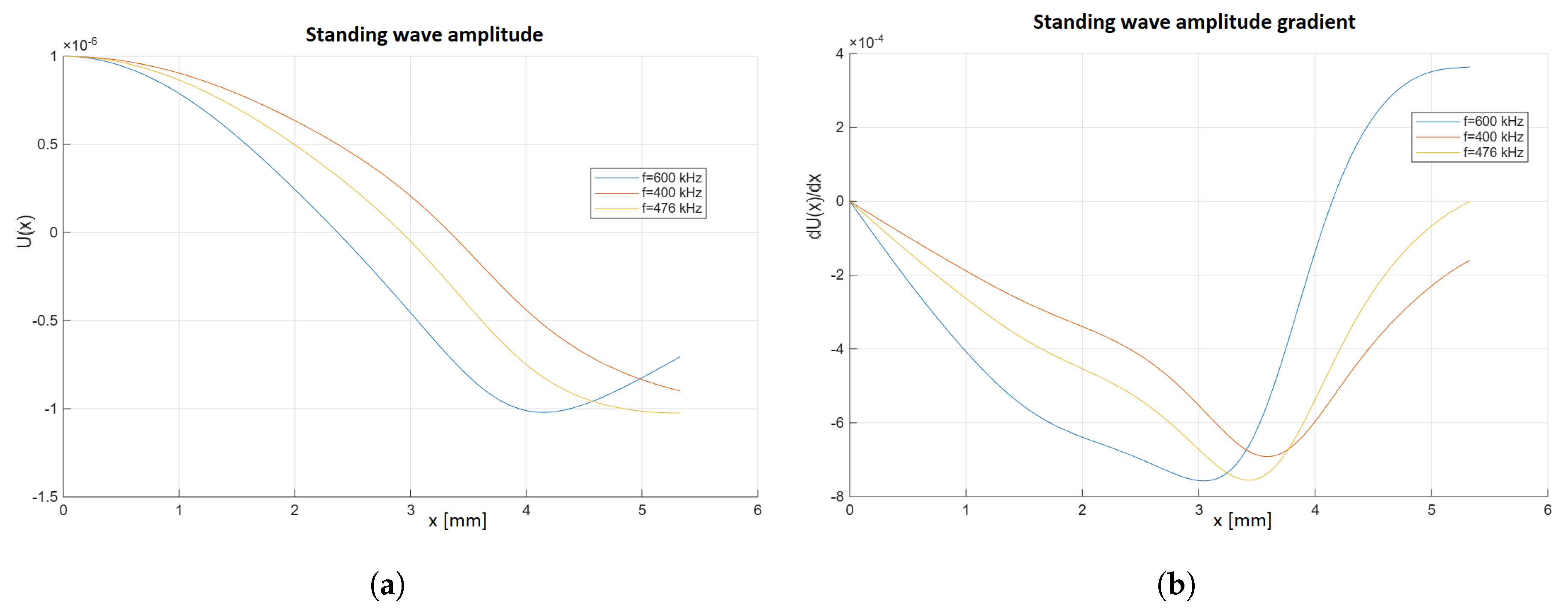
3.4. Testing of Fast Time Integrator Model
4. Initial Calculations for FGM Pins
4.1. Setting the Initial Parameters for Optimization
4.2. Using Butterworth Polynomials to Improve the Structure
4.3. Setting the Initial Vector for Simplex Optimization
4.4. Approximation of E(x) and E’(x) for ODE Model
5. Optimization of E(x) and ρ(x) Profiles
5.1. Results of Optimization Procedure Using Simplex Method
6. Final Adjustments
6.1. Introducing Random Fluctuations
7. Conclusion
Author Contributions
Funding
Institutional Review Board Statement
Informed Consent Statement
Data Availability Statement
Acknowledgments
Conflicts of Interest
Abbreviations
| FEM | Finite-element model/method |
| FGM | Functionally graded materials |
| DED | Direct energy deposition |
| PDE | Partial differential equation |
| ODE | Ordinary differential equation |
References
- Mladen Perčić, "Barrel lock for security purposes", DE19753013A1, Jun 02,1999.
- Michael Riesel et al, "Cross-sectional profile for a flat key or the key channel of a cylinder lock", EP3942127B1, Nov 18, 2021.
- Graham W. Pulford, "High-Security Mechanical Locks: An Encyclopedic Reference", London, UK, Elsevier Academic Press, 2007.
- Jeremy Straub, "Comparison of the impact of different key types on ease of imaging and printing for replica key production", Proceedings of SPIE Vol. 9867, 986715, 2016.
- Jeremy Straub, Scott Kerlin, "Consideration of techniques to mitigate the unauthorized 3D printing production of keys", Proceedings of SPIE Vol. 9869, 98690F, 2016.
- Rory Smith, Tilo Burghardt, " DeepKey: Towards End-to-End Physical Key Replication from a Single Photograph", in Proc. German Conf. Pattern Recognit., Stuttgart, Germany 2018, pp. 487–502.
- S. Ramesh, H. Ramprasad, J. Han, "Listen to Your Key: Towards Acoustics-based Physical Key Inference", Proceedings of the 21st International Workshop on Mobile Computing Systems and Applications, 2020.
- S. Ramesh et al, "Acoustics to the Rescue: Physical Key Inference Attack Revisited", Proceedings of the 30th USENIX Security Symposium, 2021.
- M. W. Tobias, "Locks, Safes and Security, an International Reference", Springfield, IL, USA, Charles C Thomas, 2002.
- D. Ollam, "Practical Lock Picking: A Physical Penetration Tester’s Training Guide", Waltham, MA, USA, Syngress-Elsevier, 2012.
- L. Matić, "A Handbook on DIY Electronic Security and Espionage", London, UK, Elektor International Media BV, 2021.
- Madelin SA, "M-Scan ultrasonic lock decoder", active ultrasonic lock decoding detector, 49130 Les Ponts-de-Cé, France, 2018.
- Matić, Luka; Draženović, Karla; Šunde, Viktor; Ban, Željko, "Some Security Aspects of Batteries and Power Electronic Converters in a Microgrid ",IEEE Access, XI (2023), 121712-121723. [CrossRef]
- J. R. Frederick, "Ultrasonic Engineering", Hoboken, NJ, USA, John Wiley & Sons, 1965.
- P.M. Pandey, S. Rathee, M. Srivastava, P.K. Jain, "Functionally Graded Materials (FGMs): Fabrication, Properties, Applications, and Advancements" (1st ed.). CRC Press. (2021). [CrossRef]
- U. Scheithauer et al, "Ceramic-Based 4D Components: Additive Manufacturing (AM) of Ceramic-Based Functionally Graded Materials (FGM) by Thermoplastic 3D Printing (T3DP)", Materials, 10(12), (2017). [CrossRef]
- L. Liu et al, "Microstructure and Mechanical Properties of Functionally Graded Materials on a Ti-6Al-4V Titanium Alloy by Laser Cladding", Materials, 18(13), (2025). [CrossRef]
- K. Topczewska, "Friction-Induced Thermal Effects in an FGM Layer in Contact with a Homogeneous Layer", Materials, 19(7), (2026). [CrossRef]
- X. Ding et al, "Simulation and Study of Manufacturing of W–Cu Functionally Graded Materials by a Selective Laser Melting Process", Metals, 14(12), (2024). [CrossRef]
- Kuznetsov, S.V., "Harmonic acoustic waves in FG rods with exponential inhomogeneity", Z. Angew. Math. Phys. 74, 63 (2023). [CrossRef]
- Kuznetsov, S.V., "Closed-form solutions for harmonic waves in functionally graded rods", Z. Angew. Math. Phys. 76, 128 (2025). [CrossRef]
- Vatulyan, A.O., Yurov, V.O. "Increasing the Natural Frequency of Oscillations in Functionally Graded Material Rods" In: Altenbach, H. "Current Developments in Solid Mechanics and Their Applications", vol 223. Springer, 2025. [CrossRef]
- Hutchinson, James R. "Axisymmetric Vibrations of a Free Finite-Length Rod", J. Acoust. Soc. Am. 51 (1972), 233–240. [CrossRef]
- F. Orban, "Damping of materials and members in structures", J. Phys.: Conf. Ser., vol. 268 (2011). [CrossRef]
- William D. Callister, "An introduction, material science and engineering", 7th edn, Department of Metallurgical Engineering, The University of Utah, Salt Lake City, USA, 2007.
- E.O. Olawuni, M.O. Durowoju, T.B. Asafa, "Correlation between theoretical and experimental hardness, elastic modulus of discarded aluminium piston reinforced with zirconium diboride and snail shells", SN Appl. Sci. 2, 472 (2020). [CrossRef]
- R.C. Ropp, "Encyclopedia of the Alkaline Earth Compounds", Chapter 12 - "Group 8 (Fe, Ru and Os) Alkaline Earth Compounds", Elsevier, 2013, Pages 911-960. [CrossRef]
- R.C. Ropp, "Encyclopedia of the Alkaline Earth Compounds", Chapter 6 - "Group 13 (B, Al, Ga, In and Tl) Alkaline Earth Compounds", Elsevier, 2013, Pages 481-635. [CrossRef]













Disclaimer/Publisher’s Note: The statements, opinions and data contained in all publications are solely those of the individual author(s) and contributor(s) and not of MDPI and/or the editor(s). MDPI and/or the editor(s) disclaim responsibility for any injury to people or property resulting from any ideas, methods, instructions or products referred to in the content. |
© 2026 by the authors. Licensee MDPI, Basel, Switzerland. This article is an open access article distributed under the terms and conditions of the Creative Commons Attribution (CC BY) license (http://creativecommons.org/licenses/by/4.0/).