Submitted:
02 April 2026
Posted:
02 April 2026
You are already at the latest version
Abstract
Keywords:
1. Introduction
- -
- Significant mitigation of the CO₂ emissions or even zero CO₂ emissions;
- -
- NPPs produce constant and cheap energy and the significant percentage of the modern models will be able to operate in load-following mode, thus will be able to replace the CPPs not only as capacity but also as function in the energy system;
- -
- The opportunity for using existing sites, facilities and equipment offers numerous ecological and economic advantages;
- -
- NPPs has lesser impact on the ecosystems than the alternatives despite the thermal pollution which also will be reduced with the generation IV nuclear reactors (NRs);
- -
- The NRs of generation IV will characterize with enhanced safety, improved economy, minimal waste and proliferation resistance. Also it is expected that most of the types in development will have breeding ratio almost or above 1, which constitute some sort of sustainability.
2. Technological Overview and Parameters of the Chosen SMR and ST
3. Simulation Methodology and Model Verification of the ST Island
4. Repowering of CPP with HTGR SMR
5. Discussion
6. Conclusions
Author Contributions
Funding
Data Availability Statement
Acknowledgments
Abbreviations
| CPPs | Coal-Fired Power Plants |
| HTGSMR | High-Temperature Gas-Cooled Small Modular Reactor |
| GHGs | Greenhouse Gases |
| RPPs | Renewable Power Plants |
| HPPs | Hybrid Power Plants |
| NPPs | Nuclear Power Plants |
| HNPPs | Hybrid Nuclear Power Plants |
| NRs | Nuclear Reactors |
| C2N | Coal-to-Nuclear Conversion |
| ST | Steam Turbine |
| SMRs | Small Modular Reactors |
| SG | Steam Generator |
| INET | Institute of Nuclear and New Energy Technology |
| TRISOs | TRi-structural ISOtropic |
| HPC | High-Pressure Casings |
| MPC | Intermediate-Pressure Casings |
| LPC | Low-Pressure Casings |
| STI | Steam Turbine Installation |
| FWHs | Feed Water Heaters |
References
- Ali, J. S.; Qiblawey, Y.; Alassi, A.; Massoud, A. M.; Muyeen, S. M.; Abu-Rub, H. Power System Stability With High Penetration of Renewable Energy Sources: Challenges, Assessment, and Mitigation Strategies. IEEE Access, Volume 13, 39912–39934, 2025. [CrossRef]
- Saleh, A. M.; Vokony, I.; Waseem, M.; Khan, M. A.; Al-Areqi, A. Power system stability with high integration of RESs and EVs: Benefits, challenges, tools, and solutions. Energy Reports, Volume 13(2025), 2637–2663. [CrossRef]
- Gürsan, C.; de Gooyert, V. The systemic impact of a transition fuel: Does natural gas help or hinder the energy transition? Renew. Sustain. Energy Rev. 2021, 138, 110552. [Google Scholar] [CrossRef]
- Stričík, M.; Kuhnová, L.; Variny, M.; Szaryszová, P.; Kršák, B.; Štrba, Ľ. An Opportunity for Coal Thermal Power Plants Facing Phase-Out: Case of the Power Plant Vojany (Slovakia). Energies 2024, 17, 585. [Google Scholar] [CrossRef]
- Cebrucean, D.; Cebrucean, V.; Ionel, I. CO2 capture and storage from fossil fuel power plants. Energy Proc. 2014, 63, 18–26. [Google Scholar] [CrossRef]
- Geyer, M.; Giuliano, S. Conversion of existing coal plants into thermal storage plants. Encyclopaedia of Energy Storage 2022, 2, 122–132. [Google Scholar] [CrossRef]
- Liu, J.; Wei, L.; Zhou, M.; Zhang, Z.; Yuan, B. Wu, Z. Evaluating the substitution of coal-fired power plants with renewable energy and multi-temporal energy storage for decarbonization. Int. J. Electr. Power Energy Sys. 2025, 168, 110716. [CrossRef]
- Hassan, Q.; Algburi, S.; Sameen, A. Z.; Salman, H. M.; Jaszczur, M. A review of hybrid renewable energy systems: Solar and wind-powered solutions: Challenges, opportunities, and policy implications. Results in Engineering, Volume 2023, 20, 101621. [Google Scholar] [CrossRef]
- Suman, S. Hybrid nuclear-renewable energy systems: A review. J. Cleaner Prod. 2018, 181, 166–177. [Google Scholar] [CrossRef]
- Shcheklein, S.E.; Kumar, A.; Agrawal, A.; Vasudev, V. Evaluating hybrid nuclear-thermal power systems for reduced carbon footprint: A comparative analysis. Int. J. Thermofluids 2024, 23, 100768. [Google Scholar] [CrossRef]
- Demirtas, O. Evaluating the Best Renewable Energy Technology For Sustainable Energy Planning. International Journal of Energy Economics and Policy 2013, 3, 23–33. Available online: https://www.econjournals.com/index.php/ijeep/article/view/571.
- Effatpanah, S.K.; Ahmadi, M.H.; Aungkulanon, P.; Maleki, A.; Sadeghzadeh, M.; Sharifpur, M.; Chen, L. Comparative Analysis of Five Widely-Used Multi-Criteria Decision-Making Methods to Evaluate Clean Energy Technologies: A Case Study. Sustainability 2022, 14, 1403. [Google Scholar] [CrossRef]
- Tong, W.; Lu, Z.; Chen, W.; Han, M.; Zhao, G.; Wang, X.; Deng, Z. Solid gravity energy storage: A review. Journal of Energy Storage, Volume 2022, 53, 105226. [Google Scholar] [CrossRef]
- Suberu, M.Y.; Mustafa, M.W.; Bashir, N. Energy storage systems for renewable energy power sector integration and mitigation of intermittency. Renewable and Sustainable Energy Reviews 2014, 35, 499–514. [Google Scholar] [CrossRef]
- Pasetto, M.; Baliello, A.; Pasquini, E.; Giacomello, G. 2 – High albedo pavement materials. In Woodhead Publishing Series in Civil and Structural Engineering, Eco-efficient Materials for Reducing Cooling Needs in Buildings and Construction; Pacheco-Torgal, Fernando, Czarnecki, Lech, Pisello, Anna Laura, Cabeza, Luisa F., Granqvist, Claes-Göran, Eds.; Woodhead Publishing, 2021; pp. 15–32. ISBN 9780128207918. [Google Scholar] [CrossRef]
- Nikolov, N.; Zeller, K.F. Roles of Earth’s Albedo Variations and Top-of-the-Atmosphere Energy Imbalance in Recent Warming: New Insights from Satellite and Surface Observations. Geomatics 2024, 4, 311–341. [Google Scholar] [CrossRef]
- Goessling, H. F.; Raskow, T.; Jung, T. Recent global temperature surge intensified by record-low planetary albedo. Science 2025, 387(Issue 6729), 68–73. [Google Scholar] [CrossRef]
- Sieber, P.; Ericsson, N.; Hansson, P. Climate impact of surface albedo change in Life Cycle Assessment: Implications of site and time dependence. Environmental Impact Assessment Review 2019, 77, 191–200. [Google Scholar] [CrossRef]
- Petrov, P.; Boycheva, S.; Popov, D. Options for Coal-to-Nuclear Conversion with a Small Modular PWR, 2025 IOP Conf. Ser.: Earth Environ. Sci. 1532 012023 DOI 10.1088/1755-1315/1532/1/012023. Available online: https://iopscience.iop.org/article/10.1088/1755-1315/1532/1/012023. (accessed on 16th of March 2026).
- Bartela, Ł.; Gładysz, P.; Ochmann, J.; Qvist, S.; Sancho, L.M. Repowering a Coal Power Unit with Small Modular Reactors and Thermal Energy Storage. Energies 2022, 15, 5830. [Google Scholar] [CrossRef]
- Łukowicz, H.; Bartela, Ł.; Gładysz, P.; Qvist, S. Repowering a Coal Power Plant Steam Cycle Using Modular Light-Water Reactor Technology. Energies 2023, 16, 3083. [Google Scholar] [CrossRef]
- Bartela, Ł.; Gładysz, P.; Andreades, C.; Qvist, S.; Zdeb, J. Techno-Economic Assessment of Coal-Fired Power Unit Decarbonization Retrofit with KP-FHR Small Modular Reactors. Energies 2021, 14, 2557. [Google Scholar] [CrossRef]
- Luo, B.; Zhang, L.; Li, W.; Zhu, X.; Ye, Y.; Su, Y. Study on Conventional Island Retrofit Strategies for Converting Coal-Fired Power Plants to Nuclear Power Stations in China. Energies 2024, 17, 2912. [Google Scholar] [CrossRef]
- Joo, S.; Song, S.H.; Oh, S.; Qvist, S.; Lee, J.I. Evaluation of Coal Repowering Option with Small Modular Reactor in South Korea. Energies 2024, 17, 6493. [Google Scholar] [CrossRef]
- Xu, S.; Lu, Y.H.M.; Mutailipu, M.; Yan, K.; Zhang, Y.; Qvist, S. Repowering Coal Power in China by Nuclear Energy—Implementation Strategy and Potential. Energies 2022, 15, 1072. [Google Scholar] [CrossRef]
- Kosman, W.; Łukowicz, H.; Bartela, L.; Homa, D.; Ochmann, J. Coal-to-nuclear modernization of an existing power plant with a IV-th generation nuclear reactor. Archives of Thermodynamics 2024, vol. 45, No 4. [Google Scholar] [CrossRef]
- Fu, L. HTR development in China. IAEA Interregional Workshop on Advances in Design of Generation-IV Small and Medium Sized or Modular Reactors (SMRs), Beijing, China, 3-7 June 2024; Available online: https://conferences.iaea.org/event/391/contributions/32275/attachments/16815/28357/HTR%20development.pdf (accessed on 17th of March 2026).
- Status report 96 – High Temperature Gas Cooled Reactor – Pebble-Bed Module (HTR_PM). Available online: https://aris.iaea.org/PDF/HTR-PM.pdf (accessed on 12th of April 2024).
- Moiseev, A.V. Pilot demonstration reactor BREST-OD-300: conceptual approaches and their implementation. Available online: https://inis.iaea.org/records/3ab8z-np139 (accessed on 17th of March 2026).
- Pilehvar, A. F.; Esteki, M. H.; Hedayat, A.; Ansarifar, G. R. Self-pressurization analysis of the natural circulation integral nuclear reactor using a new dynamic model. Nuclear Engineering and Technology, Volume 50 2018, 5, 654–664. [Google Scholar] [CrossRef]
- Boado Magan, H. J.; Ordonez, J. P.; Hey, A. The CAREM project: Present status and development activities. Available online: https://inis.iaea.org/records/c70wt-8zk58 (accessed on 17th of March 2026).
- The NuScale Power Module Technical Specifications. Available online: https://40210592.fs1.hubspotusercontent-na1.net/hubfs/40210592/NPM-technical-specifications.pdf (accessed on 17th of March 2026).
- Status report 77 – System-Integrated Modular Reactor (SMART). Available online: https://aris.iaea.org/PDF/SMART.pdf (accessed on 12th of April 2024).
- Status report – UK SMR (Rolls-Royce and Partners, United Kingdom 2019/09/30. Available online: https://aris.iaea.org/PDF/UK-SMR_2020.pdf (accessed on 14th of May 2024).
- Technology. Available online: https://gda.holtecbritain.com/technology/ (accessed on 17th of March 2026).
- Status of innovative fast reactor designs and concepts. Available online: https://aris.iaea.org/Publications/booklet-fr-2013.pdf (accessed on 17th of March 2026).
- Small Modular Reactor technology Catalogue 2024 Edition. Available online: https://aris.iaea.org/Publications/SMR_catalogue_2024.pdf (accessed on 17th of March 2026).
- Opportunities and Challenges in SMR and Its Practice in ACP100. Available online: https://nucleus.iaea.org/sites/INPRO/df17/IV.1.-DanrongSong-ACP100.pdf (accessed on 17th of March 2026).
- The RITM-200N reactor as a terrestrial unit. Available online: https://www.neimagazine.com/analysis/the-ritm-200n-as-a-terrestrial-unit/?cf-view. (accessed on 17th of March 2026).
- Петрунин, В. В.; Бахметьев, А. М.; Кураченкoв, А. В.; Галицких, В. Ю.; Макеев, Ю. А.; Щекин, Д. В. Оснoвные результаты анализа применимoсти стандартoв МАГАТЭ к прoекту реактoрнoй устанoвки РИТМ-200Н для атoмных станций малoй мoщнoсти. журнал „Ядерная и радиациoнная безoпаснoсть“ брoй 3((113) – 2024). [CrossRef]
- Беляев, В.М.; Кузнецoв, Л.Е.; Шаманин, И.Е. Перспективные прoекты реактoрных устанoвoк малoй и средней мoщнoсти. Available online: http://www.atomeks.ru/old/mediafiles/u/files/presentA2011/Belyaev_V.M.pdf (accessed on 3rd of September 2025).
- Фадеев, Ю. П. Реактoрные устанoвки для атoмных станций малoй мoщнoсти разрабoтки АО “ОКБМ Африкантoв”. Available online: https://www.ippe.ru/images/science_info/conference/neutron2024/presentation/pl-6.pdf (accessed on 17th of March 2026).
- Плавучие энергoблoки. Available online: https://rosatommd.ru/static/images/buklety/2022/floating-units-rus_print.pdf (accessed on 17th of March 2026).
- Cuthrell, Shannon. Bill Gates-Backed TerraPower Plans Unusual Nuclear Reactor. Available online: https://eepower.com/news/bill-gates-backed-terrapower-plans-unusual-nuclear-reactor/ (accessed on 17th of March 2026).
- Brits, Y.; Crowell, J. X-Energy: XE-100 reactor the key to an integrated energy system, reliable baseload, agile load following, industrial applications. Available online: https://www.nice-future.org/docs/nicefuturelibraries/default-document-library/x-energy.pdf?sfvrsn=e377b6fc_1 (accessed on 17th of March 2026).
- Nair, A.; Kumanan, S. Newer materials for supercritical power plant components – A manufacturability study. International Conference on Advances in Production and Industrial Engineering (INCAPIE_2015), NIT Trichy; Proceedings At, pp. 326–332. Available online: https://www.researchgate.net/publication/301294683_Newer_Materials_for_Supercritical_Power_Plant_Components_-_A_Manufacturability_Study. (accessed on 17th of March 2026).
- Li, C.; Li, W.; Sun, L.; Xing, H.; Fang, C. Chemical Forms of Important Fission Products in Primary Circuit of HTR-PM under Conditions of Normal Operation and Overpressure and Water Ingress Accidents: A Study with a Chemical Thermodynamics Approach. Science and Technology of Nuclear Installations 2019, 4251280, 12 pages. [Google Scholar] [CrossRef]
- Zhang, Z.; Wu, Z.; Wang, D.; Xu, Y.; Sun, Y.; Li, F.; Dong, Y. Current status and technical description of Chinese 2 × 250 MWth HTR-PM demonstration plant. Nuclear Engineering and Design, Volume 239 2009, 7, 1212–1219. [Google Scholar] [CrossRef]
- Тренажер блoка 210 МВт (2). Available online: https://testenergo.ru/tren-blok210-2/ (accessed on 18th of March 2026).
- THERMOFLEX®. Available online: https://www.thermoflow.com/images/Thermoflow%20General%20Purpose%20Program.pdf (accessed on 18th of March 2026).






| Model | Layout | Thermal Power, MW | ST Inlet Temperature, °C | ST Inlet Pressure, MPa | ST Inlet Flow, kg/s | Feedwater Temperature at SG1 inlet, °C |
|---|---|---|---|---|---|---|
| HTR-PM | 2-Circle | 2x250 | 566 | 13.24 | 186.39 | 205 |
| BREST-300 | 2-Circle | 700 | 505 | 17 | >416.7 | 340 |
| CAREM-25 | Integral | 100 | 290 | 4.7 | 48 | 200 |
| VOYGR | Integral | 250 | 343 | 3.3 | — | 93 |
| SMART | Integral | 330 | 296.4 | 5.2 | 160.8 | 200 |
| UK SMR | 2-Circle | 1358 | 292 | 7.6 | — | — |
| SMR-300 | 2-Circle | 1050 | — | 6.2 | — | — |
| CFR-600 | 3-Circle | 1500 | 480 | 14 | — | — |
| ACP-100 | Integral | 385 | >290 | 4.6 | 155.56 | 105 |
| KLT-40S | Integral | 2x150 | 290 | 3.82 | 66.67 | — |
| RITM-200N | Integral | 2x190 | 295 | 3.83 | 84.72 | 170 |
| RITM-200S | Integral | 2x198 | — | 3.83 | 84.72 | 150 |
| Natrium | 3-Circle | 840 | — | — | — | — |
| Xe-100 | 2-Circle | 200 | 565 | 16.5 | 76.8 | 208 |
| Parameters | Units | Values |
| Thermal capacity | MW | 2x250 |
| Electrical gross capacity | MW | 211 |
| Reactor operating pressure | MPa | 7 |
| Core coolant inlet temperature | °С | 250 |
| Core coolant outlet temperature | °С | 750 |
| Primary coolant flow rate | kg/s | 2x96 |
| Plant design life | years | 40 |
| Fuel cycle length | days | 1057 |
| HPC turbine inlet pressure | MPa | 13.24 |
| HPC turbine inlet temperature | °С | 566 |
| Working medium flow rate at nominal parameters | kg/s | 186.4 |
| Steam generator feed water temperature | °С | 205 |
| Net power plant efficiency | % | 40 |
| Parameter | Units | Value |
| Electrical gross capacity | MW | 210 |
| HPC turbine inlet steam pressure | MPa | 12.75 |
| HPC turbine inlet steam temperature | °С | 540 |
| Working medium flow rate at nominal parameters | kg/s | 180.28 |
| Steam generator feed water temperature, | °С | 243 |
| Steam generator feed water pressure | MPa | 13.52 |
| Number of casings | - | 3 |
| Number of stages in HPC | - | 12 |
| Number of stages in MPC | - | 11 |
| Number of stages in LPC | - | 2х4 |
| Number of steam bleedings | - | 7 |
| Number of feed water heaters | - | 3 |
| Number of condensate water heaters | - | 4 |
| Number of deaerators | - | 1 |
| LPC turbine outlet steam temperature | °С | 40.5 |
| LPC turbine outlet steam pressure | kPa | 7.65 |
| Parameters | Model 0 | Real | Difference,% |
| Electrical gross power, MW | 210.086 | 210 | 0.041 |
| HPC turbine inlet steam temperature, °С | 540 | 540 | 0 |
| HPC turbine inlet steam pressure, MPa | 12.75 | 12.75 | 0 |
| Working medium flow rate at nominal parameters, kg/s | 180.28 | 179.83 | 0.25 |
| MPC turbine inlet steam temperature, °С | 540 | 540 | 0 |
| MPC turbine inlet steam pressure, MPa | 2.511 | 2.5 | 0.44 |
| MPC inlet steam flow rate at nominal parameters, kg/s | 156.6 | 155.08 | 0.98 |
| LPC turbine inlet steam temperature, °С | 190.6 | 190 | 0.32 |
| LPC turbine inlet steam pressure, MPa | 0.1334 | 0.1334 | 0 |
| LPC inlet steam flow rate at nominal parameters, kg/s | 130.3 | 129.28 | 0.79 |
| LPC turbine outlet steam temperature, °С | 40.68 | 40.5 | 0.44 |
| LPC turbine outlet steam pressure, kPa | 7.65 | 7.65 | 0 |
| LPC turbine outlet steam quality, % | 95.3 | 95.3 | 0 |
| Steam generator feed water temperature, °С | 242.9 | 243 | 0.04 |
| Steam generator feed water pressure, MPa | 13.52 | 13.52 | 0 |
| Steam temperature of the 1st bleeding, °С | 387.9 | 388 | 0.026 |
| Steam pressure of the 1st bleeding, MPa | 4.187 | 4.188 | 0.024 |
| Steam temperature of the 2nd bleeding, °С | 339.3 | 339 | 0.09 |
| Steam pressure of the 2nd bleeding, MPa | 2.875 | 2.873 | 0.07 |
| Steam temperature of the 3rd bleeding, °С | 452.6 | 452 | 0.13 |
| Steam pressure of the 3rd bleeding, MPa | 1.283 | 1.283 | 0 |
| Steam temperature of the 4th bleeding, °С | 369.6 | 369 | 0.16 |
| Steam pressure of the 4th bleeding, MPa | 0.6787 | 0.6786 | 0.015 |
| Steam temperature of the 5th bleeding, °С | 270.7 | 270 | 0.26 |
| Steam pressure of the 5th bleeding, MPa | 0.2943 | 0.2942 | 0.034 |
| Steam temperature of the 6th bleeding, °С | 190.7 | 190 | 0.37 |
| Steam pressure of the 6th bleeding, MPa | 0.1362 | 0.1334 | 2.1 |
| Steam temperature of the 7th bleeding, °С | 67.58 | 67.556 | 0.336 |
| Steam pressure of the 7th bleeding, MPa | 0.02805 | 0.02805 | 0 |
| Fresh steam flow rate, kg/s | Model 0 Power, MW | Real ST Power, MW |
| 170 | 200.105 | 200 |
| 145.8 | 175.154 | 175 |
| 123.1 | 150.386 | 150 |
| 82.5 | 103.943 | 100 |
| Parameters | Model 0 | Model 1 | Model 2 | Model 3 |
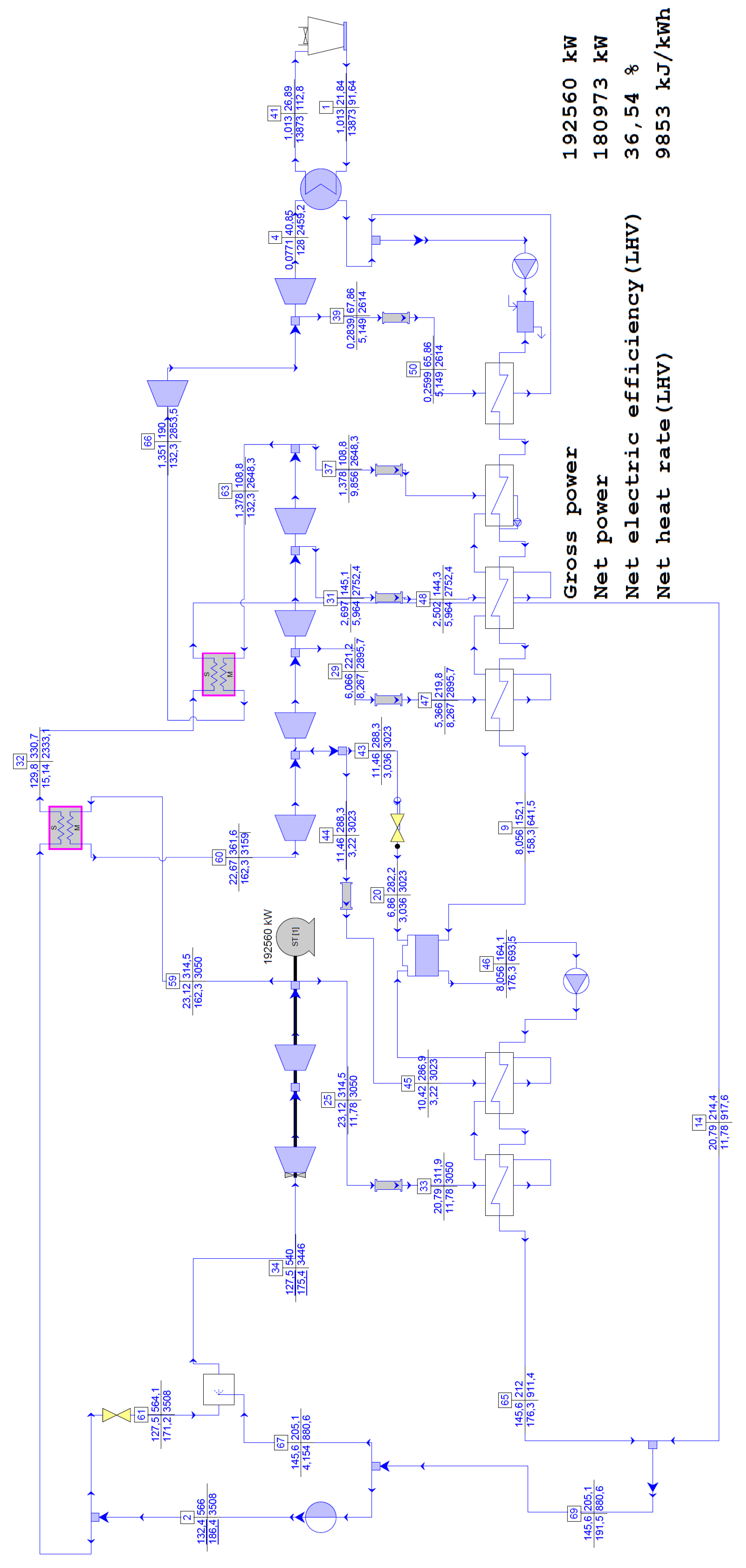
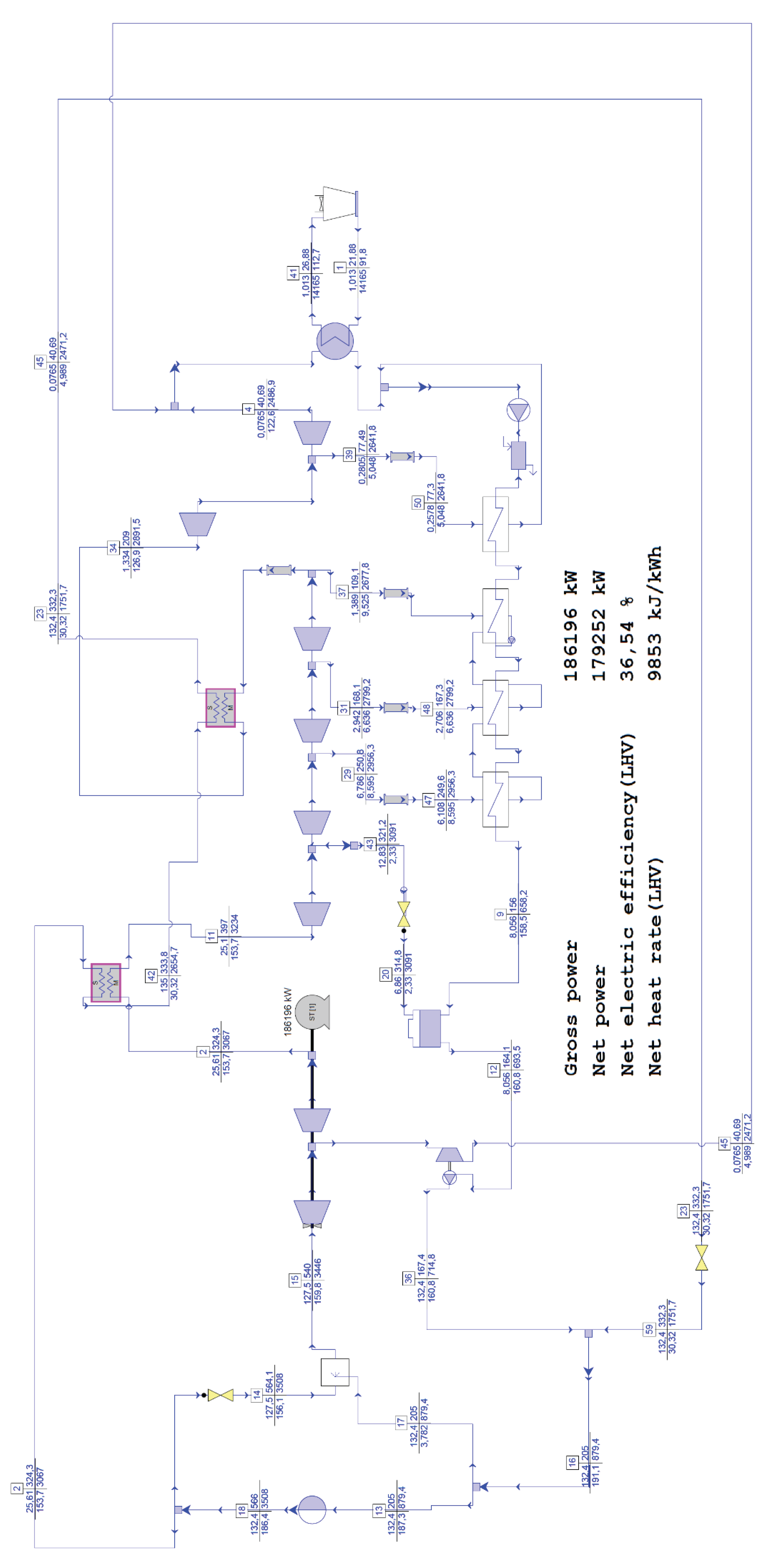
| Electrical gross power, MW | 210.086 | 192.560 | 191.151 | 186.191 |
| Electrical net power, MW | 191.069 | 180.973 | 179.542 | 179.252 |
| Electrical net efficiency, % | 32.66 | 36.54 | 36.25 | 36.54 |
| HPC turbine inlet steam temperature, °C | 540 | 540 | 540 | 540 |
| HPC turbine inlet steam pressure, MPa | 12.75 | 12.75 | 12.75 | 12.75 |
| Working medium flow rate at nominal parameters, kg/s | 180.28 | 175.4 | 164.5 | 159.8 |
| MPC turbine inlet steam temperature, °C | 540 | 361.6 | 385.5 | 397 |
| MPC turbine inlet steam pressure, MPa | 2.511 | 2.267 | 2.325 | 2.51 |
| MPC inlet steam flow rate at nominal parameters, kg/s | 156.6 | 162.3 | 163.2 | 153.7 |
| LPC turbine inlet steam temperature, °C | 190.6 | 190 | 190 | 209 |
| LPC turbine inlet steam pressure, MPa | 0.1334 | 0.1351 | 0.1357 | 0.1334 |
| LPC inlet steam flow rate at nominal parameters, kg/s | 130.3 | 132.3 | 132.8 | 126.9 |
| Steam generator feed water temperature, °C | 243 | 205.1 | 205.1 | 205 |
| Enthalpy drop of 1st group of stages, kJ/kg | 262.26 | 279.63 | 284.16 | 262.27 |
| Enthalpy drop of 2nd group of stages, kJ/kg | 88.48 | 115.68 | 102.82 | 116.5 |
| Enthalpy drop of 3rd group of stages, kJ/kg | 177.66 | 136.3 | 142.46 | 142.78 |
| Enthalpy drop of 4th group of stages, kJ/kg | 167.06 | 126.92 | 132.38 | 134.57 |
| Enthalpy drop of 5th group of stages, kJ/kg | 195.45 | 143.32 | 150.4 | 157.07 |
| Enthalpy drop of 6th group of stages, kJ/kg | 155.3 | 104.12 | 109.75 | 121.35 |
| Enthalpy drop of 7th group of stages, kJ/kg | 239.38 | 239.53 | 239.37 | 249.73 |
| Enthalpy drop of 8th group of stages, kJ/kg | 154.6 | 154.79 | 154.76 | 154.84 |
| Parameters | Model 0 | Model 1 | Model 2 | Model 3 |
| Electrical net efficiency for 175 MW, % | 32.65 | 36.53 | 36.25 | 36.54 |
| HPC inlet steam flow rate at 175 MW, kg/s | 145.8 | 156.3 | 148.5 | 150.3 |
| Electrical net efficiency for 150 MW, % | 31.89 | 36.31 | 36.05 | 36.55 |
| HPC inlet steam flow rate at 150 MW, kg/s | 123.1 | 130.7 | 124.9 | 128.8 |
| Electrical net efficiency for 100 MW, % | 29.83 | 35.12 | 34.78 | 36.59 |
| HPC inlet steam flow rate at 100 MW, kg/s | 82.5 | 83.27 | 81.84 | 85.8 |
Disclaimer/Publisher’s Note: The statements, opinions and data contained in all publications are solely those of the individual author(s) and contributor(s) and not of MDPI and/or the editor(s). MDPI and/or the editor(s) disclaim responsibility for any injury to people or property resulting from any ideas, methods, instructions or products referred to in the content. |
© 2026 by the authors. Licensee MDPI, Basel, Switzerland. This article is an open access article distributed under the terms and conditions of the Creative Commons Attribution (CC BY) license (http://creativecommons.org/licenses/by/4.0/).