Submitted:
02 July 2025
Posted:
03 July 2025
You are already at the latest version
Abstract
Keywords:
1. Introduction
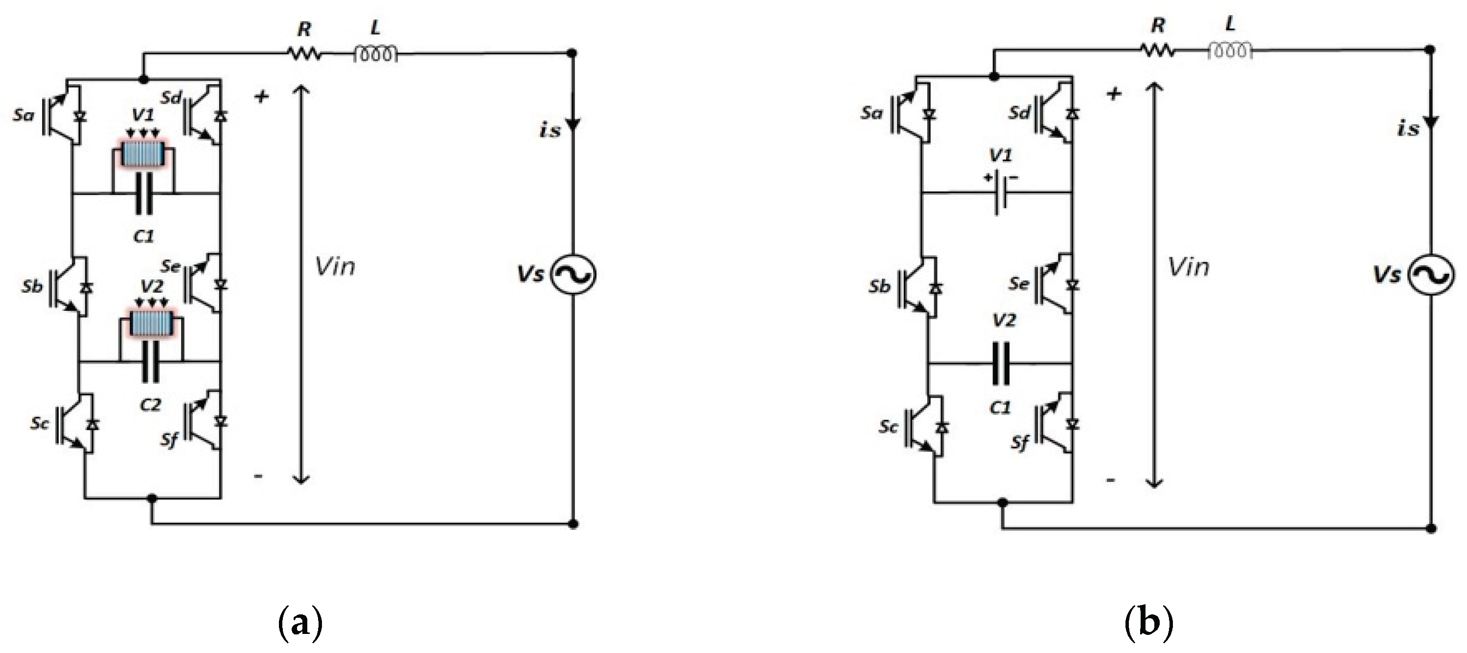
2. Packed U-Cell Converter Topology
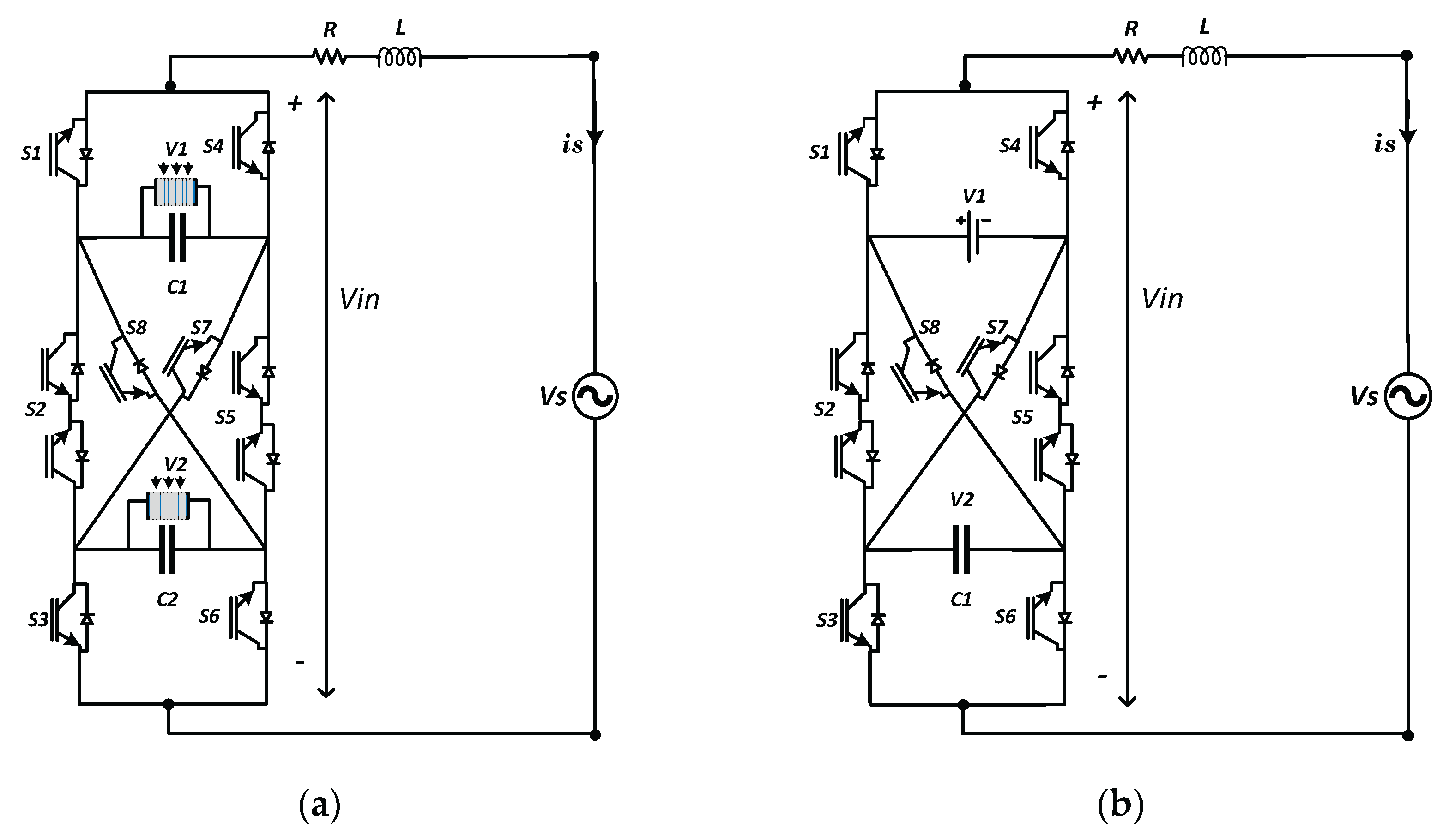
3. Crossover Switches Cell Converter Topology
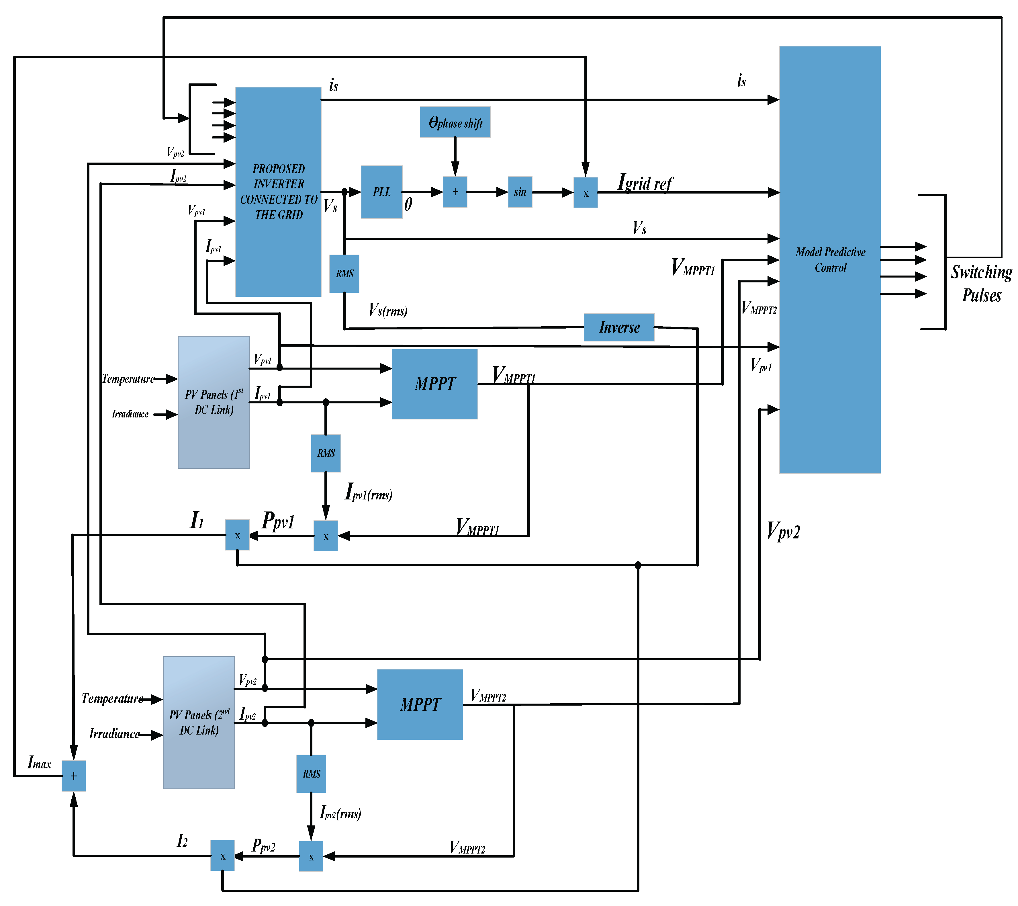
4. Model Predictive Control Design
4.1. Model Predictive Control Design for PUC
4.2. Model Predictive Control Design for CSC
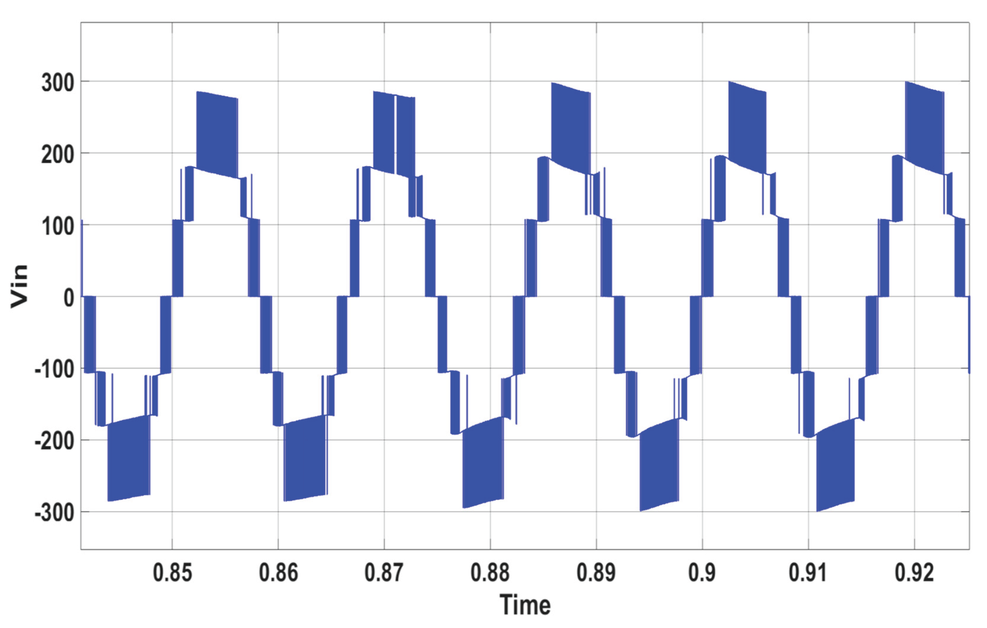
5. Simulation Results and Analysis for PUC
6. Simulation Results and Analysis For CSC
7. Conclusion
Author Contributions
Funding
Data Availability Statement
Acknowledgments
Conflicts of Interest
References
- Feldman, D.J.; Zwerling, M.; Margolis, R.M. Q2/Q3 2019 Solar Industry Update. National Renewable Energy Laboratory (NREL), Colorado, USA, November 12, 2019; https://doi.org/10.2172/1578269.
- Lu, C.; Guan, S.; Yan, M.; Zhang, F.; Wu, K.; Wang, B. Grid Connected Photovoltaic Power Generation Station and it's Influence on Dispatching Operation Mode. 2018 2nd IEEE Conference on Energy Internet and Energy System Integration (EI2), Beijing, 2018; pp. 1-4. https://doi.org/10.1109/ei2.2018.8581917.
- Gupta, K.K.; Jain, S. A Novel Multilevel Inverter Based on Switched DC Sources. IEEE Transactions on Industrial Electronics, July 2014; Vol. 61 No. 7, https://doi.org/10.1109/tie.2013.2282606.
- Vadizadeh, H.; Farokhniah, N.; Toodeji, H.; Kavousi, A. Formulation of line-to-line voltage total harmonic distortion of two-level inverter with low switching frequency. IET Power Electronics 2013, vol. 6 no. 3, pp. 561-571.
- Baker, R.H.; Bannister, L.H. Electric Power Converter. US. Patent Number 3,867,643, 1975.
- Hariri, R.; Sebaaly, F.; Kanaan, H.Y. A Review on Modulated Multilevel Converters in Electric Vehicles. Proc. IECON’20, Singapore, Oct. 18-21; 2020, pp. 4987–4993.
- Qashqai, P.; Sheikholeslami, A.; Vahedi, H.; Al-Haddad, K. A Review on Multilevel Converter Topologies for Electric Transportation Applications. 2015 IEEE Vehicle Power and Propulsion Conference (VPPC), https://doi.org/10.1109/vppc.2015.7352882.
- Meynard, T.A.; Foch, H. Multi-level conversion: high voltage choppers and voltage-source inverters. Power Electronics Specialists Conference PESC '92 Record., 23rd Annual, 2003; pp. 397-403. https://doi.org/10.1109/pesc.1992.254717.
- Lim, S.K.; Kim, J.H.; K. Nam "A DC-Link Voltage Balancing Algorithm for Three-Level Converter Using the Zero Sequence Current. Power electronics specialists conference, pp. 1083-1088.
- H. Du Toit Mouton "Natural Balancing of Three-Level Neutral Point Clamped PWM Inverters. IEEE Transactions on Industrial Electronics, October 2002; Vol. 49 N°5, pp. 1017-1025.
- John, J.; Jose, J.; Davis, P. A novel three phase three level step up multilevel inverter topology for aircraft applications. 2016 IEEE International Conference on Power Electronics, Drives and Energy Systems (PEDES), Trivandrum, 2016; pp. 1-6. https://doi.org/10.1109/pedes.2016.7914273.
- Arasteh, M.; Rahmati, A.; Abrishamifar, A.; Farhangi, S. DTC on multilevel inverters for pumping and ventilation applications. 2009 4th IEEE Conference on Industrial Electronics and Applications, Xi'an, 2009; pp. 2316-2320. https://doi.org/10.1109/iciea.2009.5138612.
- Yamini, R.; Selvathai, T.; Reginald, R.; Sekar, K. Design of Multilevel Inverter for Hybrid Electric Vehicle System. 2018 International Conference on Inventive Research in Computing Applications (ICIRCA), Coimbatore, 2018; pp. 966-971. https://doi.org/10.1109/icirca.2018.8597380.
- Kouro, S.; Malinowski, M.; Gopakumar, K.; Pou, J.; Franquelo, L.G.; Wu, B.; Rodriguez, J.; Pérez, M.A.; Leon, J.I. Recent Advances and Industrial Applications of Multilevel Converters’. IEEE Transactions on Industrial Electronics, Aug. 2010; vol. 57 no. 8, pp. 2553–2580. https://doi.org/10.1109/tie.2010.2049719.
- Peng, F.Z.; Lai, J-S.; McKeever, J.; VanCoevering, J. A multilevel voltage-source inverter with separate DC sources for static VAr generation. IEEE Transactions on Industry Applications, Sep./Oct. 1996; vol. 32 no. 5, pp. 1130–1138. https://doi.org/10.1109/28.536875.
- Nabae, A.; Takahashi, I.; Akagi, H. A New Neutral-Point-Clamped PWM Inverter. IEEE Transactions on Industry Applications, September/ October 1981; vol. IA-17 no. 5, pp. 518-523.
- Ounejjar, Y.; Al-Haddad, K. A Novel High Energetic Efficiency Multilevel Topology with Reduced Impact on Supply Network. Industrial Electronics, 2008. IECON 2008. 34th Annual Conference of IEEE, 2008; pp. 489-494. https://doi.org/10.1109/iecon.2008.4758002.
- Al-Haddad, K.; Ounejjar, Y.; Gregoire, L.A. Multilevel Electric Power Converter. U.S. Patent 20110280052, Nov 2011.
- Sharifzadeh, M.; Al-Haddad, K. Packed E-Cell (PEC) Converter Topology Operation and Experimental Validation. IEEE Access, https://doi.org/10.1109/access.2019.2924009.
- Ounejjar, Y.; Al-Haddad, K.; Grégoire, L-A. Packed U Cells Multilevel Converter Topology: Theoretical Study and Experimental Validation. IEEE Transactions on Industrial Electronics, Apr. 2011; vol. 58, pp. 1294-1306. https://doi.org/10.1109/tie.2010.2050412.
- Vahedi, H.; Trabelsi, M. Single-DC-Source Multilevel Inverters; Springer Nature Switzerland AG, 2019; ISBN 978-3-030-15252-9.
- Ebrahimi, J.; Babaei, E.; Gharehpetian, G.B. A New Topology of Cascaded Multilevel Converters With Reduced Number of Components for High-Voltage Applications. IEEE Transactions on Power Electronics, Nov. 2011; vol. 26 no. 11, pp. 3109-3118. https://doi.org/10.1109/tpel.2011.2148177.
- Rodriguez, J.; Lai, J-S.; Peng, F.Z. Multilevel inverters: a survey of topologies, controls, and applications. IEEE Transactions on Industrial Electronics, Aug. 2002; vol. 49 no. 4, pp. 724-738. https://doi.org/10.1109/tie.2002.801052.
- Oskuee, M.R.J.; E. Salary and S. Najafi-Ravadanegh, "Creative design of symmetric multilevel converter to enhance the circuit's performance. IET Power Electronics 2015, vol. 8 no. 1, pp. 96-102.
- Babaei, E.; Alilu, S.; Laali, S. A New General Topology for Cascaded Multilevel Inverters With Reduced Number of Components Based on Developed H-Bridge. IEEE Transactions on Industrial Electronics, Aug. 2014; vol. 61 no. 8, pp. 3932-3939. https://doi.org/10.1109/tie.2013.2286561.
- Vahedi, H.; Al-Haddad, K.; Ounejjar, Y.; Addoweesh, K. Crossover Switches Cell (CSC): A new multilevel inverter topology with maximum voltage levels and minimum DC sources. 39th Annual Conference of the IEEE Industrial Electronics Society, Vienna, 2013; pp. 54-59. https://doi.org/10.1109/iecon.2013.6699111.
- Niu, D.; Gao, F.; Wang, P.; Zhou, K.; Qin, F.; Ma, Z. A Nine-Level T Type Packed U-Cell Inverter. IEEE Transactions on Power Electronics, Feb. 2020; vol. 35 no. 2, pp. 1171-1175.
- Carrara, G.; Gardella, S.; Marchesoni, M.; Salutari, R.; Sciutto, G. A new multilevel PWM method: a theoretical analysis. IEEE Transactions on Power Electronics, Jul. 1992; vol. 7 no. 3, pp. 497–505. https://doi.org/10.1109/63.145137.
- McGrath, B.P.; Holmes, D.G. Multicarrier PWM Strategies for Multilevel Inverters. IEEE Transactions on Industrial Electronics, Aug. 2002; vol. 49 no. 4, pp. 858–867. https://doi.org/10.1109/tie.2002.801073.
- Celanovic, N.; Boroyevich, D. A Fast Space-Vector Modulation Algorithm for Multilevel Three-Phase Converters. IEEE Trans. on Industry Applications, Mar./Apr. 2001; vol. 37 no. 2, pp. 637–641.
- Edpuganti, A.; Rathore, A.K. A Survey of Low Switching Frequency Modulation Techniques for Medium-Voltage Multilevel Converters. IEEE Transactions on Industry Applications, Sep./Oct. 2015; vol. 51 no. 5, pp. 4212–4228. https://doi.org/10.1109/tia.2015.2437351.
- Leon, J.I.; Kouro, S.; Franquelo, L.G.; Rodriguez, J.; Wu, B. The Essential Role and the Continuous Evolution of Modulation Techniques for Voltage-Source Inverters in the Past, Present, and Future Power Electronics. IEEE Transactions on Industrial Electronics, May 2016; vol. 63 no. 5, pp. 2688–2701. https://doi.org/10.1109/tie.2016.2519321.
- Ghias, A.; Pou, J.; Capella, G.J.; Agelidis, V.G.; Aguilera, R.P.; Meynard, T.A. Single-Carrier Phase-Disposition PWM Implementation for Multilevel Flying Capacitor Converters. IEEE Trans. Power Electron, Oct. 2015; vol. 30 no. 10, pp. 5376–5380.
- Ounejjar, Y.; Al-Haddad, K. A novel six-band hysteresis control of the packed U cells seven-level converter. 2010 IEEE International Symposium on Industrial Electronics, Bari, 2010; pp. 3199-3204.
- Memon, M.A.; Mekhilef, S.; Mubin, M.; Aamir, M. Selective harmonic elimination in inverters using bio-inspired intelligent algorithms for renewable energy conversion applications: A review. Renew. Sustain. Energy Rev. 2018, vol. 82, pp. 2235-2253. https://doi.org/10.1016/j.rser.2017.08.068.
- Maswood, A.I.; Wei, S. Genetic-algorithm-based solution in PWM converter switching. IEEE Proceedings-Electric Power Applications, 6 May 2005; vol. 152 no. 3, pp. 473-478.
- Rodriguez, J.; Kazmierkowski, M.P.; Espinoza, J.R.; Zanchetta, P.; Abu-Rub, H.; Young, H.A.; Rojas, C.A. State of the Art of Finite Control Set Model Predictive Control in Power Electronics. IEEE Transactions on Industrial Informatics, May 2013; vol. 9 no. 2, pp. 1003-1016. https://doi.org/10.1109/tii.2012.2221469.
- Liu, Y.; Huang, A.Q.; Song, W.; Bhattacharya, S.; Tan, G. Small-Signal Model-Based Control Strategy for Balancing Individual DC Capacitor Voltages in Cascade Multilevel Inverter-Based STATCOM. IEEE Transactions on Industrial Electronics, June 2009; vol. 56, pp. 2259-2269.
- Rodriguez, J.; Cortes, P. Predictive control of power converters and electrical drives; John Wiley & Sons, 2012; https://doi.org/10.1002/9781119941446.
- Kouro, S.; Cortes, P.; Vargas, R.; Ammann, U.; Rodriguez, J. Model Predictive ControlA Simple and Powerful Method to Control Power Converters. IEEE Transactions on Industrial Electronics, 2009; vol. 56 no. 6, pp. 1826-1838. https://doi.org/10.1109/tie.2008.2008349.
- Metri, J.; Vahedi, H.; Kanaan, H.Y.; K. Al Haddad Real-Time Implementation of Model Predictive Control on 7-Level Packed U-Cell Inverter. IEEE Trans. on Ind. Electron, Issue 7, July 2016; vol. 63.
- Khawaja, R.; Sebaaly, F.; Kanaan, H.Y. Design of a 7-Level Single-Stage/Phase PUC Grid Connected PV Inverter with FS-MPC Control. 2020 IEEE International Conference on Industrial Technology (ICIT).
- A, S.U.; Singh, B.; Kumar, N. A New Three-Phase Eleven Level Packed E-Cell Converter for Solar Grid-Tied Applications. E Prime Advances Electr. Eng. Electronics Energy Vol. 2023, 100152.
- Alquennah, A.N.; Trabelsi, M.; Vahedi, H. FCS-MPC of Grid-Connected 9-Level Crossover Switches Cell Inverter. 978-1-7281-5414-5/20/$31. 00 ©2020 IEEE.
- Hariri, R.; Sebaaly, F.; Al-Haddad, K.; Kanaan, H.Y. Modeling and Model Predictive Control of a 7-Level Packed U-Cell Converter for Grid-Tied PV Applications. IECON 2024-50th Annual Conference of the IEEE Industrial Electronics Society.



























| States | Sa | Sb | Sc |
Vin (Output Voltage) |
| 1 | 1 | 0 | 0 | V1 |
| 2 | 1 | 0 | 1 | V1-V2 |
| 3 | 1 | 1 | 0 | V2 |
| 4 | 1 | 1 | 1 | 0 |
| 5 | 0 | 0 | 0 | 0 |
| 6 | 0 | 0 | 1 | -V2 |
| 7 | 0 | 1 | 0 | V2-V1 |
| 8 | 0 | 1 | 1 | -V1 |
| States | Sa | Sb | Sc |
Vin (Output Voltage) |
Vin (Output Voltage Value) |
| 1 | 1 | 0 | 0 | V1 | +3E |
| 2 | 1 | 0 | 1 | V1-V2 | 3E-E=+2E |
| 3 | 1 | 1 | 0 | V2 | +E |
| 4 | 1 | 1 | 1 | 0 | 0 |
| 5 | 0 | 0 | 0 | 0 | 0 |
| 6 | 0 | 0 | 1 | -V2 | -E |
| 7 | 0 | 1 | 0 | V2-V1 | E-3E=-2E |
| 8 | 0 | 1 | 1 | -V1 | -3E |
| States | Sa | Sb | Sc |
Vin (Output Voltage) |
Vin (Output Voltage Value) |
| 1 | 1 | 0 | 0 | V1 | +2E |
| 2 | 1 | 0 | 1 | V1-V2 | 2E-E=+E |
| 3 | 1 | 1 | 0 | V2 | +E |
| 4 | 1 | 1 | 1 | 0 | 0 |
| 5 | 0 | 0 | 0 | 0 | 0 |
| 6 | 0 | 0 | 1 | -V2 | -E |
| 7 | 0 | 1 | 0 | V2-V1 | E-2E=-E |
| 8 | 0 | 1 | 1 | -V1 | -2E |
| States | Sa | Sb | Sc |
Vin (Output Voltage) |
Vin (Output Voltage Value) |
| 1 | 1 | 0 | 0 | V1 | +E |
| 2 | 1 | 0 | 1 | V1-V2 | E-E=0 |
| 3 | 1 | 1 | 0 | V2 | +E |
| 4 | 1 | 1 | 1 | 0 | 0 |
| 5 | 0 | 0 | 0 | 0 | 0 |
| 6 | 0 | 0 | 1 | -V2 | -E |
| 7 | 0 | 1 | 0 | V2-V1 | E-E=0 |
| 8 | 0 | 1 | 1 | -V1 | -E |
| States | S1 | S2 | S3 | S4 | S5 | S6 | S7 | S8 |
Vin (Output Voltage) |
Vin (Output Voltage Value) |
Capacitor Charging State |
| 1 | 1 | 0 | 0 | 0 | 0 | 1 | 1 | 0 | V1+ V2 | 3E+E=4E | Charged |
| 2 | 1 | 0 | 0 | 0 | 1 | 1 | 0 | 0 | V1 | 3E | By passed |
| 3 | 1 | 0 | 1 | 0 | 0 | 0 | 1 | 0 | V1 | 3E | By passed |
| 4 | 1 | 0 | 1 | 0 | 1 | 0 | 0 | 0 | V1-V2 | 3E-E=2E | Discharged |
| 5 | 0 | 0 | 0 | 1 | 0 | 1 | 1 | 0 | V2 | E | Charged |
| 6 | 1 | 1 | 0 | 0 | 0 | 1 | 0 | 0 | V2 | E | Charged |
| 7 | 0 | 0 | 1 | 1 | 0 | 0 | 1 | 0 | 0 | 0 | By passed |
| 8 | 1 | 1 | 1 | 0 | 0 | 0 | 0 | 0 | 0 | 0 | By passed |
| 9 | 0 | 0 | 0 | 1 | 1 | 1 | 0 | 0 | 0 | 0 | By passed |
| 10 | 1 | 0 | 0 | 0 | 0 | 1 | 0 | 1 | 0 | 0 | By passed |
| 11 | 0 | 0 | 1 | 1 | 1 | 0 | 0 | 0 | -V2 | -E | Discharged |
| 12 | 1 | 0 | 1 | 0 | 0 | 0 | 0 | 1 | -V2 | -E | Discharged |
| 13 | 0 | 1 | 0 | 1 | 0 | 1 | 0 | 0 | -V1+ V2 | -3E+E=-2E | Charged |
| 14 | 0 | 0 | 0 | 1 | 0 | 1 | 0 | 1 | -V1 | -3E | By passed |
| 15 | 0 | 1 | 1 | 1 | 0 | 0 | 0 | 0 | -V1 | -3E | By passed |
| 16 | 0 | 0 | 1 | 1 | 0 | 0 | 0 | 1 | -V1- V2 | -3E-E=-4E | Discharged |
| States | S1 | S2 |
Vin (Output Voltage) |
| 1 | 1 | 0 | V1 |
| 2 | 1 | -1 | V1-V2 |
| 3 | 0 | 1 | V2 |
| 4 | 0 | 0 | 0 |
| 5 | 0 | 0 | 0 |
| 6 | 0 | -1 | -V2 |
| 7 | -1 | 1 | V2-V1 |
| 8 | -1 | 0 | -V1 |
| Sampling time | 20µsec |
| DC bus voltage (PV panels) | 300V-315V (9 panels in series) |
| DC link voltage (PV panels) | 99-105V (3 panels in series) |
|
DC capacitor C |
1000µF |
| Line inductor L | 2.5mH |
| Parasitic Resistor (r) | 0.1Ω |
| AC grid voltage (Vrms) | 300V |
| Frequency | 60Hz |
| Sampling time | 20µsec |
| DC bus voltage (PV panels) | 200V-210V (6 panels in series) |
| DC link voltage (PV panels) | 66-70V (2 panels in series) |
|
DC capacitor C |
1000µF |
| Line inductor L | 2.5mH |
| Parasitic Resistor (r) | 0.1Ω |
| AC grid voltage (Vrms) | 300V |
| Frequency | 60Hz |
| Comparison Criteria | Packed U-Cell (PUC) Inverter | Cross Switches Cell (CSC) Inverter |
| Number of Voltage Levels | Up to 7 levels | Up to 9 levels |
| Number of DC Sources | Single DC source | Single DC source |
| Number of DC busses | Two: isolated DC source functions as the primary DC link and a capacitor functions as a secondary, auxiliary DC link | Two: isolated DC source functions as the primary DC link and a capacitor functions as a secondary, auxiliary DC link |
| Number of Switches | Six Switches | Eight Switches |
| Number of Switching States | Eight Switching Sates | Sixteen Switching States |
| Number of PV panels for the same AC grid Vrms | For the primary DC link: 9 panels in series and 1 parallel string For the secondary DC link: 3 panels in series and 1 parallel string |
For the primary DC link: 6 panels in series and 1 parallel string For the secondary DC link: 2 panels in series and 1 parallel string |
| Power Boost Capability | No | Yes, can generate output voltage levels greater than the DC input (boost feature) |
| Output Voltage Quality | High, with reduced harmonic distortion | Very high, with improved waveform due to increased voltage levels |
| Application Suitability | Medium to high power applications, grid-connected PV systems | Similar but with enhanced performance due to boost feature |
| Advantages | Cost-effective, reliable, compact, fewer components Simple topology Simple control |
Higher voltage levels, boost capability, fewer switches for higher levels Simple topology Simple control |
Disclaimer/Publisher’s Note: The statements, opinions and data contained in all publications are solely those of the individual author(s) and contributor(s) and not of MDPI and/or the editor(s). MDPI and/or the editor(s) disclaim responsibility for any injury to people or property resulting from any ideas, methods, instructions or products referred to in the content. |
© 2025 by the authors. Licensee MDPI, Basel, Switzerland. This article is an open access article distributed under the terms and conditions of the Creative Commons Attribution (CC BY) license (http://creativecommons.org/licenses/by/4.0/).