Submitted:
30 April 2025
Posted:
02 May 2025
You are already at the latest version
Abstract
Keywords:
1. Introduction
2. Relevance of the Topic
- -
- Methods based on residual voltage measurement and correction factors applied to inverse time delay curves [10];
- -
- Detection via the analysis of the charge-voltage curve during an SPGF [11];
- -
- Use of symmetrical components analysis [12];
- -
- -
- More common methods focusing on zero-sequence current (ZSC) amplitude evaluation [15];
- -
- Measurement of fundamental harmonic components of ZSC on feeders [16].
3. Materials and Methods
- -
- Analyze the influence of transient resistances during single-phase ground faults (SPGF) on the performance characteristics of protection systems;
- -
- Assess the operation of protection systems under different transient resistance conditions, and;
- -
- Develop a protection scheme and an algorithm for reliably detecting and protecting medium-voltage (MV) networks against SPGFs.
- -
- Magnitude of the residual (zero-sequence) voltage;
- -
- Root mean square (RMS) value of the fundamental harmonic of the zero-sequence current in feeders;
- -
- Direction of the zero-sequence power;
- -
- Summation of the higher harmonics of the zero-sequence current.
- -
- A significant number of faults exhibit very low transient resistances, typically below 0.1 kOhm;
- -
- Another notable cluster appears at higher resistance values between 20 kOhm and 400 kOhm, with a peak around 200 kOhm;
- -
- Very few faults are recorded at intermediate resistance values between 0.2 kOhm and 10 kOhm.
3.1. Defining the Transient Resistance Values at the SPGF Location and Ground Overcurrent Settings
3.2. Development of Algorithm and Protective Device for Identifying a Faulty Feeder During SPGF with the Transient Resistance
- -
- The phasors of the zero-sequence currents across all outgoing feeders are aligned in the same direction and have low magnitudes;
- -
- No significant angle deviations or overcurrent conditions are detected;
- -
- As a result, the output module 11 (substation No.1) or 24 (substation No.2) does not issue an alarm or trip command.
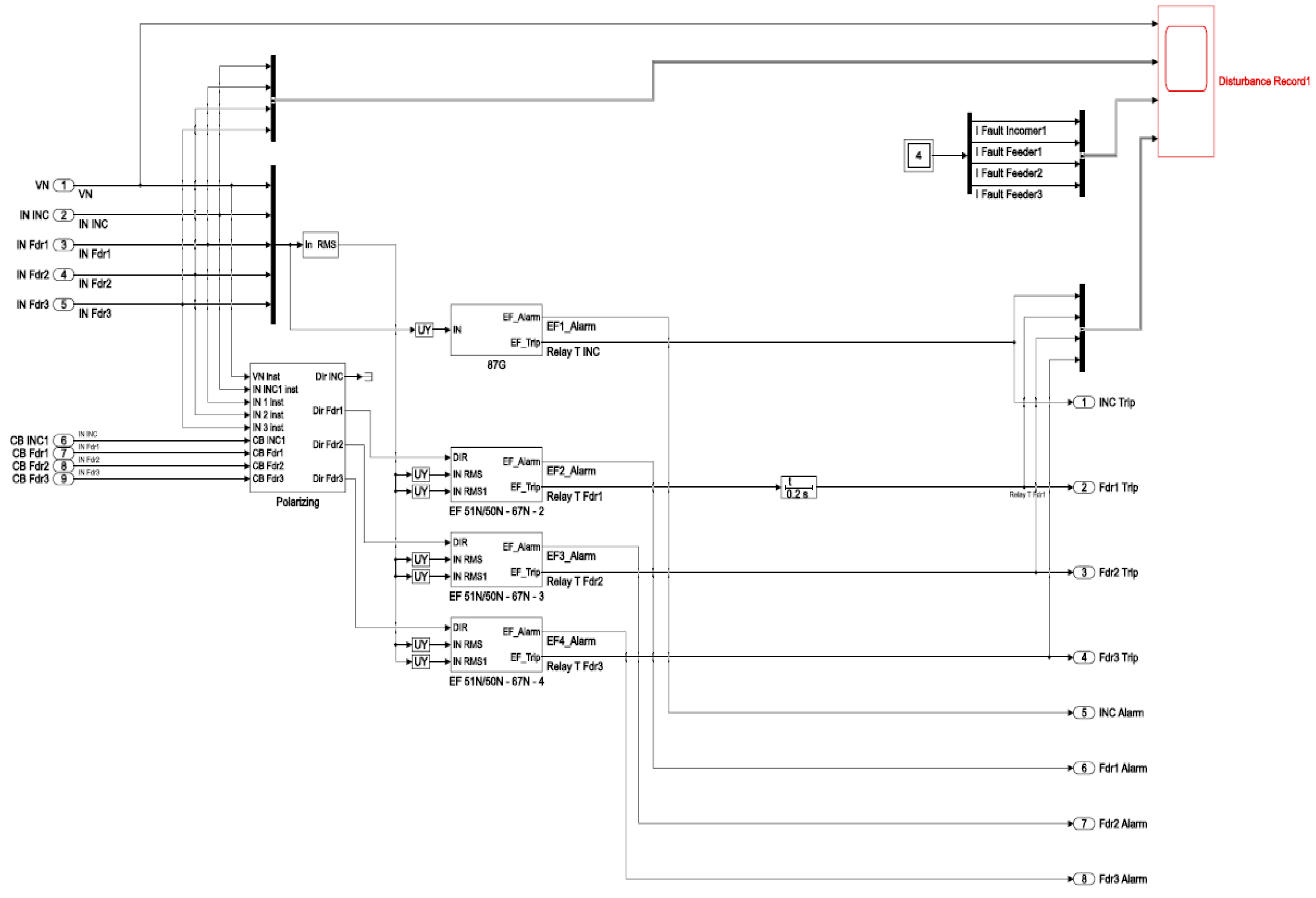
3.3. Description of Centralized Ground Fault Protection Unit
. If any of the circuit breakers is tripped by protection or taken out for service, then the corresponding feeder will be removed from the protection scheme and at the switch output
there will be a logical zero.
and are sent to the magnitude-angle to complex
, from there to the angle summation block
. Depending on the number of circuit breakers in the service position and put into operation
, the number of circuit breakers already switched on is subtracted
from the number of the unfaulted feeders.
and the average angle value of the unfaulted feeders is obtained and in the comparison block, the ZSC signal of the faulty feeder is compared with the ZSC signals of the unfaulted feeders
, and the signals are sent to the angle calculation block
. If the angle is ±20% of +1800, then at the output of OR operator
there is a logical one 1 and the signal will then go to the multiport switch
. From there the signal will go to the magnitude comparison module.
via the operator
will be sent to AND operator
. If the ZSC signal magnitude of the faulty feeder is higher than the specified setting and the angle is 1800, then at the output of AND operator
there will be a logical one 1 and through the multiport switch
the ZSC signal will be directed to another operator AND
. If the alarm setting is exceeded
, then an SPGF signal will appear
. If the trip setting is exceeded
, then the operate delay time of the feeder No.1, in substation No.1, will be 300 ms, and for the remaining feeders, substations No.1 and No.2, it will be 100 ms
and a trip signal of the corresponding feeder will turn up
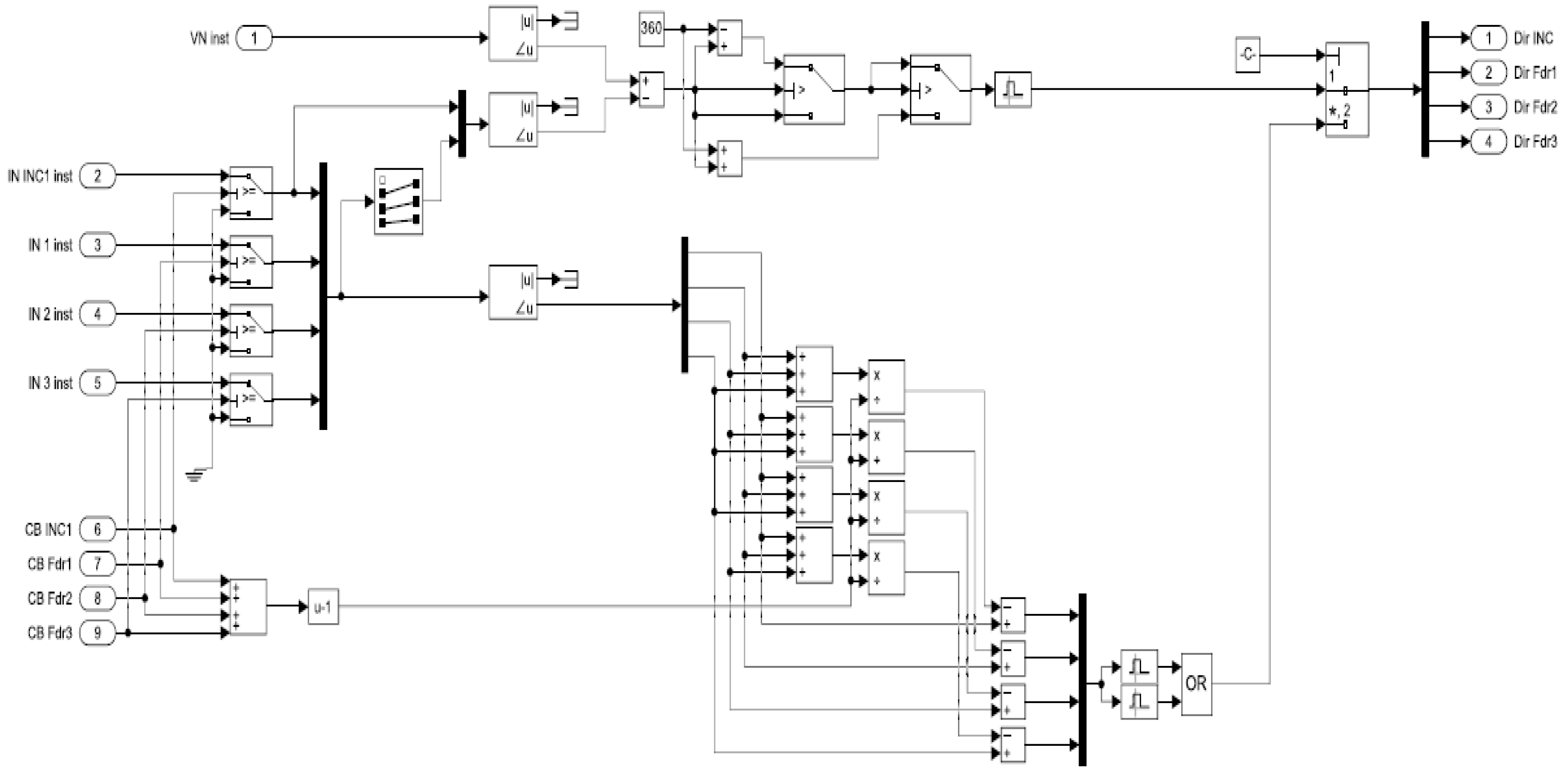
.3.4. Algorithm of CGFPU Operation During Bus Ground Faults
and obtaining the rms value
, the ZSC signal will be directed to the magnitude comparison module. If the alarm setting is exceeded
, then an SPGF signal will appear
. If the trip protection setting is exceeded
, then after 100 ms
, a trip signal to open the incomer circuit breaker
will appear.4. Results
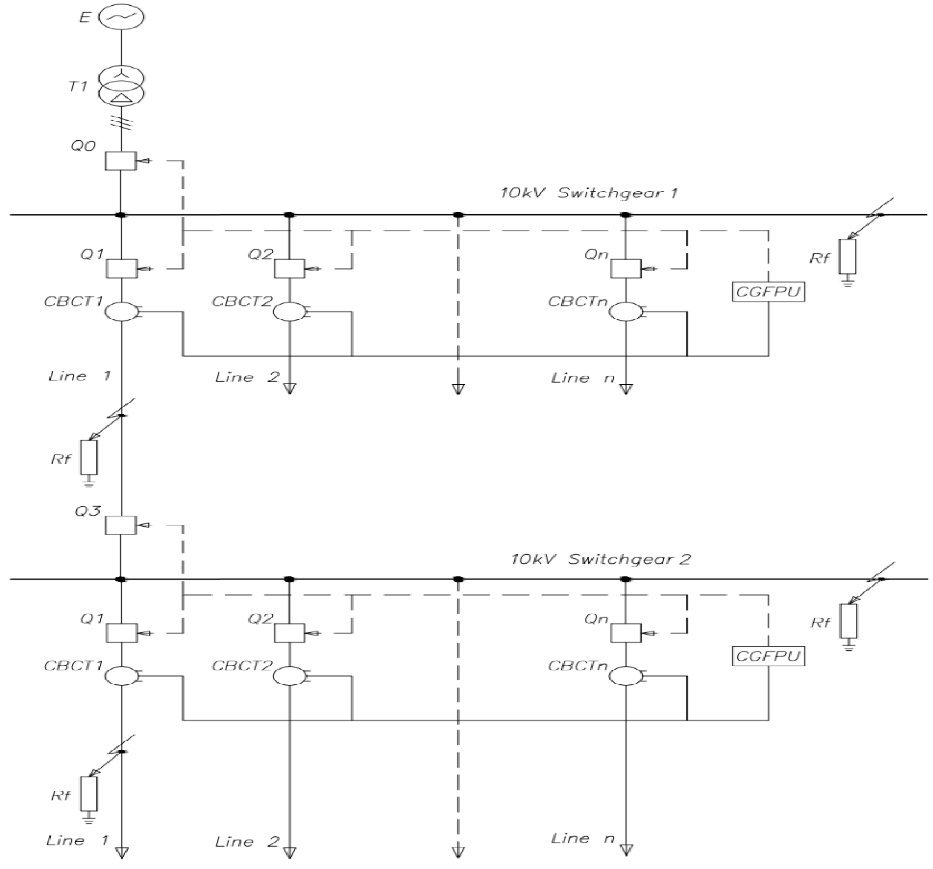
4.1. Modeling of SPGF with the Transient Resistance Rf = 5000 Ohm at the Feeder No.1, Substation No.1 in the 10 kV Network with the Isolated Neutral Configuration
4.2. Modeling of SPGF with the Transient Resistance of Rf = 5000 Ohm on the Substation No.1 Bus in the 10 kV Network with the Isolated Neutral Configuration
4.3. Modeling of SPGF With the Transient Resistance of Rf = 5000 Ohm at the Feeder No.1, Substation No.2 in the 10 kV Network with the Isolated Neutral Configuration
4.4. Modeling of SPGF with the Transient Resistance of Rf = 5000 Ohm on the Substation No.2 Bus in the 10 kV Network with the Isolated Neutral Configuration
4.5. Modeling of SPGF with the Transient Resistance Rf = 1 Ohm at the Feeder No.1, Substation No.1 in the 10 kV Network with the Isolated Neutral Configuration
4.6. Modeling of SPGF with the Transient Resistance of Rf = 1 Ohm on the Substation No.1 Bus in the 10 kV Network with the Isolated Neutral Configuration
4.7. Modeling of SPGF with the Transient Resistance Rf = 1 Ohm at the Feeder No.1, Substation No.2 in the 10 kV Network with the Isolated Neutral Configuration
4.8. Modeling of SPGF with the Transient Resistance of Rf = 1 Ohm on the Substation No.2 bus in the 10 kV Network with the Isolated Neutral Configuration
5. Discussion
6. Conclusions
- Dependencies of the zero-sequence currents in isolated neutral networks on the value of transition resistance and the parameters of the zero-sequence loop were established. These allow assessment of the degree of ground fault incompleteness. Formulas were derived for calculating SPGF currents considering transition resistances, fault incompleteness coefficients, operation thresholds, detuning factors, and protection sensitivity coefficients. Threshold values for alarm and trip operation were defined.
- An algorithm was developed for the selective identification of the faulted zone, capable of distinguishing between internal (feeder) and external (bus) SPGFs under conditions of transition resistance.
- Functional diagrams of the proposed centralized protection device against SPGF were prepared, including detailed descriptions of functional blocks, modules, and their operation logic.
- The device maintains selectivity even during feeder maintenance or disconnection, and correctly identifies both single-phase and multi-point ground faults.
- Calculations and modeling of transient processes during SPGF with transition resistance were carried out using Matlab Simulink. The proposed centralized protection algorithm was validated.
- Modeling confirmed that the SPGF current phasor in the faulty feeder is shifted approximately 180° relative to the capacitive current phasors in healthy feeders. Capacitive current phasors in unfaulted feeders align in direction.
- Nonlinear reductions in SPGF current magnitudes and healthy feeder capacitive currents were observed as the transition resistance Rf increased from 1 Ω to 5000 Ω.
- A slight increase in the angular deviation between the SPGF current in the faulted feeder and the capacitive currents in healthy feeders was noted with increasing Rf.
- In cases of SPGF occurring on the busbars, capacitive currents varied proportionally with the transition resistance Rf and matched the feeders’ self-capacitances in the case of bolted faults. Minor angular changes were observed.
- The proposed relay protection device demonstrated selective operation: it generated an alarm signal at Rf=5000 Ω and issued a trip command at Rf=1 Ω. It was resistant to unbalanced capacitive currents and inrush currents.
- The device showed high sensitivity and reliable operation across a wide range of transition resistance values, ensuring dependable ground fault protection even under challenging conditions.
Author Contributions
Funding
Institutional Review Board Statement
Informed Consent Statement
Data Availability Statement
Acknowledgments
Conflicts of Interest
Appendix A
Appendix B
Appendix C
Appendix D
References
- Guidelines for selecting the grounding mode of neutrals in 6 and 10 kV networks of subsidiaries and organizations of OAO "Gazprom". STO Gazprom 2-1.11-070- 2006, 2006, 24.
- Ilyinykh, M.V.; Sarin, L.I. Integrated approach to selection of means of overvoltage limitation in 6, 10 kV networks of large industrial enterprises of pulp and paper and metallurgical industries. Proceedings of the Fourth All-Russian scientific and technical conference, Novosibirsk, 2006. pp. 55-62.
- Evdokunin, G.A.; Gudilin, S.V.; Korepanov, A.A. Selection of the method of neutral grounding in 6-10 kV networks. Electricity 1998, 12, 8–23. [Google Scholar]
- Titenkov, S. S.; Pugachev, A. A. Neutral grounding modes in 6–35 kV networks and organization of relay protection against single-phase ground faults. Energy Expert 2010, 2, 18–25. [Google Scholar]
- Weinstein, P. A.; Kolomiets, N. V.; Shestakova V., V. Neutral grounding modes in electrical systems: a tutorial. TPU Publishing House 2006, 119. [Google Scholar]
- Yemelyanov, N.I.; Shirkovets, A.I. Current issues of application of resistive and combined neutral grounding in 6-35 kV electrical networks. Energoexpert 2010, 2, 44–50. [Google Scholar]
- Khalilova, F.A.; Boynazarov, B.B. Characteristics of arc-suppressing reactors used to compensate for capacitive fault currents. Problems of science 2019, 10, 46, 11–15. [Google Scholar]
- Shirkovets, A.; Sarin, L.; Ilyinykh, M.; Poyachev, V.; Shalin, A. Resistive grounding of neutral in 6-35 kV networks with XLPE cables. Electrical Engineering News 2008, 2, 50, 4–22. [Google Scholar]
- Ilyinykh, M.; Sarin, L.; Shirkovets, A. Compensated and combined grounded neutral. Electrical Engineering News 2016, 5(101), 16–26. [Google Scholar]
- Lin, X.; Ke, S.; Gao, Y.; Wang, B.; Liu, P. A selective single-phase-to-ground fault protection for neutral un-effectively grounded systems. Int. J. Electr. Power Energy Syst. 2011, 33, 1012–1017. [Google Scholar] [CrossRef]
- Henriksen, T. Faulty feeder identification in high impedance grounded network using charge–voltage relationship. Electr. Power Syst. Res. 2011, 81, 1832–1839. [Google Scholar] [CrossRef]
- Huang, S.-J.; Wan, H.-H. A Method to Enhance Ground-Fault Computation. IEEE Trans. Power Syst. 2009, 25, 1190–1191. [Google Scholar] [CrossRef]
- Lin, W.-M.; Ou, T.-C. Unbalanced distribution network fault analysis with hybrid compensation. IET Gener. Transm. Distrib. 2011, 5, 92–100. [Google Scholar] [CrossRef]
- Ou, T.-C. A novel unsymmetrical faults analysis for microgrid distribution systems. Int. J. Electr. Power Energy Syst. 2012, 43, 1017–1024. [Google Scholar] [CrossRef]
- Ou, T.-C. Ground fault current analysis with a direct building algorithm for microgrid distribution. Int. J. Electr. Power Energy Syst. 2013, 53, 867–875. [Google Scholar] [CrossRef]
- Andreev, A.A. Analysis of existing types of protection against single-phase ground faults and conditions of their application. Bulletin of Samara State Technical University, Series: Technical Sciences 2021, 4, 72, 56–70. [Google Scholar]
- Fedoseyev, A. M. Relay protection of electrical systems: textbook for universities. Energy 1976, 545–560. [Google Scholar]
- Kostrov, M.F.; Soloviev, I.I.; Fedoseyev, A.M. Fundamentals of Relay Protection Engineering: A Textbook. Moscow: Leningrad: Gosenergoizdat, 1944, 436, 37. [Google Scholar]
- Kotlyarchuk, V.A.; Goncharov, A.F. Power Supply for Excavators: A Textbook. Moscow: Nedra, 1980, 175.
- Andreev, V.A. Relay protection and automation of power supply systems: a tutorial. Higher School 1991, 496. [Google Scholar]
- Andreev, V.A.; Bondarenko, E.V. Relay protection, automation and telemetry in power supply systems: textbook for universities. Moscow: Vysshaya shkola 1975, 375.
- Shabad, M.A. Protection against single-phase ground faults in 6-35 kV networks: a tutorial. Energetik 2007, 63. [Google Scholar]
- Shuin, V.A. Protection against ground faults in 6–10 kV electrical networks. Energetik 2001, 104. [Google Scholar]
- Shabad, M.A. Protection against single-phase ground faults in 6-35 kV networks: lecture notes. St. Petersburg: PEIPK 2002, 51.
- Andreev, V.A. Relay protection and automation of power supply systems. Higher School 2006, 639. [Google Scholar]
- Shuin, V.A. The influence of the discharge of the faultyphase capacitance on the transient process at ground faults in 3–10 kV cable networks. Electricity 1983, 12, 4–9. [Google Scholar]
- Vinokurova, T.Yu.; Vorobyova, E.A.; Shuin, V.A. About the choice of the operating frequency range of the device earth fault protection devices based on transient processes in 6–10 kV cable networks. Proceedings of the IX International Youth Scientific Conf. Tinchurin Readings 2014, 4, 1, Kazan, 373. [Google Scholar]
- Fedoseyev, A.M. Relay protection of electrical systems. Energy 1976, 560. [Google Scholar]
- Hanninen, S. Single phase earth faults in high impedance grounded networks. Characteristics, indication and location. Seppo Hanninen 2001, 143.
- Gelfand, Ya.S. Relay protection of distribution networks. Energoatomizdat 1987, 368. [Google Scholar]
- Andreev, V.A. Relay protection and automation of power supply systems: Textbook. Higher. School 1991, 213. [Google Scholar]






































| No | Resistance Rf, Ohm | Cumulative current, A | Ground fault current at feeder No.1, substation No.1, A | Capacitive current at feeder No.2, substation No.1, A | Capacitive current at feeder No.3, substation No.1, A | Capacitive current at feeder No.1, substation No.2, A | Capacitive current at feeder No.2, substation No.2, A | Capacitive current at feeder No.3, substation No.2, A | |
|---|---|---|---|---|---|---|---|---|---|
| 1 | 1 | 15.82∠-129.02° | 6.37∠-129.02° | 2.69∠50.98° | 2.47∠50.98° | 2.25∠50.98° | 2.02∠50.98° | 2.02∠50.98° | |
| 2 | 100 | 15.17∠-145.16° | 6.10∠-145.16° | 2.58∠34.84° | 2.37∠34.84° | 2.15∠34.84° | 1.94∠34.84° | 1.94∠34.84° | |
| 3 | 500 | 8.91∠175.59° | 3.59∠175.59° | 1.52∠-4.41° | 1.39∠-4.41° | 1.27∠-4.40° | 1.14∠-4.40° | 1.14∠-4.40° | |
| 4 | 1000 | 5.11∠160.15° | 2.06∠160.15° | 0.87∠-19.85° | 0.80∠-19.85° | 0.73∠-19.84° | 0.65∠-19.84° | 0.65∠-19.84° | |
| 5 | 3000 | 1.79∠147.83° | 0.72∠147.78° | 0.31∠-32.21° | 0.28∠-32.21° | 0.25∠-32.17° | 0.23∠-32.17° | 0.23∠-32.17° | |
| 6 | 5000 | 1.08∠145.18° | 0.43∠145.18° | 0.19∠-34.81° | 0.17∠-34.81° | 0.15∠-34.75° | 0.14∠-34.74° | 0.14∠-34.73° | |
| 7 | 10000 | 0.54∠143.35° | 0.22∠143.18° | 0.09∠-36.79° | 0.09∠-36.79° | 0.08∠-36.67° | 0.07∠-36.65° | 0.07∠-36.64° |
| No. | Resistance Rf, Ohm | Cumulative current, A | Capacitive current at the Feeder No.1, Substation No.1, A | Capacitive current at the Feeder No.2, Substation No.1, A | Capacitive current at the Feeder No.3, Substation No.1, A | Capacitive current at the Feeder No.1, Substation No.2, A | Capacitive current at the Feeder No.2, Substation No.2, A | Capacitive current at the Feeder No.3, Substation No.2, A | |
|---|---|---|---|---|---|---|---|---|---|
| 1 | 1 | 16.01∠-127.61° | 9.57∠52.39° | 2.73∠52.39° | 2.50∠52.39° | 2.27∠52.39° | 2.27∠52.39° | 2.27∠52.39° | |
| 2 | 100 | 15.35∠-143.75° | 9.17∠36.25° | 2.62∠36.25° | 2.40∠36.25° | 2.18∠36.25° | 1.96∠36.25° | 1.96∠36.25° | |
| 3 | 500 | 9.02∠-177.01° | 5.39∠-2.99° | 1.54∠-3.00° | 1.41∠-3.00° | 1.28∠-2.99° | 1.15∠-2.99° | 1.15∠-2.99° | |
| 4 | 1000 | 5.17∠167.57° | 3.09∠-18.43° | 0.88∠-18.44° | 0.81∠-18.44° | 0.73∠-18.43° | 0.66∠-18.43° | 0.66∠-18.43° | |
| 5 | 3000 | 1.81∠149.24° | 1.08∠-30.77° | 0.31∠-30.81° | 0.28∠-30.81° | 0.26∠-30.77° | 0.23∠-30.76° | 0.23∠-30.76° | |
| 6 | 5000 | 1.09∠146.67° | 0.65∠-33.34° | 0.19∠-33.41° | 0.17∠-33.41° | 0.16∠-33.35° | 0.14∠-33.34° | 0.14∠-33.33° | |
| 7 | 10000 | 0.55∠144.77° | 0.33∠-35.26° | 0.09∠-35.41° | 0.09∠-35.40° | 0.08∠-35.28° | 0.07∠-35.25° | 0.07∠-35.24° |
| No. | Resistance Rf, Ohm | Cumulative current, A | Capacitive current at the Feeder No.1, Substation No.1, A | Capacitive current at the Feeder eder No.2, Substation No.1, A | Capacitive current at the Feeder No.3, Substation No.1, A | Ground fault current at the Feeder No.1, Substation No.2, A | Capacitive current at the Feeder No.2, Substation No.2, A | Capacitive current at the Feeder No.3, Substation No.2, A | |
|---|---|---|---|---|---|---|---|---|---|
| 1 | 1 | 15.72∠-130.00° | 6.33∠-130.00° | 2.68∠50.00° | 2.45∠50.00° | 13.49∠-130.00° | 2.01∠50.00° | 2.01∠50.00° | |
| 2 | 100 | 15.07∠-145.15° | 6.07∠-145.15° | 2.57∠33.85° | 2.35∠33.85° | 12.93∠-145.15° | 1.93∠33.85° | 1.93∠33.85° | |
| 3 | 500 | 8.85∠-5.40° | 3.56∠174.60° | 1.51∠-5.40° | 1.38∠-5.40° | 7.59∠-174.60° | 1.13∠-5.39° | 1.13∠-5.39° | |
| 4 | 1000 | 2.04∠159.16° | 0.87∠-20.84° | 0.79∠-20.84° | 0.79∠-20.84° | 4.35∠159.17° | 0.65∠-20.82° | 0.65∠-20.82° | |
| 5 | 3000 | 1.78∠33.19° | 0.72∠146.80° | 0.30∠-33.18° | 0.28∠-33.19° | 1.52∠146.83° | 0.23∠-33.15° | 0.23∠-33.14° | |
| 6 | 5000 | 1.07∠-35.79° | 0.43∠144.20° | 0.18∠-35.78° | 0.17∠-35.78° | 0.92∠144.24° | 0.14∠-35.72° | 0.14∠-35.71° | |
| 7 | 10000 | 0.54∠-37.77° | 0.22∠142.21° | 0.09∠-37.75° | 0.09∠-37.75° | 0.46∠-142.28° | 0.07∠-37.63° | 0.07∠-37.62° |
| No. | Resistance Rf, Ohm | Cummulative current, A | Capacitive current at the Feeder No.1, Substation No.1, A | Capacitive current at the Feeder No.2, Substation No.1, A | Capacitive current at the Feeder No.3, Substation No.1, A | Capacitive current at the Feeder No.1, Substation No.2, A | Capacitive current at the Feeder No.2, Substation No.2, A | Capacitive current at the Feeder No.3, Substation No.2, A | |
|---|---|---|---|---|---|---|---|---|---|
| 1 | 1 | 15.75∠50.24° | 6.34∠-129.76° | 2.68∠50.24° | 2.46∠50.24° | 2.24∠50.24° | 2.01∠50.24° | 2.01∠50.24° | |
| 2 | 100 | 15.10∠34.09° | 6.08∠-145.91° | 2.57∠34.09° | 2.36∠34.09° | 2.14∠34.10° | 1.93∠34.10° | 1.93∠34.10° | |
| 3 | 500 | 8.87∠-5.15° | 3.57∠174.85° | 1.51∠-5.15° | 1.39∠-5.15° | 1.26∠-5.15° | 1.13∠-5.15° | 1.13∠-5.15° | |
| 4 | 1000 | 5.08∠-20.60° | 2.05∠159.40° | 0.87∠-20.59° | 0.80∠-20.59° | 0.72∠-20.58° | 0.65∠-20.58° | 0.65∠-20.58° | |
| 5 | 3000 | 1.78∠-32.95° | 0.72∠147.04° | 0.31∠-32.95° | 0.28∠-32.95° | 0.25∠-32.91° | 0.23∠-32.91° | 0.23∠-32.91° | |
| 6 | 5000 | 1.07∠-35.55° | 0.43∠144.44° | 0.18∠-35.54° | 0.17∠-35.54° | 0.15∠-35.48° | 0.14∠-35.48° | 0.14∠-35.48° | |
| 7 | 10000 | 0.54∠-37.53° | 0.22∠142.45° | 0.09∠-37.51° | 0.09∠-37.51° | 0.08∠-37.40° | 0.07∠-37.39° | 0.07∠-37.39° |
Disclaimer/Publisher’s Note: The statements, opinions and data contained in all publications are solely those of the individual author(s) and contributor(s) and not of MDPI and/or the editor(s). MDPI and/or the editor(s) disclaim responsibility for any injury to people or property resulting from any ideas, methods, instructions or products referred to in the content. |
© 2025 by the authors. Licensee MDPI, Basel, Switzerland. This article is an open access article distributed under the terms and conditions of the Creative Commons Attribution (CC BY) license (http://creativecommons.org/licenses/by/4.0/).