Submitted:
28 January 2025
Posted:
29 January 2025
You are already at the latest version
Abstract
Keywords:
1. Introduction
2. Electrospinning Process and Parameters
2.1. Electrospinning
2.2. Process Parameters
3. Composite Ferroelectric and Multiferroic Fibers with Inorganic Inclusions
3.1. Ferroelectric Polymers
3.2. Electrospinning Assisted Ferroelectric Inorganic Nanofibers
3.3. Electrospinning Assisted Multiferroic Nanofibers
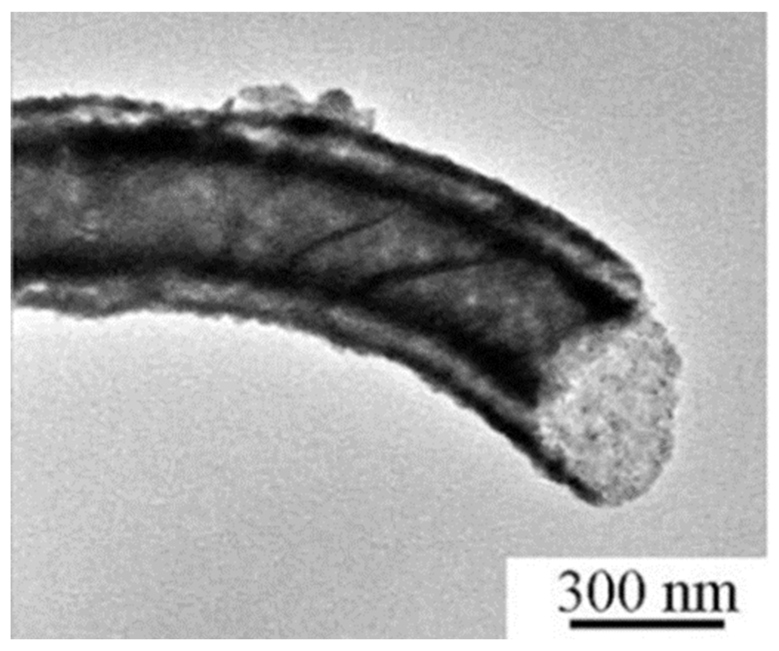
3.3.1. Core-Shell Multiferroic Fibers
| Polymer | Core-Shell fibers | Heat treatment | Magnetoelectric Coefficient | Ref |
|---|---|---|---|---|
| PVP for CFO Mw = 1 300 000 PMMA for PZT Mw = 120 000 |
CoFe2O4-Pb(Zr0.52Ti0.48)O3 CFO-PZT |
Nanofibers were collected on Pt/Ti/SiO2/Si substrates, dried at 120 °C for 4 h, followed by heating at 400 °C and then thermal annealing at 750 °C for 2 h in air | α31 = 29.5 V/cmOe | [114] |
| PVP for NFO and PZT Mw = 1 300 000 |
NiFe2O4–Pb(Zr0.52Ti0.48)O3 NFO-PZT |
Fibers dried at 40 ℃ for 24 h and annealed in air at 650 ℃ for 1 h |
Av = δHr /V Av = – 24 Oe/V Converse effect, @ 5.4 GHz [76] MD = Δε’/ε’ MD = 8 % (unassembled), -2 % (assembled in magnetic field) @ 20-22 GHz, H = 0.8 T [116] |
[115,116] |
| PVP for NDO Mw = 1 300 000 PVA for PZT Mw = 50 000 |
NdFeO3- Pb(Zr0.52Ti0.48)O3 NDO-PZT |
Nanofibers were kept on a hot plate to dry at 100 for 10 h, followed by annealing at 850 C for 8 h | - | [117] |
| PVP for CFO and BFO | CoFe2O4-BiFeO3 CFO-BFO |
Nanofibers were collected to Pt/Ti/SiO2/Si substrates, dried at 120 °C for 4 h, followed by thermal annealing at 750 °C for 2 h in air |
220-250 V/cm Oe - |
[118] |
| PVP Mw = 1 300 000 For NFO and BFO |
NiFe2O4-BiFeO3 NFO-BFO |
The samples were dried at 80 °C for 8 h, calcined at 350 °C for 2 h, and then calcined at 700 °C for 4 h, in air. | - | [119] |
| PVP Mw = 1 300 000 For NFO and BTO |
NiFe2O4-BaTiO3 NFO-BTO |
Dried in an oven at 40 °C for 24 h, and then annealed for 1 h at 600–700 °C in air | 0.4 mV/cm Oe @ 30 Hz | [120] |
| PVP for CFO and BCZT | CoFe2O4-Ba(Zr0.2Ti0.8)O3–0.5(Ba0.7Ca0.3)TiO3 (CFO-BCZT) | Dried at 120 °C for 90 min and calcined at temperatures between 700 °C and 1000 °C, for 1 h. | - | [121] |
| PVP for BNFO and PZT | Ba2Ni2Fe12O22-Pb(Zr0.52Ti0.48)O3 BNFO-PZT |
Dried on a hotplate at 100 °C for 6 h and then annealed at 1100 °C for 6 h |
MD = Δε’/ε’ MD = –2.4 % @ 100 Hz, H = 0.6 T |
[122] |
| PVP for CFO and BCTSO | CoFe2O4–Ba0.95Ca0.05Ti0.89Sn0.11O3 CFO-BCTSO |
Fibers dried at 80 °C under vacuum for 12 h and then annealed at 700 °C for 4 h in air |
α = 0.346 V/cm Oe @ H = 1 T |
[123] |
| Polymer | Composite and Janus fibers | Heat treatments | Magnetoelectric Coefficient | Ref |
|---|---|---|---|---|
| PVP Mw = 1 300 000 |
Ni0.8Zn0.2Fe2O4 - Ba0.7Sr0.3TiO3 NZFO-BSTO composite fibers |
Composite BSTO/NZFO fibers, with molar ratios of 95/5, 90/10, 80/20 and 70/30, were annealed at 700 °C for 2 h |
MD = Δε’/ε’ MD ~18.2% @ 1 kHz, H = 6.3 kOe |
[124] |
| PVP | CoFe2O4-BaTiO3 CFO-BTO composite fibers |
Composite CFO/BTO fibers with molar ratio 50/50 were dried in an oven at 120 °C for 8 h, followed by annealing at 700 °C for 2 h | α31 = 7.8 V/cmOe | [125] |
| PVP Mw = 1 300 000 |
CoFe2O4-Pb(Zr0.52Ti0.48)O3 CFO-PZT composite fibers |
Composite CFO/PZT fibers with molar ratios 0.75:1, 1:1, and 1.25:1 was dried at 120 °C for 4 h, followed by heating at 400 °C and then annealed at 550 °C for 2 h in air. | - | [126,127] |
| PVP Mw = 1 300 000 |
NiFe2O4–Pb(Zr0.52Ti0.48)O3 NFO-PZT composite fibers |
Composite NFO/PZT fibers with molar ratios of 0.75:1, 1:1, and 1.25:1 was dried at 120 °C for 4 h, followed by heating at 400 °C and then annealed at 550 °C for 2 h in air | - | [128] |
| PVP Mw = 1 300 000 |
CoFe2O4–(Ba0.95Ca0.05)(Ti0.89Sn0.11)O3 CFO–BCTSO composite fibers |
Composite BCTSn/CFO fibers with a 1:1 molar ratio was dried at 80 °C under vacuum for 12 h before being annealed at 700 °C for 4 h in an air. | - | [129] |
| PVP Mw = 1 300 000 |
CoFe2O4- BiFeO3 CFO-BFO composite fibers |
Molar ratios of 1:0, 1:0.5, 1:1, 1:1.5 and 0:1. The nanofibers were dried at 60 °C for 12 h, followed by heating at 400 °C for 1.5 h and then annealed at 600 °C for 2 h in air | - | [130] |
| PVP Mw = 1 300 000 |
CoFe2O4-BaTiO3 CFO-BTO Janus fibers |
The fibers were calcined at 750°C for 2 h |
Changes in magnetization at the BTO ferroelectric Curie temperature [23,131,132] MOKE [133]Magnetic field-dependent polarization-resolved SHG [134] |
[23,131,132,133,134,135] |
3.3.2. Composite and Janus Multiferroic Fibers
4. Composite Fibers with Organic Ferroelectric Crystals
5. Nonlinear Optical Nanofibers

6. Conclusions
Author Contributions
Funding
Acknowledgments
Conflicts of Interest
References
- Sekhar, M.C.; Veena, E.; Kumar, N.S.; Naidu, K.C.B.; Mallikarjuna, A.; Basha, D.B. A review on piezoelectric materials and their applications. Cryst Res Technol 2023, 58, 2200130. [Google Scholar] [CrossRef]
- Lines, M.E.; Glass, A.M. Principles and applications of ferroelectrics and related materials; Oxford university press: 2001.
- Setter, N.; Damjanovic, D.; Eng, L.; Fox, G.; Gevorgian, S.; Hong, S.; Kingon, A.; Kohlstedt, H.; Park, N.; Stephenson, G. Ferroelectric thin films: Review of materials, properties, and applications. J Appl Phys 2006, 100. [Google Scholar] [CrossRef]
- Zhang, D.; Wu, H.; Bowen, C.R.; Yang, Y. Recent advances in pyroelectric materials and applications. Small 2021, 17, 2103960. [Google Scholar] [CrossRef]
- Chen, X.; Xu, S.; Yao, N.; Shi, Y. 1.6 V Nanogenerator for Mechanical Energy Harvesting Using PZT Nanofibers. Nano Letters 2010, 10, 2133–2137. [Google Scholar] [CrossRef]
- Shi, Q.; Wang, T.; Lee, C. MEMS based broadband piezoelectric ultrasonic energy harvester (PUEH) for enabling self-powered implantable biomedical devices. Scientific reports 2016, 6, 24946. [Google Scholar] [CrossRef]
- Todaro, M.T.; Guido, F.; Mastronardi, V.; Desmaele, D.; Epifani, G.; Algieri, L.; De Vittorio, M. Piezoelectric MEMS vibrational energy harvesters: Advances and outlook. Microelectronic Engineering 2017, 183, 23–36. [Google Scholar] [CrossRef]
- Meng, C.; Thrane, P.C.; Ding, F.; Bozhevolnyi, S.I. Full-range birefringence control with piezoelectric MEMS-based metasurfaces. Nat Commun 2022, 13, 2071. [Google Scholar] [CrossRef]
- Scott, J. Applications of modern ferroelectrics. Science 2007, 315, 954–959. [Google Scholar] [CrossRef]
- Scott, J.F. Applications of magnetoelectrics. J Mater Chem 2012, 22, 4567–4574. [Google Scholar] [CrossRef]
- Martin, L.W.; Rappe, A.M. Thin-film ferroelectric materials and their applications. Nature Reviews Materials 2016, 2, 1–14. [Google Scholar] [CrossRef]
- Mikolajick, T.; Schroeder, U.; Slesazeck, S. The past, the present, and the future of ferroelectric memories. Ieee T Electron Dev 2020, 67, 1434–1443. [Google Scholar] [CrossRef]
- Lim, H.E.; Nakanishi, Y.; Liu, Z.; Pu, J.; Maruyama, M.; Endo, T.; Ando, C.; Shimizu, H.; Yanagi, K.; Okada, S. Wafer-Scale Growth of One-Dimensional Transition-Metal Telluride Nanowires. Nano Letters 2020, 21, 243–249. [Google Scholar] [CrossRef] [PubMed]
- Varghese, J.; O’Regan, C.; Deepak, N.; Whatmore, R.W.; Holmes, J.D. Surface roughness assisted growth of vertically oriented ferroelectric SbSI nanorods. Chem Mater 2012, 24, 3279–3284. [Google Scholar] [CrossRef]
- Ji, S.; Liu, H.; Sang, Y.; Liu, W.; Yu, G.; Leng, Y. Synthesis, structure, and piezoelectric properties of ferroelectric and antiferroelectric NaNbO 3 nanostructures. Crystengcomm 2014, 16, 7598–7604. [Google Scholar] [CrossRef]
- Buscaglia, M.T.; Sennour, M.; Buscaglia, V.; Bottino, C.; Kalyani, V.; Nanni, P. Formation of Bi4Ti3O12 one-dimensional structures by solid-state reactive diffusion. From core− shell templates to nanorods and nanotubes. Cryst Growth Des 2011, 11, 1394–1401. [Google Scholar] [CrossRef]
- Yang, P.; Ding, Y.; Lin, Z.; Chen, Z.; Li, Y.; Qiang, P.; Ebrahimi, M.; Mai, W.; Wong, C.P.; Wang, Z.L. Low-cost high-performance solid-state asymmetric supercapacitors based on MnO2 nanowires and Fe2O3 nanotubes. Nano letters 2014, 14, 731–736. [Google Scholar] [CrossRef]
- Kim, J.; Yang, S.A.; Choi, Y.C.; Han, J.K.; Jeong, K.O.; Yun, Y.J.; Kim, D.J.; Yang, S.M.; Yoon, D.; Cheong, H. Ferroelectricity in highly ordered arrays of ultra-thin-walled Pb (Zr, Ti) O3 nanotubes composed of nanometer-sized perovskite crystallites. Nano Letters 2008, 8, 1813–1818. [Google Scholar] [CrossRef]
- Wang, W.; Ke, H.; Rao, J.-C.; Feng, M.; Zhou, Y. Sol–Gel synthesis of SrBi2Ta2O9 nanowires. J Alloy Compd 2010, 504, 367–370. [Google Scholar] [CrossRef]
- Karvounis, A.; Timpu, F.; Vogler-Neuling, V.V.; Savo, R.; Grange, R. Barium titanate nanostructures and thin films for photonics. Adv Opt Mater 2020, 8, 2001249. [Google Scholar] [CrossRef]
- Isakov, D.V.; de Matos Gomes, E.; Vieira, L.G.; Dekola, T.; Belsley, M.S.; Almeida, B.G. Oriented single-crystal-like molecular arrangement of optically nonlinear 2-methyl-4-nitroaniline in electrospun nanofibers. Acs Nano 2011, 5, 73–78. [Google Scholar] [CrossRef]
- Wendorff, J.H.; Agarwal, S.; Greiner, A. Electrospinning: materials, processing, and applications; John Wiley & Sons: 2012.
- Starr, J.D.; Andrew, J.S. Janus-type bi-phasic functional nanofibers. Chem Commun 2013, 49, 4151–4153. [Google Scholar] [CrossRef] [PubMed]
- Isakov, D.; Gomes, E.D.; Almeida, B.; Kholkin, A.L.; Zelenovskiy, P.; Neradovskiy, M.; Shur, V.Y. Energy harvesting from nanofibers of hybrid organic ferroelectric dabcoHReO(4). Appl Phys Lett 2014, 104, 4. [Google Scholar] [CrossRef]
- Sun, B.; Long, Y.Z.; Zhang, H.D.; Li, M.M.; Duvail, J.L.; Jiang, X.Y.; Yin, H.L. Advances in three-dimensional nanofibrous macrostructures via electrospinning. Prog Polym Sci 2014, 39, 862–890. [Google Scholar] [CrossRef]
- Bernardo, C.R.; Baptista, R.M.F.; de Matos Gomes, E.; Lopes, P.E.; Raposo, M.M.M.; Costa, S.P.G.; Belsley, M.S. Anisotropic PCL nanofibers embedded with nonlinear nanocrystals as strong generators of polarized second harmonic light and piezoelectric currents. Nanoscale Advances 2020, 2, 1206–1213. [Google Scholar] [CrossRef]
- Laramée, A.W.; Lanthier, C.; Pellerin, C. Electrospinning of Highly Crystalline Polymers for Strongly Oriented Fibers. ACS Applied Polymer Materials 2020, 2, 5025–5032. [Google Scholar] [CrossRef]
- Greiner, A.; Wendorff, J.H. Electrospinning: A Fascinating Method for the Preparation of Ultrathin Fibers. Angewandte Chemie International Edition 2007, 46, 5670–5703. [Google Scholar] [CrossRef]
- Ramakrishna, S.; Fujihara, K.; Teo, W.-E.; Yong, T.; Ma, Z.; Ramaseshan, R. Electrospun nanofibers: solving global issues. Materials Today 2006, 9, 40–50. [Google Scholar] [CrossRef]
- Ramakrishna, S.; Fujihara, K.; Teo, W.-E.; Lim, T.-C.; Ma, Z. An Introduction to Electrospinning and Nanofibers; WORLD SCIENTIFIC: 2005; p. 396.
- Li, D.; Xia, Y. Electrospinning of Nanofibers: Reinventing the Wheel? Adv Mater 2004, 16, 1151–1170. [Google Scholar] [CrossRef]
- Huang, Z.-M.; Zhang, Y.Z.; Kotaki, M.; Ramakrishna, S. A review on polymer nanofibers by electrospinning and their applications in nanocomposites. Composites Science and Technology 2003, 63, 2223–2253. [Google Scholar] [CrossRef]
- Prateek; Thakur, V.K.; Gupta, R.K. Recent progress on ferroelectric polymer-based nanocomposites for high energy density capacitors: synthesis, dielectric properties, and future aspects. Chemical reviews 2016, 116, 4260–4317. [CrossRef]
- Habib, M.; Lantgios, I.; Hornbostel, K. A review of ceramic, polymer and composite piezoelectric materials. Journal of Physics D: Applied Physics 2022, 55, 423002. [Google Scholar] [CrossRef]
- Wang, X.; Fan, J.; Manikandan, M.; Zhang, B.; Guo, J.; Chen, J.; Yang, F.; Zheng, M.; Zhang, H.; Hou, M. Recent advances in composite films of lead-free ferroelectric ceramics and poly (vinylidene fluoride)(PVDF) for energy storage capacitor: a review. Journal of Materials Science 2023, 58, 124–143. [Google Scholar] [CrossRef]
- Pal, S.; Sarath, N.; Priya, K.S.; Murugavel, P. A review on ferroelectric systems for next generation photovoltaic applications. Journal of Physics D: Applied Physics 2022, 55, 283001. [Google Scholar] [CrossRef]
- Jayakrishnan, A.R.; Kumar, A.; Druvakumar, S.; John, R.; Sudeesh, M.; Puli, V.S.; Silva, J.P.; Gomes, M.J.; Sekhar, K.C. Inorganic ferroelectric thin films and their composites for flexible electronic and energy device applications: current progress and perspectives. Journal of Materials Chemistry C 2023, 11, 827–858. [Google Scholar] [CrossRef]
- Bakhtiar, S.U.H.; abbas Hussain, S.; Ali, S.; Ismail, A.; Zada, A.; Sattar, H.; Raziq, F.; Zahid, M.; Al-Fatesh, A.S.; Dong, W. Innovative Perspectives on Porous Ferroelectric Ceramics and their Composites: Charting New Frontiers in Energy Applications. Materials Today Communications 2024, 108388. [Google Scholar] [CrossRef]
- Starr, J.D.; Andrew, J.S. A route to synthesize multifunctional tri-phasic nanofibers. Journal of Materials Chemistry C 2013, 1, 2529–2533. [Google Scholar] [CrossRef]
- Koka, A.; Sodano, H.A. High-sensitivity accelerometer composed of ultra-long vertically aligned barium titanate nanowire arrays. Nat Commun 2013, 4, 2682. [Google Scholar] [CrossRef]
- Jiang, Y.; Zhou, M.; Shen, Z.; Zhang, X.; Pan, H.; Lin, Y.-H. Ferroelectric polymers and their nanocomposites for dielectric energy storage applications. Apl Mater 2021, 9, 020905. [Google Scholar] [CrossRef]
- Kim, H.-Y.; Lee, M.; Park, K.J.; Kim, S.; Mahadevan, L. Nanopottery: Coiling of Electrospun Polymer Nanofibers. Nano Letters 2010, 10, 2138–2140. [Google Scholar] [CrossRef]
- Luo, G.; Teh, K.S.; Liu, Y.; Zang, X.; Wen, Z.; Lin, L. Direct-Write, Self-Aligned Electrospinning on Paper for Controllable Fabrication of Three-Dimensional Structures. Acs Appl Mater Inter 2015, 7, 27765–27770. [Google Scholar] [CrossRef]
- Cai, M.Q.; Zheng, Y.; Wang, B.; Yang, G.W. Nanosize confinement induced enhancement of spontaneous polarization in a ferroelectric nanowire. Appl Phys Lett 2009, 95, 232901. [Google Scholar] [CrossRef]
- Wang, Z.; Hu, J.; Suryavanshi, A.P.; Yum, K.; Yu, M.-F. Voltage Generation from Individual BaTiO3 Nanowires under Periodic Tensile Mechanical Load. Nano Letters 2007, 7, 2966–2969. [Google Scholar] [CrossRef] [PubMed]
- Wang, W.; Li, J.; Liu, H.; Ge, S. Advancing Versatile Ferroelectric Materials Toward Biomedical Applications. Adv Sci 2021, 8, 2003074. [Google Scholar] [CrossRef]
- Koka, A.; Zhou, Z.; Sodano, H.A. Vertically aligned BaTiO3 nanowire arrays for energy harvesting. Energy & Environmental Science 2014, 7, 288–296. [Google Scholar]
- Zhou, Z.; Tang, H.; Sodano, H.A. Vertically Aligned Arrays of BaTiO3 Nanowires. Acs Appl Mater Inter 2013, 5, 11894–11899. [Google Scholar] [CrossRef]
- Baji, A.; Mai, Y.-W.; Li, Q.; Liu, Y. Electrospinning induced ferroelectricity in poly(vinylidene fluoride) fibers. Nanoscale 2011, 3, 3068–3071. [Google Scholar] [CrossRef]
- Noyori, M.; Neo, Y.; Mimura, H. Single-crystalline poly(vinylidene fluoride–trifluoroethylene) nanofiber webs fabricated by electrospinning. Jpn J Appl Phys 2015, 54, 021601. [Google Scholar] [CrossRef]
- Xin, Y.; Zhu, J.; Sun, H.; Xu, Y.; Liu, T.; Qian, C. A brief review on piezoelectric PVDF nanofibers prepared by electrospinning. Ferroelectrics 2018, 526, 140–151. [Google Scholar] [CrossRef]
- He, Z.; Rault, F.; Lewandowski, M.; Mohsenzadeh, E.; Salaün, F. Electrospun PVDF nanofibers for piezoelectric applications: A review of the influence of electrospinning parameters on the β phase and crystallinity enhancement. Polymers 2021, 13, 174. [Google Scholar] [CrossRef]
- Liu, Y.; Zhang, Y.; Chow, M.-J.; Chen, Q.N.; Li, J. Biological ferroelectricity uncovered in aortic walls by piezoresponse force microscopy. Phys Rev Lett 2012, 108, 078103. [Google Scholar] [CrossRef]
- Liu, Y.; Wang, Y.; Chow, M.-J.; Chen, N.Q.; Ma, F.; Zhang, Y.; Li, J. Glucose suppresses biological ferroelectricity in aortic elastin. Phys Rev Lett 2013, 110, 168101. [Google Scholar] [CrossRef] [PubMed]
- Coste, B.; Xiao, B.; Santos, J.S.; Syeda, R.; Grandl, J.; Spencer, K.S.; Kim, S.E.; Schmidt, M.; Mathur, J.; Dubin, A.E. Piezo proteins are pore-forming subunits of mechanically activated channels. Nature 2012, 483, 176–181. [Google Scholar] [CrossRef] [PubMed]
- Liu, Y.; Cai, H.-L.; Zelisko, M.; Wang, Y.; Sun, J.; Yan, F.; Ma, F.; Wang, P.; Chen, Q.N.; Zheng, H. Ferroelectric switching of elastin. Proceedings of the National Academy of Sciences 2014, 111, E2780–E2786. [Google Scholar] [CrossRef]
- Balizer, E.; Fedderly, J.; Haught, D.; Dickens, B.; Dereggi, A. FTIR and X-ray study of polymorphs of nylon 11 and relation to ferroelectricity. Journal of Polymer Science Part B: Polymer Physics 1994, 32, 365–369. [Google Scholar] [CrossRef]
- Itoh, T.; Tanaka, T.; Hashimoto, M.; Takashi Konishi, T.K. Ferroelectric Hysteresis Behavior and Structural Property of Even-Numbered Nylon Film. Jpn J Appl Phys 1995, 34, 6164. [Google Scholar] [CrossRef]
- Capsal, J.-F.; Dantras, E.; Dandurand, J.; Lacabanne, C. Dielectric relaxations and ferroelectric behaviour of even–odd polyamide PA 6,9. Polymer 2010, 51, 4606–4610. [Google Scholar] [CrossRef]
- Murata, Y.; Tsunashima, K.; Umemura, J.; Koizumi, N. Ferroelectric properties of polyamides consisting of hepta- and nonamethylenediamines. IEEE Transactions on Dielectrics and Electrical Insulation 1998, 5, 96–102. [Google Scholar] [CrossRef]
- Wu, J.; Fu, Y.; Hu, G.-H.; Wang, S.; Xiong, C. Effect of Stretching on Crystalline Structure, Ferroelectric and Piezoelectric Properties of Solution-Cast Nylon-11 Films. Polymers 2021, 13, 2037. [Google Scholar] [CrossRef]
- Eom, K.; Na, S.; Kim, J.-K.; Ko, H.; Jin, J.; Kang, S.J. Engineering crystal phase of Nylon-11 films for ferroelectric device and piezoelectric sensor. Nano Energy 2021, 88, 106244. [Google Scholar] [CrossRef]
- Prasad, G.; Graham, S.A.; Yu, J.S.; Kim, H.; Lee, D.-W. Investigated a PLL surface-modified Nylon 11 electrospun as a highly tribo-positive frictional layer to enhance output performance of triboelectric nanogenerators and self-powered wearable sensors. Nano Energy 2023, 108, 108178. [Google Scholar] [CrossRef]
- Tu, N.D.K.; Park, J.; Na, S.; Kim, K.M.; Kwon, T.-H.; Ko, H.; Kang, S.J. Co-solvent induced piezoelectric γ-phase nylon-11 separator for sodium metal battery. Nano Energy 2020, 70, 104501. [Google Scholar] [CrossRef]
- Kim, D.K.; Hwang, M.; Lagerwall, J.P.F. Liquid crystal functionalization of electrospun polymer fibers. Journal of Polymer Science Part B: Polymer Physics 2013, 51, 855–867. [Google Scholar] [CrossRef]
- Zhou, L.; Liu, S.; Miao, X.; Xie, P.; Sun, N.; Xu, Z.; Zhong, T.; Zhang, L.; Shen, Y. Advancements and Applications of Liquid Crystal/Polymer Composite Films. ACS Materials Letters 2023, 5, 2760–2775. [Google Scholar] [CrossRef]
- Bertocchi, M.J.; Ratchford, D.C.; Casalini, R.; Wynne, J.H.; Lundin, J.G. Electrospun polymer fibers containing a liquid crystal core: insights into semiflexible confinement. The Journal of Physical Chemistry C 2018, 122, 16964–16973. [Google Scholar] [CrossRef]
- Nguyen, J.; Stwodah, R.M.; Vasey, C.L.; Rabatin, B.E.; Atherton, B.; D’Angelo, P.A.; Swana, K.W.; Tang, C. Thermochromic fibers via electrospinning. Polymers 2020, 12, 842. [Google Scholar] [CrossRef] [PubMed]
- Lagerwall, J.P.; McCann, J.T.; Formo, E.; Scalia, G.; Xia, Y. Coaxial electrospinning of microfibres with liquid crystal in the core. Chem Commun 2008, 5420–5422. [Google Scholar] [CrossRef]
- Reyes, C.G.; Sharma, A.; Lagerwall, J.P. Non-electronic gas sensors from electrospun mats of liquid crystal core fibres for detecting volatile organic compounds at room temperature. Liq Cryst 2016, 43, 1986–2001. [Google Scholar] [CrossRef]
- Williams, M.W.; Wimberly, J.A.; Stwodah, R.M.; Nguyen, J.; D’Angelo, P.A.; Tang, C. Temperature-Responsive Structurally Colored Fibers via Blend Electrospinning. ACS Applied Polymer Materials 2023, 5, 3065–3078. [Google Scholar] [CrossRef]
- Sharma, A.; Lagerwall, J.P. Electrospun composite liquid crystal elastomer fibers. Materials 2018, 11, 393. [Google Scholar] [CrossRef]
- Kularatne, R.S.; Kim, H.; Boothby, J.M.; Ware, T.H. Liquid crystal elastomer actuators: Synthesis, alignment, and applications. Journal of Polymer Science Part B: Polymer Physics 2017, 55, 395–411. [Google Scholar] [CrossRef]
- Liu, Y.; Luo, H.; Gao, Z.; Xie, H.; Guo, R.; Wang, F.; Zhou, X.; Cao, J.; Zhang, D. Electrospinning Synthesis of Na0. 5Bi0. 5TiO3 Nanofibers for Dielectric Capacitors in Energy Storage Application. Nanomaterials 2022, 12, 906. [Google Scholar] [CrossRef] [PubMed]
- Yuh, J.; Nino, J.C.; Sigmund, W.M. Synthesis of barium titanate (BaTiO3) nanofibers via electrospinning. Mater Lett 2005, 59, 3645–3647. [Google Scholar] [CrossRef]
- Sá, P.; Barbosa, J.; Bdikin, I.; Almeida, B.; Rolo, A.G.; Gomes, E.d.M.; Belsley, M.; Kholkin, A.L.; Isakov, D. Ferroelectric characterization of aligned barium titanate nanofibres. Journal of Physics D: Applied Physics 2013, 46, 105304. [Google Scholar] [CrossRef]
- Ganeshkumar, R.; Sopiha, K.V.; Wu, P.; Cheah, C.W.; Zhao, R. Ferroelectric KNbO3nanofibers: synthesis, characterization and their application as a humidity nanosensor. Nanotechnology 2016, 27, 395607. [Google Scholar] [CrossRef]
- Jalalian, A.; Grishin, A.M. Biocompatible ferroelectric (Na,K)NbO3 nanofibers. Appl Phys Lett 2012, 100, 012904. [Google Scholar] [CrossRef]
- Chen, X.; Xu, S.; Yao, N.; Xu, W.; Shi, Y. Potential measurement from a single lead ziroconate titanate nanofiber using a nanomanipulator. Appl Phys Lett 2009, 94, 253113. [Google Scholar] [CrossRef]
- Zhu, R.; Wang, Z.; Cheng, Z.; Kimura, H. 10 - Ferroelectric nanofibers and their application in energy harvesting. In Nanoscale Ferroelectric-Multiferroic Materials for Energy Harvesting Applications, Kimura, H., Cheng, Z., Jia, T., Eds.; Elsevier: 2019; pp. 181-194.
- Yan, J.; Jeong, Y.G. High performance flexible piezoelectric nanogenerators based on BaTiO3 nanofibers in different alignment modes. Acs Appl Mater Inter 2016, 8, 15700–15709. [Google Scholar] [CrossRef]
- Zhao, Y.; Fan, H.; Liu, G.; Liu, Z.; Ren, X. Ferroelectric, piezoelectric properties and magnetoelectric coupling behavior in aurivillius Bi5Ti3FeO15 multiferroic nanofibers by electrospinning. J Alloy Compd 2016, 675, 441–447. [Google Scholar] [CrossRef]
- Li, B.; Wang, C.; Liu, W.; Zhong, Y.; An, R. Synthesis of Co-doped barium strontium titanate nanofibers by sol–gel/electrospinning process. Mater Lett 2012, 75, 207–210. [Google Scholar] [CrossRef]
- Wang, Y.; Santiago-Avilés, J.J. A Review on Synthesis and Characterization of Lead Zirconate Titanate Nanofibers through Electrospinning. Integrated Ferroelectrics 2011, 126, 60–76. [Google Scholar] [CrossRef]
- Yousefi, F.; Esfahani, H. Role of Nb5+-Nd3+ co-dopant in morphotropic boundary of electrospun PZT nanoneedles: Study on dielectric and piezoelectric sensitivity. J Alloy Compd 2023, 966, 171531. [Google Scholar] [CrossRef]
- Gu, L.; Cui, N.; Cheng, L.; Xu, Q.; Bai, S.; Yuan, M.; Wu, W.; Liu, J.; Zhao, Y.; Ma, F.; et al. Flexible Fiber Nanogenerator with 209 V Output Voltage Directly Powers a Light-Emitting Diode. Nano Letters 2013, 13, 91–94. [Google Scholar] [CrossRef] [PubMed]
- Wu, W.; Bai, S.; Yuan, M.; Qin, Y.; Wang, Z.L.; Jing, T. Lead Zirconate Titanate Nanowire Textile Nanogenerator for Wearable Energy-Harvesting and Self-Powered Devices. Acs Nano 2012, 6, 6231–6235. [Google Scholar] [CrossRef] [PubMed]
- Xia, S.; Wei, C.; Zhai, Y.; Ding, B.; Yu, J.; Yan, J. Ultrasonic cavitation enhanced photocatalytic CO2 reduction by superior flexible black BaTiO3 nanofibers. Chemical Engineering Journal 2023, 475, 146516. [Google Scholar] [CrossRef]
- Maensiri, S.; Nuansing, W.; Klinkaewnarong, J.; Laokul, P.; Khemprasit, J. Nanofibers of barium strontium titanate (BST) by sol–gel processing and electrospinning. J Colloid Interf Sci 2006, 297, 578–583. [Google Scholar] [CrossRef]
- Pan, Z.B.; Yao, L.M.; Zhai, J.W.; Liu, S.H.; Yang, K.; Wang, H.T.; Liu, J.H. Fast discharge and high energy density of nanocomposite capacitors using Ba0.6Sr0.4TiO3 nanofibers. Ceramics International 2016, 42, 14667–14674. [Google Scholar] [CrossRef]
- Maldonado-Orozco, M.C.; Ochoa-Lara, M.T.; Sosa-Márquez, J.E.; Olive-Méndez, S.F.; Espinosa-Magaña, F. Synthesis and characterization of electrospun LiNbO3 nanofibers. Ceramics International 2015, 41, 14886–14889. [Google Scholar] [CrossRef]
- Maldonado-Orozco, M.C.; Ochoa-Lara, M.T.; Sosa-Márquez, J.E.; Olive-Méndez, S.F.; Pizá-Ruiz, P.; Quintanar-Sierra, J.J.C.; Espinosa-Magaña, F. Characterization of Mn-doped electrospun LiNbO3 nanofibers by Raman spectroscopy. Materials Characterization 2017, 127, 209–213. [Google Scholar] [CrossRef]
- Zhou, B.; Li, C.; Zhou, Y.; Liu, Z.; Gao, X.; Wang, X.; Jiang, L.; Tian, M.; Zhou, F.-L.; Jerrams, S.; et al. A flexible dual-mode pressure sensor with ultra-high sensitivity based on BTO@MWCNTs core-shell nanofibers. Composites Science and Technology 2022, 224, 109478. [Google Scholar] [CrossRef]
- Ichangi, A.; Lê, K.; Queraltó, A.; Grosch, M.; Weißing, R.; Ünlü, F.; Chijioke, A.K.; Verma, A.; Fischer, T.; Surmenev, R.; et al. Electrospun BiFeO3 Nanofibers for Vibrational Energy Harvesting Application. Adv Eng Mater 2022, 24, 2101394. [Google Scholar] [CrossRef]
- Fei, L.; Hu, Y.; Li, X.; Song, R.; Sun, L.; Huang, H.; Gu, H.; Chan, H.L.W.; Wang, Y. Electrospun Bismuth Ferrite Nanofibers for Potential Applications in Ferroelectric Photovoltaic Devices. Acs Appl Mater Inter 2015, 7, 3665–3670. [Google Scholar] [CrossRef] [PubMed]
- Fourmont, P.; Nechache, R.; Cloutier, S.G. Reusable BiFeO3 Nanofiber-Based Membranes for Photo-activated Organic Pollutant Removal with Negligible Colloidal Release. ACS Applied Nano Materials 2021, 4, 12261–12269. [Google Scholar] [CrossRef]
- Sá, P.; Bdikin, I.; Almeida, B.; Rolo, A.G.; Isakov, D. Production and PFM Characterization of Barium Titanate Nanofibers. Ferroelectrics 2012, 429, 48–55. [Google Scholar] [CrossRef]
- Wei, Y.; Song, Y.; Deng, X.; Han, B.; Zhang, X.; Shen, Y.; Lin, Y. Dielectric and ferroelectric properties of BaTiO3 nanofibers prepared via electrospinning. Journal of Materials Science & Technology 2014, 30, 743–747. [Google Scholar]
- Yan, J.; Han, Y.; Xia, S.; Wang, X.; Zhang, Y.; Yu, J.; Ding, B. Polymer template synthesis of flexible BaTiO3 crystal nanofibers. Adv Funct Mater 2019, 29, 1907919. [Google Scholar] [CrossRef]
- Tang, M.; Shu, W.; Yang, F.; Zhang, J.; Dong, G.; Hou, J. The fabrication of La-substituted bismuth titanate nanofibers by electrospinning. Nanotechnology 2009, 20, 385602. [Google Scholar] [CrossRef]
- Choi, S.; Park, J.; Kang, J.; Koh, S.W.; Kang, Y.C. Synthesis and characterization of lead zirconate titanate nanofibers obtained by electrospinning. B Kor Chem Soc 2015, 36, 1594–1598. [Google Scholar] [CrossRef]
- Spaldin, N.A.; Ramesh, R. Advances in magnetoelectric multiferroics. Nat Mater 2019, 18, 203–212. [Google Scholar] [CrossRef]
- Leung, C.M.; Li, J.; Viehland, D.; Zhuang, X. A review on applications of magnetoelectric composites: From heterostructural uncooled magnetic sensors, energy harvesters to highly efficient power converters. Journal of Physics D: Applied Physics 2018, 51, 263002. [Google Scholar] [CrossRef]
- Hu, J.M.; Chen, L.Q.; Nan, C.W. Multiferroic heterostructures integrating ferroelectric and magnetic materials. Adv Mater 2016, 28, 15–39. [Google Scholar] [CrossRef]
- Hu, J.-M.; Nan, C.-W.; Chen, L.-Q. Perspective: voltage control of magnetization in multiferroic heterostructures. National Science Review 2019, 6, 621–624. [Google Scholar] [CrossRef] [PubMed]
- Lin, H.; Gao, Y.; Wang, X.; Nan, T.; Liu, M.; Lou, J.; Yang, G.; Zhou, Z.; Yang, X.; Wu, J. Integrated magnetics and multiferroics for compact and power-efficient sensing, memory, power, RF, and microwave electronics. Ieee T Magn 2016, 52, 1–8. [Google Scholar] [CrossRef]
- Manipatruni, S.; Nikonov, D.E.; Young, I.A. Beyond CMOS computing with spin and polarization. Nature Physics 2018, 14, 338–343. [Google Scholar] [CrossRef]
- Bichurin, M.; Petrov, R.; Sokolov, O.; Leontiev, V.; Kuts, V.; Kiselev, D.; Wang, Y. Magnetoelectric Magnetic Field Sensors: A Review. Sensors-Basel 2021, 21, 6232. [Google Scholar] [CrossRef]
- Zuo, S.; Schmalz, J.; Özden, M.Ö.; Gerken, M.; Su, J.; Niekiel, F.; Lofink, F.; Nazarpour, K.; Heidari, H. Ultrasensitive Magnetoelectric Sensing System for Pico-Tesla MagnetoMyoGraphy. IEEE Transactions on Biomedical Circuits and Systems 2020, 14, 971–984. [Google Scholar] [CrossRef]
- Lorenz, M.; Lazenka, V.; Schwinkendorf, P.; Bern, F.; Ziese, M.; Modarresi, H.; Volodin, A.; Van Bael, M.J.; Temst, K.; Vantomme, A. Multiferroic BaTiO3–BiFeO3 composite thin films and multilayers: strain engineering and magnetoelectric coupling. Journal of Physics D: Applied Physics 2014, 47, 135303. [Google Scholar] [CrossRef]
- Pradhan, D.K.; Kumari, S.; Rack, P.D. Magnetoelectric composites: applications, coupling mechanisms, and future directions. Nanomaterials 2020, 10, 2072. [Google Scholar] [CrossRef]
- Andrew, J.S.; Starr, J.D.; Budi, M.A. Prospects for nanostructured multiferroic composite materials. Scripta Materialia 2014, 74, 38–43. [Google Scholar] [CrossRef]
- Zhang, C.; Chen, W.; Xie, S.; Yang, J.; Li, J. The magnetoelectric effects in multiferroic composite nanofibers. Appl Phys Lett 2009, 94. [Google Scholar] [CrossRef]
- Xie, S.; Ma, F.; Liu, Y.; Li, J. Multiferroic CoFe 2 O 4–Pb (Zr 0.52 Ti 0.48) O 3 core-shell nanofibers and their magnetoelectric coupling. Nanoscale 2011, 3, 3152–3158. [Google Scholar] [CrossRef]
- Liu, Y.; Sreenivasulu, G.; Zhou, P.; Fu, J.; Filippov, D.; Zhang, W.; Zhou, T.; Zhang, T.; Shah, P.; Page, M.R.; et al. Converse magneto-electric effects in a core–shell multiferroic nanofiber by electric field tuning of ferromagnetic resonance. Scientific Reports 2020, 10, 20170. [Google Scholar] [CrossRef] [PubMed]
- Sreenivasulu, G.; Popov, M.; Zhang, R.; Sharma, K.; Janes, C.; Mukundan, A.; Srinivasan, G. Magnetic field assisted self-assembly of ferrite-ferroelectric core-shell nanofibers and studies on magneto-electric interactions. Appl Phys Lett 2014, 104. [Google Scholar] [CrossRef]
- Yadav, S.K.; Hemalatha, J. Electrospinning and characterization of magnetoelectric NdFeO3–PbZr0. 52Ti0. 48O3 core–shell nanofibers. Ceramics International 2022, 48, 18415–18424. [Google Scholar] [CrossRef]
- Zhu, Q.; Xie, Y.; Zhang, J.; Liu, Y.; Zhan, Q.; Miao, H.; Xie, S. Multiferroic CoFe 2 O 4–BiFeO 3 core–shell nanofibers and their nanoscale magnetoelectric coupling. J Mater Res 2014, 29, 657–664. [Google Scholar] [CrossRef]
- Li, Z.; Dai, J.; Huang, D.; Wen, X. Tuning the ferromagnetic and ferroelectric properties of BiFeO3 multiferroic nanofibers by Co/Ni spinel ferrites. J Alloy Compd 2022, 907, 164386. [Google Scholar] [CrossRef]
- Sreenivasulu, G.; Zhang, J.; Zhang, R.; Popov, M.; Petrov, V.; Srinivasan, G. Multiferroic core-shell nanofibers, assembly in a magnetic field, and studies on magneto-electric interactions. Materials 2017, 11, 18. [Google Scholar] [CrossRef]
- Molavi, A.M.; Alizadeh, P. Electrospinning of multiferroic CoFe2O4@ Ba (Zr0. 2Ti0. 8) O3–0.5 (Ba0. 7Ca0. 3) TiO3 nano-structured fibers via two different routes. Materials Characterization 2021, 172, 110880. [Google Scholar] [CrossRef]
- Yadav, S.K.; Hemalatha, J. Direct magnetoelectric and magnetodielectric studies of electrospun Ba2Ni2Fe12O22–Pb(Zr0.52Ti0.48)O3 core–shell nanofibers. J Magn Magn Mater 2022, 564, 170174. [Google Scholar] [CrossRef]
- Hadouch, Y.; Mezzane, D.; Amjoud, M.b.; Laguta, V.; Hoummada, K.; Dolocan, V.O.; Jouiad, M.; Lahcini, M.; Uršič, H.; Fišinger, V.; et al. Multiferroic CoFe2O4–Ba0.95Ca0.05Ti0.89Sn0.11O3 Core–Shell Nanofibers for Magnetic Field Sensor Applications. ACS Applied Nano Materials 2023, 6, 10236–10245. [Google Scholar] [CrossRef]
- Li, B.; Wang, C.; Zhang, W.; Hang, C.; Fei, J.; Wang, H. Fabrication of multiferroic Ba0. 7Sr0. 3TiO3–Ni0. 8Zn0. 2Fe2O4 composite nanofibers by electrospinning. Mater Lett 2013, 91, 55–58. [Google Scholar] [CrossRef]
- Fu, B.; Lu, R.; Gao, K.; Yang, Y.; Wang, Y. Magnetoelectric coupling in multiferroic BaTiO3-CoFe2O4 composite nanofibers via electrospinning. Europhysics Letters 2015, 111, 17007. [Google Scholar] [CrossRef]
- Xie, S.; Li, J.; Qiao, Y.; Liu, Y.; Lan, L.; Zhou, Y.; Tan, S. Multiferroic CoFe2O4–Pb (Zr0. 52Ti0. 48) O3 nanofibers by electrospinning. Appl Phys Lett 2008, 92. [Google Scholar] [CrossRef]
- Zhu, Q.; Pan, K.; Xie, S.; Liu, Y.; Li, J. Nanomechanics of multiferroic composite nanofibers via local excitation piezoresponse force microscopy. Journal of the Mechanics and Physics of Solids 2019, 126, 76–86. [Google Scholar] [CrossRef]
- Xie, S.; Li, J.; Liu, Y.; Lan, L.; Jin, G.; Zhou, Y. Electrospinning and multiferroic properties of NiFe2O4–Pb (Zr0. 52Ti0. 48) O3 composite nanofibers. J Appl Phys 2008, 104. [Google Scholar] [CrossRef]
- Hadouch, Y.; Abdallah, N.; Mezzane, D.; Amjoud, M.b.; Dolocan, V.; Hoummada, K.; Novak, N.; Razumnaya, A.; Rozic, B.; Fisinger, V. Multiferroic properties of electrospun CoFe2O4–(Ba0. 95Ca0. 05)(Ti0. 89Sn0. 11) O3 nanocomposites for magnetoelectric and magnetic field sensing applications. Journal of Materials Science: Materials in Electronics 2024, 35, 1794. [Google Scholar]
- An, F.; Zhong, G.; Zhu, Q.; Huang, Y.; Yang, Y.; Xie, S. Synthesis and mechanical properties characterization of multiferroic BiFeO3-CoFe2O4 composite nanofibers. Ceramics International 2018, 44, 11617–11621. [Google Scholar] [CrossRef]
- Liu, Z.; Sun, D.D.; Guo, P.; Leckie, J.O. An efficient bicomponent TiO2/SnO2 nanofiber photocatalyst fabricated by electrospinning with a side-by-side dual spinneret method. Nano letters 2007, 7, 1081–1085. [Google Scholar] [CrossRef]
- Starr, J.D.; Budi, M.A.; Andrew, J.S. Processing-Property Relationships in Electrospun Janus-Type Biphasic Ceramic Nanofibers. J Am Ceram Soc 2015, 98, 12–19. [Google Scholar] [CrossRef]
- Dolbashian, C.; Chavez, B.; Bauer, M.; Budi, M.; Andrew, J.S.; Crawford, T.M. Magnetic properties of aligned multiferroic Janus nanofiber agglomerates measured with the scattered magneto-optical Kerr effect. Journal of Physics D: Applied Physics 2020, 53, 195002. [Google Scholar] [CrossRef]
- Arash, S.; Kharal, G.; Chavez, B.L.; Ferson, N.D.; Mills, S.C.; Andrew, J.S.; Crawford, T.M.; Wu, Y. Multiferroicity and Semi-Cylindrical Alignment in Janus Nanofiber Aggregates. Adv Funct Mater 2024, 2412690. [Google Scholar] [CrossRef]
- Chavez, B.L.; Sosnowski, K.C.; Bauer, M.J.; Budi, M.A.; Andrew, J.S.; Crawford, T.M. Toward nanoscale multiferroic devices: Magnetic field-directed self-assembly and chaining in Janus nanofibers. Aip Adv 2018, 8. [Google Scholar] [CrossRef]
- Isakov, D.V.; Gomes, E.d.M.; Almeida, B.G.; Bdikin, I.K.; Martins, A.M.; Kholkin, A.L. Piezoresponse force microscopy studies of the triglycine sulfate-based nanofibers. J Appl Phys 2010, 108, 042011. [Google Scholar] [CrossRef]
- Isakov, D.; Gomes, E.d.M.; Bdikin, I.; Almeida, B.; Belsley, M.; Costa, M.; Rodrigues, V.; Heredia, A. Production of Polar β-Glycine Nanofibers with Enhanced Nonlinear Optical and Piezoelectric Properties. Cryst Growth Des 2011, 11, 4288–4291. [Google Scholar] [CrossRef]
- Isakov, D.; Martins, A.M.; Gomes, E.d.M.; Bdikin, I.; Guimarães, A.; Dekola, T.; Almeida, B.; Neves, N.M.; Reis, R.L.; Macedo, F. Synthesis of polymer-based triglycine sulfate nanofibres by electrospinning. Journal of Physics D: Applied Physics 2009, 42, 205403. [Google Scholar] [CrossRef]
- Baptista, R.M.F.; Isakov, D.; Raposo, M.M.M.; Belsley, M.; Bdikin, I.; Kholkin, A.L.; Costa, S.P.G.; de Matos Gomes, E. Ferroelectric nanofibers with an embedded optically nonlinear benzothiazole derivative. J Nanopart Res 2014, 16, 2502. [Google Scholar] [CrossRef]
- Nye, J.F. Physical properties of crystals: their representation by tensors and matrices, Repr. paperback ed. ed.; Oxford: Clarendon press: 2004.
- Baptista, R.M.F.; Moreira, G.; Silva, B.; Oliveira, J.; Almeida, B.; Castro, C.; Rodrigues, P.V.; Machado, A.; Belsley, M.; de Matos Gomes, E. Lead-Free MDABCO-NH4I3 Perovskite Crystals Embedded in Electrospun Nanofibers. Materials 2022, 15, 8397. [Google Scholar] [CrossRef]
- Chemla, D.S. Nonlinear Optical Properties of Organic Molecules and Crystals; Academic Press: New York, 1987. [Google Scholar]
- Isakov, D.; de Matos Gomes, E.; Belsley, M.; Almeida, B.; Martins, A.; Neves, N.; Reis, R. High nonlinear optical anisotropy of urea nanofibers. EPL (Europhysics Letters) 2010, 91, 28007. [Google Scholar] [CrossRef]
- Kongkhlang, T.; Tashiro, K.; Kotaki, M.; Chirachanchai, S. Electrospinning as a New Technique To Control the Crystal Morphology and Molecular Orientation of Polyoxymethylene Nanofibers. J Am Chem Soc 2008, 130, 15460–15466. [Google Scholar] [CrossRef]
- Isakov, D.; Gomes, E.D.; Belsley, M.S.; Almeida, B.; Cerca, N. Strong enhancement of second harmonic generation in 2-methyl-4-nitroaniline nanofibers. Nanoscale 2012, 4, 4978–4982. [Google Scholar] [CrossRef]
- Woodford, J.; Pauley, M.; Wang, C. Solvent dependence of the first molecular hyperpolarizability of p-nitroaniline revisited. The Journal of Physical Chemistry A 1997, 101, 1989–1992. [Google Scholar] [CrossRef]
- Karna, S.P.; Prasad, P.N.; Dupuis, M. Nonlinear optical properties of p-nitroaniline: An ab initio time-dependent coupled perturbed Hartree–Fock study. The Journal of chemical physics 1991, 94, 1171–1181. [Google Scholar] [CrossRef]
- Champagne, B. Vibrational polarizability and hyperpolarizability of p-nitroaniline. Chem Phys Lett 1996, 261, 57–65. [Google Scholar] [CrossRef]
- Trueblood, K.N.; Goldish, E.; Donohue, J. A three-dimensional refinement of the crystal structure of 4-nitroaniline. Acta Crystallographica 1961, 14, 1009–1017. [Google Scholar] [CrossRef]
- Isakov, D.V.; Belsley, M.S.; de Matos Gomes, E.; Goncalves, H.; Schellenberg, P.; Almeida, B.G. Intense optical second harmonic generation from centrosymmetric nanocrystalline para-nitroaniline. Appl Phys Lett 2014, 104, 181903. [Google Scholar] [CrossRef]
- Gonçalves, H.; Saavedra, I.; Ferreira, R.A.; Lopes, P.; de Matos Gomes, E.; Belsley, M. Efficient second harmonic generation by para-nitroaniline embedded in electro-spun polymeric nanofibres. Journal of Physics D: Applied Physics 2018, 51, 105106. [Google Scholar] [CrossRef]
- Kolev, T.; Koleva, B.B.; Spiteller, M.; Mayer-Figge, H.; Sheldrick, W.S. 2-Amino-4-nitroaniline, a Known Compound with Unexpected Properties. The Journal of Physical Chemistry A 2007, 111, 10084–10089. [Google Scholar] [CrossRef]
- Baptista, R.M.F.; Bernardo, C.R.; Belsley, M.S.; de Matos Gomes, E. Electrospun fibers with highly polarized second harmonic light from 2-amino-4-nitroaniline and 3-nitroaniline nanocrystals embedded in poly-L-lactic acid polymer. Opt Mater 2021, 116, 111089. [Google Scholar] [CrossRef]
- Liu, Y.; Pellerin, C. Stability and phase behavior of the poly(ethylene oxide)–urea complexes prepared by electrospinning. Polymer 2009, 50, 2601–2607. [Google Scholar] [CrossRef]
- Liu, Y.; Antaya, H.; Pellerin, C. Characterization of the stable and metastable poly(ethylene oxide)–urea complexes in electrospun fibers. Journal of Polymer Science Part B: Polymer Physics 2008, 46, 1903–1913. [Google Scholar] [CrossRef]
- Tadokoro, H.; Yoshihara, T.; Chatani, Y.; Murahashi, S. A preliminary report of structural studies on polyethylene oxide-urea complex. Journal of Polymer Science Part B: Polymer Letters 1964, 2, 363–368. [Google Scholar] [CrossRef]
- Liu, Y.; Pellerin, C. Highly Oriented Electrospun Fibers of Self-Assembled Inclusion Complexes of Poly(ethylene oxide) and Urea. Macromolecules 2006, 39, 8886–8888. [Google Scholar] [CrossRef]














| Polymer | Inclusions | Heat treatment | Purpose | Ref |
|---|---|---|---|---|
| PVP Mw = 1 300 000 |
KNbO3 | Heated to 550°C, at a 5 °C/min, in air | For humidity sensor | [77] |
| PVP | (Na,K)NbO3 | Dried at 100 °C in nitrogen atmosphere for 12 h. Annealed at 800 °C for 1 h in air | For biocompatible implants and tissue growth | [78] |
| PVP | PbZr1-xTixO3 (PZT) (52/48) | Annealed at 650°C in air | To measure single-fiber bending piezoelectric voltage | [79] |
| PVP Mw = 13 000 000 |
0.96KNNS-0.04BNKZ, BZT-BCT, PZT (52/48) | Energy harvesting | [80] | |
| PVP Mw = 1 300 000 |
BaTiO3 nanofibers in PDMS | Calcined, 1000 °C, 6h, then inserted in PDMS | Flexible nanogenerator | [81] |
| PVP Mw = 1 300 000 |
Aurivillius Bi5Ti3FeO15 | Dried in vacuum overnight at 90 °C. Calcined calcined at 300 °C for 2 h in oxygen burn PVP. Annealed at 600 °C for 2 h in nitrogen. Heating rate of 30 °C/h. | Multiferroic nanofibers | [82] |
| PVP Mw = 1 300 000 |
Co doped Ba0.7Sr0.3Ti0.95Co0.05O3 | Dried at 130 °C for 4 h, and heated at 400 °C for 2 h Annealed at target temperatures (700 °C and 600 °C) for 2 h under heating rate of 2 °C/min. |
Multiferroic nanofibers | [83] |
| PVP Mw = 1 300 000 |
Na0.5Bi0.5TiO3 (NBT) nanofibers in PVDF | Dried at 60 °C for 48 h, and then kept at 325 °C and 700 °C for 1 h. Afterwards NBT fibers inserted in PVDF. | NBT-PVDF composites in capacitors, for energy storage applications | [74] |
| xylene | Pb(Zr0.52Ti0.48)O3 (PZT) | The as-spun fibers and mats were isochronally sintered in air for two hours at 400, 500, 600, 700, and 800°C; | To study PZT electrospun nanofiber synthesis. | [84] |
| PVP | Co-doping of Nb5+-Nd3+ into PZT nanoneedles | Calcination at 800 ℃ for 2 h | For piezoelectric and high dielectric constant applications | [85] |
| PVP Mw = 1 300 000 |
vertically aligned ultralong Pb(Zr0.52Ti0.48)O3 (PZT) nanowire | Calcination at 650 °C for 3 h | Wearable energy-harvesting and self-powered Devices; Flexible Fiber Nanogenerator; | [86,87] |
| PVP Mw = 1 300 000 |
BaTiO3 | Pyrolysis in nitrogen at 900 °C | Photocatalysis | [88] |
| PVP Mw = 1 300 000 |
Ba0.6Sr0.4TiO3 (BST) | Different heat treatment temperatures: calcined at 600–800 °C for 2 h in air | Study BST synthesis | [89] |
| PVP Mw = 50 000 |
Ba0.6Sr0.4TiO3 (BST) | Dried at 60 °C for 10 h. Calcined at 900 °C in air, then included in PVDF to form BST-PVDF composites by drop casting | Nanocomposite capacitors; | [90] |
| PVP | LiNbO3 (LNO) | Annealing at 700 °C for 6 h; | Study LNO fiber synthesis | [91] |
| PVP | Mn-doped LiNbO3 | Annealing at 700 °C; | Study Mn-LNO fiber synthesis | [92] |
| PVP | BaTiO3-Multiwalled carbon nanotubes core-shell fibers | Put in vacuum oven at 70 °C for 1 h, and annealed at 800 °C in a nitrogen atmosphere for 2 h | Flexible piezoelectric pressure sensors | [93] |
| PAN Mw = 150 000 |
BiFeO3 | Calcined at 500 °C for 3 h. Then dispersed in PVDF to form a composite | Flexible piezoelectric nanogenerators | [94] |
| PVP Mw = 1 300 000 |
BiFeO3 | Thermal annealing at temperatures from 400 to 600 °C for 2 h in ambient conditions | Photovoltaic devices | [95] |
| PVP Mw = 1 300 000 |
BiFeO3 | Calcined at 520 °C for 2 h in an ambient atmosphere | Photocatalysis | [96] |
Disclaimer/Publisher’s Note: The statements, opinions and data contained in all publications are solely those of the individual author(s) and contributor(s) and not of MDPI and/or the editor(s). MDPI and/or the editor(s) disclaim responsibility for any injury to people or property resulting from any ideas, methods, instructions or products referred to in the content. |
© 2025 by the authors. Licensee MDPI, Basel, Switzerland. This article is an open access article distributed under the terms and conditions of the Creative Commons Attribution (CC BY) license (http://creativecommons.org/licenses/by/4.0/).
