Submitted:
27 September 2024
Posted:
30 September 2024
You are already at the latest version
Abstract
Keywords:
1. Introduction

| Longitudinal Stability compromised by: | Lateral Stability compromised by: | ||||
|---|---|---|---|---|---|
| Action | Cause | Action | Cause | ||
| Load raising / lowering movement | Boom lifting / Extension | Gravitacional force | Load transportation | Vehicle bracking | Inertial force |
| Load lowering | Sudden boom braking | Inertial Force | Traveling on uneven surfaces | Potholes, bumps, ramps, slopes | Gravitacional / inertial force |
| Load transportation | Vehicle bracking | Inertial force | Specific eccentric loads | Gravitacional / inertial force | |
| Traveling on uneven surfaces | Potholes, bumps, ramps, slopes | Gravitacional / inertial force | Suspended load | Gravitacional / inertial force | |
| Suspended load | Gravitacional / inertial force | Wind | External force | ||
| (a) | (b) | ||||
2. Multi-Physic Modelling
2.1. Mathematical Formulations and Multibody System Simulation (MBS) Software Platforms
2.2. Exemples of Software Aplications in Literature
3. Telehandler Modelling Using Scalar and Vectorial Bond Graph
3.1 Telehandler Model (3D Bond Graph)
3.1.1. Mechanical Domain Modelling
- 1.
- Platform submodel;
- 2.
- Rear Axle submodel;
- 3.
- Tire submodel
- 4.
- Telescopic arm system;
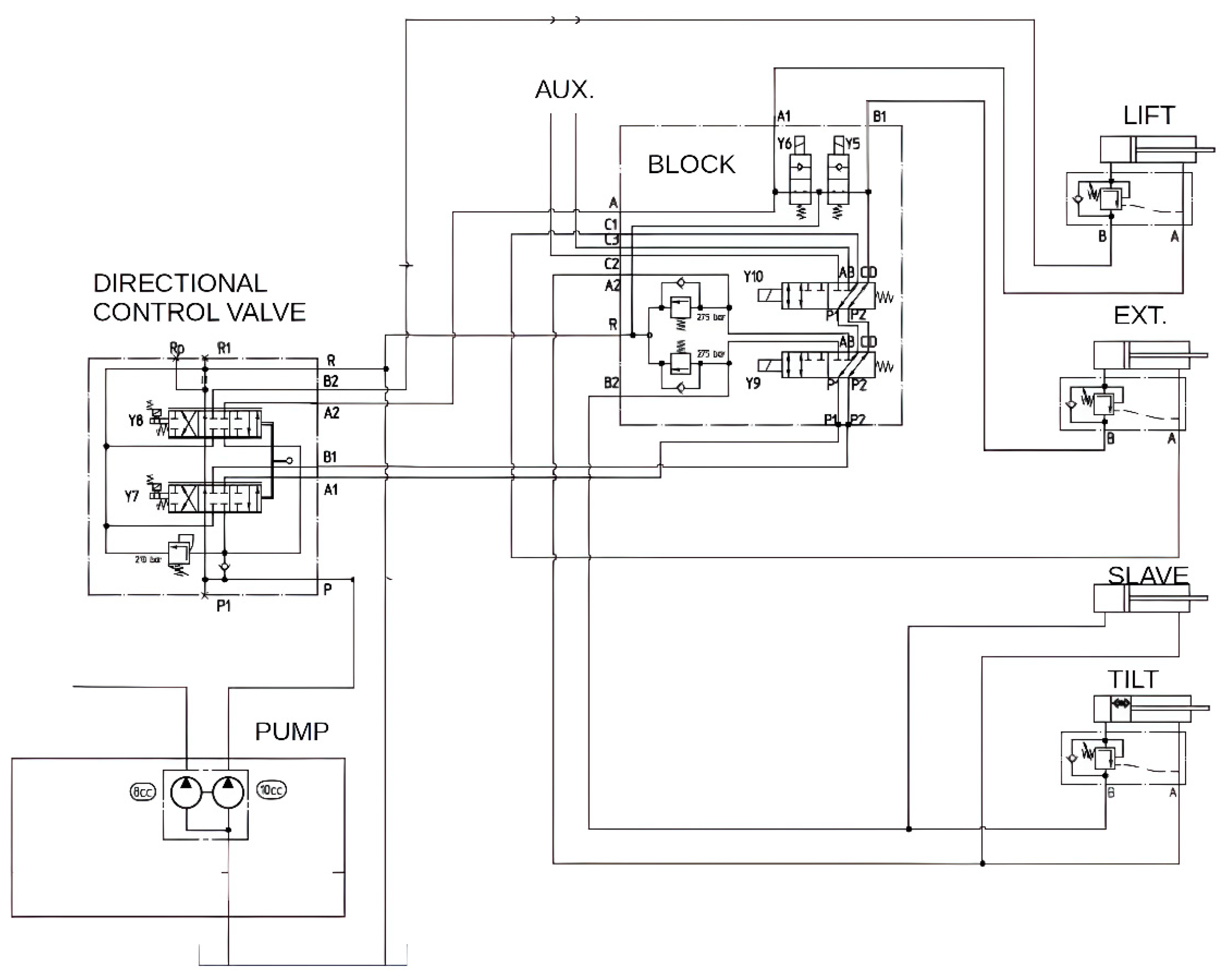
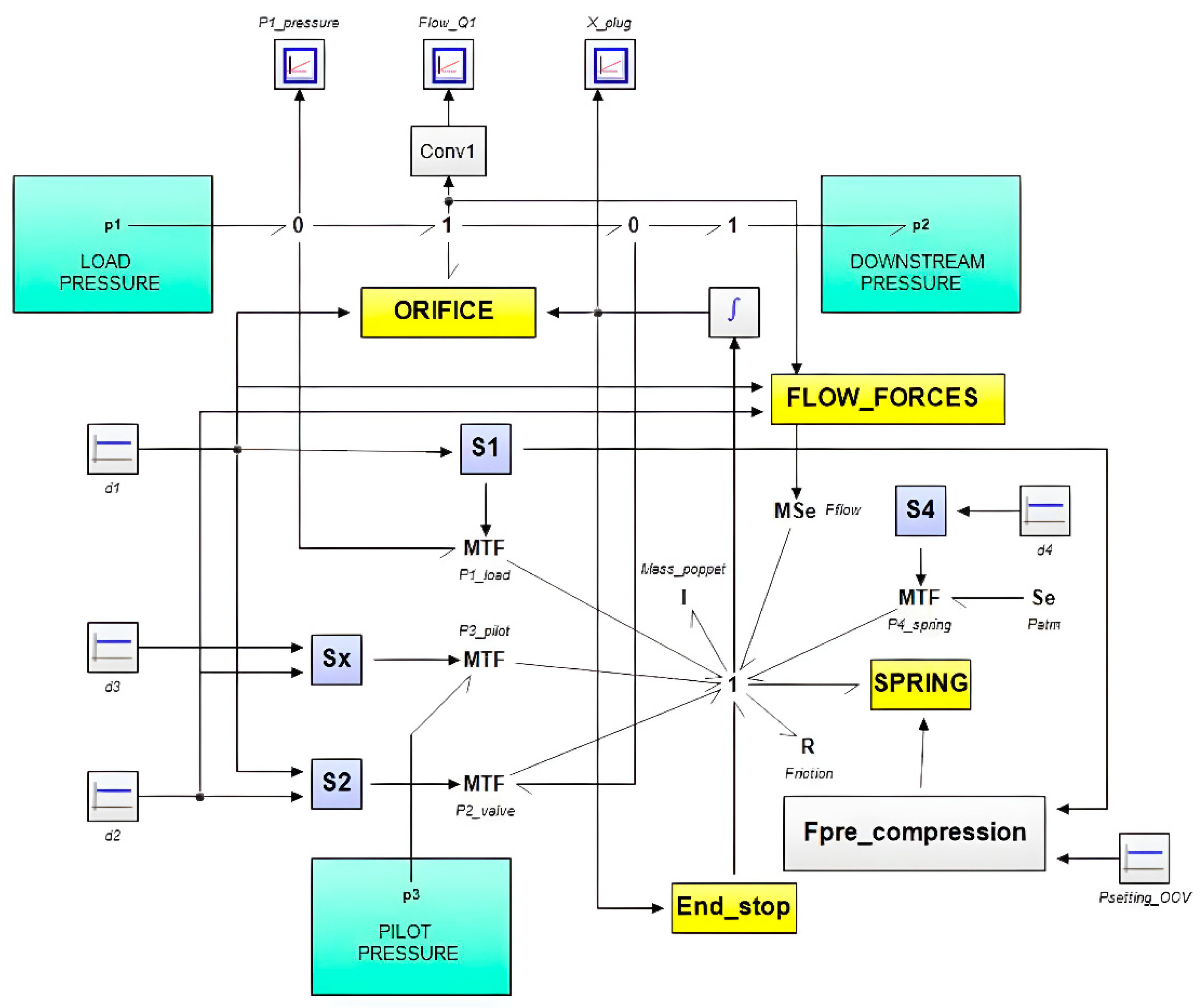
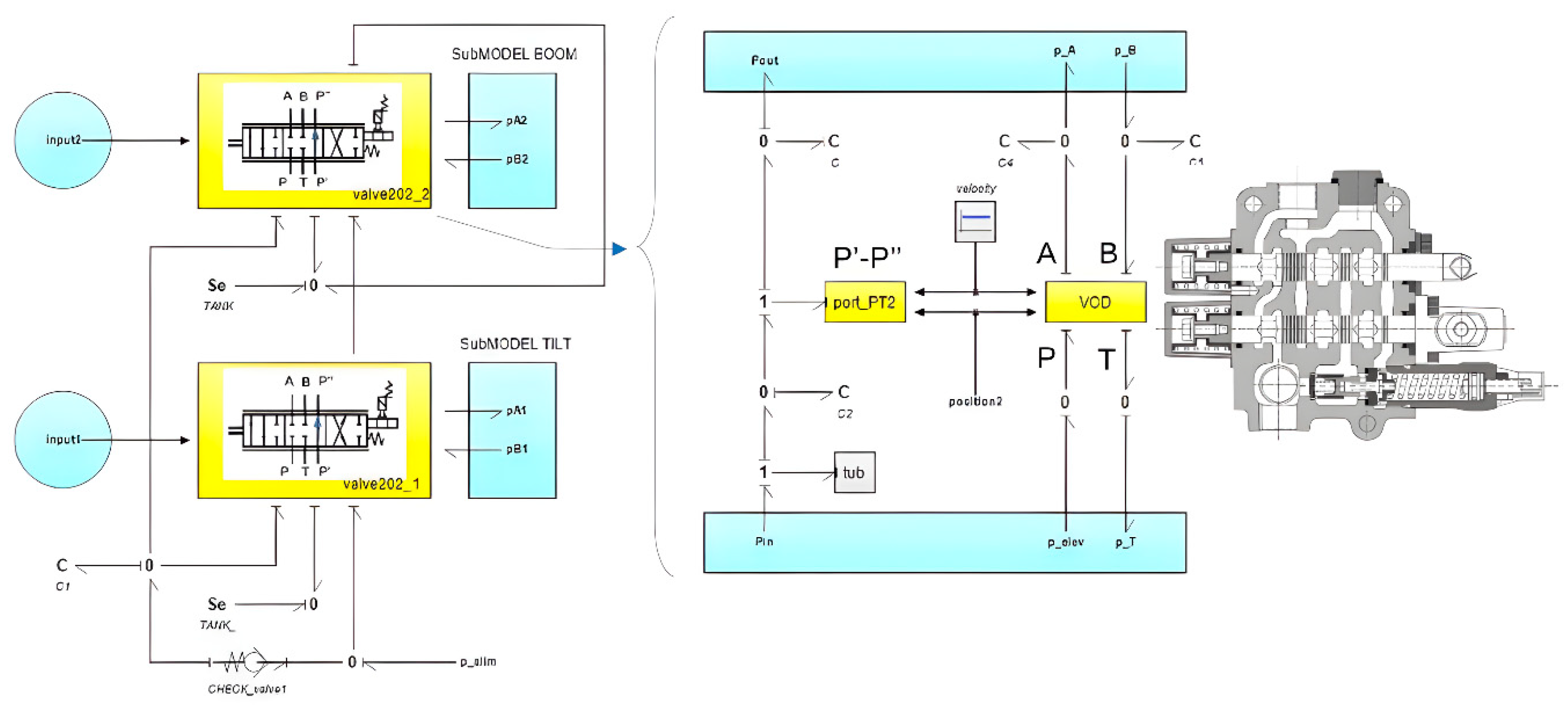
3.2 Hydraulic Domain Modelling
4. Experimental Test
4.1 Experimental Methodology
- 1.
- Tests to determine the ground reaction forces on the four wheels under different operating conditions of the machine. The results of these tests will be used to validate the virtual model from a mechanical perspective.
- 2.
- Tests on some specific functionalities of the machine, such as the self-leveling of the attachment fork. The experimental results will allow for the validation of the virtual model from a hydraulic perspective.

4.1.1. Tests to Determine the Ground Reaction Forces (Mechanical Domain)
4.1.2. Tests to Determine the Functionality Performance (Hydraulic Domain)
4.2 Experimental vs. Numerical Results: A Critical Examination of Their Validity and Model Limitations
- 1.
- Mechanical domain
- 2.
- Hydraulic domain
- 3.
- Other comments
5. Conclusions and Final Remarks
Author Contributions
Funding
Acknowledgments
Conflicts of Interest
Appendix A. Mathematical formulations for multi body systems (MBS)
![]() |
Appendix B. Description of the Multi-Bond Graphs submodels used in the telehandler model of 20-Sim
- 1.
- Rigid Body

- 2.
- Transformation of Translation

- 3.
- Transformation of Rotation

- 4.
- Revolute Joint.

- 5.
- Prismatic Joint.

References
- Priora, G. Monitor and control system of the dynamic stability on a telescopic handler with telemetry and experimental data, Thesis 2019. Politecnico di Torino (Italy).
- Machinery Regulation (UE) 2023/1230. https://eur-lex.europa.eu/eli/reg/2023/1230/oj.
- CEN/TS 1459-8:2018 (MAIN). Rough-terrain trucks - Safety requirements and verification - Part 8: Variable-reach tractors.
- CEN/EN 15000:2008. Safety of industrial trucks. Self propelled variable reach trucks. Specification, performance and test requirements for longitudinal load moment indicators and longitudinal load moment limiters.
- ISO 22915-14:2010 ISO 10896-1:2020.. Industrial trucks — Verification of stability. Part 14: Rough-terrain variable-reach trucks.
- Rough-terrain trucks — Safety requirements and verification. Part 1: Variable-reach trucks.
- Safe use of telehandlers in construction. Good Practice Guide. 2ed 2015. ref nº CPA 1101. Construction Plant-hire Association. Health Safety Executive (HSE), UK.
- Hunter A.G.M. A review of research into machine stability on slopes, Safety Science, Volume 16, Issues 3–4, 1993, Pages 325-339, ISSN 0925-7535. [CrossRef]
- Bietresato, M.; Mazzetto, F. Stability Tests of Agricultural and Operating Machines by Means of an Installation composed by a Rotating Platform (“Turntable”) with Four Weighting Quadrants. Appl. Sci. 2020, 10, 3786. [Google Scholar] [CrossRef]
- Urkullu, G. , Integración de las ecuaciones de la dinámica de sistemas multicuerpo mediante diferencias centrales de orden dos. Tesis (2019). Universidad del País Vasco - Euskal Herriko Unibertsitatea, Leioa, España.
- Garcia-Vallejo, D. , Mayo J., Escalona JL, Domínguez J., Three-dimensional formulation of rigid-flexible multibody systems with flexible beam elements. Multibody System Dynamics 20 (2008), 1-28.
- Haoliang Guo, Xihui Mu, Fengpo Du, Kai Lv Lateral Stability Analysis of Telehandlers Based on Multibody Dynamics WSEAS Transactions on Applied and Theoretical Mechanics. E-ISSN 2224-3429 Vol1 11, 2016.
- Altare, G., Lovuolo, F., Nervegna, N., & Rundo, M. (2012). Coupled Simulation of a Telehandler Forks Handling Hydraulics. International Journal of Fluid Power, 13, 15–28. [CrossRef]
- Patil A., Radle M. Hydraulic and multibody combined simulations for electric forklift design using modelica. International Journal of Engineering Science and Technology 10(9):27-35, March 2022 10(9):27-35. [CrossRef]
- Borutzky, W., Bond Graph Methodology: Development and Analysis of Multidisciplinary Dynamic System Models. ISBN 13: 9781848828810.
- Romero, G. Procedimientos optimizados utilizando métodos simbólicos para la simulación de sistemas dinámicos mediante Bond-Graph. Tesis doctoral 2005. Universidad Politécnica de Madrid, España.
- Bos, A.M. Modelling multibody systems in terms of multiBond Graphs with application to a motor cycle (1986). 90-9001442-X, Enschcde, The Netherlands.
- Tiernego, M.J.L. , Bos A.M. Modelling the dynamics and kinematics of mechanical systems with multiBond Graphs. Special issue on physical structure in modelling (1985), pp. 37-50. J. of Franklin Institute, Philadelphia, EEUU.
- Karnopp D., Rosenberg R. and Perelson A. S., "System Dynamics: A Unified Approach," in IEEE Transactions on Systems, Man, and Cybernetics, vol. SMC-6, no. 10, pp. 724-724, Oct. 1976. [CrossRef]
- Marquis-Favre, Wilfrid and Serge Scavarda. “Alternative Causality Assignment Procedures in Bond Graph for Mechanical Systems.” Journal of Dynamic Systems Measurement and Control-transactions of The Asme 124 (2002): 457-463.
- Zeid A., Chung C-H. Bond Graph modelling of multibody systems: a library of three-dimensional joints. Journal of the Franklin Institute, Volume 329, Issue 4, 1992, p 605-636, ISSN 0016-0032. [CrossRef]
- Cellier, F.E., Nebot, A.: The Modelica Bond Graph Library, p. 10 (2005).
- Zimmer, Dirk, and François E. Cellier. The Modelica multi-Bond Graph library. Proceedings of the 5th International Modelica Conference (2006). Vienna, Austria.
- Filippini G., Nigro N., and Junco S. Vehicle dynamics simulation using Bond Graphs. International Modelling and Simulation Multiconference (2007). Argentina.
- Boudon, B. , Dang T.T. Margetts R, Borutzky W. Malburet F. Simulation methods of rigid holonomic multibody systems with Bond Graphs. Advances in Mechanical Engineering (2019) Vol. 11(3) 1–29. [CrossRef]
- De las Heras S., Codina E. Modelización de sistemas fluidos mediante bondgraph. 1997. ISBN: 84-605-7035-5.
- Pacejka H.B. Tire and Vehicle Dynamics. Butterworth-Heinemann. ISBN 978-0-08-097016-5. (2012). [CrossRef]
- Berne L.J., Raush G., Roquet P., Gamez-Montero P. J. and Codina E. Graphic Method to Evaluate Power Requirements of a Hydraulic System Using Load-Holding Valves. Energies (2022). 15, 4558. [CrossRef]
- Merrit H.E., Hydraulic Control Systems. John Wiley & sons, (1967) ISBN 0-471-59617-5.
- Borghi, M. , Milani M., Poaluzzi R., Influence of Notch Shape and Number of Notches on the Metering Characteristics of Hydraulic Spool Valves. International Journal of Fluid Power 6(2):5-18 (2005). [CrossRef]
- Lines J.A., Murphy K. The radial damping of agricultural tractor tyres. Journal of Terramechanics Volume 28, Issues 2–3 (1991), Pages 229-241. [CrossRef]
- Lines J.A., Murphy K., The stiffness of agricultural tractor tyres. Journal of Terramechanics Volume 28, Issue 1 (1991), Pages 49-64. [CrossRef]


























| Software Codes Categories: | |
|---|---|
|
Category «A» The first category consists of general-purpose programs for the analysis and simulation of multibody systems, which can be further divided into two major groups: | |
|
Group 1 These programs are designed specifically for the simulation of multibody system dynamics, such as ADAMS, SIMPACK, RECURSIM, ALTAIR Motion Solve, Samcef Mecano, etc. They are often integrated into large platforms or portfolios for the simulation of complex multiphysics systems, such as HEXAGON, 3DEXPERIENCE, ALTAIR etc. There is a growing trend of strategic partnerships between these software providers to collaborate in the integration of their technologies and offer joint solutions to their clients. |
Group 2 Initially focused on the dynamic analysis of physical and/or multidomain systems. These programs eventually expanded their capabilities by incorporating methods and tools for modelling of multibody systems (Bond Graph codes are also included). Examples are MODELICA (Dymola, SimulationX), SIMCenter AMESSim, MAPLESim, 20 SIM, etc.. Dymola, along with its multibody library, offers efficiency and ease-of-use that is comparable to commercially available multibody programs. The openness of Modelica means a support from lots of different tools (free and commercial). |
|
Category «B» As an alternative, there is a second category of software codes that remain within the university and research center environments where they were developed. Unfortunately, these tools are not widely known. The advantage of these tools is that normally they are open source, allowing the community of users to adapt them according to their specific needs. Examples of such tools include FreeDyn, EasyDyn, MBSLIM, etc. Additionally, specific physical aspects of multibody systems have been modeled, including high pairs of joints, complex friction models, and flexible bodies. | |
| CM (m) | MOMENT OF INERTIA, IIG (kg m2) | |||||||
| RIGID BODY | DENOMINATION | MASS (kg) | x | y | z | IIG1 (kg m2) | IIG2 (kg m2) | IIG3 (kg m2) |
| Left front wheel | RB1 | 40,0 | 0,000 | 0,628 | 0,360 | 1,0 | 1,0 | 2,2 |
| Right front wheel | RB2 | 40,0 | 0,000 | -0,628 | 0,360 | 1,0 | 1,0 | 2,2 |
| Left rear wheel | RB3 | 40,0 | -1,750 | 0,628 | 0,360 | 1,0 | 1,0 | 2,2 |
| Right rear wheel | RB4 | 40,0 | -1,750 | -0,628 | 0,360 | 1,0 | 1,0 | 2,2 |
| Platform (motor, axle, cardan, transfer box, oil tank, xasis) | RB5 | 2096,0 | -1,250 | 0,014 | 0,710 | 121,0 | 1032,0 | 1085,0 |
| Rear axle | RB6 | 113,0 | -1,741 | 0,010 | 0,362 | 0,8 | 12,6 | 12,6 |
| Boom | RB7 | 147,0 | -0,809 | -0,476 | 1,130 | 37,5 | 37,5 | 3,0 |
| Mobile boom | RB8 | 165,0 | -0,203 | -0,383 | 0,927 | 76,0 | 76,0 | 6,4 |
| Attachment (tablier, rocker, two forks) | RB9 | 178,0 | 0,938 | 0,000 | 0,102 | 2,0 | 2,0 | 3,5 |
| Load | RB10 | 640,0 | 1,177 | 0,000 | 0,514 | 266,0 | 266,0 | 266,0 |
| Housing lift cylinder | RB11 | 25,5 | -0,805 | -0,476 | 0,858 | 1,5 | 1,5 | 0,2 |
| Piston lift cylinder | RB12 | 25,5 | -0,805 | -0,476 | 0,858 | 1,5 | 1,5 | 0,2 |
| Housing compensation cylinder | RB13 | 9,0 | -1,325 | -0,476 | 1,079 | 0,3 | 0,3 | 0,1 |
| Piston compensation cylinder | RB14 | 9,0 | -1,325 | -0,476 | 1,079 | 0,3 | 0,3 | 0,1 |
| Housing flip cylinder | RB15 | 14,5 | 0,250 | -0,260 | 0,611 | 0,3 | 0,3 | 0,1 |
| Piston flip cylinder | RB16 | 14,5 | 0,250 | -0,260 | 0,611 | 0,3 | 0,3 | 0,1 |
| Housing steering cylinder | RB17 | 6,5 | -1,872 | 0,000 | 0,439 | 0,3 | 0,3 | 0,1 |
| Piston steering cylinder | RB18 | 6,5 | -1,872 | 0,000 | 0,439 | 0,3 | 0,3 | 0,1 |
| Left steering rod | RB19 | 2,0 | -1,872 | 0,412 | 0,439 | 0,1 | 0,1 | 0,1 |
| Right steering rod | RB20 | 2,0 | -1,872 | -0,412 | 0,439 | 0,1 | 0,1 | 0,1 |
| Left carrier | RB21 | 3,0 | -1,787 | 0,455 | 0,450 | 0,5 | 0,5 | 0,2 |
| Right carrier | RB22 | 3,0 | -1,787 | -0,455 | 0,450 | 0,5 | 0,5 | 0,2 |
| Table (hydraulic parameters) | Value | Units |
|---|---|---|
| Oil density | 875 | kg/m3 |
| Oil bulk modulus | 17.500 | bar |
| Oil kinematic viscosity | 46 | cSt |
| Pump maximum displacement | 12 | cm3/rev |
| Pump volumetric efficiency | 0,93 | |
| Pump hydraulic–mechanical efficiency | 0,96 | |
| Relief valve cracking pressure | 210 | bar |
| Overcenter valve ratio (CEB) (*) | 4 : 1 | |
| Overcenter pressure setting | 275 | bar |
| Directional control valve block (*) | 202 | serie |
| Viscous friction coefficient | 50 | N/m/s |
| Cylinder leakage coefficient | 0,01 | l/min / bar |
| Piston diameter of the boom hydraulic cylinder | 100 | mm |
| Rod diameter of boom hydraulic cylinder | 55 | mm |
| Travel of boom hydraulic cylinder | 689 | mm |
| Piston diameter of the extension hydraulic cylinder | 60 | mm |
| Rod diameter of extension hydraulic cylinder | 40 | mm |
| Travel of extension hydraulic cylinder | 1.239 | mm |
| Piston diameter of the fork hydraulic cylinder | 100 | mm |
| Rod diameter of fork hydraulic cylinder | 60 | mm |
| Travel of fork hydraulic cylinder | 268 | mm |
| Piston diameter of the slave hydraulic cylinder | 75 | mm |
| Rod diameter of slave hydraulic cylinder | 45 | mm |
| Travel of slave hydraulic cylinder | 344 | mm |
| Engine power | 19 | kW |
| Torque | 92,6 /1700 | Nm /rpm |
| Engine speed | 2.300 | rpm (max) |
| Instrumentation | Characteristics | Reference |
|---|---|---|
| Position: 2 inclinometers |
2 inclinómetros (I), to measure fork leveling -45º to 45º and 4 to 20 mA | SICK TMM55E-PMH045 |
| 3 extensometers (X), to measure boom extension. 0 to 1500 mm and 0 to 10V | Micro epsilon, WDS-1500-P60-SR-U | |
| Accelerometers: 7 accelerometers |
7 lineals accelerometers 3 axis, range 3g and 6g | SparkFun, Triple Axis Accelerometer - MMA7260Q (6g) / Analog devices, ADXL335 Small, Low Power, 3-Axis ±3 g |
| Loading: 2 weighing equipments |
2 Electronic weighing system amb visor. Weigh vehicle's axles and total weight. Composed of two portable platforms of the WWS series and weighing terminal with touch screen and integrated printer. |
DINI ARGEO USBCKR-1, portable kit. Wired version. |
| Flow: 1 flowmeter |
A flowmeter (Q) 0 to 300 liters/min., 4 to 20 mA | HYDAC EVS 3100-A-0300-000 |
| Pressure: 13 pressure transducers (P) |
13 pressure transducers (P) of two types: 3 of 0-400 bar and 10 of 0-250 bar. 4 to 20 mA | WIKA, MH3 with connector M12 |
| Temperature: 1 sensor (T) |
A PT 100 (T) temperature sensor and temperature transmitter (converts PT100 signal to a 4 to 20 mA electrical signal). Temperature transmitter ranges: 0 to 250ºC and 4 to 20 mA | Temperature transmitter model: Wika T20.10.100 |
| Other analog signals | Analog input signals of Delta Equipment: Voltage signal from 0V at low level and 10V at high level | 3 Triggers: for the National Instruments Equip., for the load cell and for the 3-way flow regulating valve solenoid signal. |
| Experimental Equipment | Characteristics | Reference |
|---|---|---|
| Equipment 1 data acquisition | Equipment for accelerometer signals data acquisition | NATIONAL INSTRUMENTS USB-6343 |
| Laptop 1 | LABVIEW for acquisition of accelerometer signals | LabVIEW 2021 and NI software |
| Equipment 2 data acquisition | Data acquisition from hydraulic, position and temperature transducers and sensors. | DELTA RMC200 |
| Laptop 2 | DELTA RMC Tools Software for acquisition signals from pressure, flow, temperature, and position sensors. | DELTA RMC Tools Software |
| Laptop 3 | To acquire data from the rear axle load cell of machine | |
| Digital camera | To record videos | SONY RX100 IV |
Disclaimer/Publisher’s Note: The statements, opinions and data contained in all publications are solely those of the individual author(s) and contributor(s) and not of MDPI and/or the editor(s). MDPI and/or the editor(s) disclaim responsibility for any injury to people or property resulting from any ideas, methods, instructions or products referred to in the content. |
© 2024 by the authors. Licensee MDPI, Basel, Switzerland. This article is an open access article distributed under the terms and conditions of the Creative Commons Attribution (CC BY) license (http://creativecommons.org/licenses/by/4.0/).
