Submitted:
20 August 2024
Posted:
21 August 2024
You are already at the latest version
Abstract

Keywords:
1. Introduction
2. Materials and Methods
2.1. Soil Sample and Chemicals
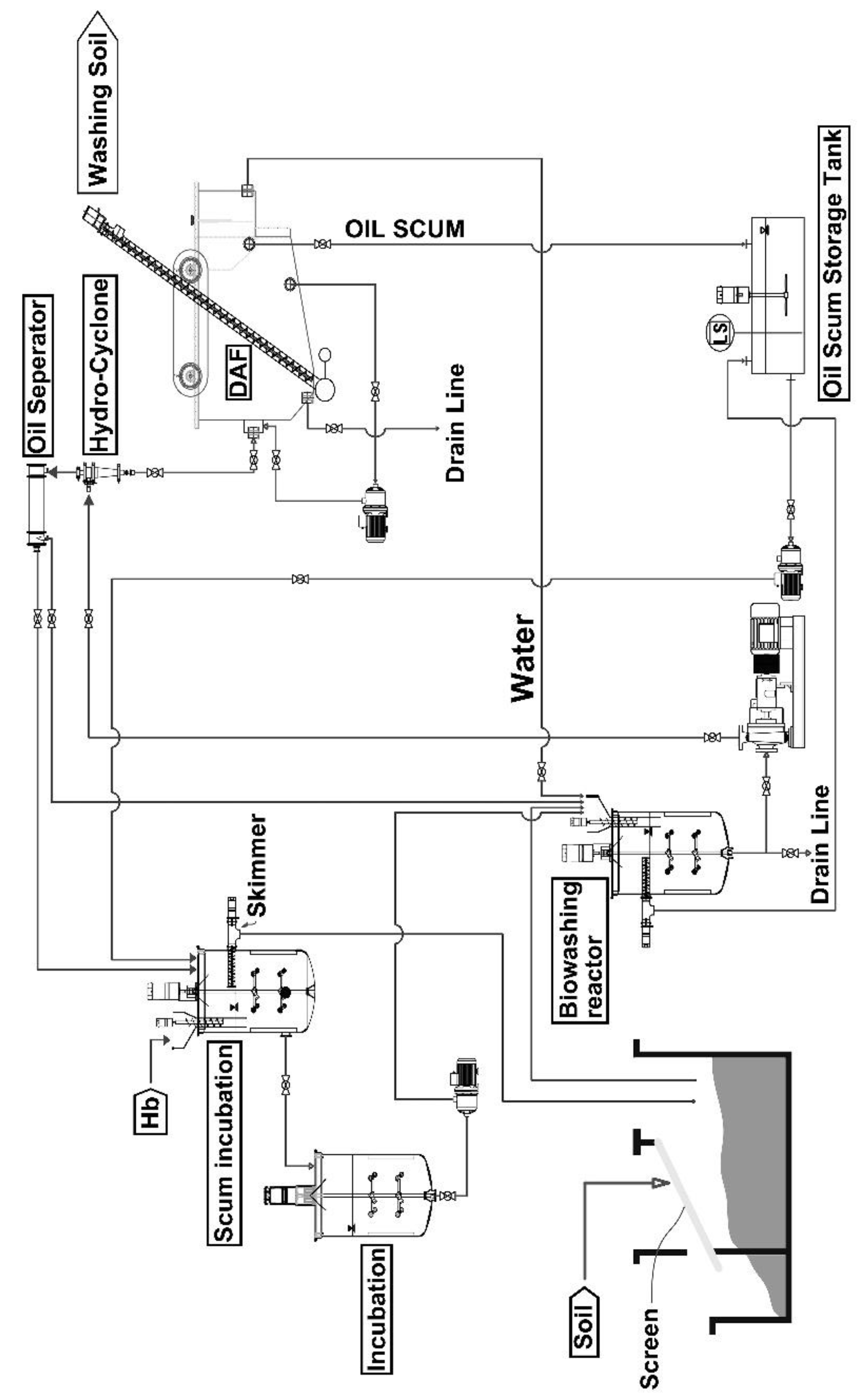
2.2. Setting Up of Biowashing Pilot Reactor
2.3. Operation of Biowashing Pilot Reactor
2.4. Analytical Methods
2.5. Bacterial Quantification
3. Results and Discussion
3.1. The Degradation Rate of TPH, UCM, PAH, and Alkylated PAH by Biowashing Pilot Reactor Process
3.2. Change in the Components of PAHs, Alkylated PAHs, and n-Alkane during Biowashing Pilot Reactor Process
3.3. Change in Bacterial Number during Operation of Biowashing Pilot Reactor
4. Conclusions
Author Contributions
Funding
Data Availability Statement
Conflicts of Interest
References
- ElNawawy, A.S.; Al-Daher, R.; Yateem, A.; Al-Awadhi, N. Bioremediation of oil-contaminated soil in Kuwait; Environmental Biotechnology; Springer: Dordrecht, Netherland, 1995; pp. 249–258. [Google Scholar] [CrossRef]
- Elgibaly, A.A.M. Cleanup of oil-contaminated soils of Kuwaiti oil lakes by retorting. Energy Sources 1999, 21, 547–565. [Google Scholar] [CrossRef]
- Al-Awadhi, N.; Al-Daher, R.; Balba, M.; Chino, H.; Tsuji, H. Bioremediation of oil-contaminated desert soil: the Kuwait experience. Environ. Int. 1998, 24, 163–173. [Google Scholar] [CrossRef]
- Almutairi, M.S. An assessment of remediation strategies for Kuwaiti oil lakes. Environ. Geotech. 2018, 5, 345–355. [Google Scholar] [CrossRef]
- Bruckberger, M.C.; Morgan, M.J.; Bastow, T.P.; Walsh, T.; Prommer, H.; Mukhopadhyay, A.; Kaksonen, A.H.; Davis, G.B.; Puzon, G.J. Investigation into the microbial communities and associated crude oil-contamination along a Gulf War impacted groundwater system in Kuwait. Water Res. 2020, 170, 115314. [Google Scholar] [CrossRef] [PubMed]
- Gan, S.; Lau, E.V.; Ng, H.K. Remediation of soils contaminated with polycyclic aromatic hydrocarbons (PAH). J. Hazard. Mater. 2009, 172, 532–549. [Google Scholar] [CrossRef] [PubMed]
- Cho, E.; Park, M.; Hur, M.; Kang, G.; Kim, Y.H.; Kim, S. Molecular-level investigation of soils contaminated by oil spilled during the Gulf War. J. Hazard. Mater. 2019, 373, 271–277. [Google Scholar] [CrossRef] [PubMed]
- O’Brien, P.L.; DeSutter, T.M.; Casey, F.X.M.; Khan, E.; Wick, A.F. Thermal remediation alters soil properties - a review. J. Environ. Manage. 2018, 206, 826–835. [Google Scholar] [CrossRef] [PubMed]
- Vidonish, J.E.; Zygourakis, K.; Masiello, C.A.; Gao, X.; Mathieu, J.; Alvarez, P.J. Pyrolytic treatment and fertility enhancement of soils contaminated with heavy hydrocarbons. Environ. Sci. Technol. 2016, 50, 2498–2506. [Google Scholar] [CrossRef]
- Mao, X.; Jiang, R.; Xiao, W.; Yu, J. Use of surfactants for the remediation of contaminated soils: a review. J. Hazard. Mater. 2015, 285, 419–435. [Google Scholar] [CrossRef]
- Cheng, M.; Zeng, G.; Huang, D.; Yang, C.; Lai, C.; Zhang, C.; Liu, Y. Advantages and challenges of Tween 80 surfactant-enhanced technologies for the remediation of soils contaminated with hydrophobic organic compounds. Chemical Engineering Journal 2017, 314, 98–113. [Google Scholar] [CrossRef]
- Trellu, C.; Mousset, E.; Pechaud, Y.; Huguenot, D.; van Hullebusch, E.D.; Giovanni, E.; Oturan, M.A. Removal of hydrophobic organic pollutants from soil washing/flushing solutions: a critical review. J. Hazard. Mater. 2016, 306, 149–174. [Google Scholar] [CrossRef] [PubMed]
- Al-Awadhi, N.; Al-Daher, R.; EINawawy, A.; Salba, M. Bioremediation of oil-contaminated soil in Kuwait. I. landfarming to remediate oil-contaminated soil. Soil J. Sediment Contam. 1996, 5, 243–260. [Google Scholar] [CrossRef]
- Al-Gounaim, M.; Diab, A.; Al-Hilali, A.; Abu-Shady, A.S. Aromatic hydrocarbons: degrading bacteria in the desert soil of Kuwait. Arab Gulf J. Sci. Res. 2005, 23, 28–36. [Google Scholar]
- Gallego, J.L.R.; Peña-Álvarez, V.; Lara, L.M.; Baragaño, D.; Forján, R.; Colina, A.; Prosenkov, A.; Peláez, A. I. Effective bioremediation of soil from the Burgan oil field (Kuwait) using compost: A comprehensive hydrocarbon and DNA fingerprinting study. Ecotoxicol. Environ. Saf. 2022, 2022. 247, 114267. [Google Scholar] [CrossRef]
- Wang, X.; Yu, X.; Bartha, R. Effect of bioremediation on polycyclic aromatic hydrocarbon residues in soil. Environ. Sci. Technol. 1990, 24, 1086–1089. [Google Scholar] [CrossRef]
- Alsaleh, E.; Drobiova, H.; Obuekwe, C. Predominant culturable crude oil degrading bacteria in the coast of Kuwait. Int. Biodeterior. Biodegrad. 2009, 63, 400–406. [Google Scholar] [CrossRef]
- Al-Wasify, R.S.; Hamed, S.R. Bacterial biodegradation of crude oil using local isolates. Int. J. Bacteriol. 2014, 863272. [Google Scholar] [CrossRef] [PubMed]
- Suja, F.; Rahim, F.; Taha, M.R.; Hambali, N.; Razali, M.R.; Khalid, A.; Hamzah, A. Effects of local microbial bioaugmentation and biostimulation on the bioremediation of total petroleum hydrocarbons (TPH) in crude oil contaminated soil based on laboratory and field observations. Int. Biodeterior. Biodegrad. 2014, 90, 115–122. [Google Scholar] [CrossRef]
- Ali, N.; Khanafer, M.; Al-Awadhi, H. Indigenous oil-degrading bacteria more efficient in soil bioremediation than microbial consortium and active even in super oil-saturated soils. Front. Microbiol. 2022, 13, 950051. [Google Scholar] [CrossRef]
- Balba, M.T.; Al-Awadhi, N.; Al-Daher, R. Bioremediation of oil-contaminated soil: microbiological methods for feasibility assessment and field evaluation. J. Microbiol. Methods 1998, 32, 155–164. [Google Scholar] [CrossRef]
- Hong, J.-K.; Jho, E.H.; Choi, H.S.; Kang, G. Role of hemoglobin in hemoglobin-based remediation of the crude oil-contaminated soil. Sci. Total Environ. 2018, 627, 1174–1181. [Google Scholar] [CrossRef]
- Kim, T.; Hong, J.-K.; Jho, E.H.; Kang, G.; Yang, D.J.; Lee, S.-J. Sequential biowashing-biopile processes for remediation of crude oil contaminated soil in Kuwait. J. Hazard. Mater. 2019, 378, 120710. [Google Scholar] [CrossRef]
- Keum, H.; Kim, J.; Joo, Y.H.; Kang, G.; Chung, N. Hemoglobin peroxidase reaction of hemoglobin efficiently catalyzes oxidation of benzo[a]pyrene. Chemosphere 2021, 268, 128795. [Google Scholar] [CrossRef]
- Nadkarni, M.A.; Martin, F.E.; Jacques, N.; Hunter, N. Determination of bacterial load by real-time PCR using a broad-range (universal) probe and primers set. Microbiology 2002, 148, 257–266. [Google Scholar] [CrossRef]
- Stahl, D.A.; Amann, R.I. Development and application of nucleic acid probes; Nucleic Acid Techniques in Bacterial Systematics; John Wiley & Sons: New York, USA, 1991; pp. 205–248. [Google Scholar]




Disclaimer/Publisher’s Note: The statements, opinions and data contained in all publications are solely those of the individual author(s) and contributor(s) and not of MDPI and/or the editor(s). MDPI and/or the editor(s) disclaim responsibility for any injury to people or property resulting from any ideas, methods, instructions or products referred to in the content. |
© 2024 by the authors. Licensee MDPI, Basel, Switzerland. This article is an open access article distributed under the terms and conditions of the Creative Commons Attribution (CC BY) license (http://creativecommons.org/licenses/by/4.0/).