Preprint
Article

This version is not peer-reviewed.

Design of 300 Watts, Variable 1.25-30Vdc Laboratory Benchwork Power Supply

Submitted:

08 August 2024

Posted:

09 August 2024

You are already at the latest version

Abstract
Many laboratory power supply had been designed with higher output variable voltages but with small amount of output current, in this design, a variable 1.25 to 30Vdc laboratory power supply with capable of producing up to 10.0A has been designed using a three terminal voltage regulator with pass transistors.
Keywords: 
;  ;  

Introduction

Laboratory bench work power supplies can be defined as equipment which, after connecting to AC voltage, convert it into stabilized DC voltage at the output and, at the same time, allow for ongoing adjustment of most important power supply parameters (voltage, current intensity). Laboratory power supply, supplies a connected device with direct current whose parameters are set by a user and, at the same time, act as a filter and stabilizer to protect the device. They are used, among other things, in the science and electronics laboratory, repair of electronic devices, assembly of electronic components and their calibration, or in works related to testing of prototypes or finished products.
There are two types of bench DC power supplies available: linear and switching. Linear power supplies (power supplies that uses linear voltage regulator) are known for their precise and accurate output, Linear regulators are used predominantly in ground-based equipment where the generation of heat and low efficiency are not of major concern and also where low cost and a short design period are desired. They are very popular as board level regulators in distributed power systems. For off-line (plug into the wall) products, a power supply stage ahead of the linear regulator must be provided for safety in order to produce dielectric isolation from the ac power line. Linear regulators can only produce output voltages lower than their input voltages. Each linear regulator has an average efficiency of between 35 and 50 percent. The losses are dissipated as heat [1].
Whereas switching power supplies are more efficient and lighter in weight than linear power supply. There are two major technology considered in switching power supplies: Pulse width modulated (PWM) switching power supplies and High efficiency resonant technology switching power supplies. PWM switching power supplies are much more efficient and flexible in their use than linear regulators. One commonly finds them used within portable products, aircraft and automotive products, small instruments, off-line applications, and generally those applications where high efficiency and multiple output voltages are required. Their weight is much less than that of linear regulators since they require less heatsinking for the same output ratings. They do, however, cost more to produce and require more engineering development time. In the High efficiency resonant technology switching power supplies, This variation on the basic PWM switching power supply finds its place in applications where still lighter weight and smaller size are desired, and most importantly, where a reduced amount of radiated noise (interference) is desired. The common products where these power supplies are utilized are aircraft avionics, spacecraft electronics, and lightweight portable equipment and modules. The drawbacks are that this power supply technology requires the greatest amount of engineering design time and usually costs more than the other two technologies. Each of these technologies excels in one or more of the system requirement and must be weighed against the other considerations to determine the optimum mixture of technologies that meet the needs of the final product [1].
A lot of laboratory power supply had been designed with higher output voltages but with small amount of output current. Sa’ad M.A. (2018) has designed a variable power supply with capability of producing 0-30Vdc and 1.0A [9]. In another design by Akinpelu A. (2020), a 0.5V to 18.5V and current producing capacity of 0 to 0.88A was produced [10].
In this paper, a linear power supply that is used as laboratory benchwork of variable 30Vdc and constant 10Amps in the output will be design with the purpose of improving the current producing ability and addressing step by step for designing a variable voltage, high current bench work power supply using a linear voltage regulator integrated circuit (IC) LM317, thereby using physical parameters equations at stages of component selection in the power supply circuit. This would also enable a custom designing of linear power supply.

Materials and Method

The materials of the design consist of; Step-down transformer, bridge rectifier, electrolytic capacitor, linear voltage regulator, fixed and variable resistors. The circuit comprises of two parts: un-regulated and regulated power supply circuits as shown in Figure 1.

Un-Regulated Power Supply Circuit:

Unregulated power supply is a type of power supply that provides an output voltage that varies with changes in input voltage, load current, and temperature. The unregulated power supply does not have an active circuit that regulates the output voltage, making it simple and less expensive than regulated power supply. Unregulated power supply is commonly used in low-power electronic devices that do not require a stable voltage, such as small radios and toys.
The main advantage of an unregulated power supply is that it is simple and less expensive than regulated power supply. It does not require complex circuits, which makes it easier to design and manufacture. However, the main disadvantage of an unregulated power supply is that it provides an output voltage that varies with changes in input voltage, load current, and temperature. This variation can lead to a reduced performance and reliability of the electronic device. Unregulated power supply in this design comprises of step-down iron core transformer, bridge rectifier and smoothing capacitor.
Figure 2. unregulated power supply circuit.
Figure 2. unregulated power supply circuit.
Preprints 114757 g002

Transformer Selection:

The transformer used in power supply is called rectifier transformer, because it feed a rectifier circuit which converts a.c into d.c.If there is reservoir capacitor, the root mean square (rms) a.c current in the transformer secondary must be somewhat higher than the required d.c load current. The proper rms current which the transformer needs to supply and power rating in Volt-Amperes (VA) of secondary for bridge rectifier with filter capacitor is given by [2]:
I A C = 1.8 × I D C
P V A = 1.4 × P W a t t + 2 I D C
Where, IAC is the required output a.c current from the transformer while IDC is the required output d.c current from the bridge rectifier. PVA is the transformer output power in Volt-Amperes and Pwatt is the transformer output power in Watts.
P W a t t = I A C V A C r m s
Where, VAC is the a.c output voltage of the transformer read by the voltmeter.
The transformer output voltage can be selected to be 20% above the required output voltage considering the voltage drops across the two series rectifier diodes and voltage regulator IC (LM317). Therefore, in this design (30vdc, 10 Amps), the required transformer parameters are:Input voltage of the transformer is 220Vac, input frequency is 50Hz. The output voltage is 36Vac while the output current is 18 Amps, the transformer power (watts) is 648 watts which is 935.2VA (in Volt-Amperes) this is approximately 1000VA.

Rectifier Selection:

A bridge rectifier capable of withstanding current greater than the output current requirement should be employed. This implies that, the rectifier should be derated for reliability. The rating at least twice the output current is recommended to cover turn-on surge. It’s also best to make sure that the device you choose has high inrush current specifications. Offline applications and power converters often have significant inrush surge current associated with the application because large bulk capacitor banks usually must be charged thus creating large inrush currents that the device must withstand repeatedly every time power is cycled. If the device in the application does not have a large enough diode and quality construction to deal with the resulting transient thermal response the diode can overheat and become damaged with high inrush currents. Therefore, be sure to select the highest inrush current part you can [3].

Filter (Reservoir) Capacitor:

The filtration of a.c ripples from the rectifier output is performed by a large value electrolytic capacitor, this is so, because as the varying dc voltage from rectifier supply current to the load there is voltage drop, but with reservoir capacitor; it charges quickly near the peak of the varying d.c and add-up to the varying d.c, this maintain the output voltage without dropping. The filtration significantly increases average d.c voltage to almost the peak value of the transformer Vr.m.s (i.e. 1.4×Vr.m.s value). The selection of capacitor is given by [4].
C = 1 2 R L f d c 1 V d c V p
Where,
C is the capacitance of reservoir in farads, Vdcis the required output voltage of the power supply in volts whileVp is the peak rectified voltage applied to the capacitor in volts.
V p = V r m s 2 V d i o d e
Where, Vdiodeis the voltage drop across the two rectifier diodes in series, Vdiode=0.7V
And             f d c   = 2 f a c
Where, f d c   is the frequency of varying d.c signal for fullwave rectifier and is 100Hz while f a c   is the frequency of varying a.c signal of transformer output which is 50Hz. RL is the minimum load resistance that is allowed for a power supply to gives the rated output voltage and current. If any attempt is made to decrease the value of RL, the rated output will not be available. The following equation can be used to obtain the value of RL [4].
R L = V d c m a x I d c m a x
Where, V d c m a x is the maximum output voltageand I d c m a x is the maximum output current.Therefore, in this design; Vp=34.6V, V d c m a x = 30 V , and I d c m a x =   I e x t = 10.0 A , this gives RL= 3Ω and C= 11,905µF ≈12,000µF.The voltage rating of reservoir capacitor must exceed the rectified voltage by at least 50%.

Regulated Power Supply

This is the section of the power supply that gives unfluctuating d.c voltage, it obtains its input from unregulated power supply section. This consist of voltage regulator integrated circuit (IC) and sometimes power transistors, depending on the output current requirement.

Voltage Regulator Selection

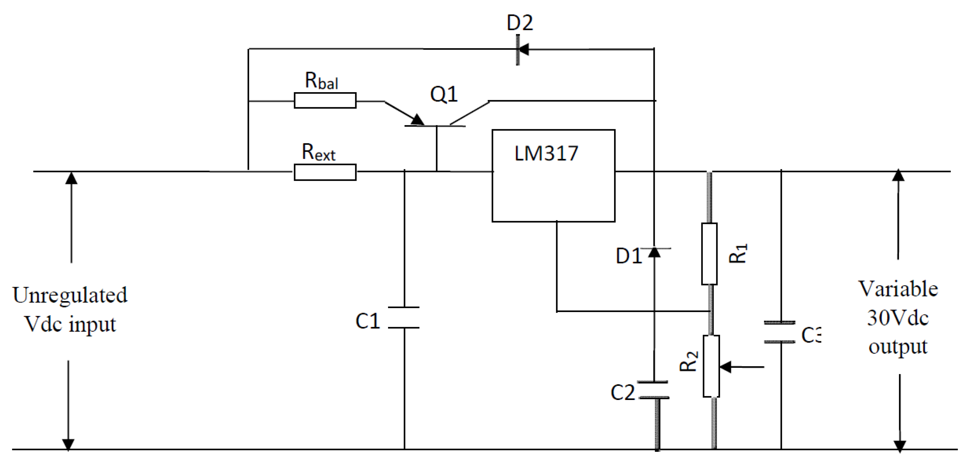
Though there are two classes of voltage regulator, dual in line package (DIP) and single in line (SIP) package. In this design a three terminal single in line voltage regulator (i.e. LM317, TO-220 package) is employed. It is selected because of its simplicity and require few components for its operation. The LM317 is a variable voltage regulator which requires 3V difference between input and output for its proper operation, it also requires the minimum load (R1 & R2) current range of 3.5 to 10mA. That is to say, if the current is less than minimum it will cause the reference voltage of 1.25V designed for the operation of LM317 to increase. It has the power handling capacity of 25Watts and maximum current of 1.5Amps [5]. The requirement for this design is to produce variable 30V with capability of 10A in the output. This requirement is far exceeded the maximum output current of 1.5A of the regulator. Fortunately, LM317 can deliver up to 37Vdc in the output for input of 40Vdc. In order to meet this design for 10A requirement, an external bye-pass transistor was used as shown in Figure 3.

Selection of Potentiometer Resistor R2

Potentiometer (POT) resistor R2 is responsible for varying the output voltage of the regulator. The selection of R2depends on its power handling capacity, as the most common POT available in Nigerian markets are quarter 1 4 watts (i.e. 0.25W) capacity. Therefore, current ( I r e g ) flowing through R1 and R2 must not be greater than power handling capacity of the POT. The power ( P P O T ) handling capacity is given by;
P P O T = I r e g 2 R 2
P P O T = I r e g V o u t
It is generally a rule that components are not operated to their maximum ratings, then the power handling ability of the POT should be de-rated to lower value, say 0.15watts. In this design, the required maximum output voltage is 30Vdc and the de-rated power capacity of the POT is 0.15W, therefore, the regulator load current ( I r e g ) is 5mA, determined by;
I r e g = P P O T V o u t
5mA is within the minimum load current (3.5-10mA) requirement, so, the regulator will operate efficiently. Therefore, according to equation (8), R2is calculated to be 6KΩ.

Selection of Resistor R1

R1is the resistor between the regulator output and its adjustment terminal, it is a programmed resistor that makes the LM317 to develop a nominal 1.25V reference voltage (Vref)between the regulator output and its adjustment terminal. Because Vrefis constant, a constant current I r e g flows through the series resistors R1 & R2 [5]. The value of R1as per this design is calculated to be 250Ω. This is obtained using equation (11), [5].
R 1 = V r e f I r e g
The power handles by R1 ( P R 1 ) is calculated to be 6.25mW (0.00625W) which is determined using;
P R 1 = I r e g 2 R 1
Or P R 1 = I r e g V r e f
This implies that, a 250Ω, 0.25W resistor satisfied the R1.

The Output Voltage

The output voltage from regulator is given by [5]:
V o u t = V r e f 1 + R 2 R 1 + I A d j R 2
Since IAdjis the current flowing through adjustment terminal and is usually less than 100µA, therefore, the term I A d j R 2 in the equation (14) can be neglect [5]. In this design, using Vref =1.25V, R1=250Ω and R2 =6kΩ gives variable Vout = 31.25V. This value is approximately closed to the target of 30V.The power dissipation (Pdis) of LM317 is calculated as [5];
P d i s = I o u t V i n V o u t + V i n × I r e g
Where, Vin and Vout are input and output voltage of the regulator respectively. Iout is the current flowingthrough the regulator when there is load, in this design, only 5mA (Ireg) was allowed to flow through the regulator, the remaining required current in the output flows through the bye-pass transistor. Therefore,the LM317 has a range of minimum and maximum values of Pdis; Pdisat lowest varying voltage and Pdisat highest varying voltage. At lowest, when Vin = Vp = 34.60V, Vout = Vref = 1.25V and Iout=5mA, Pdis= 0.34W. Also, at highest output voltage Vout = 31.25V, therefore, Pdis= 0.2W. This shows that, no heat sink is required for heat dissipation. For power dissipation of more than 1W, an appropriate heat sink should be attached to the regulator.

Selection of External Resistor Rext

Since the minimum load current Iregin this design is 5mA, therefore, the input of the regulator must be able to supply current enough to satisfy the 5mA requirements. The input current (Ibias) is determined by [6].
I b i a s = V B E   ( o n ) R e x t
Where, V B E   ( o n ) is the base-emitter voltage for pass transistor Q1 to start conducting current and it is 0.6V for low power transistor while ≥1.0V for high power transistor. Rextis external resistor which determines Ibiasand it also determines at what output current level Q1 begins conducting.
In this design, Ibiaswas selected to be 10mA which is enough to supply the Iregof 5mA while V B E   ( o n ) was obtained from the datasheet of Q1 as 1.5V (since Q1 is a high power transistor). Therefore, according to equation (16), Rext= 150Ω. The power dissipate P R e x t by Rextwas calculated according to equation (17) as 0.015W. This implies that a quarter watt (0.25W), 150Ω resistor will suffice.
P R e x t = I b i a s 2 R e x t

Selection of Ballast Resistor Rbal

Ballast resistor Rbalis responsible for controlling the amount of current (Iext) flowing from emitter to collector of Q1. It is determined by [7].
R b a l = V B E I E
Since    IE ≈ IC =Iext
Therefore,
R b a l = V B E ( o n ) I e x t
In this design, the required output current is 10A, therefore, according to equation (20), Rbal = 0.15Ω. But this was not applied due to the fact that transistor Q1 should not be allow to handle such amount of current, rather, four similar transistors were used in parallel to shear 10A across them. Therefore, each transistor carries 2.5A with it which sum up to deliver 10A in the regulator output. Therefore, each transistor require R b a l to control the current flowing through it. According to equation (20) each R b a l is 0.6Ω. The amount of power dissipation by each R b a l is 3.75W, determined by equation (21). Therefore, a 0.6Ω, 5W resistors sufficed.
P R b a l = I e x t 2 R b a l
Figure 4. LM317 with 4 paralleling bye-passing transistors.
Figure 4. LM317 with 4 paralleling bye-passing transistors.
Preprints 114757 g004

Regulator Total Output Current

The total current Itotalin the regulator output is the sum of current flowing through the regulator (Ireg) and that flowing through bye-pass transistors Iext. Therefore,
I t o t a l = I e x t + I r e g
But , I e x t = I e x t 1 + I e x t 2 + I e x t 3 + I e x t 4

Selection of Pass Transistor

This pass transistor must be capable of withstanding the power (PQ) that can be deliver in the power supply output which is given by [4].
P Q = I e x t V o u t m a x
Where PQ is the power dissipated by individual transistors, Iext is the current flowing through individual transistor while Vout(max)is the regulator’s maximum output voltage. In this design, V o u t m a x = 31.25 V and Iext =2.5A for individual transistor. Therefore, maximum power dissipates by individual transistor is 78.125W.A 2SA1943 (TO-264) bipolar junction transistors were selected, it has the junction temperature (Tj) of 1500Cand maximum power dissipation of 150W at ambient temperature of 25 0C [8], therefore it is derated to dissipate 80W at junction temperature (Tj) of 92.300C. This value (80W) constitute about 53% of its maximum power capacity while the value (92.300C) is 61.53% of maximum junction temperature. Finally, an adequate heat sink should be used in order to dissipate the heat energy generated by the transistors.

Selection of External Capacitors C1, C2 & C3

Capacitor C1 is the input bypass capacitor which is recommended by manufacturer’s datasheet. Its value should be 0.1µF disc or 1µF solid tantalum on the input is suitable for almost all applications of LM317. The regulator is more sensitive to the absence of input bypassing when adjustment or output capacitors are used, but the above values will eliminate the possibility of problems. The adjustment terminal of LM317 can be bypassed to ground to improve ripple rejection using C2. This bypass capacitor prevents ripple from being amplified as the output voltage is increased. The value of C2 should not be greater than 10µF at frequencies above 120Hz, the voltage rating of this C2 must be greater than the regulator output voltage. In this design, 10µF, 50V electrolytic capacitor was selected.
Although, LM317 is stable with no output capacitor C3, like any feedback circuit, certain values of external capacitance can cause excessive ringing. This occurs with values between 500pF and 5000pF. A 1µF solid tantalum or 25µF aluminum electrolytic on the output swamps this effect and insures stability [5]. The voltage rating should be greater than the output voltage of the regulator. In this design, 25µF aluminum electrolytic, 50V was selected.

Protection Diode D1 and D2 Selection

When external capacitors are used with any IC regulator, it is sometimes necessary to add protection diodes in order to prevent the capacitors from discharging through low current points in to the regulator. When an output capacitor C3 is connected to a regulator and the input is shorted, the C3 will discharge into the output of the regulator. The discharge current depends on the value of C3, Vout and the rate of decrease of Vin. The diode D2 prevents the regulator from damage by discharge current from C3. In the other part, the bypass capacitor C2 on the adjustment terminal can discharge through a low current junction in the regulator. The discharge of C2 occurs when either the input or the output is shorted. To prevent the discharge current from destroying internal low current junction of the regulator, a diode D1 was used. The two 1N4002 diodes were used for D1 and D2 as recommended by the manufacturer’s datasheet [5].

Working Principle of the Designed Power Supply

Initially, when the a.c of 220V is applied to the transformer input it will produced in its output the r.m.s voltage of 36Va.c. This output voltage will pass across the bridge rectifier in which 1.4V drops through the two series diodes in the rectifier. The rectifier converts the a.c voltage to d.c voltage with some ripples voltage. Across the rectifier, is a filter capacitorthat minimize the ripples to some extents. Thereon,this low ripple dc voltage is connected across the input of voltage regulator through the external resistor Rext. Since the regulator input voltage is greater than the programmed output voltage by at least 3V, the regulator produces variable 30Vdc in the output. The variation of the voltage is determined by potentiometer resistor, the minimum voltage in the varying voltage is 1.25V while the maximum voltage is about 31Vdc.
If there is no load in the power supply output, only 5mA current flows through R1 and R2. This current is supplied through Rext which is capable of supplying up to 10mA through the regulator. If load is presence in the output, more current will be draw in the output. Any attempt of the load to consume current more than 5mA, a negative voltage about 1.5V will develop across Rext, the pass transistors turns on and conducts current through their emitters, hence collector current delivers in the regulator output. The maximum current allows to flow through the pass transistors is 10A which shares equally among the four pass transistors.

Result

This power supply is designed using appropriate physical equations which enables to determined individual components selection.The output voltage was physically calculated to be 31.25V, this voltage was determined by two series resistor R1 and R2, each with power dissipation capability of 0.25W. R1 was calculated to be 250Ω while R2 calculated to be 6kΩ, R2 resistor is a potentiometer which is responsible for output voltage variation, the variation of the voltage is between minimum to maximum, the minimum is 1.25V while 31.25V as maximum. On the other side, the maximum output current of this power supply is 10.0A, this current do not flow through the regulator but through the pass transistors shearing the 10A with each carrying the maximum of 2.5A.
The current shearing is responsible by the ballasting resistors Rbal with each calculated to be 0.6Ω with power dissipation capability of 5W.In this design, the only amount of current allows to flow through the regulator is not more than 10mA which is determined by external resistor Rext, this resistor was calculated to be 150Ω with power handling capacity of 0.25W. This current of 10mA was meant to enable the regulator to achieve its requirement of minimum load current Ireg for proper operation, the Ireg set in this design was 5mA which is determined by R1. The filter capacitor and step down transformer were selected to be 12,000µF and 36Vrms respectively. But the selection of bridge rectifier is based on expert recommendations not on physical equations.

Discussion

This power supply has been designed to produce a maximum output voltage of 30Vdc, but due to components selection particularly R1 and R2 it was calculated to be 31.25V. This gives an increment of 1.25V, but this value may not be exact when it comes for practical construction due to the tolerance in resistor values. Resistor selection is very vital in designing circuit, a very difficult task in this design is the potentiometer selection, it is hardly to have 6kΩ quarter watt POT, the most available in Nigerian markets are 10k, 50k, and 100k etc. To obtain 6kΩ POT, a 10k POT should be connect in parallel to 15k fixed resistor, this combination gives variable 6kΩ. Most of the available fixed resistors are 5% tolerance, therefore, in order to obtain accurate resistance value a lower tolerance value should be selected. In the situation whereby lower tolerance value resistors are not available, a series or parallel connection in order increase or decrease the resistance value should be employ. The same principle should be applied to capacitor selection.
For the current handling ability of the power supply, it is necessary to consider the transistor power handling capacity, all transistors must be derated below their maximum ratings(at most, 70% of the maximum power) for safety and reliability, also, all resistors must be able to adequately handle the power it dissipates. Another important aspect is the capacitor voltage rating, especially the electrolytic capacitors (filter) that have polarities. To my suggestion, a 50% voltage rating increment above the working voltage of the capacitor is adequate for component safety and reliability. While for C2 & C3, 15% voltage rating increment should be employed, as the voltage across these capacitors is a regulated, it does not fluctuates as that of unregulated voltage across the filter capacitor. Finally, when it comes for regulator voltage input, it must not be greater than 37V, this is to abide by the regulation of manufacturer’s datasheet, that, input to output voltage difference should not be greater than 37V, this means that, in this design when the output voltage is at its minimum value of 1.25V, this makes the input-output difference be 33.35V which is within the specified range but when the output is 30V the difference is 4.6V which also is within the required minimum voltage at the regulator’s input.
It is hardly to find it available in most of our schools laboratory, a variable power supply with high current handling capability. Higher variable voltage are available but with very few current handling capacity. With this design, it improves the current handling capacity and enables the utilization of LM317 at higher current without the need of heat sink. A vital aspect of power supply is over voltage and over current protection, although, in this design, no attempt was made to provide such protection. It is the author’s recommendation that any person interested in the implementation of this design should device a means for these protections.

Conclusion

In this design, an unregulated power supply circuit and the regulated power supply circuit has been designed and connected together to produced laboratory benchwork variable 1.25-30Vdc power supply with capacity of providing 10Amps in the output. This is achieved using appropriate physical equations step by step for components selection. Finally, the design is subject to modification as the physical equations provide customs selection of the components.

Conflicts of Interest

The authors declare no conflicts of interest.

References

  1. Brown M. (2001), power supply cookbook. 2nd edition, Newnes, www.newnespress.com. United states of America, pg 5-20.
  2. Wikipedia (2008), Transformer design. Retrieved on 11/07/2008 at www.wikipedia.org.
  3. Loo J.V & Parmenter K. (2019), Secrets Of The Datasheet: What Rectifier Specs Really Mean. Retrieved on 13/09/2023 at www.how2Power.com.
  4. Mehta V.K. and Mehta R. (2011), Principles of electronics, S. Chand and company, New Delhi, India, pg 102-444.
  5. Datasheet (2015), LM317-N electrical characteristics. Texas instruments, www.ti.com.
  6. Sedha R.S. (2013), A textbook of applied electronics, S. Chand and company, New Delhi, India, pg 560.
  7. On-semiconductor (2002), linear and switching voltage regulator handbook, on-semiconductor Company, pg 23-36. Retrieved on 18/04/2019 at www.onsemi.com.
  8. Datasheet (2009), 2SA1943/FJL4215 PNP Epitaxial Silicon Transistor. On semiconductor, www.onsemiconductor.com.
  9. Sa’ad M.A., Muhammad I. and Kutama H.A. (2018). Dual input-output variable dc power supply, International Journal of Advance Academic Research. Vol. 4, Issue 6. Pg 80-94.
  10. Akinpelu A., Usikalu M. R. & Onumejor C. A.(2020),Construction of High Precision AC-DC Power Supply.International Journal of Recent Technology and Engineering. Vol. 8, Issue 6. Pg 2049-2051.
Figure 1. Block diagram of regulated variable 30vdc power supply.
Figure 1. Block diagram of regulated variable 30vdc power supply.
Preprints 114757 g001
Figure 3. LM317 voltage regulator with bye-pass transistor.
Figure 3. LM317 voltage regulator with bye-pass transistor.
Preprints 114757 g003
Disclaimer/Publisher’s Note: The statements, opinions and data contained in all publications are solely those of the individual author(s) and contributor(s) and not of MDPI and/or the editor(s). MDPI and/or the editor(s) disclaim responsibility for any injury to people or property resulting from any ideas, methods, instructions or products referred to in the content.
Copyright: This open access article is published under a Creative Commons CC BY 4.0 license, which permit the free download, distribution, and reuse, provided that the author and preprint are cited in any reuse.
Prerpints.org logo

Preprints.org is a free preprint server supported by MDPI in Basel, Switzerland.

Subscribe

Disclaimer

Terms of Use

Privacy Policy

Privacy Settings

© 2026 MDPI (Basel, Switzerland) unless otherwise stated