Submitted:
15 July 2024
Posted:
16 July 2024
You are already at the latest version
Abstract
Keywords:
1. Introduction
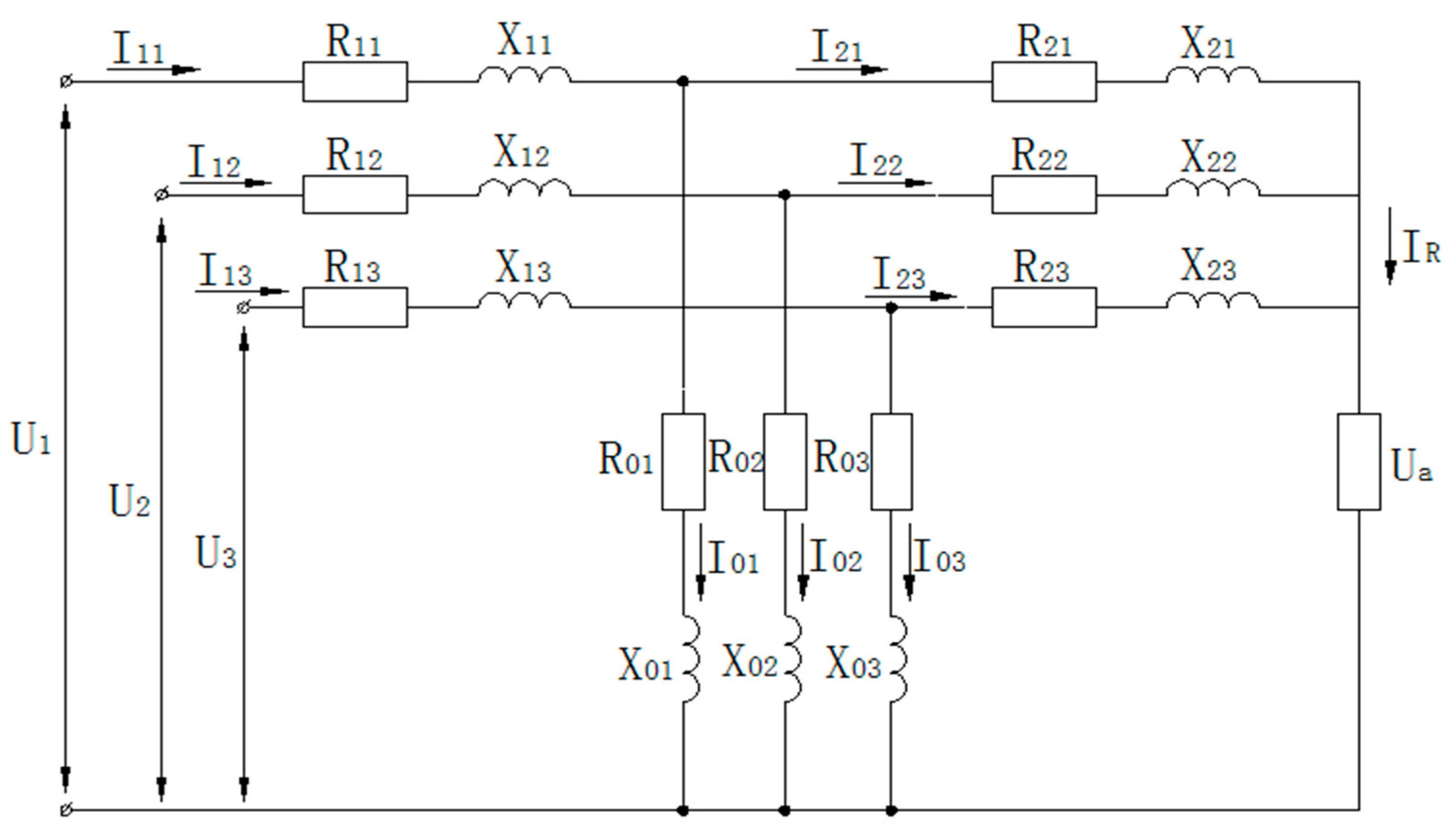
2. Materials and Methods
- -
- the parameters of the system engines are identical;
- -
- the magnetic field along the circumference of the air gap of each engine is distributed evenly, only the main harmonic field is taken into account;
- -
- losses in the steel of the stator and rotor are not taken into account, the magnetic circuits of the motors are unsaturated;
- -
- voltage applied to the stator windings, symmetrical three-phase;
- -
- superposition principle is used to determine currents and torques;
- -
- the resistance of the connecting cables is not taken into account;
- -
- in the study of stability, deviations “in the small” are taken into account.
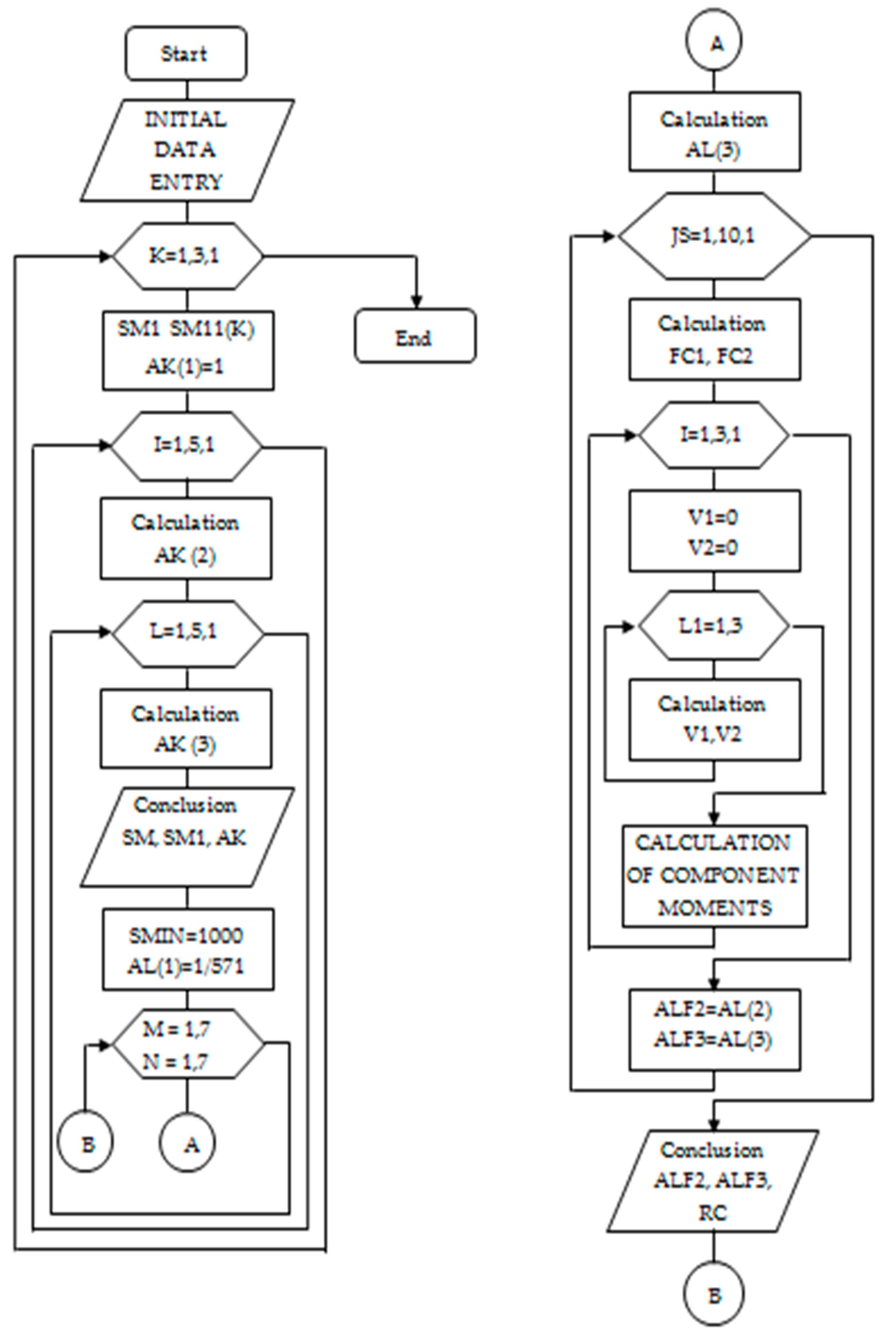
3. Algorithm for Calculating the Electromechanical Ratio of a Multi-Motor Asynchronous Electric Drive
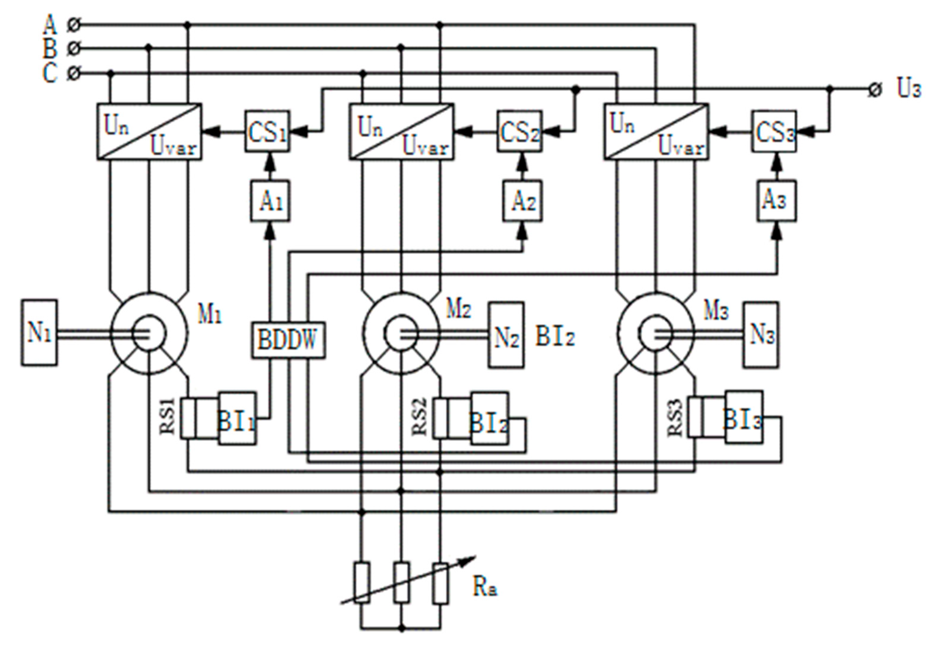
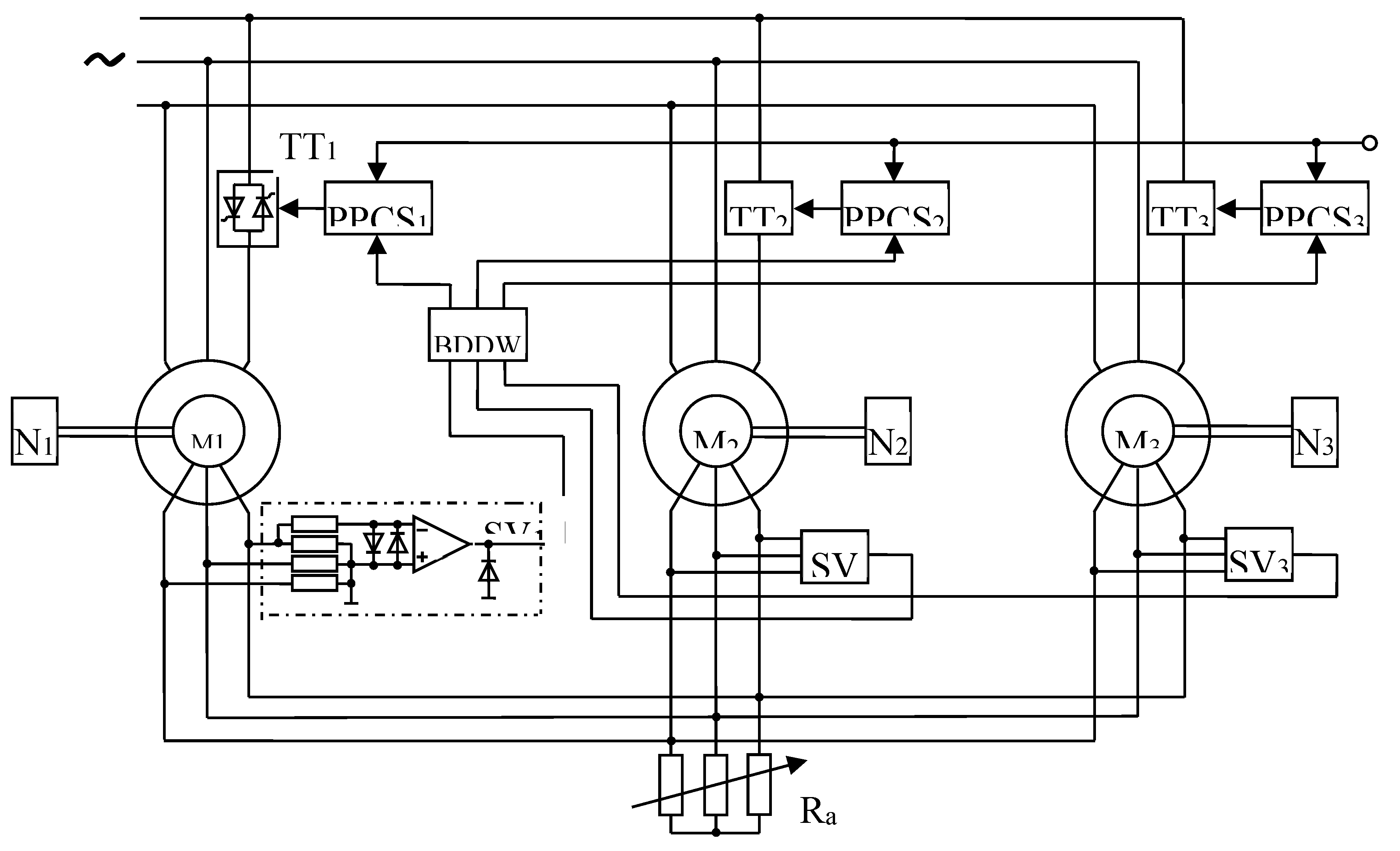
4. Development of an Adjustable Multi-Motor Asynchronous Electric Drive
5. Conclusions
Author Contributions
Funding
Data Availability Statement
Acknowledgments
Conflicts of Interest
References
- Zanasi, R.; Azzone, G. Field oriented control of a multi-phase asynchronous motor with harmonic injection. IFAC Proceedings Volumes 2011, 44(1), 6160-6165. [CrossRef]
- Levi, E.; Bojoi, R.; Profumo, F.; Toliyat, H.A.; Williamson, S. Multiphase induction motor drives – a technology status review. IET Electric Power Applications 2007, 1(4), 489-516. [CrossRef]
- Xu, H.Sh.; Toliyat, H.A.; Petersen, L.J. Rotor field oriented control of five-phase induction motor with the combined fundamental and third harmonic currents. Proc. IEEE APEC 2001, 1, 392-398. [CrossRef]
- Kong, W.K.; Wang, J.X.; Kong, D.; Cong,Y.Y.; Feng, Sh. Sh. Motor shifting and torque distribution control of a multi-motor driving system in electric construction vehicles. Advances in Mechanical Engineering 2021, 13(6), 1-11. [CrossRef]
- Shu R, Wei J, Tan R; et al. Investigation of dynamic and synchronization properties of a multi-motor driving system: Theoretical analysis and experiment. Mechanical Systems and Signal Processing 2021, 153(6), 107496, 1-18.
- Xie, Z.; Shu, R.; Huang, J.; Fu, B.; Zou, Z.; Tan, R. Dynamic response and synchronizing characteristic for the dual-motor driving system in non-inertial system. Machines 2022, 10, 620. [CrossRef]
- Khamudkhanov, M.; Sapaev, B.; Umarov, B. Multi-motor drive with common inverter for pumping unites. IOP Conference Series Materials Science and Engineering 2020, 862(6), 1-9, 062035. [CrossRef]
- Aisayev, Y.; Tergemes, K.; Zhauyt, A.; Sheryazov, S.; Bakenov, K. The Impact of Replacing Synchronous Generators with Renewable-Energy Technologies on the Transient Stability of the Mangystau Power System: An Introduction to Flexible Automatic Dosage of Exposures. Energies 2024, 17, 2314. [CrossRef]
- Semykina, I.; Zavyalov, V.; Glazko, M. Gradient control of multi-motor asynchronous electric drive. Bulletin of Tomsk Polytechnic University 2009, 315(4), 65-69.
- Kuric, I.; Nikitin, Y.; Sága, M.; Tlach, V.; Bannikov, A. Development of Electric Drive on the Basis of Five-Phase Synchronous Electric Motor. Electronics 2022, 11, 2680. [CrossRef]
- Odnokopylov, I.; Dementev, Y.; Usachev, I.; Lyapunov, D.; Petrusev, A. Load balancing of two-motor asynchronous electric drive. International Siberian Conference on Control and Communications (SIBCON) 2015, 1-4. [CrossRef]
- Shi, T.; Liu, H.; Geng, Q.; Xia, C. Improved relative coupling control structure for multi-motor speed synchronous driving system. IET Electr. Power Appl. 2016, 10, 451–457.
- Wei, J.; Shu, R.; Qin, D.; Lim, T.C.; Zhang, A.; Meng, F. Study of synchronization characteristics of a multi-source driving transmission system under an impact load. Int. J. Precis. Eng. Manuf. 2016, 17, 1157–1174.
- Xiong, H.; Zhang, M.; Zhang, R.; Zhu, X.; Yang, L.; Guo, X.; Cai, B. A new synchronous control method for dual motor electric vehicle based on cognitive-inspired and intelligent interaction. Future Gener. Comput. Syst. 2019, 94, 536–548.
- Lv, Y.; Ren, X.; Na, J. Online Nash-optimization tracking control of multi-motor driven load system with simplified RL scheme. ISA Transactions 2020, 98, 251–262. [CrossRef]
- Wang, M.L.; Ren, X.M.; Chen, Q.; Wang, Sh.B.; Gao, X.H. Modified dynamic surface approach with bias torque for multi-motor servomechanism. Control Engineering Practice 2016, 50, 57-68. [CrossRef]
- Yang, Y.; Mi, Y.; Qin, D.; Yuan, A.; Li, G. Analysis of the characteristics of electromechanical-hydraulic model of multi-source drive/transmission system based on periodic excitation. Advances in Mechanical Engineering 2019, 11, 1–15. [CrossRef]
- Feng, X.; Zhuo, Q.; Liu, X.; Qian, Y.; Li, Y. Development of multi-motor synchronous control system based on network-on-chip. Proceedings of the Institution of Mechanical Engineers Part I Journal of Systems and Control Engineering 2020, 234, 1000–1010. [CrossRef]
- Ruan, J.; Song, Q. A novel dual-motor two-speed direct drive battery electric vehicle drivetrain. IEEE Access 2019, 7, 54330–54342. [CrossRef]
- Fang, P.; Wang, Y.; Zou, M.; Zhang, Zh. Combined control strategy for synchronization control in multi-motor-pendulum vibration system. Journal of Vibration and Control 2021, 28(5). [CrossRef]







Disclaimer/Publisher’s Note: The statements, opinions and data contained in all publications are solely those of the individual author(s) and contributor(s) and not of MDPI and/or the editor(s). MDPI and/or the editor(s) disclaim responsibility for any injury to people or property resulting from any ideas, methods, instructions or products referred to in the content. |
© 2024 by the authors. Licensee MDPI, Basel, Switzerland. This article is an open access article distributed under the terms and conditions of the Creative Commons Attribution (CC BY) license (http://creativecommons.org/licenses/by/4.0/).