Submitted:
22 April 2024
Posted:
23 April 2024
You are already at the latest version
Abstract
Keywords:
1. Introduction
2. FSM Control System
2.1. Dynamic Characteristics of Piezoelectric (PZT) Actuator
2.1. Tip-Tilt Controller of FSM Control System
3. Disturbance-Rejection Control Algorithm for FSM System
3.1. IMP-Based Controller
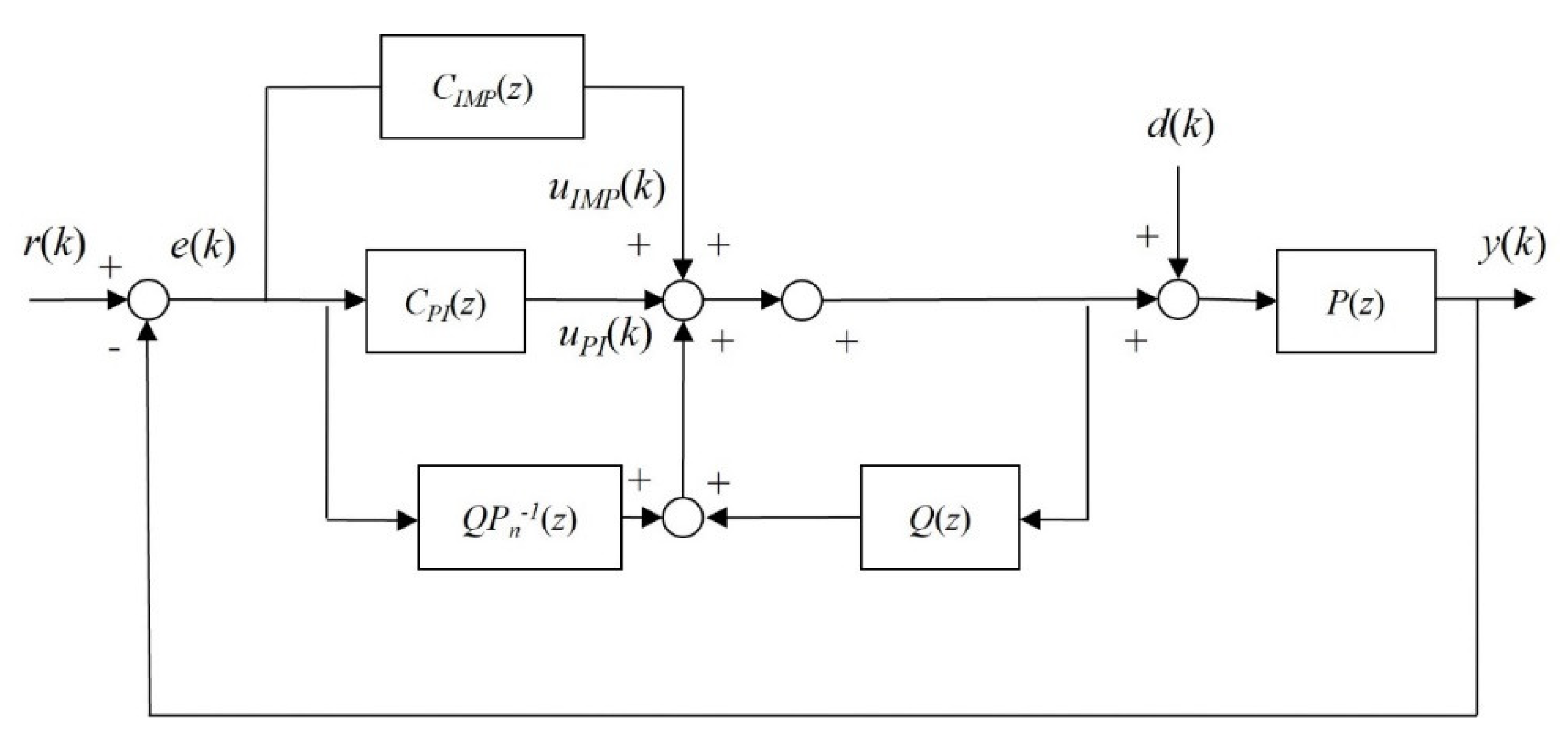
3.2. IMP-Based Controller with DOB
4. Experimental Results of DOB-Based FSM Control System
4. Conclusions
Acknowledgments:
Conflicts of Interest
References
- Sun, C.; Ding, Y.; Wang, D.; Tian, D. Backscanning step and stare imaging system with high frame rate and wide coverage. Appl. Opt. 2015, 54, 4960–4965. [Google Scholar] [CrossRef] [PubMed]
- Chen, N.; Potsaid, B.; Wen, J.T.; Barry, S.; Cable, A. Modeling and control of a fast steering mirror in imaging applications. In Proceedings of the IEEE International Conference on Automation Science and Engineering (CASE 2010); 2010; pp. 27–32. [Google Scholar]
- Park J H, Lee H S, Lee J H, et al. “Design of a piezoelectric-driven tilt mirror for a fast laser scanner,” JAP. 2012, 51(9S2): 09MD14.
- Liu, W.; Yao, K.; Huang, D.; Lin, X.; Wang, L.; Lv, Y. Performance evaluation of coherent free space optical communications with a double-stage fast-steering-mirror adaptive optics system depending on the Greenwood frequency. Opt. Express 2016, 24, 13288–302. [Google Scholar] [CrossRef] [PubMed]
- Wang C, Hu L, Xu H, et al. “Wavefront detection method of a single-sensor based adaptive optics system,” Opt. Exp. 2015, 23, 21403–21414.
- Pan J W, Chu J, Zhuang S, et al. “A new method for incoherent combining of far-field laser beams based on multiple faculae recognition,” In: Proc. SPIE 10710, Young Scientists Forum. 2017, 1071034.
- Loney G L, “Design of a small-aperture steering mirror for high-bandwidth acquisition and tracking,” Opt. Eng. 1990, 29, 1360–1365.
- Merritt, P.H.; Albertine, J.R. Beam control for high-energy laser devices. Opt. Eng. 2013, 52, 021005–1. [Google Scholar] [CrossRef]
- Perram, G.P.; Marciniak, M.A.; Goda, M. High-energy laser weapons: technology overview. In Defense and Security. In Proceedings of the SPIE 5414, Laser Technologies for Defense and Security; 2004; pp. 1–25. [Google Scholar]
- Ghai D P, Venkatesh A, Swami H R, Kumar A, “Large aperture, tip tilt mirror for beam jitter correction in high power lasers”. Defense Sci. J. 2013, 63, 606–610. [CrossRef]
- Kluk, D.J.; Boulet, M.T.; Trumper, D.L. A high-bandwidth, high-precision, two-axis steering mirror with moving iron actuator. Mechatronics 2012, 22, 257–270. [Google Scholar] [CrossRef]
- Nam B U, Gimm H I, Kang D W, et al. “Design and analysis of a tip-tilt guide mechanism for the fast steering of a large-scale mirror,” Opt. Eng. 2016, 55, 106120.
- Nam B U, Gimm H I, Kim J G, et al. “Development of a fast steering mirror of large diameter,” In: Proc. SPIE. 2017, 10249, 102490R.
- Gu G Y, Zhu L M, Su CY, et al. , “Modeling and control of piezo-actuated nanopositioning stages: A survey,” IEEE Trans. Auomation Sci. Eng. 2016, 13, 313–332.
- Ling, J.; Feng, Z.; Ming, M.; Xiao, X. Damping controller design for nanopositioners: A hybrid reference model matching and virtual reference feedback tuning approach. Int. J. Precis. Eng. Manuf. 2018, 19, 13–22. [Google Scholar] [CrossRef]
- Wadikhaye, S.P.; Yong, Y.K.; Bhikkaji, B.; Moheimani, S.O.R. Control of a piezoelectrically actuated high-speed serial-kinematic AFM nanopositioner. Smart Mater. Struct. 2014, 23, 025030. [Google Scholar] [CrossRef]
- Clayton, G.M.; Tien, S.; Leang, K.K.; Zou, Q.; Devasia, S. A Review of Feedforward Control Approaches in Nanopositioning for High-Speed SPM. J. Dyn. Syst. Meas. Control. 2009, 131, 061101. [Google Scholar] [CrossRef]
- McEver, M.A.; Cole, D.G.; Clark, R.L. Adaptive feedback control of optical jitter using Q-parameterization. Opt. Eng. 2004, 43, 904–910. [Google Scholar] [CrossRef]
- Wang G, Chen G, Bai F, “High-speed and precision control of a piezoelectric positioner with hysteresis, resonance and disturbance compensation,” Microsyst. Technol. 2016, 22, 2499–2509.
- Schitter, G.; Thurner, P.J.; Hansma, P.K. Design and input-shaping control of a novel scanner for high-speed atomic force microscopy. Mechatronics 2008, 18, 282–288. [Google Scholar] [CrossRef]

















| Specification | Value |
|---|---|
| Resonance frequency | 450.2 Hz |
| 5 Hz sensitivity | 168.3 µrad /V |
| Gain of voltage amplifier | 10 V/V |
| Gain of sensor amplifier | 0.0059 V/ µrad |
| Specification | PI controller |
IMP (60 Hz) |
IMP (65 Hz) |
IMP (71 Hz) |
IMP (60/65 Hz) |
IMP (60/71 Hz) |
|
|---|---|---|---|---|---|---|---|
| Only IMP |
Control error (μrad rms) |
7.97 | 7.43 | 7.17 | 6.05 | 6.00 | 5.41 |
| Specification | PI controller |
IMP (60 Hz) |
IMP (65 Hz) |
IMP (71 Hz) |
IMP (60/65 Hz) |
IMP (60/71 Hz) |
|
|---|---|---|---|---|---|---|---|
| Only IMP |
Control error (μrad rms) |
7.97 | 7.43 | 7.17 | 6.05 | 6.00 | 5.41 |
|
Q20 filter (15 Hz) |
6.96 | 6.75 | 5.73 | 5.51 | 5.21 | ||
|
Q20 filter (30 Hz) |
6.76 | 6.57 | 5.51 | 5.57 | 5.06 | ||
|
Q30 filter (15 Hz) |
6.49 | 6.28 | 5.36 | 5.04 | 4.82 | ||
|
Q30 filter (30 Hz) |
6.18 | 6.05 | 5.24 | 5.12 | 4.84 | ||
Disclaimer/Publisher’s Note: The statements, opinions and data contained in all publications are solely those of the individual author(s) and contributor(s) and not of MDPI and/or the editor(s). MDPI and/or the editor(s) disclaim responsibility for any injury to people or property resulting from any ideas, methods, instructions or products referred to in the content. |
© 2024 by the authors. Licensee MDPI, Basel, Switzerland. This article is an open access article distributed under the terms and conditions of the Creative Commons Attribution (CC BY) license (http://creativecommons.org/licenses/by/4.0/).