Submitted:
21 February 2024
Posted:
22 February 2024
You are already at the latest version
Abstract
Keywords:
1. Introduction
2. Materials and Methods
2.1. Pump operation cycle
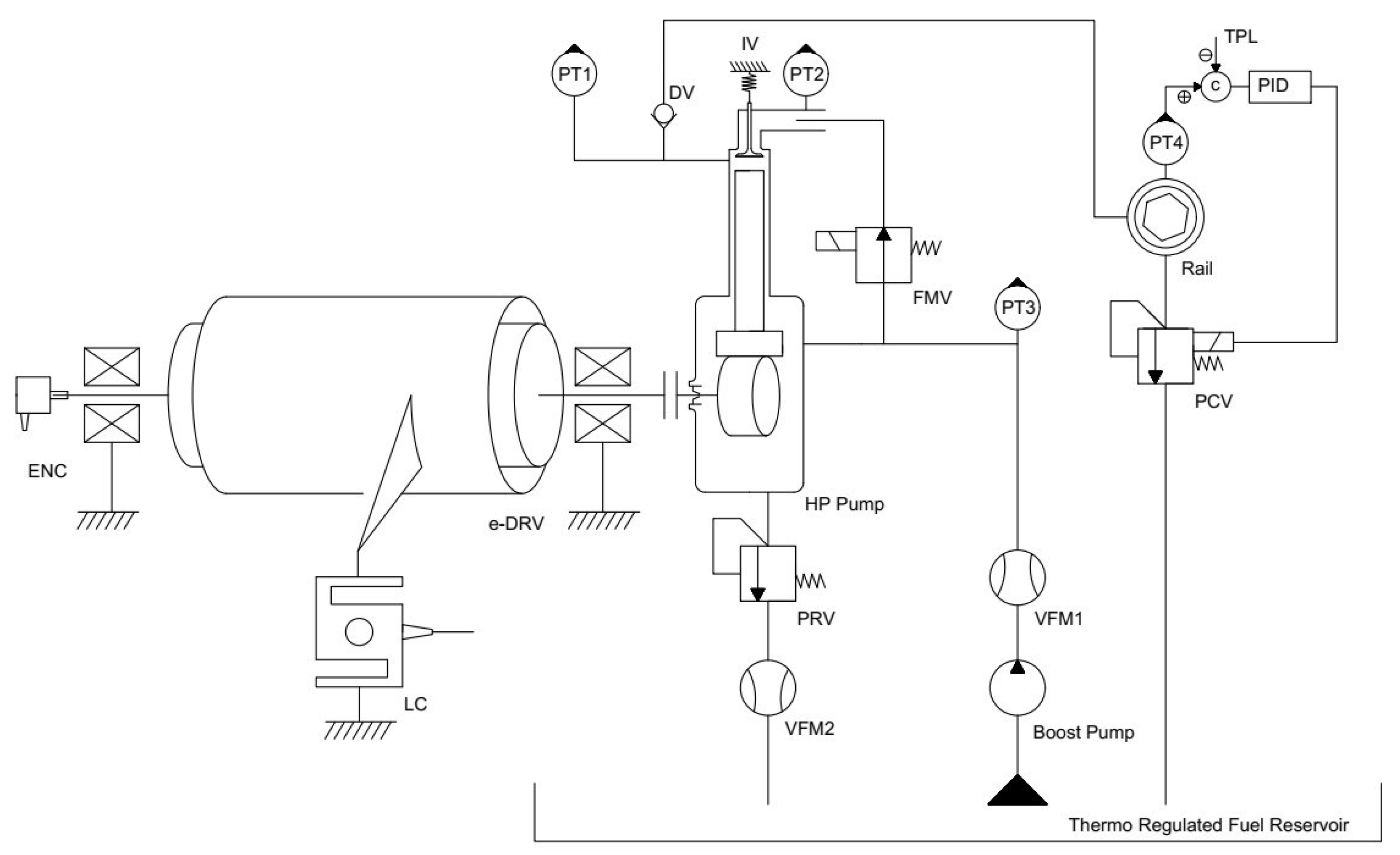
2.2. Experimental Set-Up
2.2. Tested Fluids
2.3. Test Cases
3. Results and Discussion
5. Conclusions
References
- Hua, Y. Research progress of higher alcohols as alternative fuels for compression ignition engines. Fuel 2024, 357. [Google Scholar] [CrossRef]
- Yadav, J.; Deppenkemper, K.; Pischinger, S. Impact of renewable fuels on heavy-duty engine performance and emissions. Energy Reports 2023, 9, 1977–1989. [Google Scholar] [CrossRef]
- Betgeri, V.; Bhardwaj, O.P.; Pischinger, S. Investigation of the drop-in capabilities of a renewable 1-Octanol based E-fuel for heavy-duty engine applications. Energy 2023, 282. [Google Scholar] [CrossRef]
- Khan, M.Z.A.; Khan, H.A.; Ravi, S.S.; Turner, J.W.; Aziz, M. Potential of clean liquid fuels in decarbonizing transportation – An overlooked net- zero pathway? Renewable and Sustainable Energy Reviews 2023, 183. [Google Scholar] [CrossRef]
- Chiatti, G.; Chiavola, O.; Recco, E.; Palmieri, F. Soot Particles Experimental Characterization during Cold Start of a Micro Car Engine. Proceedings of the Energy Procedia 2016, 662–669. [Google Scholar] [CrossRef]
- Pochi, D.; Fanigliulo, R.; Grilli, R.; Fornaciari, L.; Bisaglia, C.; Cutini, M.; Brambilla, M.; Sagliano, A.; Capuzzi, L.; Palmieri, F.; et al. Design and Assessment of a Test Rig for Hydrodynamic Tests on Hydraulic Fluids. Lecture Notes in Civil Engineering 2020, 67, 419–429. [Google Scholar] [CrossRef]
- Sonthalia, A.; Kumar, N. Hydroprocessed vegetable oil as a fuel for transportation sector: A review. Journal of the Energy Institute 2019, 92, 1–17. [Google Scholar] [CrossRef]
- da Costa, R.B.R.; Coronado, C.J.R.; Hernández, J.J.; Malaquias, A.C.T.; Flores, L.F.V.; de Carvalho, J.A. Experimental assessment of power generation using a compression ignition engine fueled by farnesane – A renewable diesel from sugarcane. Energy 2021, 233. [Google Scholar] [CrossRef]
- Chiavola, O.; Palmieri, F. On a Modified VCO Nozzle Layout for Diesel Common Rail Injectors under Actual Needle Displacement. Proceedings of the Energy Procedia 2017, 1027–1034. [Google Scholar] [CrossRef]
- Jin, T.; Wang, C.; Moro, A.; Roell, A.; Wu, X.; Luo, F. The influence of needle eccentric motion on injection and spray characteristics of a two-layered eight-hole diesel injector. Proceedings of the Institution of Mechanical Engineers, Part D: Journal of Automobile Engineering 2023. [Google Scholar] [CrossRef]
- Cavallo, D.M.; Chiavola, O.; Frattini, E.; Palmieri, F. On the Modeling of Single-Piston CR Pump. In Proceedings of the SAE Technical Papers; 2022. [Google Scholar]
- Cavallo, M.; Frattini, E.; Palmieri, F. Fuel Influence on Single-Piston Common Rail Pump Performance. In Proceedings of the SAE Technical Papers; 2021. [Google Scholar]
- Trzaska, J.; Hernández, J.J.; Boehman, A.L. The effect of 1-octanol blending on the multi-stage autoignition of conventional diesel and HVO fuels. Fuel 2023, 354. [Google Scholar] [CrossRef]
- Preuß, J.; Munch, K.; Denbratt, I. Performance and emissions of renewable blends with OME3-5 and HVO in heavy duty and light duty compression ignition engines. Fuel 2021, 303. [Google Scholar] [CrossRef]
- Chiavola, O.; Frattini, E.; Lancione, S.; Palmieri, F. Operation Cycle of Diesel CR Injection Pump via Pressure Measurement in Piston Working Chamber. Energies 2021, 14, 5385. [Google Scholar] [CrossRef]
- Bosch, R. Automotive Handbook, 10th ed.; Wiley, Ed.; 2019; p. 1750. [Google Scholar]
- Payri, R.; Salvador, F.J.; Gimeno, J.; Bracho, G. The effect of temperature and pressure on thermodynamic properties of diesel and biodiesel fuels. Fuel 2011, 90, 1172–1180. [Google Scholar] [CrossRef]
- Lapuerta, M.; Agudelo, J.R.; Prorok, M.; Boehman, A.L. Bulk modulus of compressibility of diesel/biodiesel/HVO blends. Energy and Fuels 2012, 26, 1336–1343. [Google Scholar] [CrossRef]
- Kim, T.; Boehman, A.L. Experimental Measurement of the Isothermal Bulk Modulus of Compressibility and Speed of Sound of Conventional and Alternative Jet Fuels. Energy and Fuels 2021, 35, 13813–13829. [Google Scholar] [CrossRef]






| Pump Specification | |
| Pump model | Bosch - CP4.1 |
| Layout | Single plunger, 2-stroke per shaft revolution |
| Nominal max pressure | 1800 bar |
| Typical speed range | 900–4200 rpm |
| Nominal pump displacement | 427.4 mm3/rev |
| Dead volume | 75 mm3 |
| Piston diameter | 6.48 mm |
| Piston stroke | 6.48 mm |
| Flow Rate Measurement | |||
| Denomination | Sensor | Range (l/min) | Acquisition |
| VFM1 | VSE VSI 0.1 | 0.01-10 | NI PXIe 6341 |
| VFM2 | |||
| Pressure Measurement | |||
| Denomination | Sensor | Range (bar) | Conditioning |
| PT1 | Kistler 4067 | 0–3000 | Kistler 4618 |
| PT2 | Kistler 4005 | 0–5 | Kistler 4618 |
| PT3 | AEP-TP16 | 0–20 | NI 4330 PXIe |
| PT4 | Kistler 4067 | 0–2000 | Kistler 4618 |
| Injection pump drive system | |||
| Component | Description | ||
| Electric drive | Asynchronous motor and frequency converter | ||
| Encoder | Quadrature encoder | 1800 pp/rev | |
| DAQ System | |||
| Component | Description and Specification | ||
| DAQ Chassis | National Instruments PXIe 1088 | ||
| Strain/Bridge module | National Instruments PXIe 4330, 8 channel 24-bit, Strain/Bridge input module | ||
| IO module | National Instruments PXIe 6341, multi-channel Analog-Digital Input, Counter-500 kS/s | ||
| Pump Speed | |||
|---|---|---|---|
| 3000 RPM | 1500 RPM | ||
| Rail Pressure | |||
| Low Pressure (L) | Medium Pressure (M) | High Pressure (H) | |
| 750 bar | 1200 bar | 1500 bar | |
Disclaimer/Publisher’s Note: The statements, opinions and data contained in all publications are solely those of the individual author(s) and contributor(s) and not of MDPI and/or the editor(s). MDPI and/or the editor(s) disclaim responsibility for any injury to people or property resulting from any ideas, methods, instructions or products referred to in the content. |
© 2024 by the authors. Licensee MDPI, Basel, Switzerland. This article is an open access article distributed under the terms and conditions of the Creative Commons Attribution (CC BY) license (http://creativecommons.org/licenses/by/4.0/).