Submitted:
04 January 2024
Posted:
05 January 2024
You are already at the latest version
Abstract
Keywords:
1. Introduction
2. Nonlinear IM Model for Vector Control
3. Cascade control structure design of IM
3.1. Inner loop design
3.1.1. Decoupling algorithm
3.1.2. Constraint formulation
3.1.3. MPCC controller design
3.2. Outer loop design
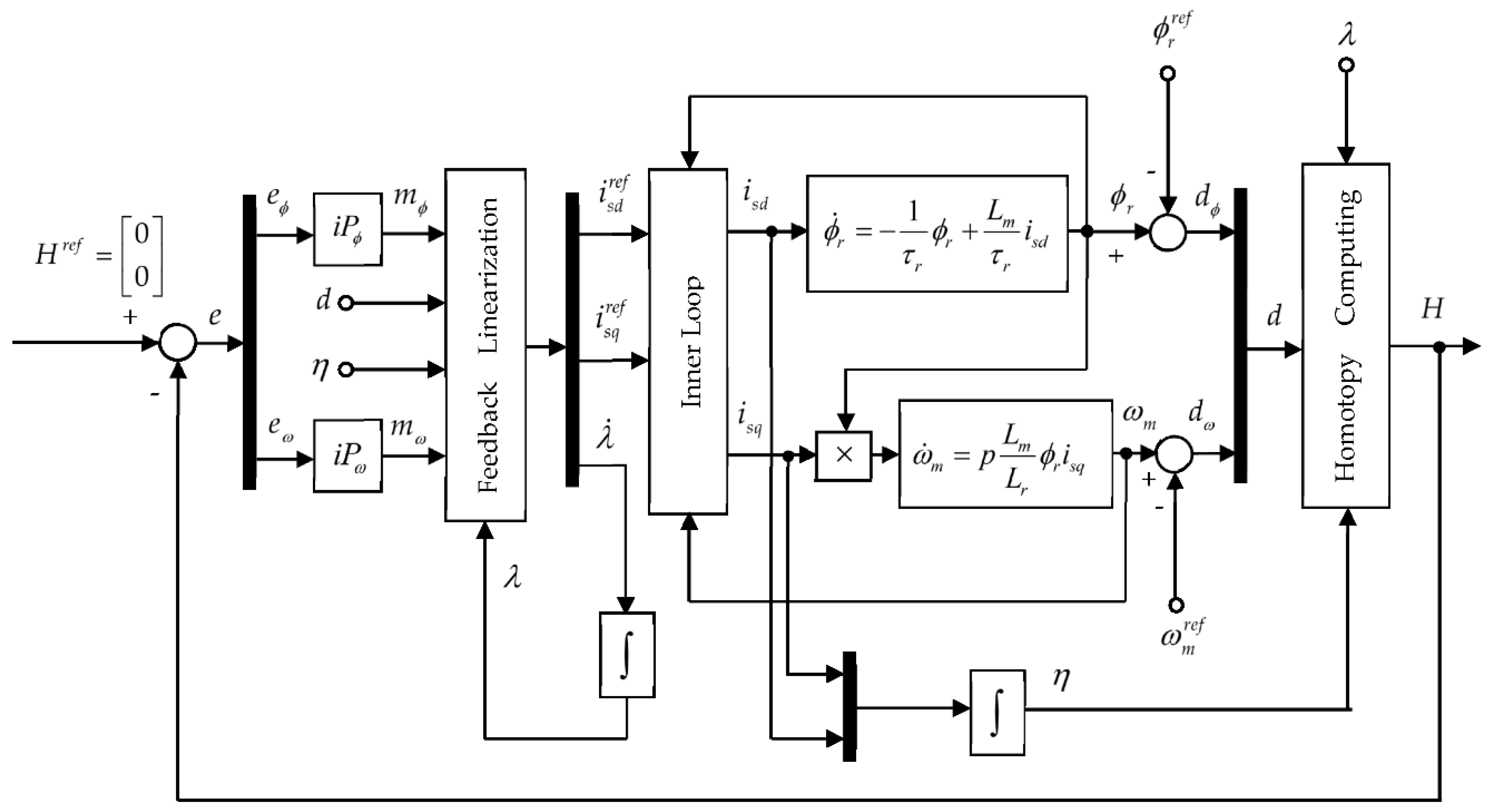
3.2.1. Homotopy-based feedback linearization
3.2.2. Model free iP controller design
4. Case Study
5. Conclusions
Author Contributions
Funding
Data Availability Statement
Conflicts of Interest
References
- Leonhard, W. Control of electrical drives, 2nd ed.; Springer-Verlag: Berlin, Germany, 1996. [Google Scholar]
- Bose, B. K. Power electronics and motor drives advances and trends. Elsevier - Academic Press: California, USA, 2006.
- Wang, L.; Chai, S.; Yoo, D.; Gan, L.; Ng, K. PID and predictive control of electrical drives and power converters, Wiley: New York, USA, 2015.
- Borisevich, A.; Schullerus, G. Parameter homotopy continuation for feedback linearization of non-regular control-affine nonlinear systems. Int. J. Appl. Math. 2015, 28, 253–273. [Google Scholar] [CrossRef]
- Ahmed, A. A.; Koh, B. K.; Lee, Y. I. I. A Comparison of finite control set and continuous control set model predictive control schemes for speed control of induction motors. IEEE Trans Ind. Informat. 2018, 14, 1334–1346. [Google Scholar] [CrossRef]
- Garcia, C.; Rodriguez, J.; Silva, C.; Rojas, C.; Zanchetta, P.; Abu-Rub, H. Full predictive cascaded speed and current control of an induction machine. IEEE Trans. Power Electron. 2016; 31, 1059–1067. [Google Scholar]
- Hu, Z.; Hameyer, K. A method of constraint handling for speed-controlled induction machines. IEEE Trans. Ind. Electron. 2016, 63, 4061–4072. [Google Scholar] [CrossRef]
- Shiravani, F.; Alkorta, P.; Cortajarena, J. A.; Barambones, O. An improved predictive current control for IM drives. Ain Shams Eng. J. 2023, 14, 102037. [Google Scholar] [CrossRef]
- Bašic, M.; Vukadinovic, D.; Grgic, I. Model predictive current control of an induction motor considering iron core losses and saturation. Processes 2023, 11, 2917. [Google Scholar] [CrossRef]
- Alkorta, P.; Cortajarena, J. A.; Barambones, O.; Maseda F., J. Effective generalized predictive control of induction motor, ISA Trans. 2020, 103, 295–305.
- Fekih, A.; Chowdhury, N. On Nonlinear Control of Induction Motors: Comparison of Two Approaches. In Proceedings of the 2004 American Control Conference, Boston, MA, USA, 30 June 02 July 2004; pp. 1135–1140. [Google Scholar]
- Bodson, M.; Chiasson, J. Differential-geometric methods for control of electric motors. Int. Journal of Robust and Nonlinear Control 1998, 8, 923–954. [Google Scholar] [CrossRef]
- Borisevich, A.; Schullerus, G. Switching strategy based on homotopy continuation for non-regular affine systems with application in induction motor control, 2012, arXiv preprint.
- Chiasson, J. A new approach to dynamic feedback linearization control of an induction motor. IEEE Trans. Autom. Control 1998, 43, 391–397. [Google Scholar] [CrossRef]
- Boukas, T. K.; Habetler, T. G. High performance induction motor speed control using exact feedback linearization with state and state derivative feedback. IEEE Trans. Power Electron, 2004; 19, 1022–1028. [Google Scholar]
- Gastaldini, C.C.; Grundling, H.A. Speed-Sensorless Induction Motor Control with Torque Compensation. In Proceedings of the 2009 13th European Conference on Power Electronics and Applications, Barcelona, Spain, 8-10 September 2009; pp. 1–8. [Google Scholar]
- Dendouga, A. Feedback linearization associated to a sliding mode controller for an operating with unity power factor of induction motor fed by matrix converter. SN Appl. Sci. 2020, 2, 879. [Google Scholar] [CrossRef]
- Lepka, J.; Stekl, P. 3-Phase AC induction motor vector control using a 56F80x, 56F8100 or 56F8300 device. Design of motor control application. Freescale Semiconductor Application Note, 2005.
- Bemporad, A. Model Predictive Control Design: New Trends and Tools. In Proceedings of the 45th IEEE Conference on Decision & Control, San Diego,USA, 13-15 December 2006; pp. 6678–6683. [Google Scholar]
- Bemporad, A.; Morari, M.; Dua, V.; Pistikopoulos, E. The explicit linear quadratic regulator for constrained systems. Automatica 2002, 38, 3–20. [Google Scholar] [CrossRef]
- Bemporad, A.; Morari, M.; Ricker, N.L. Model predictive control toolbox for Matlab – user’s guide. The Mathworks, Inc., 2023. Available online: https://www.mathworks.com/help/pdf_doc/mpc/mpc_ug.pdf (accessed on 28 November 2023).
- Fliess, M.; Join, C. Model free control. Int. J. Control 2013, 86, 2228–2252. [Google Scholar] [CrossRef]
- Join, C.; Fliess, M.; Chaxel, F. Model-Free Control as a Service in the Industrial Internet of Things: Packet loss and latency issues via preliminary experiments. In Proceedings of the 28th Mediterranean Conference on Control and Automation (MED2020), Saint-Raphaël, France, 16–18 September 2020; pp. 299–306. [Google Scholar]
- Baciu, A.; Lazar, C. Iterative feedback tuning of model-free intelligent PID controllers. Actuators 2022, 12, 56. [Google Scholar] [CrossRef]
- Baciu, A.; Lazar, C. Model Free Speed Control of Spark Ignition Engines. In Proceedings of the 23rd International Conference on System Theory, Control and Computing (ICSTCC), Sinaia, Romania, 9–11 October 2019; pp. 480–485. [Google Scholar]
- Astrom, K. J.; Wittenmark, B. Computer-controlled systems: theory and design, 3rd ed.; Prentice Hall: New Jersey, USA, 1997. [Google Scholar]
- Wittenmark, B. ; Årzén, K-E.; Åström, K. J. Computer Control: An Overview. IFAC Professional Brief 2002, International Federation of Automatic Control.










| Symbol | Description | Value [unit] |
|---|---|---|
| Nominal power | 4000 [W] | |
| Nominal speed | 154.9 [rad/sec] | |
| Nominal voltage (phase to phase/phase) | 400/230 [V] | |
| Nominal current | 9.36 [A] | |
| Nominal rotor flux | 0.94 [Wb] | |
| Nominal electromagnetic torque | 25.08 [Nm] | |
| Stator resistence | 1.2 [Ω] | |
| Rotor resistence | 0.873[Ω] | |
| Stator self-inductance | 0.195 [H] | |
| Rotor self-inductance | 0.195 [H] | |
| Mutual inductance | 0.175 [H] | |
| Rotor inertia | 0.013 [kg∙m2] | |
| Number of pole pairs | 2 |
| Weights | Horizons | Violation multipliers | |||
|---|---|---|---|---|---|
| Symbol | Value | Symbol | Value | Symbol | Value |
| /0.5 | |||||
| Control law | Performance | ||||
|---|---|---|---|---|---|
| Inner Loop | Outer Loop | ||||
| PI | PI | 0.0376 | 0.1381 | 0.0138 | 3.5768 |
| MPCC | iP | 0.0103 | 0.0009 | 0.0129 | 2.7723 |
Disclaimer/Publisher’s Note: The statements, opinions and data contained in all publications are solely those of the individual author(s) and contributor(s) and not of MDPI and/or the editor(s). MDPI and/or the editor(s) disclaim responsibility for any injury to people or property resulting from any ideas, methods, instructions or products referred to in the content. |
© 2024 by the authors. Licensee MDPI, Basel, Switzerland. This article is an open access article distributed under the terms and conditions of the Creative Commons Attribution (CC BY) license (http://creativecommons.org/licenses/by/4.0/).