Submitted:
18 April 2023
Posted:
20 April 2023
You are already at the latest version
Abstract
Keywords:
1. Introduction
2. Principle and System
2.1. New Ge-Si detector array
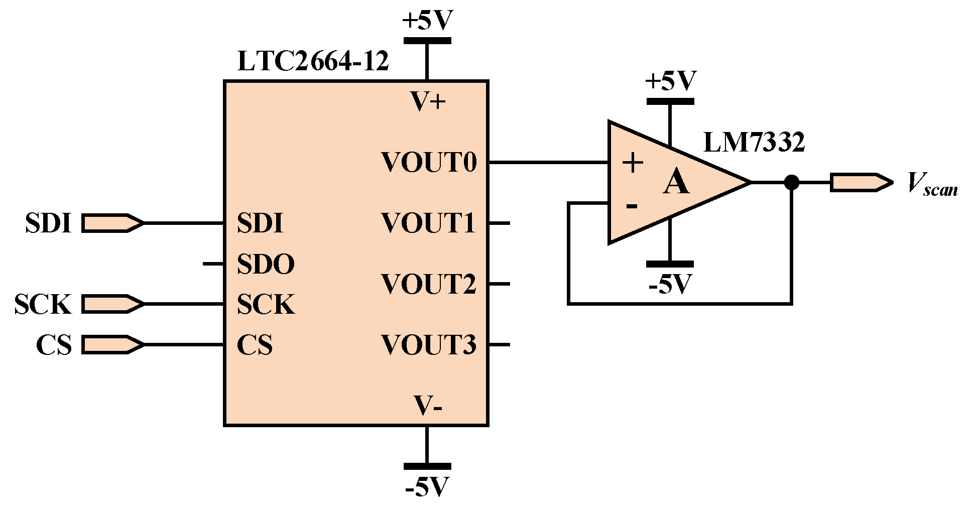
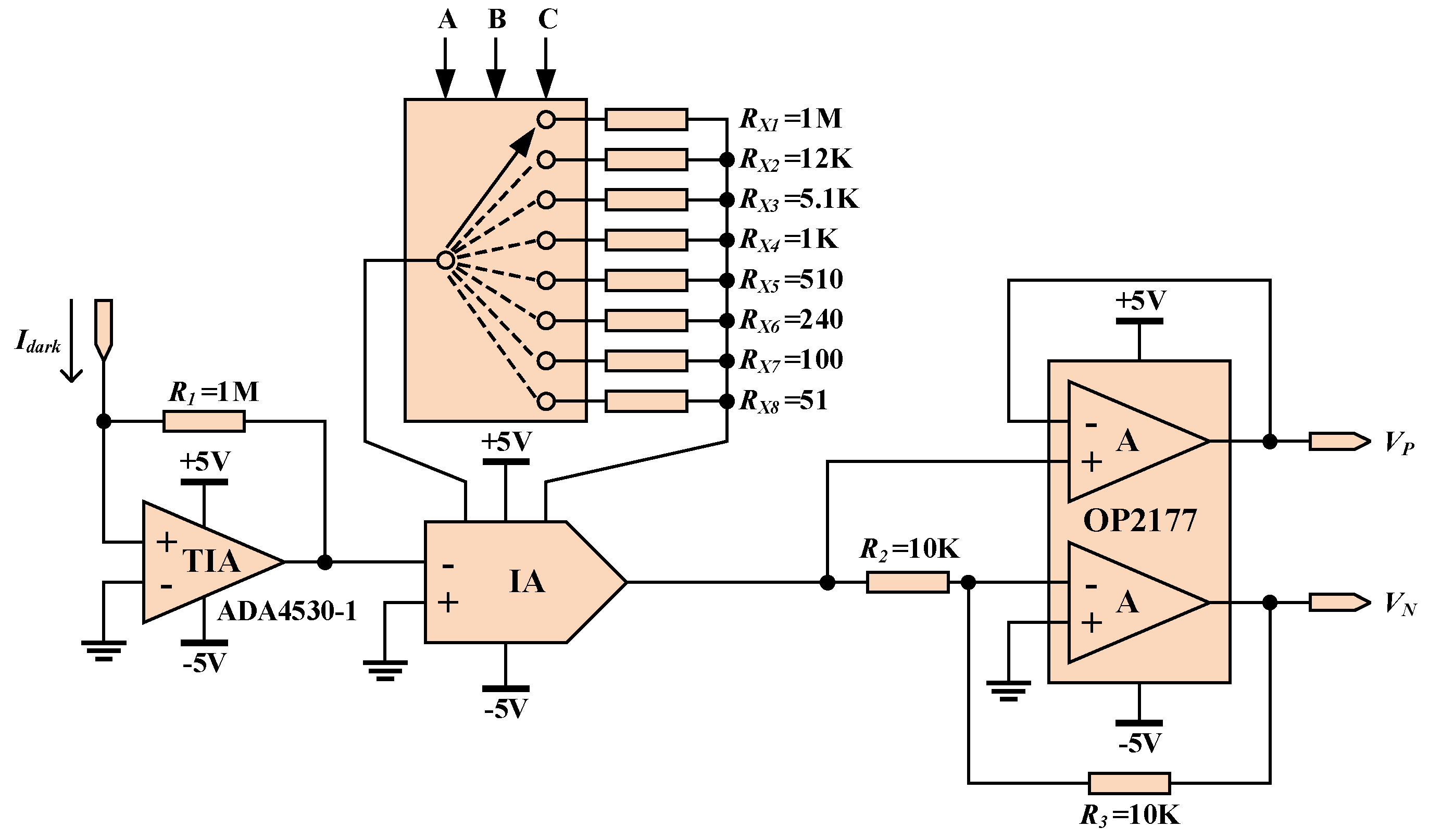
2.2. Scanning detection method and system


3. Array Test and Data Analysis
4. Conclusions
Author Contributions
Funding
Institutional Review Board Statement
Informed Consent Statement
Data Availability Statement
Acknowledgments
Conflicts of Interest
References
- Yang, F. Analysis of Lidar Technology Development Based on Autonomous Driving Competition[C]. International Conference of Optical Imaging and Measurement (ICOIM), Xi’an, China, 2021.
- Roriz, R.; Cabral, J.; Gomes, T. Automotive LiDAR Technology: A Survey. IEEE Transactions on Intelligent Transportation Systems, 2022, 23, 6282–6297.
- L. Zhaohua and G. Bochao. Radar Sensors in Automatic Driving Cars[C], International Conference on Electromechanical Control Technology and Transportation (ICECTT), Nanchang, China, 2020.
- Shan, Y.; Yao, X.; Lin, H.; et al. Lidar-Based Stable Navigable Region Detection for Unmanned Surface Vehicles. IEEE Transactions on Instrumentation and Measurement 2021, 70, 1–13. [CrossRef]
- Chiang, K.W.; Tsai, G.J.; Li, Y.H.; et al. Development of LiDAR-Based UAV System for Environment Reconstruction[J]. IEEE Geoscience & Remote Sensing Letters, 2017, 14, 1790–1794.
- Molebny, V.; Mcmanamon, P.; Steinvall, O.; et al. Laser radar: historical prospective—from the East to the West. Optical Engineering, 2016, 56, 031220. [CrossRef]
- Månefjord, H.; Müller, L.; Li, M.; et al. 3D-Printed Fluorescence Hyperspectral Lidar for Monitoring Tagged Insects. IEEE Journal of Selected Topics in Quantum Electronics 2022, 28, 1–9. [CrossRef]
- Sanjaya, K.; Henning, F.; Purba, K.R. 3D LIDAR City Model Application and Marketing Plan Development[C]. International Conference on Soft Computing, Intelligent System and Information Technology (ICSIIT), Denpasar, Indonesia, 2017.
- Mongus, D.; Žalik, B. Computationally Efficient Method for the Generation of a Digital Terrain Model From Airborne LiDAR Data Using Connected Operators. IEEE Journal of Selected Topics in Applied Earth Observations and Remote Sensing 2014, 7, 340–351. [CrossRef]
- Dai, J.; Zhao, X.; Li, L.P.; Ma, X.F. GCD-YOLOv5: An Armored Target Recognition Algorithm in Complex Environments Based on Array Lidar. IEEE Photonics Journal 2022, 14, 1–11. [CrossRef]
- L. Singh, A. Srivastava and A. J. Sarkate. Thermal gradient effect on focus shift of laser & infrared optical assembly & thermal lensing by Nd-Yag laser rod in laser assembly of Optical Detection & Ranging System of Fighter Aircraft[C]. IEEE Uttar Pradesh Section International Conference on Electrical, Computer and Electronics (UPCON), Mathura, India, 2017.
- Zhou, G.; Li, C.; Zhang, D.; Liu, D.; Zhou, X.; Zhan, J. Overview of Underwater Transmission Characteristics of Oceanic LiDAR. IEEE Journal of Selected Topics in Applied Earth Observations and Remote Sensing 2021, 14, 8144–8159.
- Hecht, J. Laser instruments earn their place in space for communications and lidar[J]. Laser Focus World: The Magazine for the Photonics & Optoelectronics Industry, 2014.
- Pham, T.; Wei, D.; Tran, H., et al. Systematic study of Si-based GeSn photodiodes with 26m detector cutoff for short-wave infrared detection. Optics Express 2016, 24, 4519.
- Batshev, V.I.; Boritko, S.V.; Kozlov, A.B., et al. Optical System of Visible and Short-Wave Infrared AOTF-based Spectral Imaging Device[C]. Wave Electronics and its Application in Information and Telecommunication Systems (WECONF). 2021.
- Xu M, Wang J L, Chen T. Study on application of short wave infrared to detecting satellites in the daytime[J]. Optical Technique, 2008.
- Ji, Sun, Chaowei, et al. Real-Time and High-Resolution Bioimaging with Bright Aggregation-Induced Emission Dots in Short-Wave Infrared Region[J]. Advanced Materials, 2018.
- R. W. Millar et al. Ge-on-Si Single Photon Avalanche Diode Detectors for LIDAR in the Short Wave Infrared[C]. Conference on Lasers and Electro-Optics (CLEO), San Jose, CA, USA, 2020.
- Vines, P.; Kuzmenko, K.; et al. High performance planar germanium-on-silicon single-photon avalanche diode detectors. Nature Communications 2019, 10, 1-9. [CrossRef]
- Duan, N.; Liow, T.Y.; Lim, A.E.J.; et.al. 310 GHz gain-bandwidth product Ge/Si avalanche photodetector for 1550 nm light detection. Opt. Express 2012, 20, 11031. [CrossRef]
- Kang, Y.M.; Liu, H.D.; Morse, M.; et.al. Monolithic germanium/silicon avalanche photodiodes with 340 GHz gain–bandwidth product. Nature Photonics 2009, 3, 59–63. [CrossRef]
- Virot, L.; Crozat, P.; Fédéli, J.; et.al. Germanium avalanche receiver for low power interconnects. Nature Communications 2014, 5, 4957. [CrossRef]
- Warburton, R.E.; Intermite, G.; Myronov, M.; et.al. Ge-on-Si Single-Photon Avalanche Diode Detectors: Design, Modeling, Fabrication, and Characterization at Wavelengths 1310 and 1550 nm. IEEE Transactions on Electron Devices 2013, 60, 3807–3813. [CrossRef]
- Martinez, N.J.D.; Gehl, M.; Derose, C.T.; et.al. Single photon detection in a waveguide-coupled Ge-on-Si lateral avalanche photodiode. Optics Express 2017, 25, 16130–16139. [CrossRef]
- Y. Li, X.-S. Luo, G. Liang, et.al. Demonstration of Ge/Si Avalanche Photodetector Arrays for Lidar Application[J]. OFC, Tu3E.3.pdf, 2019.
- Dong-Liang, Zhang, Bu-Wen, et al. Theoretical study of the optical gain characteristics of a Ge1xSnx alloy for a short-wave infrared laser[J]. Chinese Physics B, 2015(2):7.
- Cai Zhimeng, Chen Liqun, Li Cheng. Characteristics of SOI - based RCE - Ge photodetectors[J]. Journal of Fuzhou University, 2016, 44(5): 656.
- Cui, J.; Zhou, Z. High-performance Ge-on-Si photodetector with optimized DBR location. Optics Letters 2017, 42, 5141–5144. [CrossRef]
- Zhang, H.; Ke, C.; Liu, Z. Modeling and simulation analysis of PIN photodetector. Journal of Applied Optics 2019, 40, 723–730.
- Jun Zhao, Research on Photodetector equivalent circuit model and experiment[D]. Chongqing University, 2015.









| Bias Voltage (V) |
Average Dark Current (nA) |
Number of Pixels Greater Than 10 Times the Average Dark Current | Number of Pixels Greater Than 5 Times the Average Dark Current |
|---|---|---|---|
| -2.5 | 147 | 2 | 9 |
| -2.0 | 86 | 2 | 7 |
| -1.5 | 54 | 2 | 3 |
| -1.0 | 35 | 0 | 2 |
| -0.5 | 22 | 0 | 0 |
| Bias Voltage (V) |
Average Dark Current (nA) |
Number of Pixels Greater Than 10 Times the Average Dark Current | Number of Pixels Greater Than 5 Times the Average Dark Current | |||||||||
|---|---|---|---|---|---|---|---|---|---|---|---|---|
| A | B | C | D | A | B | C | D | A | B | C | D | |
| -2.5 | 147 | 75 | 28 | 24 | 2 | 10 | 4 | 3 | 9 | 11 | 8 | 5 |
| -2.0 | 86 | 47 | 15 | 15 | 2 | 7 | 1 | 0 | 7 | 11 | 6 | 5 |
| -1.5 | 54 | 27 | 8 | 12 | 2 | 5 | 1 | 0 | 3 | 8 | 4 | 1 |
| -1.0 | 35 | 16 | 5 | 9 | 0 | 4 | 1 | 0 | 2 | 5 | 2 | 0 |
| -0.5 | 22 | 9 | 2 | 8 | 0 | 1 | 0 | 0 | 0 | 1 | 5 | 0 |
Disclaimer/Publisher’s Note: The statements, opinions and data contained in all publications are solely those of the individual author(s) and contributor(s) and not of MDPI and/or the editor(s). MDPI and/or the editor(s) disclaim responsibility for any injury to people or property resulting from any ideas, methods, instructions or products referred to in the content. |
© 2023 by the authors. Licensee MDPI, Basel, Switzerland. This article is an open access article distributed under the terms and conditions of the Creative Commons Attribution (CC BY) license (http://creativecommons.org/licenses/by/4.0/).
