Submitted:
19 April 2024
Posted:
21 April 2024
You are already at the latest version
Abstract
Keywords:
1. Introduction
2. Detector Working Principle
3. Detector Simulation and Optimization
3.1. Spatial Resolution
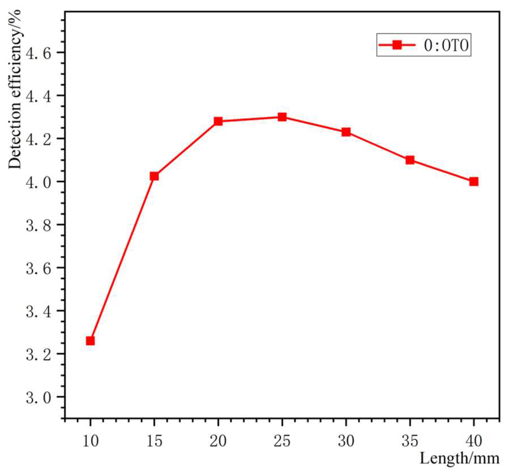
3.2. Neutron Conversion Efficiency
4. Detector Prototype and Readout Electronics
4.1. SiPMs Array
4.2. Electronics
4.3. Scintillator Array and Detector Prototype
5. Test of Prototype Performance
6. Summary and Discussion
Author Contributions
Funding
Acknowledgments
References
- Brzosko J S, Robouch B V, Ingrosso L, Bortolotti A and Nardi V 1992 Nuclear Instruments and Methods in Physics Research Section B: Beam Interactions with Materials and Atoms 72 119. [CrossRef]
- Greenberg R R, Bode P and De Nadai Fernandes E A 2011 Spectrochimica Acta Part B: Atomic Spectroscopy 66 193. [CrossRef]
- Andersson P, Valldor-Blücher J, Andersson Sundén E, Sjöstrand H and Jacobsson-Svärd S 2014 Nuclear Instruments and Methods in Physics Research Section A: Accelerators, Spectrometers, Detectors and Associated Equipment 756 82. [CrossRef]
- Li H, Zou Y B, Wang S, Wen W W, Liu S G, Tang G Y, Lu Y R and Guo Z Y 2013 Physics Procedia 43 66.
- Zboray R, Adams R and Kis Z 2018 Applied Radiation and Isotopes 140 215. [CrossRef]
- Ambrosi R M, Fraser G W, Feller B, Street R, Watterson J I.W, White P and Downing G 2003 Nuclear Instruments and Methods in Physics Research Section A: Accelerators, Spectrometers, Detectors and Associated Equipment 500 351. [CrossRef]
- Ambrosi R M, Fraser G W, Street R A, Watterson J I.W, Lanza R C, Dowson J, Abbey A F, Feller B, Downing G, White P and Stevenson T 2005 Nuclear Instruments and Methods in Physics Research Section A: Accelerators, Spectrometers, Detectors and Associated Equipment 542 271. [CrossRef]
- Dangendorf V, Laczko G, Reginatto M, Vartsky D, Goldberg M, Mor I, Breskin A and Chechik R 2005 Nuclear Instruments and Methods in Physics Research Section A: Accelerators, Spectrometers, Detectors and Associated Equipment 542 197. [CrossRef]
- Cortesi M, Zboray R, Adams R, Dangendorf V and Prasser H M 2012 Journal of Instrumentatio 2012 7 C02056. [CrossRef]
- Mikerov V, Samosyuk V and Verushkin S 2005 Nuclear Instruments and Methods in Physics Research Section A: Accelerators, Spectrometers, Detectors and Associated Equipment 542 192. [CrossRef]
- Zhang F Q, Qi J M, Zhang J H, Li L B, Chen D Y, Xie H W, Yang J L and Chen J C 2014 Acta Physica Sinica 63 128701. 2014.
- Ma Z W, Li W M, Ran J L, Huang Z W, Zhang S J, Li K J and Yao Z E 2018 Journal of Instrumentation 13 P05034. [CrossRef]
- Liu L, Lu M H, Cao W Q, Peng L K and Chen A 2016 Medical Imaging 2016: Physics of Medical Imaging 9783 283. [CrossRef]
- Cha B K, Bae J H, Lee C H, Jeon H, Kim H, Chang S, Kang B S and Cho G 2009 Nuclear Instruments and Methods in Physics Research Section A: Accelerators, Spectrometers, Detectors and Associated Equipment 607 145. [CrossRef]
- BIRKS J B 1964 The Theory and Practice of Scintillation Counting, pp. 15-38.
- ELJEN Technology. https://eljentechnology.com/.
- Grodzicka-Kobylka M, Szczesniak T and Moszyski M 2017 Nuclear Instruments and Methods in Physics Research Section A: Accelerators, Spectrometers, Detectors and Associated Equipment 856 53. [CrossRef]
- Huang T C, Fu Q B, Lin S P and Wang B 2017 Nuclear Instruments and Methods in Physics Research Section A: Accelerators, Spectrometers, Detectors and Associated Equipment 851 118. [CrossRef]
- Light Guide for Crystals and photodetectors (epic-crystal.
- Zhao B Q, Huang Y and Wang C L 2023 Atomic Energy Science and Technology 57 9.
- Agostinelli S, Allison J, Amako K, et al. 2003 Nuclear instruments and methods in physics research section A: Accelerators, Spectrometers, Detectors and Associated Equipment 506 250. [CrossRef]
- Boreman G D 2001 Russ.chem.
- Cao R L and Biegalski S R 2007 Nuclear Instruments & Methods in Physics Research Section A-accelerators Spectrometers Detectors and Associated Equipment 582 621. [CrossRef]
- Wang Y, Han S B, He L F, Wei G H, He L J, Wu M M, Wang H L and Liu W T 2012 Nuclear Technology 35 275.
- Maxwell, C. EJ-200 Plastic Scintillator Data Sheet, Eljen Technology, Sweetwater. 2010. [Google Scholar]
- SensL. https://www.onsemi.com/.
- Zhang X H, Qi Y J and Zhao C L 2012 Chin Phys C 36 973. [CrossRef]
- Park H, Yi M, Lee J S 2022 Biomedical Engineering Letters 12 263. [CrossRef]
- Choe H J, Choi Y, Hu W, Yan J H and Jung J H 2017 Physics in Medicine and Biology 62 120. [CrossRef]
- Wang S, Yin W, Liu B, Li H, Sun Y, Cao C, Wu Y, Huo H Y, Zhu S L, Lou B C, Wu C L and Tang B 2021 Applied Radiation and Isotopes 169 109564. [CrossRef]













| EJ-200 physical and scintillation constants | ||
| Light output in % relative to anthracene | 64 | |
| Density, g/ | 1.023 | |
| Polymer base | Polyvinyl toluene | |
| Wavelength of max. emission, nm | 425 | |
| Scintillation efficiency, photons per 1 MeV | 10000 | |
| Rise time, ns | 0.9 | |
| Decay time, ns | 2.1 | |
| Pulse width, FWHM, ns | 2.5 | |
| Organic flours, % | 3 | |
| Number of H atoms per | ||
| Number of C atoms per | ||
| Number of electrons per |
Disclaimer/Publisher’s Note: The statements, opinions and data contained in all publications are solely those of the individual author(s) and contributor(s) and not of MDPI and/or the editor(s). MDPI and/or the editor(s) disclaim responsibility for any injury to people or property resulting from any ideas, methods, instructions or products referred to in the content. |
© 2024 by the authors. Licensee MDPI, Basel, Switzerland. This article is an open access article distributed under the terms and conditions of the Creative Commons Attribution (CC BY) license (https://creativecommons.org/licenses/by/4.0/).