Submitted:
07 January 2023
Posted:
11 January 2023
You are already at the latest version
Abstract
Keywords:
List of Adopted Symbols
| ψ | heading angle (ψid is the ideal path value, ψref the reference one) |
| χ | course angle (χr is the course error) |
| Vg | ground speed |
| W | wind speed |
| Va | speed respect to air |
| α | heading direction from current plane position to the next waypoint |
| δ | error between α and ψid |
| kh | gain of the heading controller |
| satij(x) | saturation function (saturates x between a min. value i and a max. one j) |
| d | transversal position error |
| s | sliding mode variable defined as the sum of contributions s1, s2 |
| k1 | calibration variable of sliding mode controller |
| k2 | gain of the sliding mode feedback |
| R | curvature radius |
| ϕ,θ | roll and pitch angles (ϕid,θid desired values) |
| h,hid | altitude and desired altitude |
| p,q,r | angular speed along the three directions |
| m, g | mass and grav.acceleration |
| Ttot | total prop. force respect to a fixed ref. (Ttot_i is the ith component) |
| Mtot | total prop. torque respect to a fixed ref. (Mtot_i is the ith component) |
| Ti | thrust of the ith propeller |
| xbody | longitudinal axis aligned to vehicle heading |
| x,y | position along x and y axis(xid,yid are desired values) |
| τi | forces along i-th direction in body reference frame (τri are the torques) |
| a, b1, b2 | dimensions describing the position of propellers |
| kti,kqi | thrust(pedex t) and torque(pedex q) coefficients of the i-th propeller |
| xs, vs | position and sailing speed of the support ship/moving landing platform |
| xi,hi | desired positions and altitudes corresponding to different waypoints |
1. Introduction:
- Lighter than air UAVs (Airships, Dirigibles, Blimps and Balloons): the mean density of the vehicle is equal or lower respect to surrounding air, so lift forces are automatically granted. These kinds of vehicles are still proposed in recent works [8] since they offer the best ratio between lifted load and consumed energy. Additional propellers can be used control vehicle path. However, their low density also involves a higher sensitivity to crosswinds, also limiting maximum cruising speed.
- Rotary/Rotating Wing Systems: in a rotating wing system weight of the UAV is sustained by the efforts developed propellers that are consequently vertical or slightly inclined. UAV can perform VTOL and hoovering, maneuverability at low speed is excellent [9]. Known drawbacks are the poor propulsion efficiency (large part of installed power is employed to sustain the weight of the drone) and consequently limited autonomy and poor performances with harsh environmental conditions. Since propellers are vertical, longitudinal, or transversal propulsion efforts can be obtained only producing a corresponding pitch or roll rotation of the hull vehicle, so the control of the pose cannot be completely decoupled respect to translational motion [10].
- Fixed Wing Systems: In fixed wing systems lift is caused by the vehicle speed through the interaction of wings or other aerodynamic surfaces with the incoming flux of air. Propellers are used only to provide the longitudinal thrust against drag forces due to motion. Lift provided by wings is typically ten to twenty times higher respect to drag resistances [11]. Propulsion efficiency and autonomy are much higher respect to a rotating wing solution. Cruising velocity cannot be lower than stall speed precluding VTOL capabilities. Fixed wing drones often adopt catapults [12] for takeoff or landing nets or hooks for landing [13].
- Control Methods: these methods are designed to assure the convergence of cross track error of the UAV while maintaining a preset airspeed. To the latter category for example belongs the Vector Field (VF) technique[24,25], which involves designing a vector field to guide the aircraft on the desired path even in the presence of a constant wind disturbance.
1.1. Innovative Contributions
- A redundant hybrid and mixed propulsion layout is proposed for the design of an innovative UAV with VTOL capabilities
- Performances in crusing/fixed wing mode are improved adopting an SMC control of the course angle.
- During VTOL operations the vehicle is controlled with a specific controller able to better exploit vehicle features respect to conventional approaches followed on quad rotors.
- Allocation of speed references for the ESCs (Electronic Speed Controls) of each propeller is performed considering its torque and thrust coefficients, accelerating both calibration and scaling of the system.
1.2. Structure of the Paper
- UAV Modelling: a brief section introducing the adopted model of UAV
- Innovative SMC Path Control: a section related to the description of the proposed SMC control for fixed wing mode.
- Innovative directional VTOL Control: proposed directional control adopted for VTOL operation is shown
- Simulation Results: an extended simulation campaign is performed to show main features of proposed control strategies respect to the benchmark test UAV.
- Conclusions and Future Developments
2. UAV Modelling
- VTOL is possible with 75% of availability of vertical propellers (2 faulted propellers).
- Fixed wing propulsion can be assured by a single longitudinal propeller (the front or the rear one).
- Mechanical Model of the UAV: UAV dynamics is calculated according to a multibody model [39] that take count of propeller thrusts, and aerodynamic forces due to the incoming flow of air adopting corresponding matrices of linearized coefficients representing inertial and viscous effects. Followed approach is substantially based on the one that has been proposed by Fossen for both aerial[26] and marine[40] autonomous vehicles. Modelled UAV shares almost the same aerodynamics with a pre-existing UAV, the rapier X-25[41] which have only one longitudinal propeller. So main data concerning aerodynamics are available from previous experiences. In proposed AUV propellers are changed respect to the original X-25 project, so authors verified experimentally the target data of motors [42] and propellers [43] with laboratory tests that are shown in Figure 2/b and in Table 2: propeller; motor and driver are assembled with load sensors (phase 1), aerodynamic covers are placed (phase 2) than propeller invested by a controlled flux of air is tested (phase 3). Finally, experimental results, as shown in Table 2, are compared with data declared by the builder of the propellers also considering the variability of air density respect to altitude [44]: obtained experimental results are slight different but measured performances in terms of thrust are better than expected so a safety of about 10% is assured.
- Energy Management: All the loads on the UAV (actuators propellers, auxiliaries etc.) are simulated. Simulated hybrid power management system is described by a past research work of authors[17].
- Sensors: all the measured/estimated states of the system are evaluated through sensors sub models. For this work, it was preferred the hypothesis of a perfect estimation of system state (ideal sensors).
- Control: the UAV is controlled by a three level nested architecture often proposed in literature[46], that is implemented using Stateflow™. The top level of the control is represented by Path Planning that has been previously described in [37] and it’s not the object of the current work. The respect of the path decided by the Path Planning is assured by an inner/nested loop, the so called Path Following Control which decide how to correct route of the vehicle. Desired path corrections involve the Allocation of corresponding control references for propellers and actuators. This work is mainly focused on the two inner loops (Path Following and Allocation).
- Safety Management: safety protections and failure mitigation policies are modelled in this sub-model.
3. Innovative SMC Path Control
- Transversal Position error d: UAV position is translated respect to desired path of a transversal distance d
- Course Orientation error χr: in ideal conditions course angle χ should be equal to ψid (Vg is aligned to path). So χ r the error between χ and ψid must be minimized.
- Model based Contribution: this term is calculated by imposing a null error dynamic
- Discontinuous Contribution: a feedback term of the sliding variable s forces the convergence to the sliding surface rejecting disturbances and unmodeled dynamics. To reduce chattering, proportional feedback with gain k2 is preferred.
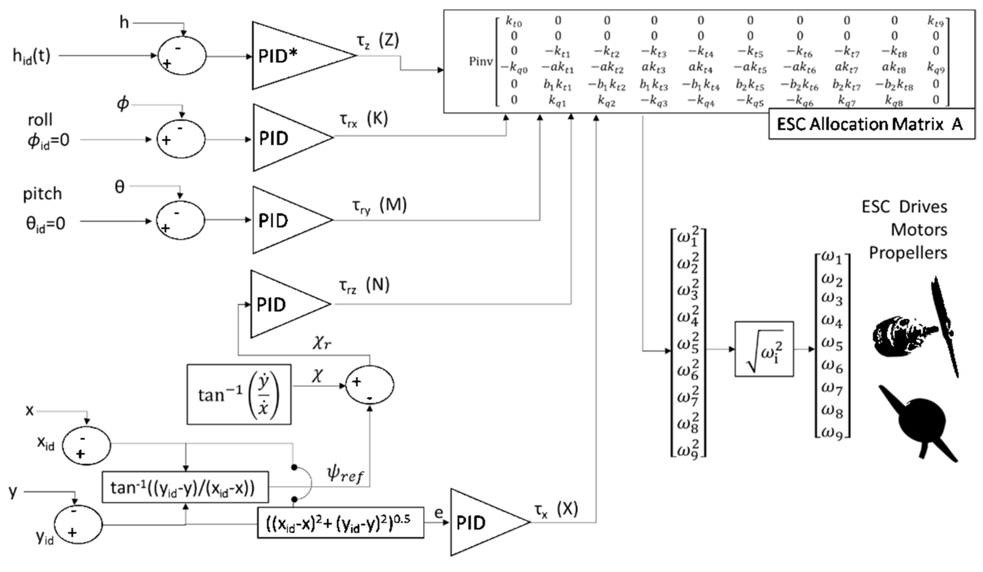
4. Innovative directional VTOL Control
- Course χ is not parallel to the ideal path described by the angle ψid .
- Path is translated of a transversal error d.
- Inputs are desired altitude (hid(t)), position (xid(t), yid(t)). Roll and pitch references (ϕid, θid) are held constants.
- Altitude roll and pitch are controlled by three loops which calculate desired efforts in body reference frame: the vertical force τz and the torques respect to x and y axis τrx and τry
- Position errors respect to x and y directions are used to evaluate χ, ψref. and the errors χr , e.
- A loop calculates τx(force along x direction) to reduce e; another loop calculates τrz (torque along the z-axis) to reduce χr.
- Propellers are speed controlled by their ESCs (Electronic Speed Controllers). Both thrust (Ti) and torque (Mi) exerted by the i-th propeller are proportional to the squared value of its angular speed ωi through thrust (kti) and torque(kqi) coefficients [54]. Desired efforts (τx, τz, τrx, τry, τrz ) are converted in desired values of ωi2 through the allocation matrix A(14), that is calculated from relations (12) and (13).
- Moore-Penrose approach minimizes the quadratic norm of the vector of calculated ωi2. This is a very useful properties since this produce an optimization also of energy consumptions of the drone as also stated by recent works [55] in which this property is exploited to improve efficiency and autonomy of drones.
- If a failure of a propeller is detected, matrix A can recalculated taking count of the failure of a propeller (matrix can be resized or recalculated with the same size considering a null value of the thrust coefficients associated to the damaged actuator). In this way calculated thrust actuation is still optimal respect to the current state of the propulsion layout mitigating the effect of failures, as stated by recent publication that are still exploiting this interesting property of pseudo-inverse allocation matrix on redundant propulsion layout [56].
5. Simulation Results
5.1. Test Campaign 1: Straight Path with Intial Transversal Error
- Initial transversal error, as shown in Figure 11/a, is applied in the east direction.
- The rear propeller introduces a reaction torque that is compensated by ailerons.
- Proposed SMC (course control) as described in (10).
- The heading control described by (1).
- A SMC control in which is not controlled the course angle, but the heading one (SMC Heading Control) as defined by previous publication in literature [31].
5.2. Test Campaign 2: D-Shaped Trajectory
5.3. Test Campaigns 3&4: Landing Manouvers on a Shipdeck
- The landing platform (the deck of a ship) is supposed to be located under the Waypoint 6 traveling with a straight trajectory at a constant sailing speed vs. A perfect knowledge of ship position is supposed. This hypotesis is optimistic but the aim of this work is to evaluate performances of proposed propulsion layout respect to a near to realistic mission profile. Any consideration regarding high level control or dynamic path planning should be the object of a future work.
- AUV is performing a D-Shaped mission as the one described in Figure 12. At the end of the mission (about 400m before the last waypoint the sixth one), the UAV is decelerated from its cruising speed (around 90 km/h) to a final speed equal to the sailing speed of the ship, vs, performing the transition from fixed wing mode to directional VTOL. At the end of the transition UAV is aligned to the straight trajectory of the ship.
- As the UAV arrives at waypoint 6, the landing is performed by imposing a variable path that is composed by a sequence of vertical descents alternated with constant altitude translations to moving waypoints that are continuously updated according the know trajectory of the ship (xs(t)). The imposed sequence is also described in Table 2.
| Landing Sequence (order) | Position of next Waypoint along ship Traj. x | Desired Altitude |
| 0 | x6 (ship is supposed to be under Waypoint 6 for simplicity) | 100m |
| 1 | x6 | 20m |
| 2 | x7=xs(t)-20m | 20m |
| 3 | x7=xs(t)-20m | 5m |
| 4 | x8=xs(t)-5m | 5m |
| 5 | xs(t) | 0m (landing) |
6. Conclusions and Future Developments
- Aerodynamics of a fixed wing drone is strongly anisotropic respect to the incoming direction of crosswind disturbances. Both propulsion layout and path control algorithm used both in fixed and rotating wing mode, should be tuned to keep the plane aligned against the incoming wind maintaining a pose which is more favorable to a stable rejection of this disturbances in presence of wings. For this reason, pose in terms of pitch and roll angles should be kept stable as much as possible.
- The usage of longitudinal propeller both in fixed and rotating wing mode plays a key role. Long. propeller provides a longitudinal thrust to regulate the motion of the plane without altering the pose and without exploiting vertical propellers that are much less efficient for this purpose. In this sense a synergy between UAV alignment and action of long. propellers is fundamental.
- Crosswind disturbances introduce significant drifts respect to planned path so the control should privilege the regulation of course angle which is more representative of the real behavior of the plane respect to the heading one. Simple nonlinear controllers such as SMC are well suited to reject unmodelled dynamics and low frequency disturbances.
Funding
Data Availability Statement
Acknowledgments
Conflicts of Interest
References
- Novac, V.; Rusu, E. UAVs Support to Naval Operations. International conference Int. j. knowl.-based organ 2021, 27, 70–76. [Google Scholar] [CrossRef]
- Ambroziak, L.; Ciezkowski, M.; Wolniakowski, A.; Romaniuk, S.; Bozko, A.; Oldziej, D.; Kownacki, C. Experimental tests of hybrid VTOL unmanned aerial vehicle designed for surveillance missions and operations in maritime conditions from ship-based helipads. J. Field Robot. 2022, 39, 203–217. [Google Scholar] [CrossRef]
- Rapier X-25 official homepage of the project, visited last time on 09/09/2022. Available online: https://www.skyeyesystems.it/products/rapier-x-25/.
- Rivista Italiana Difesa, published on line on 03/08/2021. Available online: https://www.rid.it/shownews/4327.
- Reportdifesa.it paper published on 02/09/2021. Available online: https://www.reportdifesa.it/unmanned-aerial-system-la-sky-eye-systems-sviluppa-una-nuova-versione-a-decollo-e-atterraggio-verticali-della-famiglia-rapier/.
- Aviationreport.com, paper published on 02/09/2021. Available online: https://www.aviation-report.com/tag/rapier-x-vtol/.
- Amici, C.; Ceresoli, F.; Pasetti, M.; Saponi, M.; Tiboni, M.; Zanoni, S. Review of Propulsion System Design Strategies for Unmanned Aerial Vehicles. Appl. Sci. 2021, 11, 5209. [Google Scholar] [CrossRef]
- Murugaiah, M.; Theng, D.F.; Khan, T.; Sebaey, T.A.; Singh, B. Hybrid Electric Powered Multi-Lobed Airship for Sustainable Aviation. Aerospace 2022, 9, 769. [Google Scholar] [CrossRef]
- Ostojić, G.; Stankovski, S.; Tejić, B.; Đukić, N.; Tegeltija, S. Design, Control and Application of Quadcopter. Int. J. Ind. Eng. Manag. 2015, 6, 43–48. [Google Scholar] [CrossRef]
- Kuantama, E.; Vesselenyi, T.; Dzitac, S.; Tarca, R. PID and Fuzzy-PID Control Model for Quadcopter Attitude with Disturbance Parameter. Int. J. Comput. Commun. Control. 2017, 12, 519–532. [Google Scholar] [CrossRef]
- Dagur, R.; et al. Design of flying wing UAV and effect of winglets on its performance. Int J Emerg Technol Adv Eng 2018, 8. [Google Scholar]
- Siddiqui, B. A. Computer aided modeling and simulation of pneumatic UAV catapult mechanism. In: 7th International Mechanical Engineering Congress. 2017. p. 24-25.
- Kim, H.J.; Kim, M.; Lim, H.; Park, C.; Yoon, S.; Lee, D.; Choi, H.; Oh, G.; Park, J.; Kim, Y. Fully Autonomous Vision-Based Net-Recovery Landing System for a Fixed-Wing UAV. IEEE/ASME Trans. Mechatronics 2013, 18, 1320–1333. [Google Scholar] [CrossRef]
- Chen, Z.; Jia, H. Design of Flight Control System for a Novel Tilt-Rotor UAV. Complexity 2020, 2020, 1–14. [Google Scholar] [CrossRef]
- Jung, Y.; Shim, D.H. Development and Application of Controller for Transition Flight of Tail-Sitter UAV. J. Intell. Robot. Syst. 2011, 65, 137–152. [Google Scholar] [CrossRef]
- Dündar, *!!! REPLACE !!!*; Bilici, M.; Ünler, T. Design and performance analyses of a fixed wing battery VTOL UAV. Eng. Sci. Technol. Int. J. 2020, 23, 1182–1193. [Google Scholar] [CrossRef]
- Berzi, L.; Mattei, G.; Pugi, L.; Casazza, A.; Pasqui, G. Development of a Simulation Platform for Hybrid Unmanned Aerial Vehicles with VTOL capabilities. 2021 IEEE International Conference on Environment and Electrical Engineering and 2021 IEEE Industrial and Commercial Power Systems Europe (EEEIC / I&CPS Europe); pp. 1–6.
- Bongermino, E.; Mastrorocco, F.; Tomaselli, M.; Monopoli, V.G.; Naso, D. Model and energy management system for a parallel hybrid electric unmanned aerial vehicle. In 2017 IEEE 26th International Symposium on Industrial Electronics (ISIE). IEEE, 2017; pp. 1868–1873.
- Zong, J.; Zhu, B.; Hou, Z.; Yang, X.; Zhai, J. Evaluation and Comparison of Hybrid Wing VTOL UAV with Four Different Electric Propulsion Systems. Aerospace 2021, 8, 256. [Google Scholar] [CrossRef]
- Sujit, P.B.; Saripalli, S.; Sousa, J.B. Unmanned Aerial Vehicle Path Following: A Survey and Analysis of Algorithms for Fixed-Wing Unmanned Aerial Vehicless. IEEE Control. Syst. 2014, 34, 42–59. [Google Scholar] [CrossRef]
- Pelizer, G.V.; Da Silva, N.B.; Branco, K.R. Comparison of 3D path-following algorithms for unmanned aerial vehicles. 2017 International Conference on Unmanned Aircraft Systems (ICUAS) IEEE, 13 June 2017; pp. 498–505. [Google Scholar]
- Conte, G.; Duranti, S.; Merz, T. Dynamic 3D path following for an autonomous helicopter. IFAC Proc. Vol. 2004, 37, 472–477. [Google Scholar] [CrossRef]
- Ambrosino, G.; Ariola, M.; Ciniglio, U.; Corraro, F.; De Lellis, E.; Pironti, A. Path Generation and Tracking in 3-D for UAVs. IEEE Trans. Control. Syst. Technol. 2009, 17, 980–988. [Google Scholar] [CrossRef]
- Nelson, D.R.; Barber, D.B.; McLain, T.W.; Beard, R.W. Vector Field Path Following for Miniature Air Vehicles. IEEE Trans. Robot. 2007, 23, 519–529. [Google Scholar] [CrossRef]
- Fari, S.; Wang, X.; Roy, S.; Baldi, S. Addressing Unmodeled Path-Following Dynamics via Adaptive Vector Field: A UAV Test Case. IEEE Trans. Aerosp. Electron. Syst. 2019, 56, 1613–1622. [Google Scholar] [CrossRef]
- Breivik, M.; Fossen, T. Principles of Guidance-Based Path Following in 2D and 3D. Proceedings of 44th IEEE Conference on Decision and Control, 2005; pp. 627–634.
- Park, S.; Deyst, J.; How, J.P. Performance and Lyapunov Stability of a Nonlinear Path Following Guidance Method. J. Guid. Control. Dyn. 2007, 30, 1718–1728. [Google Scholar] [CrossRef]
- Venkatraman, K. , Mani, V., Kothari, M., Postlethwaite, I., Gu, D.W.: A suboptimal path planning algorithm using rapidly-exploring random trees. Int. J. Aerosp. Innov. 2010, 2, 93–104. [Google Scholar] [CrossRef]
- Young, K. D.; Utkin, V. I.; Ozguner, U. A control engineer's guide to sliding mode control. IEEE Trans Control Syst Technol 1999, 7, 328–342. [Google Scholar] [CrossRef]
- Allotta, B.; Pisano, A.; Pugi, L.; Usai, E. VSC of a servo-actuated ATR90-type pantograph. In Proceedings of the 44th IEEE Conference on Decision and Control, and the European Control Conference, CDC-ECC '05; 2005; pp. 590–595. [Google Scholar]
- Wang, Y.; Wang, X.; Zhao, S.; Shen, L. Vector field based sliding mode control of curved path following for miniature unmanned aerial vehicles in winds. Journal of Systems Science and Complexity 2018, 31, 302–324. [Google Scholar] [CrossRef]
- Luukkonen, T. Modelling and control of quadcopter. Independent research project in applied mathematics. Espoo 2011, 22, 22. [Google Scholar]
- Kuantama, E.; Vesselenyi, T.; Dzitac, S.; Tarca, R. PID and Fuzzy-PID Control Model for Quadcopter Attitude with Disturbance Parameter. Int. J. Comput. Commun. Control. 2017, 12, 519–532. [Google Scholar] [CrossRef]
- Khodja, M. A.; et al. Experimental dynamics identification and control of a quadcopter. In: 2017 6th International Conference on Systems and Control (ICSC). IEEE, 2017; pp. 498-502.
- Pugi, L.; Pagliai, M.; Allotta, B. A robust propulsion layout for underwater vehicles with enhanced manoeuvrability and reliability features. Proc. Inst. Mech. Eng. Part M: J. Eng. Marit. Environ. 2017, 232, 358–376. [Google Scholar] [CrossRef]
- Pugi, L.; Allotta, B.; Pagliai, M. Redundant and reconfigurable propulsion systems to improve motion capability of underwater vehicles. Ocean Eng. 2018, 148, 376–385. [Google Scholar] [CrossRef]
- Pugi, L.; Mela, A.; Reatti, A.; Casazza, A.; Fiorenzani, R.; Mattei, G. A fixed wing UAV with VTOL capabilities: design, control and energy management. Int. J. Model. Identif. Control. 2022, 41, 206–221. [Google Scholar] [CrossRef]
- Pugi, L.; Allotta, B. Hardware-in-the-loop testing of on-board subsystems: Some case studies and applications. Robotics: Concepts, Methodologies, Tools, and Applications 2013, 2, 754–784. [Google Scholar] [CrossRef]
- Casazza, A.; Fiorenzani, R.; Mela, A.; Pugi, L.; Reatti, A. Modelling of Unmanned Aerial Vehicles with Vertical Take Off and Landing Capabilities. Mechanisms and Machine Science 2022, 108, 255–263. [Google Scholar] [CrossRef]
- Breivik, M.; Fossen, T.I. Guidance laws for autonomous underwater vehicles. Underwater vehicles 2009, 4, 51–76. [Google Scholar]
- Rapier X-25 official homepage of the project, visited last time on 09/09/2022. Available online: https://www.skyeyesystems.it/products/rapier-x-25/.
- Datasheet of Outrunner motors available on the official site of the supplier T-Motor, visited last time 17/10/2022. Available online: https://uav-en.tmotor.com/html/UAV/.
- Datasheet of Propellers Including calculated thrust and to coefficients available at propeller supplier site visited last time 17/10/2022. Available online: https://www.apcprop.com/technical-information/performance-data/.
- Liu, R.-L.; Zhang, Z.-J.; Jiao, Y.-F.; Yang, C.-H.; Zhang, W.-J. Study on Flight Performance of Propeller-Driven UAV. Int. J. Aerosp. Eng. 2019, 2019, 1–11. [Google Scholar] [CrossRef]
- Weyler, R.; Oliver, J.; Sain, T.; Cante, J. On the contact domain method: A comparison of penalty and Lagrange multiplier implementations. Comput. Methods Appl. Mech. Eng. 2012, 205-208, 68–82. [Google Scholar] [CrossRef]
- Inaltekin, H.; Gorlatova, M.; Chiang, M. Virtualized Control Over Fog: Interplay Between Reliability and Latency. IEEE Internet Things J. 2018, 5, 5030–5045. [Google Scholar] [CrossRef]
- Rigatos, G. , et al. A nonlinear optimal control approach for the autonomous octorotor. Advanced Control for Applications: Engineering and Industrial Systems 2020, 2, e50. [Google Scholar] [CrossRef]
- Ansari, A.A.; Zhang, N.; Bernstein, D. Retrospective cost adaptive pid control of quadcopter/fixed-wing mode transition in a vtol aircraft. In Proceedings of the 2018 AIAA Guidance, Navigation, and Control Conference; 2018. [Google Scholar]
- Presentation of Freem class Frigate available on line, visited last time on 09/09/2022. Available online: https://www.fincantieri.com/globalassets/prodotti-servizi/navi-militari/m-02-16_fremm_bergamini_f.pdf.
- Pugi, L.; Berzi, L.; Franchi, L.; Casazza, A.; Mattei, G.; Fiorenzan, R.; Domina, I. Preliminary Design and Simulation of an Hybrid-Parallel, Fixed-Wing UAV with Eight-Rotors VTOL System. In Proceedings of the 2022 IEEE International Conference on Environment and Electrical Engineering and 2022 IEEE Industrial and Commercial Power Systems Europe, EEEIC / I and CPS Europe 2022, EEEIC / I and CPS Europe 2022; pp. 1–6. [Google Scholar]
- Muslimov, T.Z.; Munasypov, R.A. Adaptive decentralized flocking control of multi-UAV circular formations based on vector fields and backstepping. ISA Trans. 2020, 107, 143–159. [Google Scholar] [CrossRef] [PubMed]
- Machmudah, A.; Shanmugavel, M.; Parman, S.; Manan, T.S.A.; Dutykh, D.; Beddu, S.; Rajabi, A. Flight Trajectories Optimization of Fixed-Wing UAV by Bank-Turn Mechanism. Drones 2022, 6, 69. [Google Scholar] [CrossRef]
- Rigatos, G.; et al. A nonlinear optimal control approach for the autonomous octorotor. Advanced Control for Applications: Engineering and Industrial Systems 2020, 2, e50. [Google Scholar] [CrossRef]
- D’Angelo, S.; Berardi, *!!! REPLACE !!!*; Minisci, E. Aerodynamic performances of propellers with parametric considerations on the optimal design. Aeronaut. J. 2002, 106, 313–320. [Google Scholar] [CrossRef]
- Dyer, E.; Sirouspour, S.; Jafarinasab, M. Energy optimal control allocation in a redundantly actuated omnidirectional UAV. In Proceedings of the 2019 International Conference on Robotics and Automation (ICRA), 20 May 2019.
- Mammadov, H.; Hajiyev, C. Active fault tolerant flight control for UAV actuator failures. Mathematics in Engineering, Science & Aerospace (MESA) 2019, 10. [Google Scholar]
- Pugi, L.; Cocci, M.; Frillici, F.S.; Berzi, L.; Mariottoni, E.; Sacchetto, M. Modeling of an underwater drilling platform for very near shore applications. Proc. Inst. Mech. Eng. Part M: J. Eng. Marit. Environ. 2022, 237, 263–272. [Google Scholar] [CrossRef]
- Pugi, L.; Pagliai, M.; Allotta, B. A robust propulsion layout for underwater vehicles with enhanced manoeuvrability and reliability features. Proc. Inst. Mech. Eng. Part M: J. Eng. Marit. Environ. 2017, 232, 358–376. [Google Scholar] [CrossRef]






















| PARAMETER | VALUE | |
| Wingspan [m] | 3.6 | |
| UAV Weight [kg] | 43.23 | |
| UAV Typ. Operational Speed [m/s] | 24 | |
| Vert.Props. | Max Thrust [kgf] | 13.3 (Max Thrust Tested) |
| Max Power [W] | 3200 (Datasheet) | |
| Installed Storage Size [Ah] | 3.25 (x8) | |
| ICE Long. Prop. | Max Thrust [kgf] | 6 (only ICE)/ 12.5(ICE+electrical boost) |
| Max Power [W] | 1515 (only ICE) | |
| ICE Power [W] | 1500@7000rpm (1800@9000rpm) | |
| ICE Motor | 2 Stroke Engine 29cc | |
| Elect.Long. Prop. | Max Thrust [kgf] | 12.2 (Max Thrust Tested) |
| Max Power [W] | 3744 (Datasheet) | |
| Installed Storage Size [Ah] | 23 | |
| Prop .Speed (vertical prop.) | Thrust (expected) | Thrust meas. on ground (200m alt.) |
| 2400[rpm] | 1.35[kgf] | 1.66(1.62) [kgf] |
| 4000[rpm] | 3.84[kgf] | 4.31(4.21) [kgf] |
| 5000[rpm] | 6.12[kgf] | 7.20(7.03) [kgf] |
| 5800[rpm] | 8.33[kgf] | 9.8(9.58) [kgf] |
| 6300[rpm] | 9.9[kgf] | 11.37(11.1) [kgf] |
| 6700[rpm] | 11.25[kgf] | 13.3(13)[kgf] |
| Prop .Speed (long prop.) | Thrust (expected) | Thrust meas. on ground (200m alt.) |
| 2450[rpm] | 1.26[kgf] | 1.71(1.67) [kgf] |
| 3900[rpm] | 3.67[kgf] | 4.56(4.45) [kgf] |
| 5000[rpm] | 6.36[kgf] | 7.26(7.09) [kgf] |
| 5650[rpm] | 8.32[kgf] | 9.72(9.49) [kgf] |
| 6100[rpm] | 9.85[kgf] | 11.22(10.95) [kgf] |
Disclaimer/Publisher’s Note: The statements, opinions and data contained in all publications are solely those of the individual author(s) and contributor(s) and not of MDPI and/or the editor(s). MDPI and/or the editor(s) disclaim responsibility for any injury to people or property resulting from any ideas, methods, instructions or products referred to in the content. |
© 2023 by the authors. Licensee MDPI, Basel, Switzerland. This article is an open access article distributed under the terms and conditions of the Creative Commons Attribution (CC BY) license (http://creativecommons.org/licenses/by/4.0/).