Submitted:
05 January 2023
Posted:
06 January 2023
You are already at the latest version
Abstract
Keywords:
1. Introduction
2. High Step-Up Techniques
3. Multistage/Multilevel Structures
3.1. Cascaded Topology
3.1.1. Symmetric and Non-symmetric Converters
3.1.2. Quadratic Boost Converters (QBC)
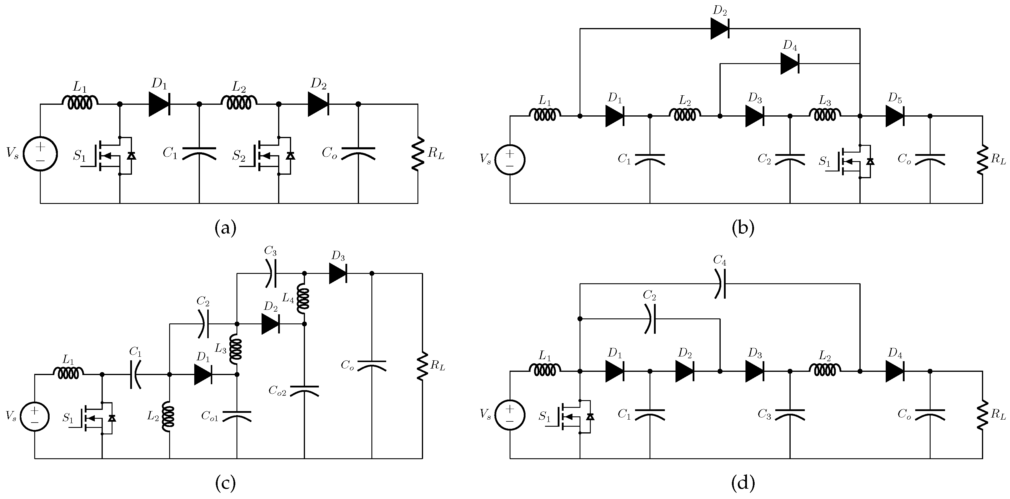
3.2. Interleaved Converters
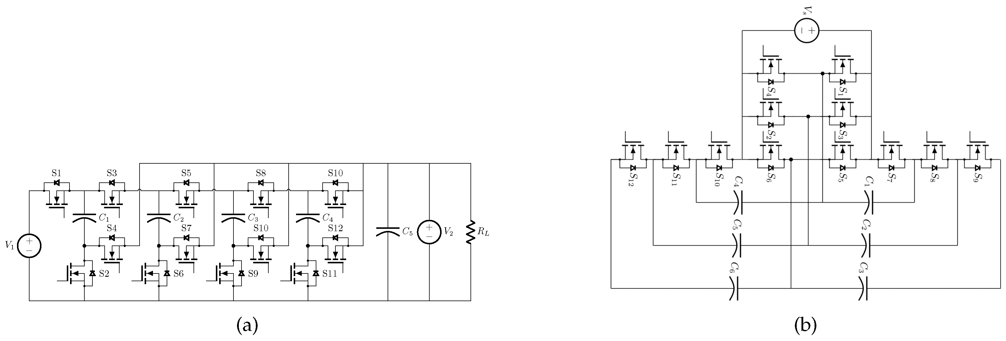
3.3. Multilevel Converters
4. Switched Capacitor (SC)
5. Voltage Multiplier
6. Voltage Lift (VL)
7. Switched Inductor (SL)
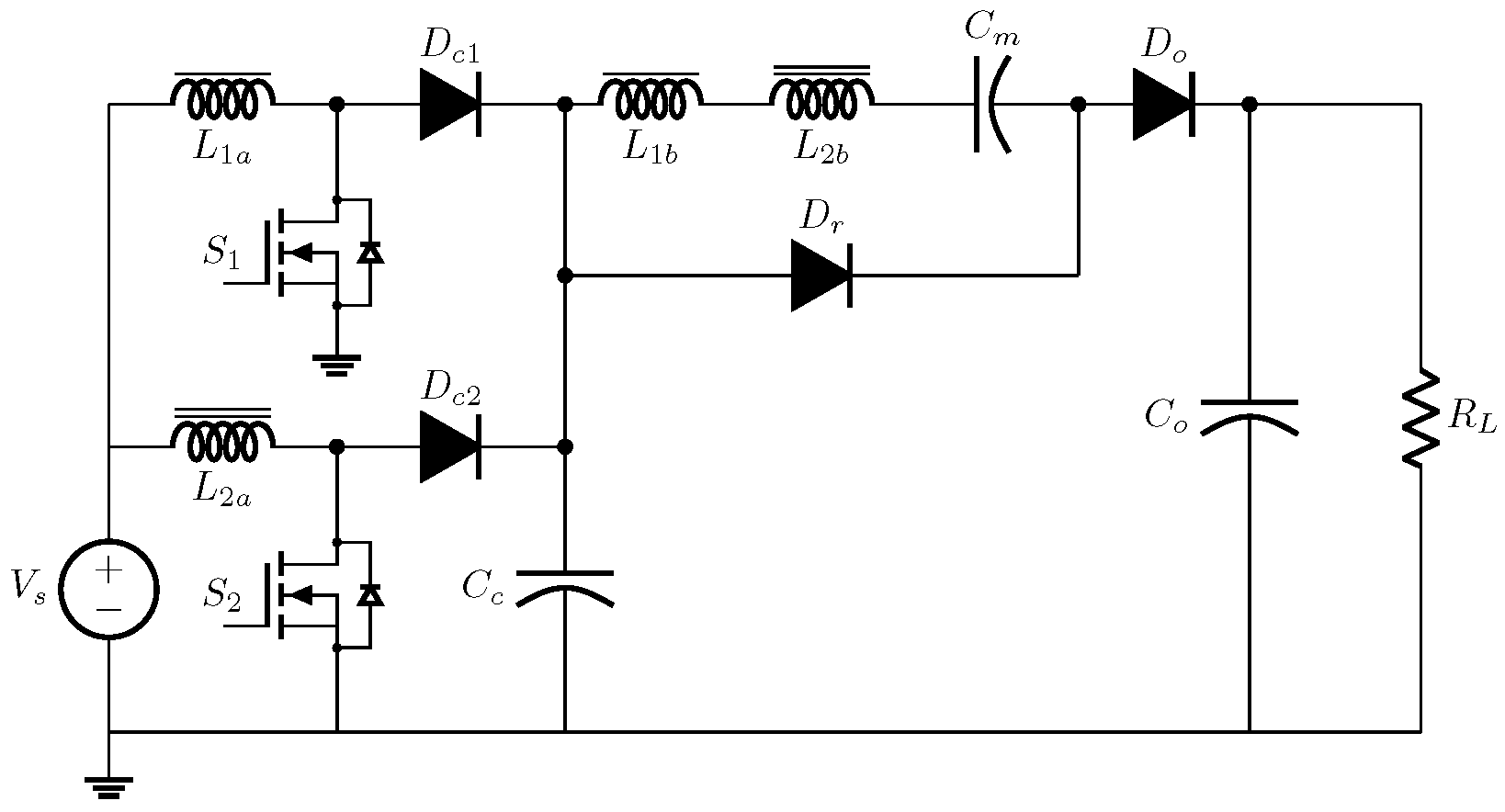
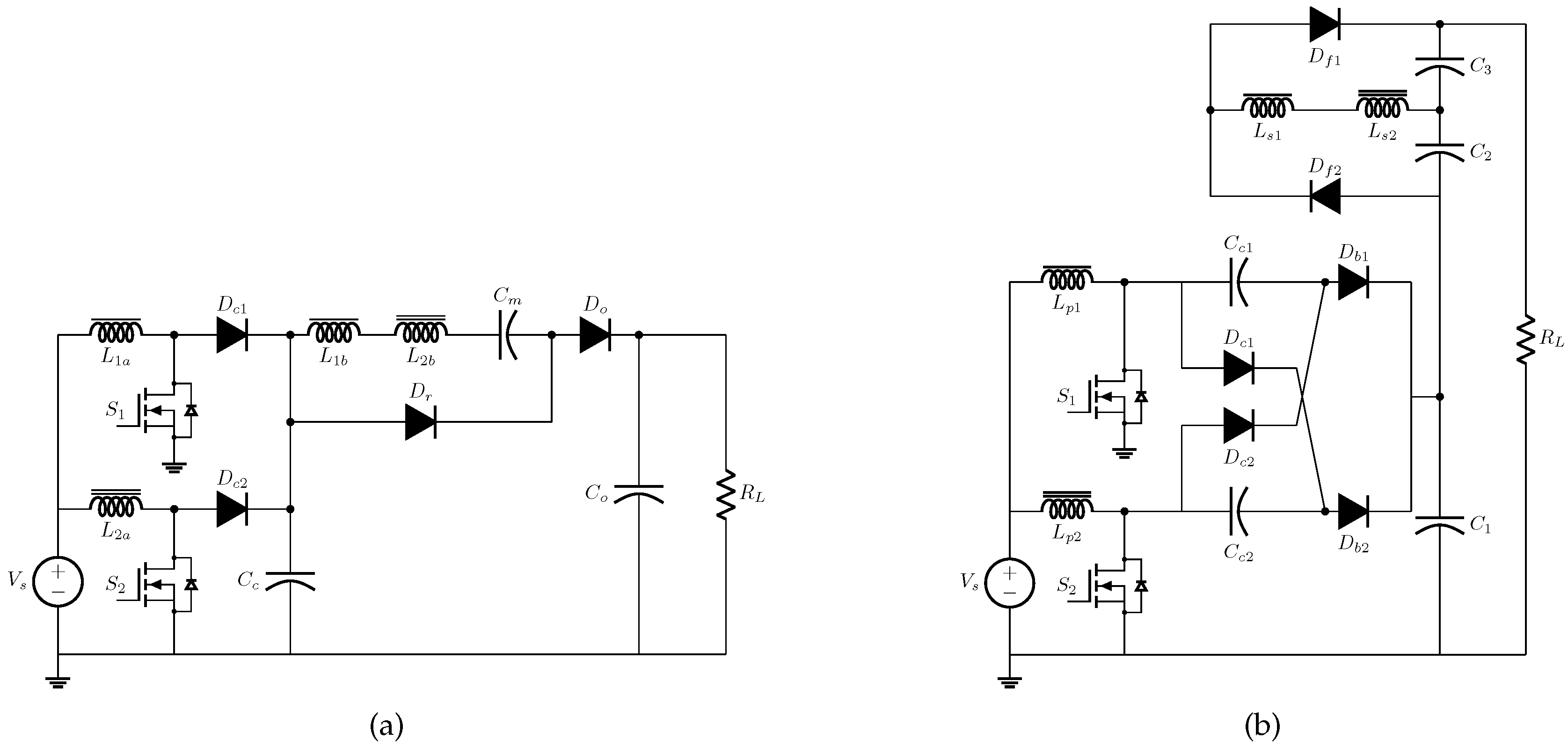
8. Magnetic Coupling
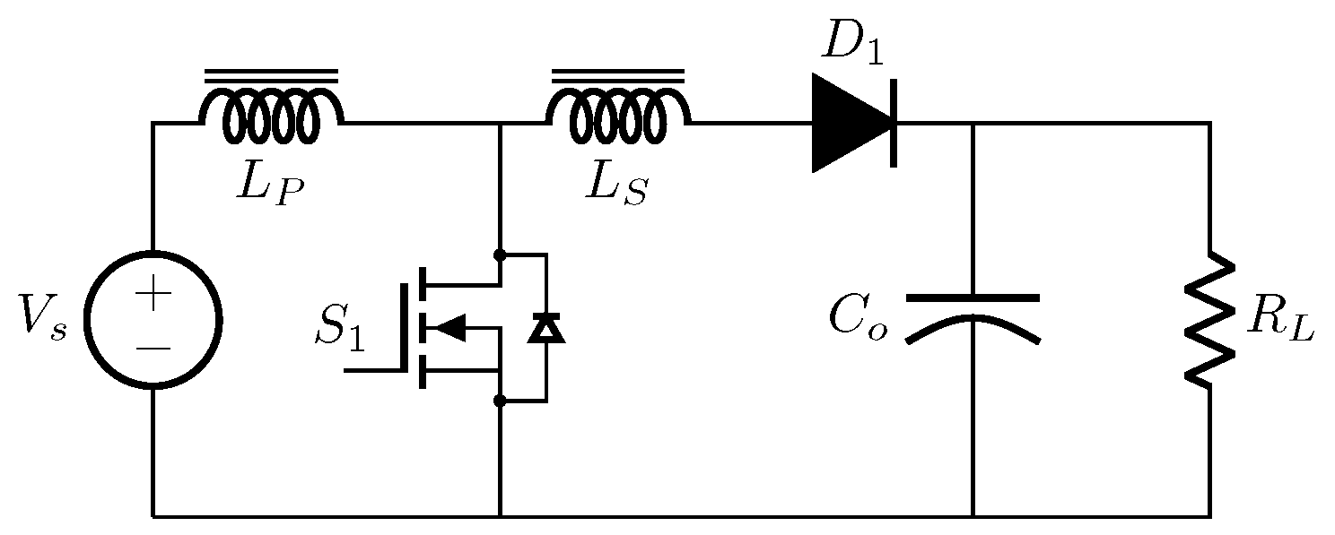
8.1. Transformer
8.2. Coupled Inductor
8.3. Multi-Track Structure
9. Applications
9.1. Portable and Medical Implantable Devices
9.2. Lighting Technology and Automotive
9.3. Information Technology (IT), Communications, and Space
9.4. Renewable Energy Sources (RESs) and Aircraft
10. Control Techniques
10.1. Linear Control
10.1.1. Classic Controller (CC)
10.1.2. Proportional Resonant Controller (PR)
10.1.3. Linear Quadratic Gaussian Controller (LQG)
10.2. Non-linear Control
10.2.1. Sliding Mode Controller (SMC)
10.2.2. Partial or Full Feedback Linearisation Controller (PFL or FFL)
10.2.3. Hysteresis Controller (HC)
10.3. Predictive Control (PC)
10.3.1. Deadbeat Controller
10.3.2. Model Predictive Controller (MPC)
10.4. Intelligent Control
10.4.1. Neural Network Controllers (NNC)
10.4.2. Repetitive Controllers (RC)
10.4.3. Fuzzy Logic Controllers (FLC)
10.5. Robust Control
10.5.1. -Synthesis Controller
10.5.2. H-Infinity Controller
10.6. Adaptive Control
10.7. Hybrid Control
11. Conclusion
12. Acknowledgement
References
- Figueres, E.; Garcera, G.; Sandia, J.; Gonzalez-Espin, F.; Calvo Rubio, J. Sensitivity Study of the Dynamics of Three-Phase Photovoltaic Inverters With an LCL Grid Filter. IEEE Transactions on Industrial Electronics 2009, 56, 706–717. [Google Scholar] [CrossRef]
- Li, Q.; Wolfs, P. A Review of the Single Phase Photovoltaic Module Integrated Converter Topologies With Three Different DC Link Configurations. IEEE Transactions on Power Electronics 2008, 23, 1320–1333. [Google Scholar] [CrossRef]
- Selvaraj, J.; Rahim, N.A. Multilevel Inverter For Grid-Connected PV System Employing Digital PI Controller. IEEE Transactions on Industrial Electronics 2009, 56, 149–158. [Google Scholar] [CrossRef]
- Shimizu, T.; Wada, K.; Nakamura, N. Flyback-Type Single-Phase Utility Interactive Inverter With Power Pulsation Decoupling on the DC Input for an AC Photovoltaic Module System. IEEE Transactions on Power Electronics 2006, 21, 1264–1272. [Google Scholar] [CrossRef]
- Li, W.; He, X. Review of Nonisolated High-Step-Up DC/DC Converters in Photovoltaic Grid-Connected Applications. IEEE Transactions on Industrial Electronics 2011, 58, 1239–1250. [Google Scholar] [CrossRef]
- Scarpa, V.V.R.; Buso, S.; Spiazzi, G. Low-Complexity MPPT Technique Exploiting the PV Module MPP Locus Characterization. IEEE Transactions on Industrial Electronics 2009, 56, 1531–1538. [Google Scholar] [CrossRef]
- Shimizu, T.; Hashimoto, O.; Kimura, G. A novel high-performance utility-interactive photovoltaic inverter system. IEEE Transactions on Power Electronics 2003, 18, 704–711. [Google Scholar] [CrossRef]
- Alonso, O.; Sanchis, P.; Gubia, E.; Marroyo, L. Cascaded H-bridge multilevel converter for grid connected photovoltaic generators with independent maximum power point tracking of each solar array. IEEE 34th Annual Conference on Power Electronics Specialist, 2003. PESC ’03., 2003, Vol. 2, pp. 731–735 vol.2. [CrossRef]
- Calais, M.; Agelidis, V. Multilevel converters for single-phase grid connected photovoltaic systems-an overview. IEEE International Symposium on Industrial Electronics. Proceedings. ISIE’98 (Cat. No.98TH8357), 1998, Vol. 1, pp. 224–229 vol.1. [CrossRef]
- Sivakumar, S.; Sathik, M.J.; Manoj, P.; Sundararajan, G. An assessment on performance of DC–DC converters for renewable energy applications. Renewable and Sustainable Energy Reviews 2016, 58, 1475–1485. [Google Scholar] [CrossRef]
- Saadat, P.; Abbaszadeh, K. A Single-Switch High Step-Up DC–DC Converter Based on Quadratic Boost. IEEE Transactions on Industrial Electronics 2016, 63, 7733–7742. [Google Scholar] [CrossRef]
- Forouzesh, M.; Shen, Y.; Yari, K.; Siwakoti, Y.P.; Blaabjerg, F. High-Efficiency High Step-Up DC–DC Converter With Dual Coupled Inductors for Grid-Connected Photovoltaic Systems. IEEE Transactions on Power Electronics 2018, 33, 5967–5982. [Google Scholar] [CrossRef]
- Robert, W.E.; Dragan, M. Fundamentals of power electronics, 2001. [CrossRef]
- Fardoun, A.A.; Ismail, E.H. Ultra Step-Up DC–DC Converter With Reduced Switch Stress. IEEE Transactions on Industry Applications 2010, 46, 2025–2034. [Google Scholar] [CrossRef]
- Huber, L.; Jovanovic, M. A design approach for server power supplies for networking applications. APEC 2000. Fifteenth Annual IEEE Applied Power Electronics Conference and Exposition (Cat. No.00CH37058), 2000, Vol. 2, pp. 1163–1169 vol.2. [CrossRef]
- Forouzesh, M.; Siwakoti, Y.P.; Gorji, S.A.; Blaabjerg, F.; Lehman, B. A survey on voltage boosting techniques for step-up DC-DC converters. In Proceedings of the 2016 IEEE Energy Conversion Congress and Exposition (ECCE), 2016, pp. 1–8. [CrossRef]
- Morales-Saldana, J.; Gutierrez, E.; Leyva-Ramos, J. Modeling of switch-mode dc-dc cascade converters. IEEE Transactions on Aerospace and Electronic Systems 2002, 38, 295–299. [Google Scholar] [CrossRef]
- Wu, T.F.; Yu, T.H. Unified approach to developing single-stage power converters. IEEE Transactions on Aerospace and Electronic Systems 1998, 34, 211–223. [Google Scholar] [CrossRef]
- Haroun, R.; Cid-Pastor, A.; Aroudi, A.E.; Martínez-Salamero, L. Synthesis of Canonical Elements for Power Processing in DC Distribution Systems Using Cascaded Converters and Sliding-Mode Control. IEEE Transactions on Power Electronics 2014, 29, 1366–1381. [Google Scholar] [CrossRef]
- Leyva-Ramos, J.; Ortiz-Lopez, M.; Diaz-Saldierna, L.; Morales-Saldana, J. Switching regulator using a quadratic boost converter for wide DC conversion ratios. IET Power Electronics 2009, 2, 605–613. [Google Scholar] [CrossRef]
- López-Santos, O.; Martínez-Salamero, L.; García, G.; Valderrama-Blavi, H.; Mercuri, D.O. Efficiency analysis of a sliding-mode controlled quadratic boost converter. IET Power Electronics 2013, 6, 364–373. [Google Scholar] [CrossRef]
- Choudhury, T.R.; Nayak, B. Comparison and analysis of cascaded and Quadratic Boost Converter. In Proceedings of the 2015 IEEE Power, Communication and Information Technology Conference (PCITC), 2015, pp. 78–83. [CrossRef]
- Boujelben, N.; Masmoudi, F.; Djemel, M.; Derbel, N. Design and comparison of quadratic boost and double cascade boost converters with boost converter. In Proceedings of the 2017 14th International Multi-Conference on Systems, Signals and Devices (SSD), 2017, pp. 245–252. [CrossRef]
- Chen, Z.; Yong, W.; Gao, W. PI and Sliding Mode Control of a Multi-Input-Multi-Output Boost-Boost Converter. WSEAS Transactions on Power Systems 2014, 9, 87–102. [Google Scholar]
- Amir, A.; Amir, A.; Che, H.S.; Elkhateb, A.; Abd Rahim, N. Comparative analysis of high voltage gain DC-DC converter topologies for photovoltaic systems. Renewable energy 2019, 136, 1147–1163. [Google Scholar] [CrossRef]
- Feng, X.; Liu, J.; Lee, F. Impedance specifications for stable DC distributed power systems. IEEE Transactions on Power Electronics 2002, 17, 157–162. [Google Scholar] [CrossRef]
- Leyva Ramos, J.; Ortiz-Lopez, M.G.; Morales-Saldana, J.A.; H., L. Control of a cascade boost converter with a single active switch. 2008 IEEE Power Electronics Specialists Conference, 2008, pp. 2383–2388. [CrossRef]
- Ortiz-Lopez, M.G.; Leyva-Ramos, J.; Diaz-Saldierna, L.H.; Carbajal-Gutierrez, E.E. Multiloop Controller for N-Stage Cascade Boost Converter. In Proceedings of the 2007 IEEE International Conference on Control Applications, 2007, pp. 587–592. [CrossRef]
- Andrade, A.M.S.S.; Hey, H.L.; Schuch, L.; da Silva Martins, M.L. Comparative Evaluation of Single Switch High-Voltage Step-Up Topologies Based on Boost and Zeta PWM Cells. IEEE Transactions on Industrial Electronics 2018, 65, 2322–2334. [Google Scholar] [CrossRef]
- Banaei, M.R.; Sani, S.G. Analysis and Implementation of a New SEPIC-Based Single-Switch Buck–Boost DC–DC Converter With Continuous Input Current. IEEE Transactions on Power Electronics 2018, 33, 10317–10325. [Google Scholar] [CrossRef]
- Sabzali, A.J.; Ismail, E.H.; Behbehani, H.M. High voltage step-up integrated double Boost–Sepic DC–DC converter for fuel-cell and photovoltaic applications. Renewable energy 2015, 82, 44–53. [Google Scholar] [CrossRef]
- Wijeratne, D.S.; Moschopoulos, G. Quadratic Power Conversion for Power Electronics: Principles and Circuits. IEEE Transactions on Circuits and Systems I: Regular Papers 2012, 59, 426–438. [Google Scholar] [CrossRef]
- Zhang, S.; Xu, J.; Yang, P. A single-switch high gain quadratic boost converter based on voltage-lift-technique. 2012 10th International Power and Energy Conference (IPEC), 2012, pp. 71–75. [CrossRef]
- Morales-Saldana, J.A.; Loera-Palomo, R.; Palacios-Hernández, E.; Gonzalez-Martinez, J.L. Modelling and control of a DC-DC quadratic boost converter with R 2 P 2. IET Power Electronics 2014, 7, 11–22. [Google Scholar] [CrossRef]
- Ye, Y.m.; Cheng, K.W.E. Quadratic boost converter with low buffer capacitor stress. IET Power Electronics 2014, 7, 1162–1170. [Google Scholar] [CrossRef]
- Kadri, R.; Gaubert, J.P.; Champenois, G.; Mostefaï, M. Performance analysis of transformless single switch quadratic boost converter for grid connected photovoltaic systems. In Proceedings of the The XIX International Conference on Electrical Machines - ICEM 2010, 2010, pp. 1–7. [Google Scholar] [CrossRef]
- Alkhaldi, A.; Akbar, F.; Elkhateb, A.; Laverty, D. N-Stage Quadratic Boost Converter Based on Voltage Lift Technique and Voltage Multiplier. The 11th International Conference on Power Electronics, Machines and Drives (PEMD 2022), 2022.
- Veerachary, M.; Kumar, N. Analysis and Design of Quadratic Following Boost Converter. IEEE Transactions on Industry Applications 2020, 56, 6657–6673. [Google Scholar] [CrossRef]
- Veerachary, M.; Kumar, N. Modified Quadratic Following Boost Converter - Robustness Considerations. In Proceedings of the 2020 IEEE International Conference on Computing, Power and Communication Technologies (GUCON), 2020, pp. 745–750. [CrossRef]
- Lee, S.W.; Do, H.L. Quadratic Boost DC–DC Converter With High Voltage Gain and Reduced Voltage Stresses. IEEE Transactions on Power Electronics 2019, 34, 2397–2404. [Google Scholar] [CrossRef]
- Jahangiri, H.; Mohammadpour, S.; Ajami, A. A high step-up DC-DC boost converter with coupled inductor based on quadratic converters. 2018 9th Annual Power Electronics, Drives Systems and Technologies Conference (PEDSTC), 2018, pp. 20–25. [CrossRef]
- Maheshwari, M.; Arounassalame, M. A Novel Integrated High Gain DC-DC Converter. In Proceedings of the 2019 IEEE International Conference on Electrical, Computer and Communication Technologies (ICECCT), 2019, pp. 1–6. [CrossRef]
- Axelrod, B.; Berkovich, Y.; Beck, Y. New Quadratic Sepic Converter with a Switched-Coupled Inductor. In Proceedings of the 2018 20th European Conference on Power Electronics and Applications (EPE’18 ECCE Europe), 2018, pp. P.1–P.9.
- Andrade, A.M.S.S.; Martins, M.L.d.S. Quadratic-Boost With Stacked Zeta Converter for High Voltage Gain Applications. IEEE Journal of Emerging and Selected Topics in Power Electronics 2017, 5, 1787–1796. [Google Scholar] [CrossRef]
- Pires, V.F.; Cordeiro, A.; Foito, D.; Silva, J.F. High Step-Up DC–DC Converter for Fuel Cell Vehicles Based on Merged Quadratic Boost–Ćuk. IEEE Transactions on Vehicular Technology 2019, 68, 7521–7530. [Google Scholar] [CrossRef]
- Li, G.; Jin, X.; Chen, X.; Mu, X. A novel quadratic boost converter with low inductor currents. CPSS Transactions on Power Electronics and Applications 2020, 5, 1–10. [Google Scholar] [CrossRef]
- Hu, X.; Gong, C. A High Voltage Gain DC–DC Converter Integrating Coupled-Inductor and Diode–Capacitor Techniques. IEEE Transactions on Power Electronics 2014, 29, 789–800. [Google Scholar] [CrossRef]
- Zhang, N.; Sutanto, D.; Muttaqi, K.M.; Zhang, B.; Qiu, D. High-voltage-gain quadratic boost converter with voltage multiplier. IET Power Electronics 2015, 8, 2511–2519. [Google Scholar] [CrossRef]
- Ghafour, Z.A.; Ajel, A.R.; Yasin, N.M. A New High Gain Quadratic DC-DC Boost Converter for Photovoltaic Applications. In Proceedings of the 2022 10th International Conference on Smart Grid (icSmartGrid), 2022, pp. 137–144. [CrossRef]
- Alizadeh, D.; Babaei, E.; Sabahi, M. High Step-Up Quadratic Impedance Source DC-DC Converter Based on Coupled Inductor. IEEE Journal of Emerging and Selected Topics in Power Electronics, 2020; pp. 1–1. [Google Scholar] [CrossRef]
- Gupta, A.; Korada, N.; Ayyanar, R. Quadratic-Extended-Duty-Ratio Boost Converters for Ultra High Gain Application with Low Input Current Ripple and Low Device Stress. IEEE Transactions on Industry Applications, 2020; pp. 1–11. [Google Scholar] [CrossRef]
- Abbasi, V.; Rostami, S.; Hemmati, S.; Ahmadian, S. Ultrahigh Step-Up Quadratic Boost Converter Using Coupled Inductors With Low Voltage Stress on the Switches. IEEE Journal of Emerging and Selected Topics in Power Electronics 2022, 10, 7733–7743. [Google Scholar] [CrossRef]
- Li, W.; Zhao, Y.; Deng, Y.; He, X. Interleaved Converter With Voltage Multiplier Cell for High Step-Up and High-Efficiency Conversion. IEEE Transactions on Power Electronics 2010, 25, 2397–2408. [Google Scholar] [CrossRef]
- Tseng, K.C.; Huang, C.C. High Step-Up High-Efficiency Interleaved Converter With Voltage Multiplier Module for Renewable Energy System. IEEE Transactions on Industrial Electronics 2014, 61, 1311–1319. [Google Scholar] [CrossRef]
- Li, W.; Xiang, X.; Li, C.; Li, W.; He, X. Interleaved High Step-Up ZVT Converter With Built-In Transformer Voltage Doubler Cell for Distributed PV Generation System. IEEE Transactions on Power Electronics 2013, 28, 300–313. [Google Scholar] [CrossRef]
- Samuel, V.J.; Keerthi, G.; Prabhakar, M. High Gain Interleaved Quadratic Boost DCDC Converter. In Proceedings of the 2019 2nd International Conference on Power and Embedded Drive Control (ICPEDC), 2019, pp. 390–395. [CrossRef]
- Tseng, S.Y.; Hsu, C.Y. Interleaved step-up converter with a single-capacitor snubber for PV energy conversion applications. International Journal of Electrical Power & Energy Systems 2013, 53, 909–922. [Google Scholar]
- Li, W.; Wu, J.; Wang, D.; Deng, Y.; He, X. A Family of Interleaved DC/DC Convert Deduced from a Basic Cell with Winding-Coupled Inductors for High Step-Up/Step-Down Conversions. In Proceedings of the 2007 IEEE Power Electronics Specialists Conference, 2007, pp. 2335–2340. [CrossRef]
- Li, W.; He, X. An Interleaved Winding-Coupled Boost Converter With Passive Lossless Clamp Circuits. IEEE Transactions on Power Electronics 2007, 22, 1499–1507. [Google Scholar] [CrossRef]
- Mittle, A.; Singh, R.K.; J, S.C. A New Interleaved High Step-up DC-DC Converter. In Proceedings of the 2019 IEEE Students Conference on Engineering and Systems (SCES), 2019, pp. 1–5. [CrossRef]
- Sedaghati, F.; Eskandarpour Azizkandi, M.; Majareh, S.H.L.; Shayeghi, H. A High-Efficiency Non-Isolated High-Gain Interleaved DC-DC Converter with Reduced Voltage Stress on Devices. In Proceedings of the 2019 10th International Power Electronics, Drive Systems and Technologies Conference (PEDSTC), 2019, pp. 729–734. [CrossRef]
- Alghaythi, M.L.; O’Connell, R.M.; Islam, N.E.; Khan, M.M.S.; Guerrero, J.M. A High Step-Up Interleaved DC-DC Converter With Voltage Multiplier and Coupled Inductors for Renewable Energy Systems. IEEE Access 2020, 8, 123165–123174. [Google Scholar] [CrossRef]
- Zhang, F.; Peng, F.; Qian, Z. Study of the multilevel converters in DC-DC applications. In Proceedings of the 2004 IEEE 35th Annual Power Electronics Specialists Conference (IEEE Cat. No.04CH37551), 2004, Vol. 2, pp. 1702–1706 Vol.2. [CrossRef]
- Khan, F.H.; Tolbert, L.M. A Multilevel Modular Capacitor-Clamped DC–DC Converter. IEEE Transactions on Industry Applications 2007, 43, 1628–1638. [Google Scholar] [CrossRef]
- Cao, D.; Peng, F.Z. Zero-Current-Switching Multilevel Modular Switched-Capacitor DC–DC Converter. IEEE Transactions on Industry Applications 2010, 46, 2536–2544. [Google Scholar] [CrossRef]
- Khan, F.H.; Tolbert, L.M. Multiple-Load–Source Integration in a Multilevel Modular Capacitor-Clamped DC–DC Converter Featuring Fault Tolerant Capability. IEEE Transactions on Power Electronics 2009, 24, 14–24. [Google Scholar] [CrossRef]
- Qian, W.; Cao, D.; Cintron-Rivera, J.G.; Gebben, M.; Wey, D.; Peng, F.Z. A Switched-Capacitor DC–DC Converter With High Voltage Gain and Reduced Component Rating and Count. IEEE Transactions on Industry Applications 2012, 48, 1397–1406. [Google Scholar] [CrossRef]
- Walker, G.; Sernia, P. Cascaded DC-DC converter connection of photovoltaic modules. IEEE Transactions on Power Electronics 2004, 19, 1130–1139. [Google Scholar] [CrossRef]
- Echeverría, J.; Kouro, S.; Pérez, M.; Abu-rub, H. Multi-modular cascaded DC-DC converter for HVDC grid connection of large-scale photovoltaic power systems. In Proceedings of the IECON 2013 - 39th Annual Conference of the IEEE Industrial Electronics Society, 2013, pp. 6999–7005. [CrossRef]
- Rivera, S.; Kouro, S.; Wu, B.; Leon, J.I.; Rodríguez, J.; Franquelo, L.G. Cascaded H-bridge multilevel converter multistring topology for large scale photovoltaic systems. In Proceedings of the 2011 IEEE International Symposium on Industrial Electronics, 2011, pp. 1837–1844. [CrossRef]
- Kutkut, N.; Divan, D. Dynamic equalization techniques for series battery stacks. In Proceedings of the Proceedings of Intelec’96 - International Telecommunications Energy Conference, 1996, pp. 514–521. [CrossRef]
- Cheong, S.; Chung, S.; Ioinovici, A. Development of power electronics converters based on switched-capacitor circuits. In Proceedings of the [Proceedings] 1992 IEEE International Symposium on Circuits and Systems, 1992, Vol. 4, pp. 1907–1910 vol.4. [CrossRef]
- Ueno, F.; Inoue, T.; Umeno, T.; Oota, I. Analysis and application of switched-capacitor transformers by formulation. Electronics and Communications in Japan (Part II: Electronics) 1990, 73, 91–103. [Google Scholar] [CrossRef]
- Cheong, S.; Chung, H.; Ioinovici, A. Inductorless DC-to-DC converter with high power density. IEEE Transactions on Industrial Electronics 1994, 41, 208–215. [Google Scholar] [CrossRef]
- Mak, O.C.; Wong, Y.C.; Ioinovici, A. Step-up DC power supply based on a switched-capacitor circuit. IEEE Transactions on Industrial Electronics 1995, 42, 90–97. [Google Scholar] [CrossRef]
- Seeman, M.D. A design methodology for switched-capacitor DC-DC converters; University of California, Berkeley, 2009.
- Ioinovici, A. Switched-capacitor power electronics circuits. IEEE Circuits and Systems Magazine 2001, 1, 37–42. [Google Scholar] [CrossRef]
- Ismail, E.H.; Al-Saffar, M.A.; Sabzali, A.J.; Fardoun, A.A. A Family of Single-Switch PWM Converters With High Step-Up Conversion Ratio. IEEE Transactions on Circuits and Systems I: Regular Papers 2008, 55, 1159–1171. [Google Scholar] [CrossRef]
- Hassan, W.; Lu, D.D.C.; Xiao, W. Single-Switch High Step-Up DC–DC Converter With Low and Steady Switch Voltage Stress. IEEE Transactions on Industrial Electronics 2019, 66, 9326–9338. [Google Scholar] [CrossRef]
- Umeno, T.; Takahashi, K.; Ueno, F.; Inoue, T.; Oota, I. A new approach to low ripple-noise switching converters on the basis of switched-capacitor converters. In Proceedings of the 1991., IEEE International Sympoisum on Circuits and Systems, 1991, pp. 1077–1080 vol.2. [CrossRef]
- Li, S.; Li, Z.; Shang, W.; Zheng, S.; Jia, P. A Family of Hybrid Step-up DC-DC Converters based on Switched-capacitor Converters. 2020 IEEE 9th International Power Electronics and Motion Control Conference (IPEMC2020-ECCE Asia), 2020, pp. 497–502. [CrossRef]
- Lei, H.; Hao, R.; You, X.; Li, F. Nonisolated High Step-Up Soft-Switching DC–DC Converter With Interleaving and Dickson Switched-Capacitor Techniques. IEEE Journal of Emerging and Selected Topics in Power Electronics 2020, 8, 2007–2021. [Google Scholar] [CrossRef]
- Law, K.; Cheng, K.; Yeung, Y. Design and analysis of switched-capacitor-based step-up resonant converters. IEEE Transactions on Circuits and Systems I: Regular Papers 2005, 52, 943–948. [Google Scholar] [CrossRef]
- Schaef, C.; Stauth, J.T. A Highly Integrated Series–Parallel Switched-Capacitor Converter With 12 V Input and Quasi-Resonant Voltage-Mode Regulation. IEEE Journal of Emerging and Selected Topics in Power Electronics 2018, 6, 456–464. [Google Scholar] [CrossRef]
- Prudente, M.; Pfitscher, L.L.; Emmendoerfer, G.; Romaneli, E.F.; Gules, R. Voltage Multiplier Cells Applied to Non-Isolated DC–DC Converters. IEEE Transactions on Power Electronics 2008, 23, 871–887. [Google Scholar] [CrossRef]
- Axelrod, B.; Berkovich, Y.; Ioinovici, A. Switched-Capacitor/Switched-Inductor Structures for Getting Transformerless Hybrid DC–DC PWM Converters. IEEE Transactions on Circuits and Systems I: Regular Papers 2008, 55, 687–696. [Google Scholar] [CrossRef]
- Prudente, M.; Pfitscher, L.L.; Emmendoerfer, G.; Romaneli, E.F.; Gules, R. Voltage Multiplier Cells Applied to Non-Isolated DC–DC Converters. IEEE Transactions on Power Electronics 2008, 23, 871–887. [Google Scholar] [CrossRef]
- Elmakawi, A.M.; Bayındır, K.Ç. Novel Single Switch High Gain Non-isolated DC-DC Converter for Building Integrated Photovoltaic Systems. In Proceedings of the 2019 1st Global Power, Energy and Communication Conference (GPECOM), 2019, pp. 265–269. [CrossRef]
- Moradpour, R.; Ardi, H.; Tavakoli, A. Design and Implementation of a New SEPIC-Based High Step-Up DC/DC Converter for Renewable Energy Applications. IEEE Transactions on Industrial Electronics 2018, 65, 1290–1297. [Google Scholar] [CrossRef]
- Hasanpour, S.; Baghramian, A.; Mojallali, H. A Modified SEPIC-Based High Step-Up DC–DC Converter With Quasi-Resonant Operation for Renewable Energy Applications. IEEE Transactions on Industrial Electronics 2019, 66, 3539–3549. [Google Scholar] [CrossRef]
- Zhao, Y.; Xiang, X.; Li, C.; Gu, Y.; Li, W.; He, X. Single-Phase High Step-up Converter With Improved Multiplier Cell Suitable for Half-Bridge-Based PV Inverter System. IEEE Transactions on Power Electronics 2014, 29, 2807–2816. [Google Scholar] [CrossRef]
- Lee, W.J.; Kim, C.E.; Moon, G.W.; Han, S.K. A New Phase-Shifted Full-Bridge Converter With Voltage-Doubler-Type Rectifier for High-Efficiency PDP Sustaining Power Module. IEEE Transactions on Industrial Electronics 2008, 55, 2450–2458. [Google Scholar] [CrossRef]
- Hu, X.; Gong, C. A High Gain Input-Parallel Output-Series DC/DC Converter With Dual Coupled Inductors. IEEE Transactions on Power Electronics 2015, 30, 1306–1317. [Google Scholar] [CrossRef]
- Lee, S.; Kim, P.; Choi, S. High Step-Up Soft-Switched Converters Using Voltage Multiplier Cells. IEEE Transactions on Power Electronics 2013, 28, 3379–3387. [Google Scholar] [CrossRef]
- Park, K.B.; Moon, G.W.; Youn, M.J. High Step-up Boost Converter Integrated With a Transformer-Assisted Auxiliary Circuit Employing Quasi-Resonant Operation. IEEE Transactions on Power Electronics 2012, 27, 1974–1984. [Google Scholar] [CrossRef]
- Nymand, M.; Andersen, M.A.E. High-Efficiency Isolated Boost DC–DC Converter for High-Power Low-Voltage Fuel-Cell Applications. IEEE Transactions on Industrial Electronics 2010, 57, 505–514. [Google Scholar] [CrossRef]
- Liang, T.J.; Lee, J.H.; Chen, S.M.; Chen, J.F.; Yang, L.S. Novel Isolated High-Step-Up DC–DC Converter With Voltage Lift. IEEE Transactions on Industrial Electronics 2013, 60, 1483–1491. [Google Scholar] [CrossRef]
- Luo, F.L. Luo-converters, voltage lift technique. In Proceedings of the PESC 98 Record. 29th Annual IEEE Power Electronics Specialists Conference (Cat. No.98CH36196), 1998, Vol. 2, pp. 1783–1789 vol.2. [CrossRef]
- Totonchi, N.; Gholizadeh, H.; Mahdizadeh, S.; Afjei, E. A High Step up DC-DC Converter Based on the Cascade Boost, Voltage Multiplier Cell and Self Lift Luo Converter. In Proceedings of the 2020 10th Smart Grid Conference (SGC), 2020, pp. 1–5. [CrossRef]
- Mohammadzadeh Shahir, F.; Babaei, E.; Farsadi, M. Voltage-Lift Technique Based Nonisolated Boost DC–DC Converter: Analysis and Design. IEEE Transactions on Power Electronics 2018, 33, 5917–5926. [Google Scholar] [CrossRef]
- Shahir, F.M.; Babaei, E.; Farsadi, M. Extended Topology for a Boost DC–DC Converter. IEEE Transactions on Power Electronics 2019, 34, 2375–2384. [Google Scholar] [CrossRef]
- Luo, F.L.; Ye, H. Advanced dc/dc converters; crc Press, 2016.
- Luo, F.L. Six self-lift DC-DC converters, voltage lift technique. IEEE Transactions on Industrial Electronics 2001, 48, 1268–1272. [Google Scholar] [CrossRef]
- Zhu, M.; Luo, F. Series SEPIC implementing voltage-lift technique for DC–DC power conversion. IET Power Electronics 2008, 1, 109–121. [Google Scholar] [CrossRef]
- Laha, A. A High Voltage Gain Quadratic Boost Converter using a Voltage Doubler and Voltage-Lift Technique. 2020 IEEE International Conference on Power Electronics, Smart Grid and Renewable Energy (PESGRE2020), 2020, pp. 1–6. [CrossRef]
- Chakraborty, S.; Kumar, A. A High Step-Up Transformerless DC-DC Quadratic Boost Converter using Voltage-Lift Switched Inductor and Voltage Multiplier. In Proceedings of the 2022 IEEE IAS Global Conference on Emerging Technologies (GlobConET), 2022, pp. 170–175. [CrossRef]
- Li, Y.; Sathiakumar, S. Improved Quadratic Boost Converter Based on the Voltage Lift Technique. 2017 Asia Modelling Symposium (AMS), 2017, pp. 139–144. [CrossRef]
- Radhika, S.; Margaret, V. A Comparative Assessment of Cascaded Double Voltage Lift Boost Converter. In Proceedings of the 2020 Fifth International Conference on Research in Computational Intelligence and Communication Networks (ICRCICN), 2020, pp. 177–180. [CrossRef]
- Ye, Y.; Cheng, K.W.E. A Family of Single-Stage Switched-Capacitor–Inductor PWM Converters. IEEE Transactions on Power Electronics 2013, 28, 5196–5205. [Google Scholar] [CrossRef]
- Jiao, Y.; Luo, F.; Zhu, M. Voltage-lift-type switched-inductor cells for enhancing DC–DC boost ability: principles and integrations in Luo converter. IET Power electronics 2011, 4, 131–142. [Google Scholar] [CrossRef]
- Almalaq, Y.; Alateeq, A.; Matin, M. A Non-Isolated High Gain Switched-Inductor Switched-Capacitor Step-Up Converter for Renewable Energy Applications. In Proceedings of the 2018 IEEE International Conference on Electro/Information Technology (EIT), 2018, pp. 0134–0137. [CrossRef]
- Okochi, S.; Koizumi, H. A High Step-Up Single Switch DC-DC Converter With Switched-Inductors and Switched-Capacitors. In Proceedings of the 2019 IEEE 4th International Future Energy Electronics Conference (IFEEC), 2019, pp. 1–6. [CrossRef]
- Mahajan, S.B.; Sanjeevikumar, P.; Wheeler, P.; Blaabjerg, F.; Rivera, M.; Kulkarni, R. X-Y converter family: A new breed of buck boost converter for high step-up renewable energy applications. In Proceedings of the 2016 IEEE International Conference on Automatica (ICA-ACCA), 2016, pp. 1–8. [CrossRef]
- Ranjana, M.S.B.; SreeramulaReddy, N.; Kumar, R.K.P. A novel non-isolated switched inductor floating output DC-DC multilevel boost converter for fuelcell applications. In Proceedings of the 2014 IEEE Students’ Conference on Electrical, Electronics and Computer Science, 2014, pp. 1–5. [CrossRef]
- Choudhury, T.R.; Nayak, B.; Santra, S.B. A Novel Switch Current Stress Reduction Technique for Single Switch Boost-Flyback Integrated High Step Up DC–DC Converter. IEEE Transactions on Industrial Electronics 2019, 66, 6876–6886. [Google Scholar] [CrossRef]
- Eskandari, R.; Babaei, E.; Sabahi, M.; Ojaghkandi, S.R. Interleaved high step-up zero-voltage zero-current switching boost DC–DC converter. IET Power Electronics 2020, 13, 96–103. [Google Scholar] [CrossRef]
- Song, W.; Lehman, B. Dual-bridge DC-DC converter: a new topology characterized with no deadtime operation. IEEE Transactions on Power Electronics 2004, 19, 94–103. [Google Scholar] [CrossRef]
- Song, W.; Lehman, B. Current-Fed Dual-Bridge DC–DC Converter. IEEE Transactions on Power Electronics 2007, 22, 461–469. [Google Scholar] [CrossRef]
- Du, Y.; Lukic, S.; Jacobson, B.; Huang, A. Review of high power isolated bi-directional DC-DC converters for PHEV/EV DC charging infrastructure. In Proceedings of the 2011 IEEE Energy Conversion Congress and Exposition, 2011, pp. 553–560. [CrossRef]
- Forouzesh, M.; Baghramian, A. Galvanically isolated high gain Y-source DC–DC converters for dispersed power generation. IET Power Electronics 2016, 9, 1192–1203. [Google Scholar] [CrossRef]
- Husev, O.; Liivik, L.; Blaabjerg, F.; Chub, A.; Vinnikov, D.; Roasto, I. Galvanically Isolated Quasi-Z-Source DC–DC Converter With a Novel ZVS and ZCS Technique. IEEE Transactions on Industrial Electronics 2015, 62, 7547–7556. [Google Scholar] [CrossRef]
- Chub, A.; Vinnikov, D.; Blaabjerg, F.; Peng, F.Z. A Review of Galvanically Isolated Impedance-Source DC–DC Converters. IEEE Transactions on Power Electronics 2016, 31, 2808–2828. [Google Scholar] [CrossRef]
- Alhurayyis, I.; Elkhateb, A.; Morrow, J. Isolated and Nonisolated DC-to-DC Converters for Medium-Voltage DC Networks: A Review. IEEE Journal of Emerging and Selected Topics in Power Electronics 2021, 9, 7486–7500. [Google Scholar] [CrossRef]
- Zhao, Q.; Lee, F. High-efficiency, high step-up DC-DC converters. IEEE Transactions on Power Electronics 2003, 18, 65–73. [Google Scholar] [CrossRef]
- Wai, R.J.; Duan, R.Y. High step-up converter with coupled-inductor. IEEE Transactions on Power Electronics 2005, 20, 1025–1035. [Google Scholar] [CrossRef]
- Hsieh, Y.P.; Chen, J.F.; Liang, T.J.; Yang, L.S. Novel High Step-Up DC–DC Converter for Distributed Generation System. IEEE Transactions on Industrial Electronics 2013, 60, 1473–1482. [Google Scholar] [CrossRef]
- Siwakoti, Y.P.; Blaabjerg, F.; Loh, P.C. Ultra-step-up DC-DC converter with integrated autotransformer and coupled inductor. 2016 IEEE Applied Power Electronics Conference and Exposition (APEC), 2016, pp. 1872–1877. [CrossRef]
- Forouzesh, M.; Yari, K.; Baghramian, A.; Hasanpour, S. Single-switch high step-up converter based on coupled inductor and switched capacitor techniques with quasi-resonant operation. IET Power Electronics 2017, 10, 240–250. [Google Scholar] [CrossRef]
- Hasanpour, S.; Siwakoti, Y.P.; Blaabjerg, F. A New High Efficiency High Step-Up DC/DC Converter for Renewable Energy Applications. IEEE Transactions on Industrial Electronics 2023, 70, 1489–1500. [Google Scholar] [CrossRef]
- Talebi, P.; Packnezhad, M.; Farzanehfard, H. Fully Soft Switched Ultra-High Step-Up Converter With Very Low Switch Voltage Stress. IEEE Transactions on Power Electronics, 2022; 1–8. [Google Scholar] [CrossRef]
- Taheri, S.M.; Baghramian, A.; Pourseyedi, S.A. A Novel High Step-Up SEPIC-Based Non-Isolated Three-Port DC-DC Converter Proper for Renewable Energy Applications. IEEE Transactions on Industrial Electronics, 2022; 1–9. [Google Scholar] [CrossRef]
- Habibi, S.; Rahimi, R.; Ferdowsi, M.; Shamsi, P. Coupled Inductor Based Single-Switch Quadratic High Step-Up DC-DC Converters with Reduced Voltage Stress on Switch. IEEE Journal of Emerging and Selected Topics in Industrial Electronics, 2022; 1–12. [Google Scholar] [CrossRef]
- Schmitz, L.; Martins, D.C.; Coelho, R.F. Three-Terminal Gain Cells Based on Coupled Inductor and Voltage Multiplers for High Step-Up Conversion. IEEE Transactions on Circuits and Systems II: Express Briefs, 2022; 1–1. [Google Scholar] [CrossRef]
- Ardi, H.; Ajami, A.; Sabahi, M. A Novel High Step-Up DC–DC Converter With Continuous Input Current Integrating Coupled Inductor for Renewable Energy Applications. IEEE Transactions on Industrial Electronics 2018, 65, 1306–1315. [Google Scholar] [CrossRef]
- Das, M.; Pal, M.; Agarwal, V. Novel High Gain, High Efficiency DC–DC Converter Suitable for Solar PV Module Integration With Three-Phase Grid Tied Inverters. IEEE Journal of Photovoltaics 2019, 9, 528–537. [Google Scholar] [CrossRef]
- Minami, M.; Tomoeda, K. An Analysis of Operation in Single-Switch High Step-up DC-DC Converter with Three-winding Coupled Inductor. In Proceedings of the 2019 IEEE Applied Power Electronics Conference and Exposition (APEC), 2019, pp. 2135–2137. [CrossRef]
- Siwakoti, Y.P.; Peng, F.Z.; Blaabjerg, F.; Loh, P.C.; Town, G.E. Impedance-Source Networks for Electric Power Conversion Part I: A Topological Review. IEEE Transactions on Power Electronics 2015, 30, 699–716. [Google Scholar] [CrossRef]
- Siwakoti, Y.P.; Peng, F.Z.; Blaabjerg, F.; Loh, P.C.; Town, G.E.; Yang, S. Impedance-Source Networks for Electric Power Conversion Part II: Review of Control and Modulation Techniques. IEEE Transactions on Power Electronics 2015, 30, 1887–1906. [Google Scholar] [CrossRef]
- Siwakoti, Y.P.; Loh, P.C.; Blaabjerg, F.; Andreasen, S.J.; Town, G.E. Y-Source Boost DC/DC Converter for Distributed Generation. IEEE Transactions on Industrial Electronics 2015, 62, 1059–1069. [Google Scholar] [CrossRef]
- Siwakoti, Y.P.; Blaabjerg, F.; Loh, P.C. Quasi-Y-Source Boost DC–DC Converter. IEEE Transactions on Power Electronics 2015, 30, 6514–6519. [Google Scholar] [CrossRef]
- Siwakoti, Y.P.; Blaabjerg, F.; Chiang Loh, P. High Step-Up Trans-Inverse (Tx–1) DC–DC Converter for the Distributed Generation System. IEEE Transactions on Industrial Electronics 2016, 63, 4278–4291. [Google Scholar] [CrossRef]
- Lai, J.S.; Peng, F.Z. Multilevel converters-a new breed of power converters. IEEE Transactions on Industry Applications 1996, 32, 509–517. [Google Scholar] [CrossRef]
- Meynard, T.; Foch, H. Multi-level conversion: high voltage choppers and voltage-source inverters. PESC ’92 Record. In Proceedings of the 23rd Annual IEEE Power Electronics Specialists Conference, 1992, pp. 397–403 vol.1. [CrossRef]
- Sanders, S.R.; Alon, E.; Le, H.P.; Seeman, M.D.; John, M.; Ng, V.W. The Road to Fully Integrated DC–DC Conversion via the Switched-Capacitor Approach. IEEE Transactions on Power Electronics 2013, 28, 4146–4155. [Google Scholar] [CrossRef]
- Hamma, F.; Meynard, T.; Tourkhani, F.; Viarouge, P. Characteristics and design of multilevel choppers. In Proceedings of the Proceedings of PESC ’95 - Power Electronics Specialist Conference, 1995, Vol. 2, pp. 1208–1214 vol.2. [CrossRef]
- Sun, J.; Xu, M.; Ying, Y.; Lee, F.C. High power density, high efficiency system two-stage power architecture for laptop computers. 2006 37th IEEE Power Electronics Specialists Conference, 2006, pp. 1–7. [CrossRef]
- Xu, M.; Sun, J.; Lee, F. Voltage divider and its application in the two-stage power architecture. In Proceedings of the Twenty-First Annual IEEE Applied Power Electronics Conference and Exposition, 2006. APEC ’06., 2006, pp. 7 pp.–. [CrossRef]
- Chen, M.; Afridi, K.K.; Chakraborty, S.; Perreault, D.J. Multitrack Power Conversion Architecture. IEEE Transactions on Power Electronics 2017, 32, 325–340. [Google Scholar] [CrossRef]
- Lu, D.D.C.; Agelidis, V.G. Photovoltaic-Battery-Powered DC Bus System for Common Portable Electronic Devices. IEEE Transactions on Power Electronics 2009, 24, 849–855. [Google Scholar] [CrossRef]
- Sahu, B.; Rincon-Mora, G. A low voltage, dynamic, noninverting, synchronous buck-boost converter for portable applications. IEEE Transactions on Power Electronics 2004, 19, 443–452. [Google Scholar] [CrossRef]
- Si, P.; Hu, A.P.; Hsu, J.W.; Chiang, M.; Wang, Y.; Malpas, S.; Budgett, D. Wireless Power Supply for Implantable Biomedical Device Based on Primary Input Voltage Regulation. In Proceedings of the 2007 2nd IEEE Conference on Industrial Electronics and Applications, 2007, pp. 235–239. [CrossRef]
- Mounaim, F.; Sawan, M.; El-Gamal, M. Fully-integrated inductive power recovery front-end dedicated to implantable devices. In Proceedings of the 2008 IEEE Biomedical Circuits and Systems Conference, 2008, pp. 105–108. [CrossRef]
- Chae, C.S.; Le, H.P.; Lee, K.C.; Cho, G.H.; Cho, G.H. A Single-Inductor Step-Up DC-DC Switching Converter With Bipolar Outputs for Active Matrix OLED Mobile Display Panels. IEEE Journal of Solid-State Circuits 2009, 44, 509–524. [Google Scholar] [CrossRef]
- Xu, X.; Wu, X. High dimming ratio LED driver with fast transient boost converter. In Proceedings of the 2008 IEEE Power Electronics Specialists Conference, 2008, pp. 4192–4195. [CrossRef]
- Hsieh, C.Y.; Chen, K.H. Boost DC-DC Converter With Fast Reference Tracking (FRT) and Charge-Recycling (CR) Techniques for High-Efficiency and Low-Cost LED Driver. IEEE Journal of Solid-State Circuits 2009, 44, 2568–2580. [Google Scholar] [CrossRef]
- Cheng, Y.; Cheng, K. General Study for using LED to replace traditional lighting devices. In Proceedings of the 2006 2nd International Conference on Power Electronics Systems and Applications, 2006, pp. 173–177. [CrossRef]
- Zhao, Q.; Hu, Y.; Lee, F.; Sabate, J.; Li, F. A high efficiency DC/DC converter as the front-end stage of high intensity discharge lamp ballasts for automobiles. In Proceedings of the Proceedings IPEMC 2000. Third International Power Electronics and Motion Control Conference (IEEE Cat. No.00EX435), 2000, Vol. 2, pp. 752–756 vol.2. [CrossRef]
- Li, Z.; Hoshina, S.; Satake, N.; Nogi, M. Development of DC/DC Converter for Battery Energy Storage Supporting Railway DC Feeder Systems. IEEE Transactions on Industry Applications 2016, 52, 4218–4224. [Google Scholar] [CrossRef]
- Garcia, P.; Fernandez, L.M.; Garcia, C.A.; Jurado, F. Energy Management System of Fuel-Cell-Battery Hybrid Tramway. IEEE Transactions on Industrial Electronics 2010, 57, 4013–4023. [Google Scholar] [CrossRef]
- Barbi, I.; Gules, R. Isolated DC-DC converters with high-output voltage for TWTA telecommunication satellite applications. IEEE Transactions on Power Electronics 2003, 18, 975–984. [Google Scholar] [CrossRef]
- Zhao, Q.; Tao, F.; Lee, F. A front-end DC/DC converter for network server applications. In Proceedings of the 2001 IEEE 32nd Annual Power Electronics Specialists Conference (IEEE Cat. No.01CH37230), 2001, Vol. 3, pp. 1535–1539 vol. 3. [CrossRef]
- Naayagi, R.T.; Forsyth, A.J.; Shuttleworth, R. High-Power Bidirectional DC–DC Converter for Aerospace Applications. IEEE Transactions on Power Electronics 2012, 27, 4366–4379. [Google Scholar] [CrossRef]
- Asfaux, P.; Bourdon, J. Development of a 12kW isolated and bidirectional DC-DC Converter dedicated to the More Electrical Aircraft: The Buck Boost Converter Unit (BBCU). In Proceedings of the PCIM Europe 2016; International Exhibition and Conference for Power Electronics, Intelligent Motion, Renewable Energy and Energy Management, 2016, pp. 1–8.
- Emadi, K.; Ehsani, M. Aircraft power systems: technology, state of the art, and future trends. IEEE Aerospace and Electronic Systems Magazine 2000, 15, 28–32. [Google Scholar] [CrossRef]
- Changchien, S.K.; Liang, T.J.; Chen, J.F.; Yang, L.S. Novel High Step-Up DC–DC Converter for Fuel Cell Energy Conversion System. IEEE Transactions on Industrial Electronics 2010, 57, 2007–2017. [Google Scholar] [CrossRef]
- Echeverría, J.; Kouro, S.; Pérez, M.; Abu-rub, H. Multi-modular cascaded DC-DC converter for HVDC grid connection of large-scale photovoltaic power systems. In Proceedings of the IECON 2013 - 39th Annual Conference of the IEEE Industrial Electronics Society, 2013, pp. 6999–7005. [CrossRef]
- Meike, D.; Ribickis, L. Energy efficient use of robotics in the automobile industry. In Proceedings of the 2011 15th International Conference on Advanced Robotics (ICAR), 2011, pp. 507–511. [CrossRef]
- Sun, J.; Ding, X.; Nakaoka, M.; Takano, H. Series resonant ZCS–PFM DC–DC converter with multistage rectified voltage multiplier and dual-mode PFM control scheme for medical-use high-voltage X-ray power generator. IEE Proceedings-Electric Power Applications 2000, 147, 527–534. [Google Scholar] [CrossRef]
- Elmes, J.; Jourdan, C.; Abdel-Rahman, O.; Batarseh, I. High-Voltage, High-Power-Density DC-DC Converter for Capacitor Charging Applications. In Proceedings of the 2009 Twenty-Fourth Annual IEEE Applied Power Electronics Conference and Exposition, 2009, pp. 433–439. [CrossRef]
- Richelli, A.; Comensoli, S.; Kovacs-Vajna, Z.M. A DC/DC Boosting Technique and Power Management for Ultralow-Voltage Energy Harvesting Applications. IEEE Transactions on Industrial Electronics 2012, 59, 2701–2708. [Google Scholar] [CrossRef]
- Richelli, A.; Colalongo, L.; Tonoli, S.; KovÁcs-Vajna, Z.M. A 0.2-1.2 V DC/DC Boost Converter for Power Harvesting Applications. IEEE Transactions on Power Electronics 2009, 24, 1541–1546. [Google Scholar] [CrossRef]
- Huang, J.H.; Lehman, B.; Qian, T. Submodule integrated boost DC-DC converters with no external input capacitor or input inductor for low power photovoltaic applications. In Proceedings of the 2016 IEEE Energy Conversion Congress and Exposition (ECCE), 2016, pp. 1–7. [CrossRef]
- Zhang, D.; Yang, F.; Shimotori, T.; Wang, K.C.; Huang, Y. Performance evaluation of power management systems in microbial fuel cell-based energy harvesting applications for driving small electronic devices. Journal of Power Sources 2012, 217, 65–71. [Google Scholar] [CrossRef]
- Carlson, E.J.; Strunz, K.; Otis, B.P. A 20 mV Input Boost Converter With Efficient Digital Control for Thermoelectric Energy Harvesting. IEEE Journal of Solid-State Circuits 2010, 45, 741–750. [Google Scholar] [CrossRef]
- Cao, X.; Chiang, W.J.; King, Y.C.; Lee, Y.K. Electromagnetic Energy Harvesting Circuit With Feedforward and Feedback DC–DC PWM Boost Converter for Vibration Power Generator System. IEEE Transactions on Power Electronics 2007, 22, 679–685. [Google Scholar] [CrossRef]
- Lefeuvre, E.; Audigier, D.; Richard, C.; Guyomar, D. Buck-Boost Converter for Sensorless Power Optimization of Piezoelectric Energy Harvester. IEEE Transactions on Power Electronics 2007, 22, 2018–2025. [Google Scholar] [CrossRef]
- Park, S.; Jahns, T. A self-boost charge pump topology for a gate drive high-side power supply. IEEE Transactions on Power Electronics 2005, 20, 300–307. [Google Scholar] [CrossRef]
- Nagashima, T.; Wei, X.; Bou, E.; Alarcón, E.; Kazimierczuk, M.K.; Sekiya, H. Analysis and Design of Loosely Inductive Coupled Wireless Power Transfer System Based on Class-E2 DC-DC Converter for Efficiency Enhancement. IEEE Transactions on Circuits and Systems I: Regular Papers 2015, 62, 2781–2791. [Google Scholar] [CrossRef]
- Fu, M.; Ma, C.; Zhu, X. A Cascaded Boost–Buck Converter for High-Efficiency Wireless Power Transfer Systems. IEEE Transactions on Industrial Informatics 2014, 10, 1972–1980. [Google Scholar] [CrossRef]
- Du, Y.; Zhou, X.; Bai, S.; Lukic, S.; Huang, A. Review of non-isolated bi-directional DC-DC converters for plug-in hybrid electric vehicle charge station application at municipal parking decks. In Proceedings of the 2010 Twenty-Fifth Annual IEEE Applied Power Electronics Conference and Exposition (APEC), 2010, pp. 1145–1151. [CrossRef]
- Qian, W.; Cha, H.; Peng, F.Z.; Tolbert, L.M. 55-kW Variable 3X DC-DC Converter for Plug-in Hybrid Electric Vehicles. IEEE Transactions on Power Electronics 2012, 27, 1668–1678. [Google Scholar] [CrossRef]
- Chiu, H.J.; Lin, L.W. A bidirectional DC–DC converter for fuel cell electric vehicle driving system. IEEE Transactions on Power Electronics 2006, 21, 950–958. [Google Scholar] [CrossRef]
- Weinberg, A.H.; Schreuders, J. A High-Power High-Voltage DC-DC Converter for Space Applications. IEEE Transactions on Power Electronics 1986, PE-1, 148–160. [CrossRef]
- Roggia, L.; Schuch, L.; Baggio, J.E.; Rech, C.; Pinheiro, J.R. Integrated Full-Bridge-Forward DC–DC Converter for a Residential Microgrid Application. IEEE Transactions on Power Electronics 2013, 28, 1728–1740. [Google Scholar] [CrossRef]
- Zhao, B.; Yu, Q.; Sun, W. Extended-Phase-Shift Control of Isolated Bidirectional DC–DC Converter for Power Distribution in Microgrid. IEEE Transactions on Power Electronics 2012, 27, 4667–4680. [Google Scholar] [CrossRef]
- Rathore, A.K.; Patil, D.R.; Srinivasan, D. Non-isolated Bidirectional Soft-Switching Current-Fed LCL Resonant DC/DC Converter to Interface Energy Storage in DC Microgrid. IEEE Transactions on Industry Applications 2016, 52, 1711–1722. [Google Scholar] [CrossRef]
- Zeng, Z.; Yang, H.; Zhao, R.; Cheng, C. Topologies and control strategies of multi-functional grid-connected inverters for power quality enhancement: A comprehensive review. Renewable and Sustainable Energy Reviews 2013, 24, 223–270. [Google Scholar] [CrossRef]
- Zeb, K.; Uddin, W.; Khan, M.A.; Ali, Z.; Ali, M.U.; Christofides, N.; Kim, H. A comprehensive review on inverter topologies and control strategies for grid connected photovoltaic system. Renewable and Sustainable Energy Reviews 2018, 94, 1120–1141. [Google Scholar] [CrossRef]
- Kunjittipong, N.; Kongkanjana, K.; Khwan-on, S. Comparison of Fuzzy Controller and PI Controller for a High Step-Up SingleSwitch Boost Converter. In Proceedings of the 2020 3rd International Conference on Power and Energy Applications (ICPEA), 2020, pp. 94–98. [CrossRef]
- Panda, B.; Sarkar, A.; Panda, B.; Hota, P. A Comparative Study of PI and Fuzzy Controllers for Solar Powered DC-DC Boost Converter. In Proceedings of the 2015 International Conference on Computational Intelligence and Networks, 2015, pp. 47–51. [CrossRef]
- Alam, K.; Hoque, A. Design and Analysis of Closed Loop Interleaved Boost Converter with Arduino based Soft PI Controller for Photovoltiac Application. In Proceedings of the 2019 IEEE International Conference on Electrical, Computer and Communication Technologies (ICECCT), 2019, pp. 1–5. [CrossRef]
- Ali, C.B.; Khan, A.H.; Pervez, K.; Awan, T.M.; Noorwali, A.; Shah, S.A. High Efficiency High Gain DC-DC Boost Converter Using PID Controller for Photovoltaic Applications. In Proceedings of the 2021 International Congress of Advanced Technology and Engineering (ICOTEN), 2021, pp. 1–7. [CrossRef]
- Teodorescu, R.; Blaabjerg, F.; Liserre, M.; Loh, P.C. Proportional-resonant controllers and filters for grid-connected voltage-source converters. IEE Proceedings-Electric Power Applications 2006, 153, 750–762. [Google Scholar] [CrossRef]
- Huerta, F.; Pizarro, D.; Cobreces, S.; Rodriguez, F.J.; Giron, C.; Rodriguez, A. LQG Servo Controller for the Current Control of LCL Grid-Connected Voltage-Source Converters. IEEE Transactions on Industrial Electronics 2012, 59, 4272–4284. [Google Scholar] [CrossRef]
- Kumar, N.; Saha, T.K.; Dey, J. Sliding-Mode Control of PWM Dual Inverter-Based Grid-Connected PV System: Modeling and Performance Analysis. IEEE Journal of Emerging and Selected Topics in Power Electronics 2016, 4, 435–444. [Google Scholar] [CrossRef]
- Jeong, H.G.; Kim, W.S.; Lee, K.B.; Jeong, B.C.; Song, S.H. A sliding-mode approach to control the active and reactive powers for A DFIG in wind turbines. In Proceedings of the 2008 IEEE Power Electronics Specialists Conference, 2008, pp. 120–125. [CrossRef]
- Fei, J.; Zhu, Y. Adaptive fuzzy sliding control of single-phase PV grid-connected inverter. Plos one 2017, 12, e0182916. [Google Scholar] [CrossRef] [PubMed]
- Zhu, Y.; Fei, J. Adaptive Global Fast Terminal Sliding Mode Control of Grid-connected Photovoltaic System Using Fuzzy Neural Network Approach. IEEE Access 2017, 5, 9476–9484. [Google Scholar] [CrossRef]
- Ardhenta, L.; Rusli, M. Sliding Mode Control of Output Voltage in DC-DC Boost Converter Using PI Sliding Surface. In Proceedings of the 2021 International Conference on Electrical and Information Technology (IEIT), 2021, pp. 228–232. [CrossRef]
- Ovono Zué, A.; Chandra, A. State feedback linearization control of a grid connected photovoltaic interface with MPPT. 2009 IEEE Electrical Power & Energy Conference (EPEC), 2009, pp. 1–6. [CrossRef]
- Lalili, D.; Mellit, A.; Lourci, N.; Medjahed, B.; Berkouk, E. Input output feedback linearization control and variable step size MPPT algorithm of a grid-connected photovoltaic inverter. Renewable Energy 2011, 36, 3282–3291. [Google Scholar] [CrossRef]
- Begh, M.A.W.; Liegmann, E.; Mahajan, A.; Palanisamy, A.; Siwakoti, Y.P.; Karamanakos, P.; Abdelrahem, M.; Kennel, R. Design of State-Feedback Controller for a Single-Phase Grid- Connected Siwakoti-H Inverter with LCL filter. PCIM Europe 2019; International Exhibition and Conference for Power Electronics, Intelligent Motion, Renewable Energy and Energy Management, 2019, pp. 1–8.
- Wu, F.; Feng, F.; Luo, L.; Duan, J.; Sun, L. Sampling period online adjusting-based hysteresis current control without band with constant switching frequency. IEEE Transactions on Industrial Electronics 2015, 62, 270–277. [Google Scholar] [CrossRef]
- Wu, F.; Zhang, L.; Wu, Q. Simple unipolar maximum switching frequency limited hysteresis current control for grid-connected inverter. IET Power Electronics 2014, 7, 933–945. [Google Scholar] [CrossRef]
- Holmes, D.G.; Davoodnezhad, R.; McGrath, B.P. An Improved Three-Phase Variable-Band Hysteresis Current Regulator. IEEE Transactions on Power Electronics 2013, 28, 441–450. [Google Scholar] [CrossRef]
- Alarcón-Gallo, E.; de Vicuña, L.G.; Castilla, M.; Miret, J.; Matas, J.; Camacho, A. Decoupled sliding mode control for three-phase LCL VSI operating at fixed switching frequency. In Proceedings of the 2012 IEEE International Symposium on Industrial Electronics, 2012, pp. 1572–1578. [CrossRef]
- Cortes, P.; Kazmierkowski, M.P.; Kennel, R.M.; Quevedo, D.E.; Rodriguez, J. Predictive Control in Power Electronics and Drives. IEEE Transactions on Industrial Electronics 2008, 55, 4312–4324. [Google Scholar] [CrossRef]
- Xueguang, Z.; Wenjie, Z.; Jiaming, C.; Dianguo, X. Deadbeat Control Strategy of Circulating Currents in Parallel Connection System of Three-Phase PWM Converter. IEEE Transactions on Energy Conversion 2014, 29, 406–417. [Google Scholar] [CrossRef]
- Kim, J.; Hong, J.; Kim, H. Improved Direct Deadbeat Voltage Control with an Actively Damped Inductor-Capacitor Plant Model in an Islanded AC Microgrid. Energies 2016, 9. [Google Scholar] [CrossRef]
- Song, W.; Ma, J.; Zhou, L.; Feng, X. Deadbeat Predictive Power Control of Single-Phase Three-Level Neutral-Point-Clamped Converters Using Space-Vector Modulation for Electric Railway Traction. IEEE Transactions on Power Electronics 2016, 31, 721–732. [Google Scholar] [CrossRef]
- Mattavelli, P.; Spiazzi, G.; Tenti, P. Predictive digital control of power factor preregulators with input voltage estimation using disturbance observers. IEEE Transactions on Power Electronics 2005, 20, 140–147. [Google Scholar] [CrossRef]
- Falkowski, P.; Sikorski, A. Finite Control Set Model Predictive Control for Grid-Connected AC–DC Converters With LCL Filter. IEEE Transactions on Industrial Electronics 2018, 65, 2844–2852. [Google Scholar] [CrossRef]
- Xia, C.; Liu, T.; Shi, T.; Song, Z. A Simplified Finite-Control-Set Model-Predictive Control for Power Converters. IEEE Transactions on Industrial Informatics 2014, 10, 991–1002. [Google Scholar] [CrossRef]
- Yaramasu, V.; Rivera, M.; Wu, B.; Rodriguez, J. Model Predictive Current Control of Two-Level Four-Leg Inverters—Part I: Concept, Algorithm, and Simulation Analysis. IEEE Transactions on Power Electronics 2013, 28, 3459–3468. [Google Scholar] [CrossRef]
- Hatti, M.; Tioursi, M. Dynamic neural network controller model of PEM fuel cell system. International Journal of Hydrogen Energy 2009, 34, 5015–5021. [Google Scholar] [CrossRef]
- Lin, W.M.; Hong, C.M. A New Elman Neural Network-Based Control Algorithm for Adjustable-Pitch Variable-Speed Wind-Energy Conversion Systems. IEEE Transactions on Power Electronics 2011, 26, 473–481. [Google Scholar] [CrossRef]
- Sozhamadevi, N.; Lourdu Delcause, R.S.; Sathiyamoorthy, S. Design and implementation of probabilistic fuzzy logic control system. In Proceedings of the 2012 International Conference on Emerging Trends in Science, Engineering and Technology (INCOSET), 2012, pp. 523–531. [CrossRef]
- Hara, S.; Yamamoto, Y.; Omata, T.; Nakano, M. Repetitive control system: a new type servo system for periodic exogenous signals. IEEE Transactions on Automatic Control 1988, 33, 659–668. [Google Scholar] [CrossRef]
- Li, S.; Chen, W.; Fang, B.; Zhang, D. A strategy of PI+ repetitive control for LCL-type photovoltaic inverters. Soft Computing 2020, 24, 15693–15699. [Google Scholar] [CrossRef]
- Janani, S.; Muniraj, C. Fuzzy control strategy for microgrids islanded and grid connected operation. In Proceedings of the 2014 International Conference on Green Computing Communication and Electrical Engineering (ICGCCEE), 2014, pp. 1–6. [CrossRef]
- Suganthi, L.; Iniyan, S.; Samuel, A.A. Applications of fuzzy logic in renewable energy systems–a review. Renewable and sustainable energy reviews 2015, 48, 585–607. [Google Scholar] [CrossRef]
- Musa, S.; Mohd Radzi, M.A.; Hizam, H.; Abdul Wahab, N.I.; Hoon, Y.; Mohd Zainuri, M.A.A. Modified synchronous reference frame based shunt active power filter with fuzzy logic control pulse width modulation inverter. Energies 2017, 10, 758. [Google Scholar] [CrossRef]
- Hasanien, H.M.; Matar, M. A Fuzzy Logic Controller for Autonomous Operation of a Voltage Source Converter-Based Distributed Generation System. IEEE Transactions on Smart Grid 2015, 6, 158–165. [Google Scholar] [CrossRef]
- Sefa, I.; Altin, N.; Ozdemir, S.; Kaplan, O. Fuzzy PI controlled inverter for grid interactive renewable energy systems. IET Renewable Power Generation 2015, 9, 729–738. [Google Scholar] [CrossRef]
- Ali Khan, M.Y.; Liu, H.; Yang, Z.; Yuan, X. A comprehensive review on grid connected photovoltaic inverters, their modulation techniques, and control strategies. Energies 2020, 13, 4185. [Google Scholar] [CrossRef]
- Chhabra, M.; Barnes, F. Robust current controller design using mu-synthesis for grid-connected three phase inverter. In Proceedings of the 2014 IEEE 40th Photovoltaic Specialist Conference (PVSC), 2014, pp. 1413–1418. [CrossRef]
- Hornik, T.; Zhong, Q.C. A Current-Control Strategy for Voltage-Source Inverters in Microgrids Based on H∞ and Repetitive Control. IEEE Transactions on Power Electronics 2011, 26, 943–952. [Google Scholar] [CrossRef]
- Do, T.D.; Leu, V.Q.; Choi, Y.S.; Choi, H.H.; Jung, J.W. An Adaptive Voltage Control Strategy of Three-Phase Inverter for Stand-Alone Distributed Generation Systems. IEEE Transactions on Industrial Electronics 2013, 60, 5660–5672. [Google Scholar] [CrossRef]
- Espi, J.M.; Castello, J.; García-Gil, R.; Garcera, G.; Figueres, E. An Adaptive Robust Predictive Current Control for Three-Phase Grid-Connected Inverters. IEEE Transactions on Industrial Electronics 2011, 58, 3537–3546. [Google Scholar] [CrossRef]
- Escobar, G.; Mattavelli, P.; Stankovic, A.M.; Valdez, A.A.; Leyva-Ramos, J. An Adaptive Control for UPS to Compensate Unbalance and Harmonic Distortion Using a Combined Capacitor/Load Current Sensing. IEEE Transactions on Industrial Electronics 2007, 54, 839–847. [Google Scholar] [CrossRef]
- Roy, T.K.; Pervej, M.F.; Tumpa, F.K. Adaptive controller design for grid current regulation of a CSI based PV system. In Proceedings of the 2016 2nd International Conference on Electrical, Computer & Telecommunication Engineering (ICECTE), 2016, pp. 1–4. [CrossRef]
- Elmas, C.; Ustun, O. A hybrid controller for the speed control of a permanent magnet synchronous motor drive. Control Engineering Practice 2008, 16, 260–270. [Google Scholar] [CrossRef]
- Chauhan, R.K.; Rajpurohit, B.S.; Hebner, R.E.; Singh, S.N.; Longatt, F.M.G. Design and analysis of PID and fuzzy-PID controller for voltage control of DC microgrid. In Proceedings of the 2015 IEEE Innovative Smart Grid Technologies - Asia (ISGT ASIA), 2015, pp. 1–6. [CrossRef]
- Allahvirdizadeh, Y.; Shayanfar, H.; Parsa Moghaddam, M. A comparative study of PI, fuzzy-PI, and sliding mode control strategy for battery bank SOC control in a standalone hybrid renewable system. International Transactions on Electrical Energy Systems 2020, 30, e12181. [Google Scholar] [CrossRef]
- Singh, A.; Sathans. ANFIS based control strategy for frequency regulation in AC microgrid. In Proceedings of the 2016 Fifth International Conference on Eco-friendly Computing and Communication Systems (ICECCS), 2016, pp. 38–42. [CrossRef]
- Kaur, S.; Kaur, T.; Khanna, R. ANFIS Based Frequency Control in an Autonomous Microgrid Integrated with PV and Battery Storage. In Proceedings of the 2019 9th International Conference on Power and Energy Systems (ICPES), 2019, pp. 1–4. [CrossRef]






























Disclaimer/Publisher’s Note: The statements, opinions and data contained in all publications are solely those of the individual author(s) and contributor(s) and not of MDPI and/or the editor(s). MDPI and/or the editor(s) disclaim responsibility for any injury to people or property resulting from any ideas, methods, instructions or products referred to in the content. |
© 2023 by the authors. Licensee MDPI, Basel, Switzerland. This article is an open access article distributed under the terms and conditions of the Creative Commons Attribution (CC BY) license (http://creativecommons.org/licenses/by/4.0/).