Preprint
Article

This version is not peer-reviewed.

Automated Gold Grain Counting. Part 1: Why Counts Matter!

A peer-reviewed version of this preprint was published in:
Minerals 2021, 11(4), 337. https://doi.org/10.3390/min11040337

Submitted:

04 February 2021

Posted:

08 February 2021

You are already at the latest version

Abstract
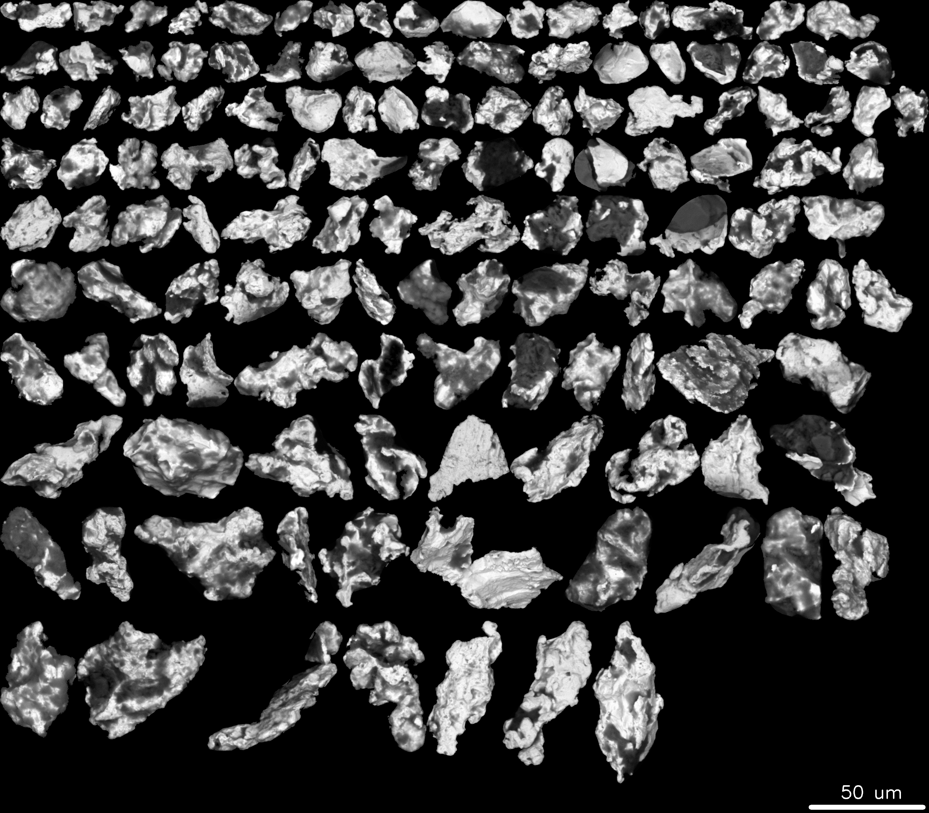
The quantitative and qualitative assessment of gold grains from samples of glacial till is a well-established method for exploring gold deposits hidden under glaciated cover. This method, widely used by the industry and which produced numerous successes in locating gold deposits in glaciated terrain, is still based on artisanal gravity separation techniques and visual identification. However, being artisanal, it is limited by inconsistent recoveries and the difficulty to visually identify the predominantly occurring small gold grains. These limitations hinder its capability to deceipher subtle or complex signal. To improve detection limits through recovery of small gold grains, a new approach has recently been introduced in the industry (commercially referred as “ARTGold” procedure) using an optimized miniature sluice box coupled with an automated scanning electron microscopy routine. The capabilities of this improved method are highlighted by comparing till surveys conducted around the Borden gold deposit (Ontario, Canada) using the conventional and improved methods at both local and regional scales. Relative to the conventional approach, the improved method recovered almost one order of magnitude more gold grains from samples (regional and down-ice mineralization), dominantly in small size fractions. Increasing the counts in low-abundance regional samples enables better discrimination between background signals and significant dispersions. The method offers an alternative to improve characterization of gold dispersal in glaciated terrain and the related gold deposit footprints.
Keywords: 
;  ;  ;  ;  ;  ;  
Copyright: This open access article is published under a Creative Commons CC BY 4.0 license, which permit the free download, distribution, and reuse, provided that the author and preprint are cited in any reuse.
Prerpints.org logo

Preprints.org is a free preprint server supported by MDPI in Basel, Switzerland.

Subscribe

Disclaimer

Terms of Use

Privacy Policy

Privacy Settings

© 2026 MDPI (Basel, Switzerland) unless otherwise stated