Submitted:
14 April 2026
Posted:
15 April 2026
You are already at the latest version
Abstract

Keywords:
1. Introduction
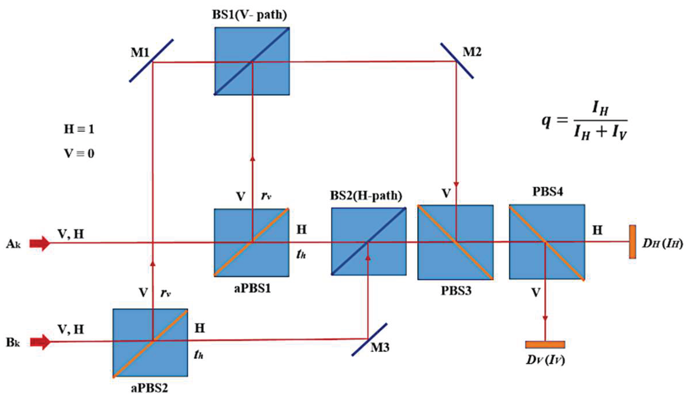
2. Architecture of the Metrology-Oriented AND Module
3. Measurands, Measurement Conditions, and Power-Budget Model
3.1. Measurands and Decision-Oriented Quantities
3.2. Validity Conditions of the Verification Result
3.3. Optical Power-Budget Model
3.4. Measurement Model and Transition to Corrected Outputs
4. Measurement Model and Acceptance Criteria
4.1. Detector and Correction Model
4.2. Ratio and Total-Signal Readout
4.3. Functional Decision Criterion
4.4. Signal Sufficiency Criterion
4.5. Uncertainty-Aware Conformity Decision
5. Calibration Procedure
5.1. Scope and Role of Calibration
5.2. Dark-Offset Calibration
5.3. Gain Calibration
5.4. Calibration Outputs and Calibration Passport
6. Basic Verification Procedure and Acceptance Rules
6.1. General Verification Sequence
- ⁻
- establish the validity conditions of the measurement session;
- ⁻
- apply the calibrated correction model to the detector channels;
- ⁻
- sequentially generate the four verification states HH, HV, VH, and VV;
- ⁻
- acquire repeated measurements for each state;
- ⁻
- compute the corrected quantities IH, IV, q, and S;
- ⁻
- estimate state-wise uncertainties;
- ⁻
- evaluate the decision and signal-sufficiency margins;
- ⁻
- assign the final verification verdict.
6.2. State-Wise Repeated Acquisition and Statistical Estimation
6.3. Acceptance Rules for Basic Verification
6.4. Practical Verdict Classes
- ⁻
- Pass: both uncertainty-aware margins are positive and comfortably above zero;
- ⁻
- Warning / reduced margin: the module remains formally acceptable, but one or both margins are small;
- ⁻
- Recalibration required: the mean-only rule is still favorable, but the uncertainty-aware rule is not;
- ⁻
- Reject: the module fails the acceptance criteria.
7. Model Case Study of Calibration and Periodic Re-Verification
7.1. Initial Calibration Results
7.2. Initial Verification Results
7.3. Periodic Re-Verification Under Drift Scenarios
7.4. Worked Lifecycle Example
8. Discussion
8.1. Why Module-Level Verification Is Decisive
8.2. Basic Verification Versus Extended Diagnostics
8.3. Interpretation of the Dual-Margin Approach
8.4. Role of Boundary Analysis
8.5. Practical Metrological Implications
9. Conclusions
Supplementary Materials
Author Contributions
Funding
Institutional Review Board Statement
Data Availability Statement
Conflicts of Interest
Reproducibility Statement
References
- Gaines BR. Stochastic computing systems. Advances in Information Systems Science. 1969; 2:37–172.
- Alaghi A, Hayes JP. Survey of stochastic computing. ACM Transactions on Embedded Computing Systems. 2013;12(2s): Article 92, 1–19. [CrossRef]
- Bhardwaj A, Hedekvist PO, Vahala K. All-optical logic circuits based on polarization properties of nondegenerate four-wave mixing. Journal of the Optical Society of America B. 2001;18(5):657–665. [CrossRef]
- Guo LQ, Connelly MJ. All-optical AND gate with improved extinction ratio using signal induced nonlinearities in a bulk semiconductor optical amplifier. Optics Express. 2006;14(7): 2938–2943. [CrossRef]
- Liu Y, Chen L, Xu T, Mao J, Zhang S, Liu Y. All-optical signal processing based on semiconductor optical amplifiers. Frontiers of Optoelectronics. 2011; 4(3): 231–242. [CrossRef]
- JCGM 100:2008. Evaluation of measurement data—Guide to the expression of uncertainty in measurement. Joint Committee for Guides in Metrology; 2008. [CrossRef]
- JCGM 106:2012. Evaluation of measurement data—The role of measurement uncertainty in conformity assessment. Joint Committee for Guides in Metrology; 2012. [CrossRef]
- JCGM 200:2012. International vocabulary of metrology—Basic and general concepts and associated terms (VIM). 3rd ed. Joint Committee for Guides in Metrology; 2012. [CrossRef]
- ISO/IEC 17025:2017. General requirements for the competence of testing and calibration laboratories. Geneva: International Organization for Standardization; 2017.
- EA-4/02 M: 2022. Evaluation of the Uncertainty of Measurement in Calibration. European co-operation for Accreditation; 2022.
- ILAC G8:09/2019. Guidelines on Decision Rules and Statements of Conformity. International Laboratory Accreditation Cooperation; 2019.
- Strynadko M. Supplementary materials for “Metrological verification and calibration of a bulk-optics stochastic optical AND gate with ratio-based polarization readout”. figshare. 2026. [CrossRef]
- ILAC G24:2022. Guidelines for the Determination of Recalibration Intervals of Measuring Equipment. International Laboratory Accreditation Cooperation; 2022.
- ISO 10012:2026. Quality management—Requirements for measurement management systems. Geneva: International Organization for Standardization; 2026.
- ILAC P10:07/2020. ILAC Policy on Metrological Traceability of Measurement Results. International Laboratory Accreditation Cooperation; 2021.




| Verifica-tion state | Expected logic output | Required decision side | Mean-only ratio condition | Uncertainty-aware ratio condition | Mean-only signal condition | Uncertainty-aware signal condition |
| HH | 1 | Above upper band edge | qHH > T +ΔT | qHH -Uq(HH) > T+ΔT | SHH > Smin | SHH - US(HH) > Smin |
| HV | 0 | Below lower band edge | qHV < T - ΔT | qHV + Uq(HV) < T - ΔT | SHV > Smin | SHV - US(HV) > Smin |
| VH | 0 | Below lower band edge | qVH < T - ΔT | qVH + Uq(VH) < T - ΔT | SVH > Smin | SVH - US(VH) > Smin |
| VV | 0 | Below lower band edge | qVV < T - ΔT | qVV + Uq(VV) < T - ΔT | SVV > Smin | SVV - US(VV) > Smin |
| Category | Symbol / parameter | Meaning | Role in the model | Nominal value |
|---|---|---|---|---|
| Measurand | IH | Corrected H-channel intensity | Primary corrected output | — |
| Measurand | IV | Corrected V-channel intensity | Primary corrected output | — |
| Derived quantity | q = IH/(IH + IV) | Ratio-based decision variable | Functional discrimination | — |
| Derived quantity | S = IH + IV | Corrected total signal | Signal sufficiency assessment | — |
| Decision metric | MΔ | Functional decision margin | Acceptance criterion | — |
| Decision metric | MS | Signal sufficiency margin | Acceptance criterion | — |
| Decision setting | T | Central decision threshold | Ratio-based conformity rule | 0.50 |
| Decision setting | ΔT | Half-width of forbidden decision band | Ratio-based conformity rule | 0.10 |
| Decision setting | Smin | Minimum admissible corrected total signal | Signal sufficiency rule | 0.08 |
| Optical parameter | H-directed fraction at PBS1 | Power-budget model | 0.80 | |
| Optical parameter | V-directed fraction at PBS1 | Power-budget model | 0.20 | |
| Optical parameter | H-directed fraction at PBS2 | Power-budget model | 0.80 | |
| Optical parameter | V-directed fraction at PBS2 | Power-budget model | 0.20 | |
| Optical parameter | Residual leakage from V path into H channel | Power-budget model | 0.015 | |
| Optical parameter | Residual leakage from H path into V channel | Power-budget model | 0.015 | |
| Optical parameter | Optical background in H channel | Power-budget model | 0.002 | |
| Optical parameter | Optical background in V channel | Power-budget model | 0.002 | |
| Detector parameter | True gain of H-channel detector | Detector model | 1.000 | |
| Detector parameter | True gain of V-channel detector | Detector model | 0.985 | |
| Detector parameter | True dark offset of H-channel detector | Detector model | 0.0020 | |
| Detector parameter | True dark offset of V-channel detector | Detector model | 0.0025 | |
| Instrument parameter | Resolution step of H-channel acquisition | Measurement model | 0.001 | |
| Instrument parameter | Resolution step of V-channel acquisition | Measurement model | 0.001 | |
| Instrument parameter | Bounded accuracy fraction of H-channel acquisition | Measurement model | 0.020 | |
| Instrument parameter | Bounded accuracy fraction of V-channel acquisition | Measurement model | 0.020 |
| Calibrated parameter | Meaning | Nominal / true model value | Estimated value | Expanded uncertainty | Absolute deviation | Reported form |
| Calibrated dark offset of H-channel detector | 0.0020 | 0.002033 | 0.000184 | 0.000033 | 0.00203 ± 0.00018 | |
| Calibrated dark offset of V-channel detector | 0.0025 | 0.002517 | 0.000154 | 0.000017 | 0.00252 ± 0.00015 | |
| Calibrated gain of H-channel detector | 1.0000 | 1.017528 | 0.002652 | 0.017528 | 1.0175 ± 0.0027 | |
| Calibrated gain of V-channel detector | 0.9850 | 0.976944 | 0.002311 | -0.008056 | 0.9769 ± 0.0023 |
| Scenario | qHH | qHV | qVH | qVV | SHH | SHV | SVH | SVV | MΔ,U | MS,U | Verdict |
|---|---|---|---|---|---|---|---|---|---|---|---|
| S0 | 0.9898 | 0.0664 | 0.0664 | 0.0675 | 0.7545 | 0.2021 | 0.2020 | 0.2016 | 0.3314 | 0.1208 | Pass |
| S1 | 0.9899 | 0.1201 | 0.1199 | 0.1195 | 0.7621 | 0.2100 | 0.2093 | 0.2093 | 0.2790 | 0.1285 | Pass |
| S2 | 0.9890 | 0.0501 | 0.0509 | 0.0499 | 0.6967 | 0.2502 | 0.2507 | 0.2498 | 0.3484 | 0.1688 | Pass |
| S3 | 0.9892 | 0.0772 | 0.0772 | 0.0770 | 0.7139 | 0.2062 | 0.2072 | 0.2074 | 0.3217 | 0.1252 | Pass |
| S4 | 0.9832 | 0.1011 | 0.1020 | 0.1020 | 0.6270 | 0.3090 | 0.3084 | 0.3079 | 0.2970 | 0.2270 | Pass |
Disclaimer/Publisher’s Note: The statements, opinions and data contained in all publications are solely those of the individual author(s) and contributor(s) and not of MDPI and/or the editor(s). MDPI and/or the editor(s) disclaim responsibility for any injury to people or property resulting from any ideas, methods, instructions or products referred to in the content. |
© 2026 by the authors. Licensee MDPI, Basel, Switzerland. This article is an open access article distributed under the terms and conditions of the Creative Commons Attribution (CC BY) license (http://creativecommons.org/licenses/by/4.0/).