Submitted:
08 April 2026
Posted:
10 April 2026
You are already at the latest version
Abstract
Keywords:
1. Introduction
2. Materials and Methods
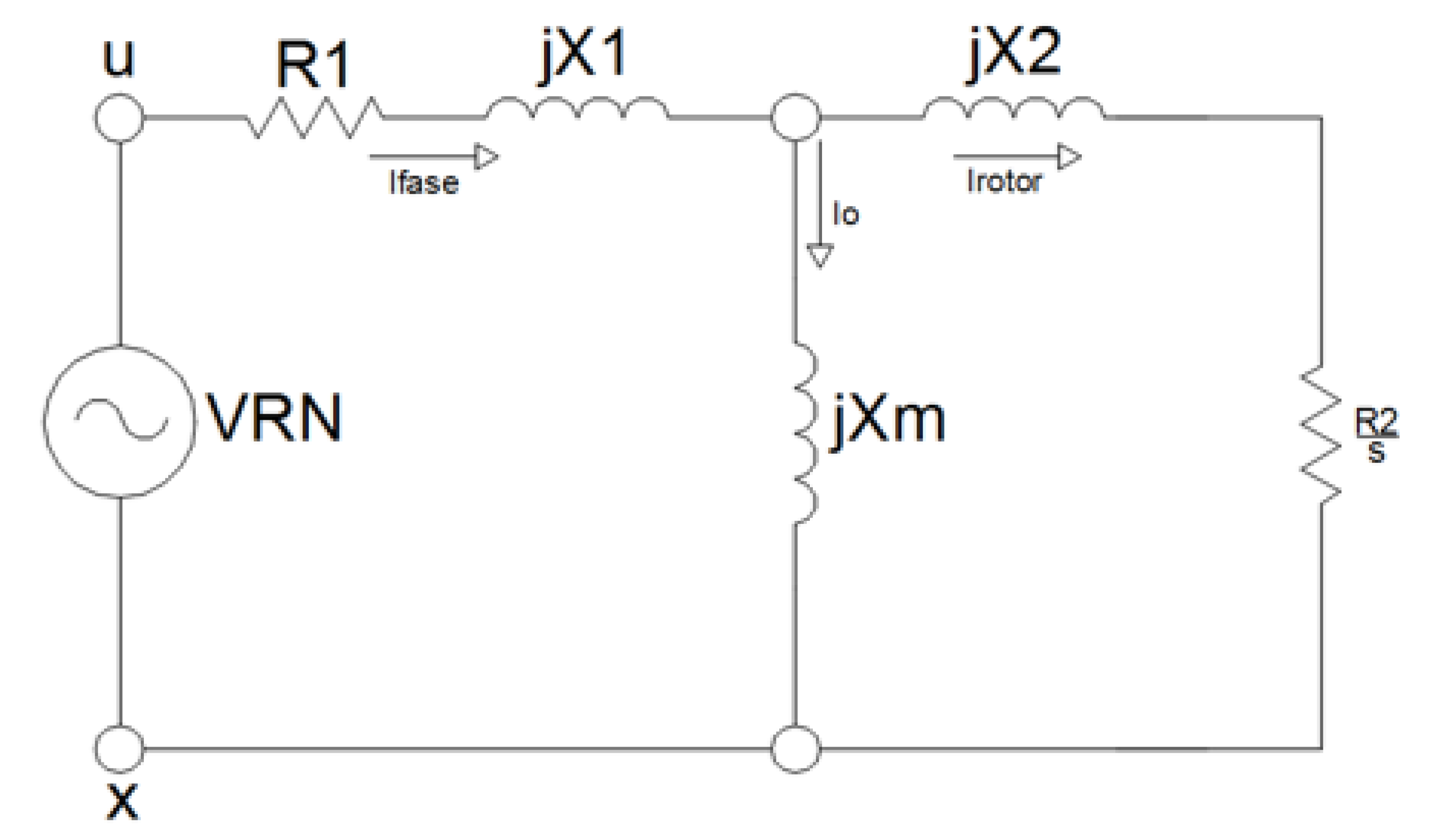
2.0.1. Determination of Parameters
- Represents the resistance of the rotor
- Represents the load resistance
2.0.2. Engine Plate Data
| Power (P) | Voltage (V) | Frequency (f) | Speed () | Rated Current (In) |
|---|---|---|---|---|
| 3 HP | 127 - 220 V | 60 Hz | 1800 r.p.m. | 17,3 / 10 A |
Three-Phase Induction Motor Testing
Equivalent Circuit of the Asynchronous Machine
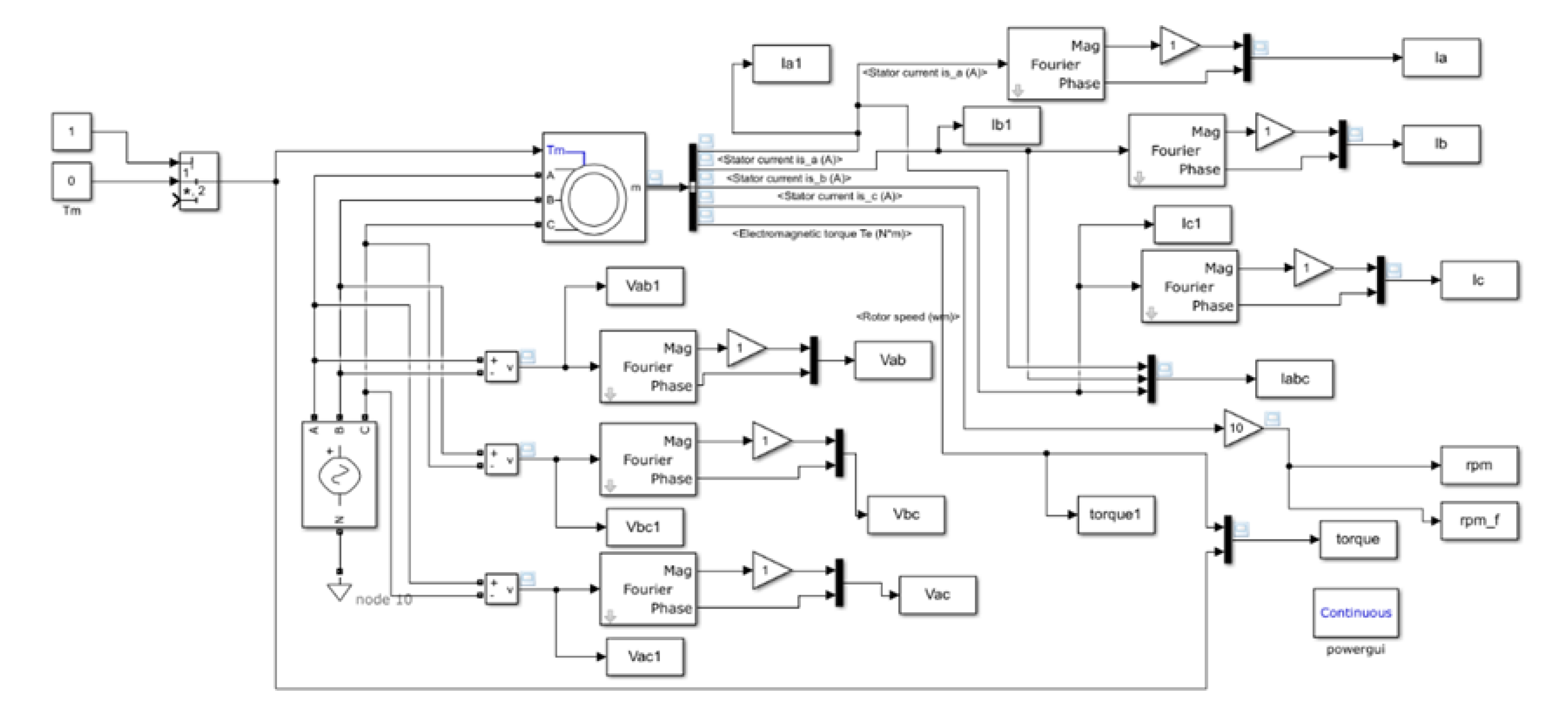
2.1. Simulation
2.1.1. Simulink
2.1.2. Labview
- Vacuum testing of electrical machines
- Resistance torque variation test: This test was performed to determine the variation of different motor operating parameters by varying its operating conditions with a load of 1.2 Nm.
3. Results
3.1. Current Analysis
3.2. Speed Analysis
3.3. Torque Analysis
4. Discussion
5. Conclusions
Author Contributions
Funding
Institutional Review Board Statement
Informed Consent Statement
Data Availability Statement
Acknowledgments
Conflicts of Interest
References
- Misra, H.; Gundavarapu, A.; Jain, A.K. Control Scheme for DC Voltage Regulation of Stand-Alone DFIG-DC System. IEEE Transactions On Industrial Electronics 2017, 64, 2700–2708. [CrossRef]
- Lakhimsetty, S.; Surulivel, N.; Somasekhar, V.T. Improvised SVPWM Strategies for an Enhanced Performance for a Four-Level Open-End Winding Induction Motor Drive. IEEE Transactions On Industrial Electronics 2017, 64, 2750–2759. [CrossRef]
- Hamla, H.; Rahmani, L.; Belhaouchet, N. A modified direct torque control with minimum torque ripple and constant switching frequency for induction motor drives. International Transactions On Electrical Energy Systems 2019, 29. [CrossRef]
- Luo, Y.; Liu, C. A Simplified Model Predictive Control for a Dual Three-Phase PMSM With Reduced Harmonic Currents. IEEE Transactions On Industrial Electronics 2018, 65, 9079–9089. [CrossRef]
- Hannan, M.A.; Abd Ali, J.; Ker, P.J.; Mohamed, A.; Lipu, M.S.H.; Hussain, A. Switching Techniques and Intelligent Controllers for Induction Motor Drive: Issues and Recommendations. IEEE Access 2018, 6, 47489–47510. [CrossRef]
- Hara, T.; Aoyagi, S.; Ajima, T.; Iwaji, Y.; Takahata, R.; Sugiyama, Y. Neutral Point Voltage Model of Stator Windings of Permanent Magnet Synchronous Motors with Magnetic Asymmetry. In Proceedings of the 2018 XIII International Conference On Electrical Machines (ICEM). Int Conf Elect Machines Assoc; IEEE Ind Applicat Soc; IEEE Ind Elect Soc; Democritus Univ Thrace, Dept Elect & Comp Engn; Minist Environm & Energy, 2018, pp. 1611–1616. 13th International Conference on Electrical Machines (ICEM), Alexandroupoli, GREECE, SEP 03-06, 2018.
- Qiu, H.; Zhang, Y.; Yang, C.; Yi, R. Influence of inverter voltage harmonics on the torque ripple of surface permanent magnet synchronous motor. International Journal Of Applied Electromagnetics And Mechanics 2020, 62, 403–414. [CrossRef]
- Yoo, J.; Lee, J.; Sul, S.K.; Baloch, N.A. Stator Resistance Estimation Using DC Injection With Reduced Torque Ripple in Induction Motor Sensorless Drives. IEEE Transactions On Industry Applications 2020, 56, 3744–3754. 11th Annual IEEE Energy Conversion Congress and Exposition (ECCE), Baltimore, MD, SEP 29-OCT 03, 2019, . [CrossRef]
- Liang, Z.; Hu, S.; Li, Z.; Tahir, M. Research on Master-Slave Windings Motor Drive System and Control Strategy. IEEE Transactions On Industrial Electronics 2023, 70, 88–98. [CrossRef]
- Aihsan, M.Z.; Jidin, A.; Azizan, M.M.; Fahmi, M.I.; Hasikin, K. Flexible Sector Detector-Based Mismatch Supply Voltage in Direct Torque Control Doubly Fed Induction Machine: An Experimental Validation. Alexandria Engineering Journal 2023, 74, 689–704. [CrossRef]
- Guedida, S.; Tabbache, B.; Nounou, K.; Benbouzid, M. Direct Torque Control Scheme For Less Harmonic Currents And Torque Ripples For Dual Star Induction Motor. Revue Roumaine Des Sciences Techniques-Serie Electrotechnique Et Energetique 2023, 68, 331–338. [CrossRef]
- Tatte, Y.N.; Aware, M.V. Torque Ripple and Harmonic Current Reduction in a Three-Level Inverter-Fed Direct-Torque-Controlled Five-Phase Induction Motor. IEEE Transactions On Industrial Electronics 2017, 64, 5265–5275. [CrossRef]
- Bodson, M. Speed Control for Doubly Fed Induction Motors With and Without Current Feedback. IEEE Transactions On Control Systems Technology 2020, 28, 898–907. [CrossRef]
- Eldeeb, H.; Hackl, C.M.; Horlbeck, L.; Kullick, J. A unified theory for optimal feedforward torque control of anisotropic synchronous machines. International Journal Of Control 2018, 91, 2273–2302. [CrossRef]
- Xiao, M.; Shi, T.; Yan, Y.; Xu, W.; Xia, C. Predictive Torque Control of Permanent Magnet Synchronous Motors Using Flux Vector. IEEE Transactions On Industry Applications 2018, 54, 4437–4446. 20th IEEE International Conference on Electrical Machines and Systems (ICEMS), Sydney, AUSTRALIA, AUG 11-17, 2017, . [CrossRef]
- Yang, S.; Ding, D.; Li, X.; Xie, Z.; Zhang, X.; Chang, L. A Novel Online Parameter Estimation Method for Indirect Field Oriented Induction Motor Drives. IEEE Transactions On Energy Conversion 2017, 32, 1562–1573. [CrossRef]
- Bin, Z.; Lili, M.; Hao, D. Principle of Optimal Voltage Regulation and Energy-Saving for Induction Motor With Unknown Constant-Torque Working Condition. IEEE Access 2020, 8, 187307–187316. [CrossRef]
- Lee, K.; Choi, H.g.; Ha, J.I. Power Capability Improvement of Interior Permanent Magnet Synchronous Motor Drives Using Capacitive Network. IEEE Transactions On Industrial Electronics 2020, 67, 10109–10120. [CrossRef]




















| VPromedio | VFase | IPromedio |
|---|---|---|
| 218 V | 125,86 V | 5,38 A |
| VPromedio | VFase | IPromedio |
|---|---|---|
| 54 V | 31,18 V | 9,88 A |
| VDC | IDC |
|---|---|
| 2,9 V | 2,6 A |
Disclaimer/Publisher’s Note: The statements, opinions and data contained in all publications are solely those of the individual author(s) and contributor(s) and not of MDPI and/or the editor(s). MDPI and/or the editor(s) disclaim responsibility for any injury to people or property resulting from any ideas, methods, instructions or products referred to in the content. |
© 2026 by the authors. Licensee MDPI, Basel, Switzerland. This article is an open access article distributed under the terms and conditions of the Creative Commons Attribution (CC BY) license (http://creativecommons.org/licenses/by/4.0/).