Preprint
Article

This version is not peer-reviewed.

Canonical Behavior-Preserving Transformations for Static Linear Circuits A Boundary Normal-Form Theorem on n Nodes Using Only Current Sources and VCCS

Submitted:

24 February 2026

Posted:

03 March 2026

You are already at the latest version

Abstract
Static linear lumped circuits (conductances, independent sources, and linear dependent sources, with no storage) can be studied through their boundary behavior: the set of boundary voltage–current pairs consistent with internal circuit laws. Fixing a set of accessible boundary nodes B of size n, and assuming standard well-posedness conditions for modified nodal analysis (MNA), we show that the boundary current injection vector iB depends affinely on the boundary voltage vector vB on an admissible affine set: iB = Yeq vB + i0 for all vB ∈ VB . We then provide a canonical boundary normal form that realizes this law using only indepen- dent current sources and voltage-controlled current sources (VCCS) connected directly to the boundary nodes. The construction is deterministic and idempotent, and it yields a complete classification: two circuits are behaviorally equivalent on the same boundary if and only if their normal-form parameters agree (modulo boundary constraints). A worked example (including a dependent source), an explicit VCCS synthesis list, and an exact numerical spot-check are included.
Keywords: 
;  ;  ;  ;  ;  

1. Introduction

Classical circuit theory offers multiple notions of equivalence (Thevenin/Norton, port models, driving-point and transfer descriptions), typically expressed at accessible terminals. In parallel, modified nodal analysis (MNA) is a standard framework for systematic modeling and simulation.
Question. Given a static linear circuit and a chosen set of accessible boundary nodes, can one compute and synthesize a canonical equivalent circuit that reproduces exactly the same boundary behavior?
This paper answers the question in a constructive and deliberately modest way: we formalize an equivalence relation based on boundary behavior, prove that the boundary relation is necessarily affine under standard well-posedness assumptions, and provide a boundary-only normal form that uses only independent current sources and VCCS elements. The goal is not to “invent a new circuit theorem”, but to package standard elimination ideas into a clean, boundary-centric statement with an explicit canonical realization and classification.

Contributions.

(i) A boundary behavioral equivalence relation is defined for static linear circuits.
(ii) Under mild MNA well-posedness assumptions, the boundary map is affine.
(iii) A canonical boundary normal form is given and can be synthesized with only independent current sources and VCCS.
(iv) The transformation is deterministic, idempotent, and yields a classification via ( Y eq , i 0 ) (constraint-aware).
(v) A worked numeric case study includes a dependent source, an explicit VCCS list, and an exact spot-check verification.

Positioning with respect to Kron reduction.

Kron reduction is commonly presented as a Schur complement operation on passive nodal conductance matrices. The present paper retains the same linear-algebraic core but reframes it as a boundary behavioral equivalence statement for general static linear circuits, including dependent sources. In addition, we provide an explicit boundary-only realization using only current sources and VCCS elements, and we state a classification result in terms of ( Y eq , i 0 ) .

2. Scope, Sign Conventions, and Modeling Assumptions

We restrict attention to static linear lumped circuits: conductances, independent sources, and linear dependent sources (VCCS/CCCS/VCVS/CCVS realizable in MNA), with no capacitors or inductors and no nonlinearities. The circuit admits an algebraic description.

Boundary sign convention.

Boundary current i B is defined as net current injected from the exterior into the circuit at the boundary nodes; positive injection means current enters the circuit at the boundary node.

3. Behavioral Equivalence on the Boundary

Definition 1 
(Boundary behavior). Fix a ground node and choose a set B of n boundary nodes. Let v B R n denote boundary node voltages (w.r.t. ground). Let i B R n denote the vector of net currents injected from the exterior into the circuit at the boundary nodes. Theboundary behaviorof a circuit C is the set
B B ( C ) R n × R n
of all pairs ( v B , i B ) consistent with internal circuit laws (KCL/KVL and element relations) and ideal-source constraints.

3.1. Admissible Boundary Voltages

Ideal voltage sources (independent or dependent) impose algebraic constraints among node voltages (supernodes). If such constraints touch the boundary, boundary voltages cannot always be assigned arbitrarily.
Definition 2 
(Admissible boundary voltage set). Let V B R n be the set of boundary voltage vectors consistent with all ideal voltage-source constraints that involve boundary node voltages. A boundary voltage v B isadmissibleif v B V B .
Assumption A1 
(Affine constraint structure). The admissible set is affine:
V B = { v B R n : F v B = f }
for some matrix F and vector f (possibly F = 0 , in which case V B = R n ).
Definition 3 
(Behavioral boundary equivalence). Two circuits C and C sharing the same boundary node set B arebehaviorally equivalent on the boundary, written C B C , if they induce the same boundary behavior:
B B ( C ) = B B ( C ) .

4. Affine Boundary Law via MNA Elimination

We connect boundary behavior with elimination in modified nodal analysis (MNA). See, e.g., [1,2] for MNA background.

4.1. A Minimal MNA Partition Viewpoint

An MNA formulation yields a linear descriptor system of the form
A x = b ,
where x collects node voltages and (for ideal voltage sources and certain dependent sources) additional currents/auxiliary variables. Reorder unknowns as x = ( x B , x I ) so that boundary-related coordinates x B include v B explicitly and x I collects internal variables. Partition (1) accordingly:
A B B A B I A I B A I I x B x I = b B b I .
Assumption A2 
(Well-posed internal elimination). For each admissible boundary voltage v B V B , the internal block A I I in (2) is nonsingular, so internal variables can be uniquely eliminated (in exact arithmetic).
Remark 1 
(How i B is read). In standard nodal sign conventions, the boundary KCL residual can be interpreted as netexternal injection. Equivalently, one may define i B as the vector of currents flowing from the exterior into the circuit at boundary nodes so that, after eliminating internal variables, the reduced boundary equations can be written in the conjugate pair ( v B , i B ) . The present paper uses this interpretation, consistent with Definition 1.
Theorem 1 
(Affine boundary law). Under Assumptions A1 and A2, there exist a matrix Y eq R n × n and a vector i 0 R n such that
i B = Y eq v B + i 0 for all v B V B .
Moreover, ( Y eq , i 0 ) can be obtained by a Schur-complement reduction of (2) (without explicit matrix inversion) followed by a consistent identification of i B from the reduced boundary equations.
Remark 2 
(No symmetry or passivity is assumed). With dependent sources, Y eq need not be symmetric nor positive semidefinite. It should be interpreted as a boundary input–output operator on V B , not necessarily as the admittance matrix of a passive resistive network.

4.2. Uniqueness and Constraints: What Is Actually Identifiable

When V B = R n , the affine law (3) determines ( Y eq , i 0 ) uniquely. When V B is constrained, only the restriction of the affine law to the admissible directions is identifiable.
Lemma 1 
(Uniqueness on the admissible subspace). Let V B = { v B : F v B = f } be nonempty. Choose any particular v V B , and let N R n × m have columns forming a basis of ker ( F ) , so every admissible boundary voltage can be written as v B = v + N w . If
Y v B + i 0 = Y v B + i 0 v B V B ,
then the induced affine law on free coordinates is unique:
Y N = Y N , ( Y v + i 0 ) = ( Y v + i 0 ) .
In particular, if F = 0 (so N = I ), then Y = Y and i 0 = i 0 .
Remark 3 
(A convenient “canonical” representation under constraints). If V B is constrained, one may treat ( Y eq N , Y eq v + i 0 ) as the canonical parameters on the free coordinate w. This eliminates the non-identifiable directions orthogonal to ker ( F ) .

5. Canonical Boundary Normal Form

(Norton-type)).Definition 4 (Boundary normal form Given n boundary nodes and parameters ( Y eq , i 0 ) , define N ( Y eq , i 0 ) as theboundary-onlycircuit that realizes (3) on V B using only:
  • Independent current sourcesinjecting the components of i 0 at boundary nodes, and
  • VCCS elementsimplementing the linear map v B Y eq v B .
Concretely, for each pair ( i , j ) , a VCCS injects into boundary node i a current Y i j v j , where the control voltage is v j measured from node j to ground, and the output is a current source from node i to ground.
Theorem 2 
(Synthesis and correctness). Under Assumptions A1 and A2, every static linear circuit C is behaviorally equivalent on B to its boundary normal form:
C B N ( Y eq , i 0 ) ,
where ( Y eq , i 0 ) are the parameters of the boundary affine law (3).
Corollary 1 
(Idempotence). Applying the construction to the normal form N ( Y eq , i 0 ) returns the same boundary law parameters (on V B ), i.e., the transformation is idempotent.
Corollary 2 (Classification (constraint-aware)). Let C and C be static linear circuits sharing the same boundary set B and satisfying Assumptions A1 and A2. Then C B C if and only if their induced affine laws agree on V B . Equivalently, in the parametrization v B = v + N w of Lemma 1, one has
C B C ( Y eq N , Y eq v + i 0 ) = ( Y eq N , Y eq v + i 0 ) .
In particular, if V B = R n then C B C iff ( Y eq , i 0 ) = ( Y eq , i 0 ) .

6. Deterministic Construction Recipe

This section summarizes the transformation in an implementation-oriented form.
Remark 4 
(Numerical note). In floating-point arithmetic, Step 5 should use sparse-aware factorizations (e.g. LU with pivoting) rather than explicit inversion. The transformation is exact in exact arithmetic; practical discrepancies arise only from numerical conditioning (e.g. κ ( A I I ) ).

7. Interpretation and Relation to Kron/Norton/Thevenin

7.1. Reduction to Classical Kron Reduction in the Passive Resistive Case

When the network is purely resistive and passive (no dependent sources and no active elements), the elimination of internal nodes coincides with classical Kron (Schur) reduction of the nodal conductance matrix. Then Y eq is symmetric and positive semidefinite, and i 0 captures the effect of independent current injections mapped to the boundary through elimination [3,4].

7.2. Dependent Sources: Asymmetry and Non-Passivity

With dependent sources, the reduced operator Y eq need not be symmetric nor passive. This is not a pathology: controlled sources encode directed gain, and Y eq is best interpreted as a boundary input–output operator in the behavioral sense [5,6].
Algorithm 1:Boundary normal form for a static linear circuit (MNA-based)
Require: 
Static linear circuit C, boundary node set B (size n), a consistent MNA formulation.
Ensure: 
Parameters ( Y eq , i 0 ) such that i B = Y eq v B + i 0 holds on V B .
1:
Choose ground and identify boundary nodes B and internal nodes I.
2:
Assemble the MNA linear system A x = b and reorder unknowns so boundary voltages v B appear explicitly.
3:
Encode boundary voltage constraints induced by ideal voltage sources as V B = { v B : F v B = f } .
4:
Partition the MNA system into boundary-related and internal blocks (Schur setting):
A B B A B I A I B A I I x B x I = b B b I .
5:
Eliminate internal unknowns by solving linear systems (avoid explicit inverses):
solve A I I X = A I B , solve A I I y = b I .
6:
Form reduced (Schur) quantities:
S A B B A B I X , r b B A B I y .
7:
Interpret the reduced boundary equations in the conjugate pair ( v B , i B ) to extract the affine law i B = Y eq v B + i 0 on V B .
8:
Constraint-aware note: if F v B = f constrains the boundary, select v with F v = f and a basis N for ker ( F ) ; compute canonical parameters on free coordinates w via v B = v + N w .
9:
Synthesize N ( Y eq , i 0 ) with: (i) n current sources injecting i 0 into boundary nodes, and (ii) VCCS sources injecting Y i j v j into node i for all ( i , j ) .

7.3. Norton Viewpoint on n Boundary Nodes

Equation (3) is a multi-node Norton-type representation: the boundary currents are the sum of (i) an operator term Y eq v B and (ii) an offset i 0 . For a single port this reduces to the classical Norton form; here it generalizes to an n-node boundary.

7.4. Dual (Thevenin-Type) Remark

A dual formulation expresses boundary voltages affinely in boundary currents,
v B = Z eq i B + v 0 ,
on an appropriate admissible current set. When Y eq is invertible on the admissible subspace (or after restriction to free coordinates), one may take Z eq = Y eq 1 and v 0 = Y eq 1 i 0 . We do not pursue the dual synthesis here; the current-source/VCCS realization aligns directly with MNA elimination.

8. Case Study

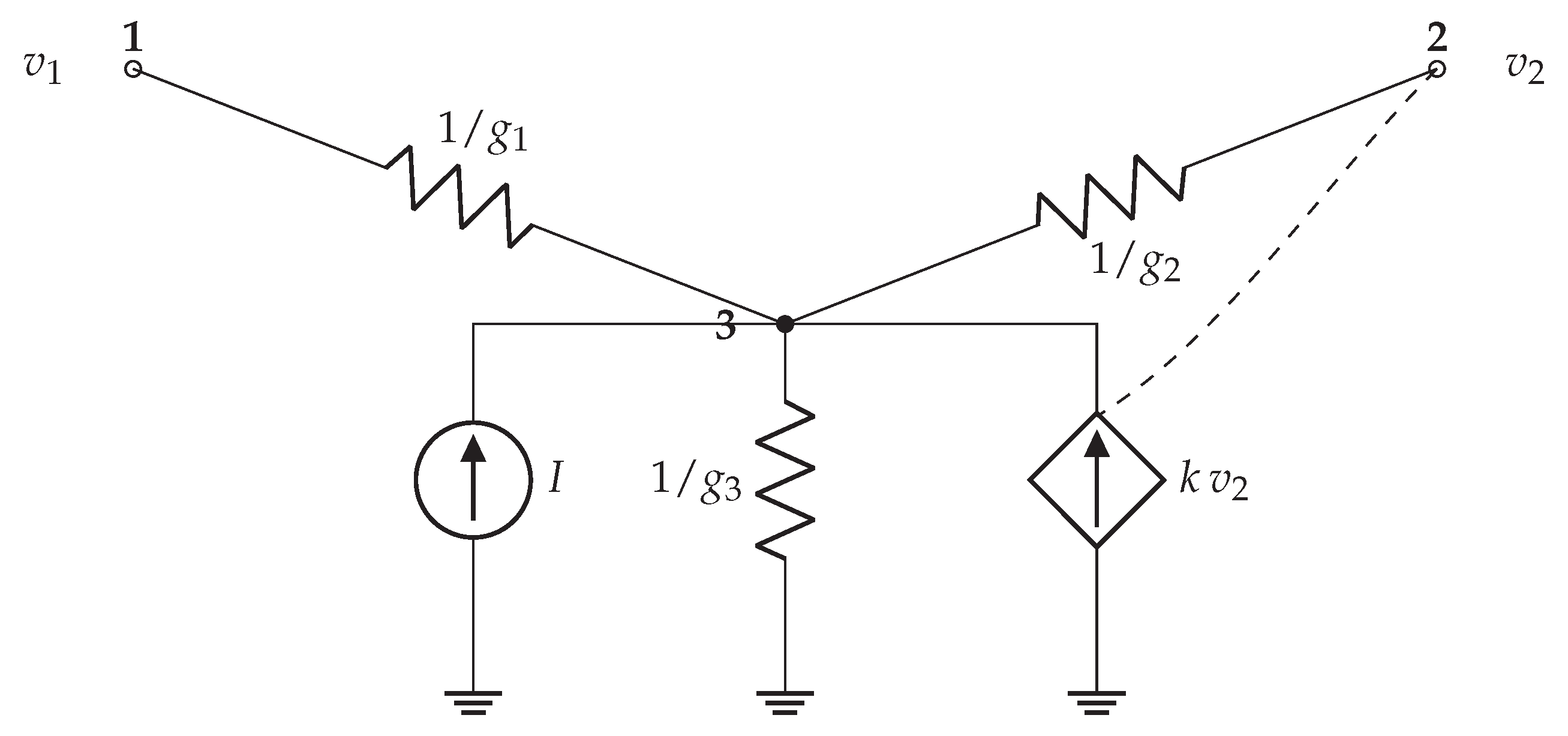
8.1. Original Circuit (One Internal Node and a Dependent Source)

8.2. Elimination and Explicit Affine Parameters

Write KCL at internal node 3 (sum of currents leaving node 3 equals zero). Using the boundary convention that i 1 , i 2 are injected from the exterior into nodes 1,2, we obtain:
g 1 ( v 3 v 1 ) + g 2 ( v 3 v 2 ) + g 3 ( v 3 0 ) I k v 2 = 0 .
Hence
v 3 = g 1 v 1 + ( g 2 + k ) v 2 + I g 1 + g 2 + g 3 .
Figure 1. Case-study circuit with boundary nodes 1,2 and internal node 3.
Figure 1. Case-study circuit with boundary nodes 1,2 and internal node 3.
Preprints 200259 g001
Boundary injected currents follow from the resistors connected to node 3:
i 1 = g 1 ( v 1 v 3 ) , i 2 = g 2 ( v 2 v 3 ) .
Substituting (4) yields an affine law i B = Y eq v B + i 0 .
For the numerical instance g 1 = 1 , g 2 = 2 , g 3 = 1 , k = 0.5 , I = 1 , one obtains
Y eq = 0.75 0.625 0.5 0.75 , i 0 = 0.25 0.5 .

8.3. Normal-Form Realization for n = 2 (Explicit Source List)

For n = 2 ,
i 1 = Y 11 v 1 + Y 12 v 2 + i 0 , 1 , i 2 = Y 21 v 1 + Y 22 v 2 + i 0 , 2 .
This corresponds to the sources in Table 1.

8.4. Numerical Consistency Check (Spot Test)

Choose ( v 1 , v 2 ) = ( 2 , 1 ) . The normal form predicts
i 1 = 0.75 ( 2 ) 0.625 ( 1 ) 0.25 = 1.875 , i 2 = 0.5 ( 2 ) + 0.75 ( 1 ) 0.5 = 2.25 .
Evaluating the original circuit via (4) gives
v 3 = 1 · 2 + ( 2 + 0.5 ) ( 1 ) + 1 1 + 2 + 1 = 0.5 4 = 0.125 ,
hence i 1 = g 1 ( v 1 v 3 ) = 1 ( 2 0.125 ) = 1.875 and i 2 = g 2 ( v 2 v 3 ) = 2 ( 1 0.125 ) = 2.25 , matching exactly.

9. Conclusions

A boundary-centric, behavior-preserving transformation for static linear circuits has been presented. Under standard MNA well-posedness assumptions, boundary behavior is captured completely by an affine law i B = Y eq v B + i 0 on an admissible affine set V B , and a canonical boundary-only realization using independent current sources and VCCS elements provides a normal form. The construction is deterministic, idempotent, and yields a complete classification (constraint-aware): two circuits are behaviorally equivalent on a given boundary if and only if their induced affine laws agree on V B .

9.0.0.4. Future work (concrete directions).

(i) Dynamics: extend to circuits with storage by deriving reduced transfer operators Y eq ( s ) (or Y eq ( z ) ) via descriptor MNA and structured elimination.
(ii) Interconnection: develop algebraic composition rules for normal forms under boundary interconnection.
(iii) Numerics: characterize stability and error in terms of κ ( A I I ) and sparse fill-in, and implement robust solvers that avoid inverses.

References

  1. C.-W. Ho, A. E. Ruehli, and P. A. Brennan, “The Modified Nodal Approach to Network Analysis,” IEEE Transactions on Circuits and Systems, vol. 22, no. 6, pp. 504–509, June 1975.
  2. L. W. Nagel, SPICE2: A Computer Program to Simulate Semiconductor Circuits, Technical Report UCB/ERL M520, EECS Department, University of California, Berkeley, May 1975.
  3. F. Dörfler and F. Bullo, “Kron Reduction of Graphs With Applications to Electrical Networks,” IEEE Transactions on Circuits and Systems I: Regular Papers, vol. 60, no. 1, pp. 150–163, Jan. 2013.
  4. G. Kron, Tensor Analysis of Networks, Wiley, New York, 1939.
  5. J. C. Willems, “Paradigms and Puzzles in the Theory of Dynamical Systems,” IEEE Transactions on Automatic Control, vol. 36, no. 3, pp. 259–294, Mar. 1991.
  6. J. C. Willems, “The Behavioral Approach to Open and Interconnected Systems,” IEEE Control Systems Magazine, vol. 27, no. 6, pp. 46–99, Dec. 2007.
Table 1. Explicit source list for the normal form N ( Y eq , i 0 ) when n = 2 . Each VCCS is understood as: control voltage v j measured from node j to ground; output is a current source from node i to ground of value Y i j v j .
Table 1. Explicit source list for the normal form N ( Y eq , i 0 ) when n = 2 . Each VCCS is understood as: control voltage v j measured from node j to ground; output is a current source from node i to ground of value Y i j v j .
Element Injected at node Value (control)
Independent current source 1 i 0 , 1 = 0.25
Independent current source 2 i 0 , 2 = 0.50
VCCS (self) 1 Y 11 v 1 = 0.75 v 1
VCCS (cross) 1 Y 12 v 2 = 0.625 v 2
VCCS (cross) 2 Y 21 v 1 = 0.50 v 1
VCCS (self) 2 Y 22 v 2 = 0.75 v 2
Disclaimer/Publisher’s Note: The statements, opinions and data contained in all publications are solely those of the individual author(s) and contributor(s) and not of MDPI and/or the editor(s). MDPI and/or the editor(s) disclaim responsibility for any injury to people or property resulting from any ideas, methods, instructions or products referred to in the content.
Copyright: This open access article is published under a Creative Commons CC BY 4.0 license, which permit the free download, distribution, and reuse, provided that the author and preprint are cited in any reuse.
Prerpints.org logo

Preprints.org is a free preprint server supported by MDPI in Basel, Switzerland.

Subscribe

Disclaimer

Terms of Use

Privacy Policy

Privacy Settings

© 2026 MDPI (Basel, Switzerland) unless otherwise stated