Preprint
Article

This version is not peer-reviewed.

Design Approach of a Hybrid Solar Dryer for Banana Under South Pacific Conditions

Submitted:

10 February 2026

Posted:

12 February 2026

You are already at the latest version

Abstract
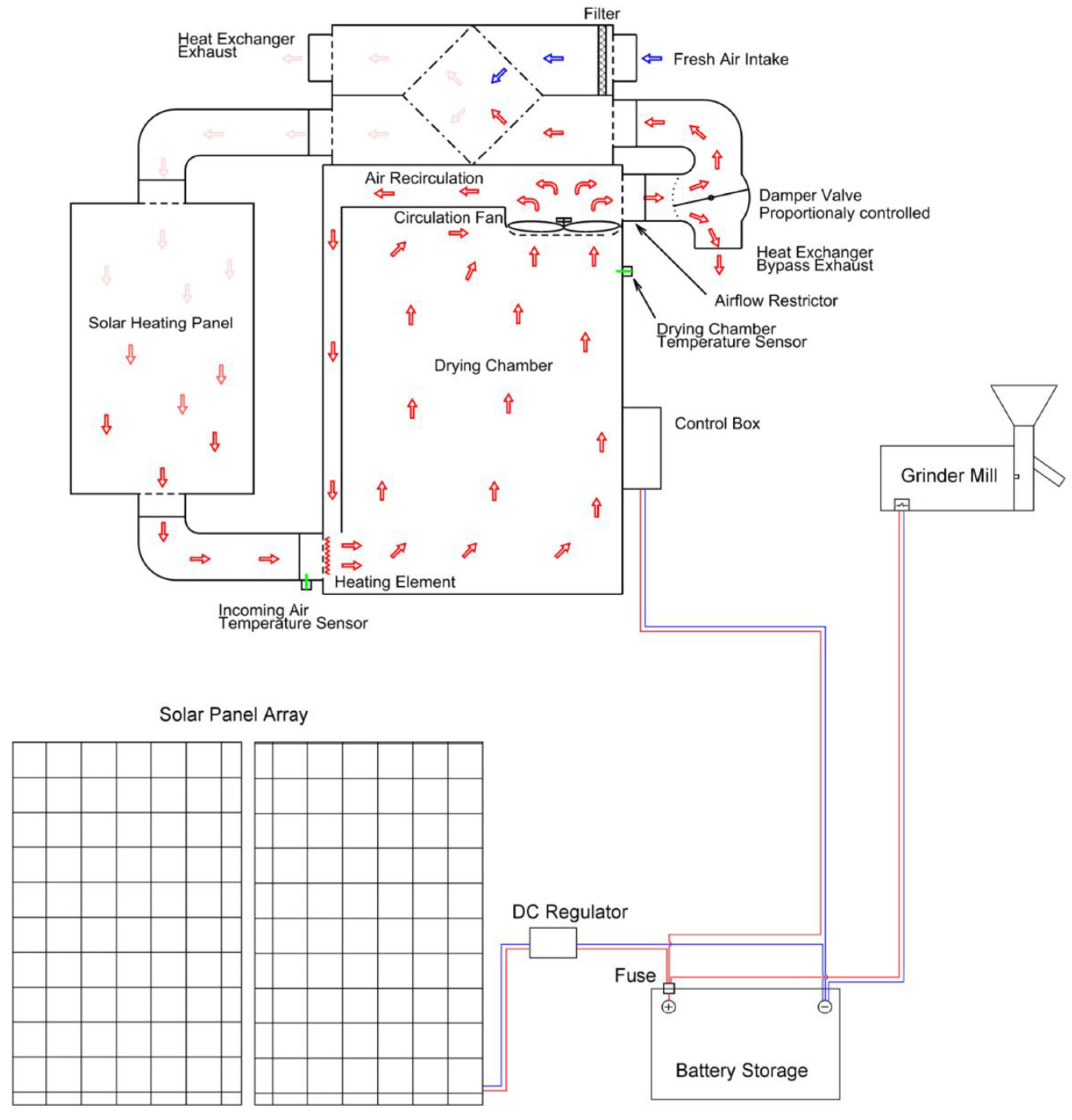
Developing a solar hybrid banana dryer designed explicitly for South Pacific is a significant step forward in addressing both environmental sustainability and economic efficiency in the region. This project encompasses the design and implementation of a sophisticated drying system tailored to meet local conditions, featuring an array of components such as solar panels, batteries, a solar collector, an air filter, a heat exchanger, a drying chamber, electric heaters, forced ventilation, and a control unit. This paper details the various phases of the project, including design objectives, options, literature review findings, design selection processes, detailed design calculations, and forward-looking recommendations. Project, bringing diverse expertise to ensure the dryer met South Pacific economic and environmental needs. The primary aim was to create a low-cost, sustainable, portable dryer that is simple to construct and maintain and capable of upholding hygiene standards despite variable weather conditions. When designing the dryer banana was used as the model material to produce banana powder but it can be used for crops like breadfruit, pineapple, tomatoes and cassava and whatever else can benefit. By adopting this innovative solution, south pacific can benefit from an environmentally friendly, economically viable method of banana drying, supporting local agriculture and contributing to sustainable development in the region.
Keywords: 
;  ;  ;  ;  
Copyright: This open access article is published under a Creative Commons CC BY 4.0 license, which permit the free download, distribution, and reuse, provided that the author and preprint are cited in any reuse.
Prerpints.org logo

Preprints.org is a free preprint server supported by MDPI in Basel, Switzerland.

Subscribe

Disclaimer

Terms of Use

Privacy Policy

Privacy Settings

© 2026 MDPI (Basel, Switzerland) unless otherwise stated