Submitted:
25 January 2026
Posted:
26 January 2026
You are already at the latest version
Abstract
Keywords:
1. Introduction
2. FTS Experimental Work
2.1. Literature Review
2.2. Limitation of Full-Scale Rigs
2.3. Cranfield Rig History and Current Design
2.3.1. Rig History
- Simulating the FTS under normal and faulty conditions. All associated failure modes should be able to be controlled independently and simultaneously.
- Allowing researchers to measure representative metrics (e.g. static pressure and flow rate) at any key points.
- Simulating different degraded levels for each failure mode and responding quickly. The fault configuration can be automatically adjusted for repeated experiments, and the corresponding data should be collected efficiently.
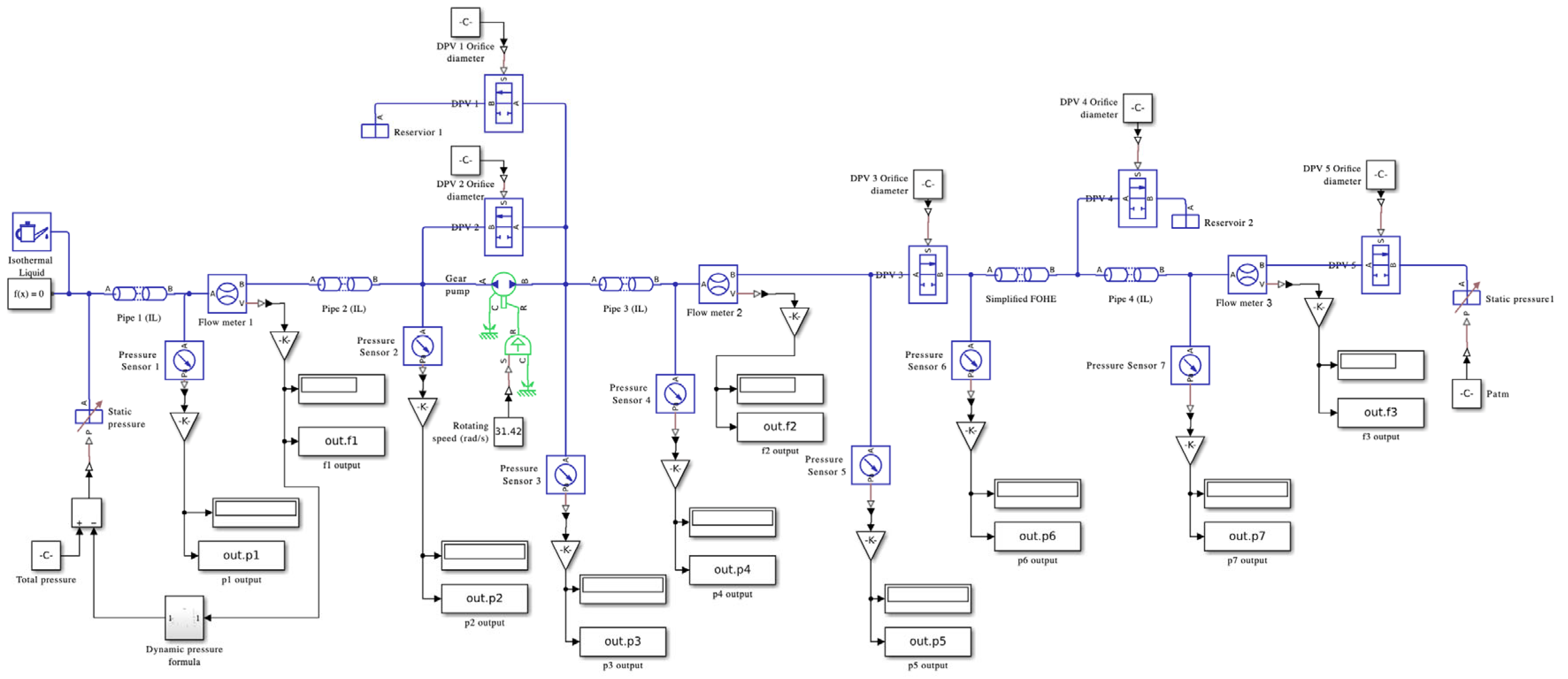
2.3.2. Current Design
2.3.3. List of Possible Faults
2.4. Experimental Work
2.4.1. System Performance Checks
2.4.2. Experimental Matrix
2.4.3. Experimental Results
- Flow meters exhibit more outliers than pressure sensors.
- Under steady state, all signals fluctuate within bounded ranges due to pump internals, flow dynamics, and vibration.
- Pressure sensors near the pump outlet (p3, p4, p5) show clear periodicity: ten cycles over 3 seconds, matching the pump’s gear-rotation count. A shorter window (Figure 5a) highlights suction (p2) and discharge (p4) pressure ripples associated with the 12-tooth gear.
- The frequency spectrum (Figure 5c) confirms that the gear-meshing frequency (40 Hz) dominates the suction-side signal. For discharge pressure (Figure 5b), rotational effects are evident, but individual tooth-meshing pulses are less pronounced; the spectrum contains harmonics of the rotational speed, with the meshing frequency also present.
2.5. Summary and Contribution of the Experimental Dataset
3. FTS Simulation for Normal and Abnormal Conditions
3.1. Introduction
3.2. Simulation Model



3.2.1. Simulation Results - Healthy Condition
3.2.2. Simulation Results - Faulty Conditions
3.3. New Benchmark Dataset
3.4. Summary of the Simulation Model
4. Diagnostics Through Machine Learning
4.1. Introduction
- Feature suitability: The dataset used here consists of eleven structured features with clear physical meaning and proven sensitivity to FTS faults. As a result, complex DL methods designed for latent-feature extraction from unstructured data are unnecessary.
- Data-volume compatibility: The selected algorithms must function effectively with a training set of approximately 4,000 samples.
- Supervised learning: Since the simulated dataset is fully labelled, supervised methods are preferred.
- Classification capability: Fault diagnosis is inherently a classification problem, requiring algorithms well suited for binary or multi-class classification.
- Model complexity vs. predictive performance: The chosen algorithms should provide strong diagnostic accuracy while maintaining reasonable computational cost.
4.2. Data Preparation
4.3. Diagnostic Algorithm Development
5. Summary and Conclusions
- Experimental work: Data quality could be enhanced through improved sensor placement, higher-accuracy instrumentation, and repeated trials for selected health conditions.
- Simulation work: More accurate experimental data would directly increase model fidelity. Incorporating noise and modelling transient system behaviour could also broaden the applicability of the simulation model and the datasets generated.
References
- Li, J.; King, S.; Jennions, I. Intelligent fault diagnosis of an aircraft fuel system using machine learning—A literature review. Machines 2023, 11(4), 481. [Google Scholar] [CrossRef]
- Liu, D.; Bian, G.; Xiao, H. The Research of Aircraft Fuel System Icing Test. In Journal of Physics: Conference Series; IOP Publishing, September 2021; Vol. 2030, No. 1, p. 012013. [Google Scholar]
- Wang, T.; Jiao, H.; Ma, X.; Ouyang, X.; Zhang, H. Analysis of Cavitation Characteristics of High Temperature Fuel Piston Pump in the Process of Suction and Discharge. In Fluid Power Systems Technology; American Society of Mechanical Engineers, October 2021; Vol. 85239, p. V001T01A026. [Google Scholar]
- Ahmed, I.; Quinones-Grueiro, M.; Biswas, G. Transfer reinforcement learning for fault-tolerant control by re-using optimal policies. In 2021 5th International Conference on Control and Fault-Tolerant Systems (SysTol); 2021, September; IEEE; pp. 25–30. [Google Scholar]
- Gafurov, S.; Rodionov, L.; Kryuchkov, A.; Handroos, H. HIL test bench for engine’s fuel control systems investigation. In 30th Congress of the International Council of the Aeronautical Sciences; 2016. [Google Scholar]
- Sedighi, T.; Foote, P. D.; Khan, S. Intermittent fault detection on an experimental aircraft fuel rig: Reduce the no fault found rate. In 2015 4th International Conference on Systems and Control (ICSC); 2015, April; IEEE; pp. 110–115. [Google Scholar]
- Niculita, O.; Irving, P.; Jennions, I. K. Use of COTS functional analysis software as an IVHM design tool for detection and isolation of UAV fuel system faults. 2012. [Google Scholar] [CrossRef]
- Lin, Y. System diagnosis using a Bayesian method. Doctoral dissertation, Cranfield University, 2017. [Google Scholar]
- Shuai, F. U.; AVDELIDIS, N. P. Health Management of Aircraft Fuel Systems: A Practical Prognostic Perspective. In 2024 11th European Workshop on Structural Health Monitoring; 2024. [Google Scholar]
- Ezhilarasu, C. M.; Skaf, Z.; Jennions, I. K. A generalised methodology for the diagnosis of aircraft systems. Ieee Access 2021, 9, 11437–11454. [Google Scholar] [CrossRef]
- Liu, H.; Zhao, Y.; Zaporowska, A.; Skaf, Z. A machine learning-based clustering approach to diagnose multi-component degradation of aircraft fuel systems. Neural Computing and Applications 2023, 35(4), 2973–2989. [Google Scholar] [CrossRef]
- Iyaghigba, S. D.; Petrunin, I.; Avdelidis, N. P. Modeling a hydraulically powered flight control actuation system. Applied Sciences 2024, 14(3), 1206. [Google Scholar] [CrossRef]
- Zaporowska, A.; Liu, H.; Skaf, Z.; Zhao, Y. A clustering approach to detect faults with multi-component degradations in aircraft fuel systems. IFAC-PapersOnLine 2020, 53(3), 113–118. [Google Scholar] [CrossRef]
- Jung, M.; Niculita, O.; Skaf, Z. Comparison of different classification algorithms for fault detection and fault isolation in complex systems. Procedia Manufacturing 2018, 19, 111–118. [Google Scholar] [CrossRef]
- Opperwall, T. J. Investigation of noise sources and propagation in external gear pumps. Doctoral dissertation, Purdue University, 2015. [Google Scholar]
- Kulpa, M. A vibrational study of gear pumps and gear pump drives; 1991. [Google Scholar]
- Ogbemhe, J.; Ramatsetse, B.; Mpofu, K.; George, O. A. Multi-Physical Modelling and Simulation of a Planar Translational Scissor Lift Mechanism for Maintenance of Rail Transmission Lines. Procedia CIRP 2024, 121, 174–179. [Google Scholar] [CrossRef]
- Agbaje, M. A., Yilgor, I., Rodrigues, V. Z., Diao, X., Smidts, C., Kapuria, A., ... & Shi, S.System design and analysis of thermal power dispatch systems for boiling water reactors. Annals of Nuclear Energy 2025, 210, 110881. [CrossRef]
- Erzan Topçu, E. PC-based control and simulation of an electro-hydraulic system. Computer Applications in Engineering Education 2017, 25(5), 706–718. [Google Scholar] [CrossRef]
- Fernandez de Canete, J.; Martin-Aguilar, J. Ship-course modeling and control using the SIMSCAPE physical modeling environment. Simulation 2021, 97(4), 247–266. [Google Scholar] [CrossRef]
- Volle, C. E. (2014). Simscape Modeling Verification in the Simulink Development Environment (No. KSCE- DAA-TN18107).
- Adamcik, F.; Bréda, R.; Kurdel, P.; Beno, V. Modeling of Changes in Flow Air Fuel E ffected by Changes in Environmental Conditions. NAŠE MORE: znanstveni časopis za more i pomorstvo 2014, 61(1-2), S40–42. [Google Scholar]
- Fischer, N. P. (2015). Simscape Modeling of a Custom Closed-Volume Tank (No. KSC-E-DAA-TN23095).
- Petrović, G. R.; Mattila, J. Mathematical modelling and virtual decomposition control of heavy-duty parallel–serial hydraulic manipulators. Mechanism and Machine Theory 2022, 170, 104680. [Google Scholar] [CrossRef]
- Suchithra, R., Das, T. K., Rajagopalan, K., Chaudhuri, A., Ulm, N., Prabu, M., ... & Cross, PNumerical modelling and design of a small-scale wave-powered desalination system. Ocean Engineering 2022, 256, 111419. [CrossRef]
- Park, C. G.; Yoo, S.; Ahn, H.; Kim, J.; Shin, D. A coupled hydraulic and mechanical system simulation for hydraulic excavators. Proceedings of the Institution of Mechanical Engineers, Part I: Journal of Systems and Control Engineering 2020, 234(4), 527–549. [Google Scholar] [CrossRef]
- Pelin, R. I.; Tița, I. Modelling and simulation of a hydraulic system used for wind turbines. In IOP Conference Series: Materials Science and Engineering; 2019, September; IOP Publishing; Vol. 595, No. 1, p. 012048. [Google Scholar]
- Dahash, A.; Mieck, S.; Ochs, F.; Krautz, H. J. A comparative study of two simulation tools for the technical feasibility in terms of modeling district heating systems: An optimization case study. Simulation Modelling Practice and Theory 2019, 91, 48–68. [Google Scholar] [CrossRef]
- Fux, S. F.; Mohajer, B.; Mischler, S. A Comparison of the Dynamic Temperature Responses of Two Different Heat Exchanger Modelling Approaches in Simulink Simscape for HVAC Applications; SIMULTECH, 2023; pp. 417–424. [Google Scholar]
- Mandal, N. K.; Azad, A. K.; Rasul, M. G. On students learning experience of fluid power engineering–Impact of simulation software. International Journal of Mechanical Engineering Education 2024, 52(2), 143–156. [Google Scholar] [CrossRef]
- Mazzitelli, L.; Watanabe, P.; Teixeira, J. C.; Machado, J. A simulation model for small aircraft fuel system design. Technologia i Automatyzacja Montażu 2023, (4), 28–37. [Google Scholar] [CrossRef]
- Jennions, I.; Ali, F.; Miguez, M. E.; Escobar, I. C. Simulation of an aircraft environmental control system. Applied Thermal Engineering 2020, 172, 114925. [Google Scholar] [CrossRef]
- Kamarudin, M. N.; Rozali, S. M.; Aras, M. S. M.; Hairi, M. H.; Abdullah, L.; Rizman, Z. I. Studies on Hydraulic Pump Characteristics Through Experiment and Simulation in MATLAB Simscape. Applications of Modelling and Simulation 2024, 8, 301–309. [Google Scholar]
- Sciatti, F.; Tamburrano, P.; De Palma, P.; Distaso, E.; Amirante, R. Detailed simulations of an aircraft fuel system by means of Simulink. In Journal of physics: Conference series; IOP Publishing, December 2022; Vol. 2385, No. 1, p. 012033. [Google Scholar]
- Wang, J.; Zhang, Z.; Liu, Z.; Han, B.; Bao, H.; Ji, S. Digital twin aided adversarial transfer learning method for domain adaptation fault diagnosis. Reliability Engineering & System Safety 2023, 234, 109152. [Google Scholar] [CrossRef]
- Delhaye, T. P.; Francis, L. A.; Flandre, D.; Cretu, E. Macro-Modeling Library in Simscape for MEMS Pressure Sensors Based on Energy-Flow Paradigm. In 2019 Symposium on Design, Test, Integration & Packaging of MEMS and MOEMS (DTIP); 2019, May; IEEE; pp. 1–5. [Google Scholar]
- Amare, D. F.; Aklilu, T. B.; Gilani, S. I. Gas path fault diagnostics using a hybrid intelligent method for industrial gas turbine engines. Journal of the Brazilian Society of Mechanical Sciences and Engineering 2018, 40(12), 578. [Google Scholar] [CrossRef]
- Ravikumar, K. N.; Yadav, A.; Kumar, H.; Gangadharan, K. V.; Narasimhadhan, A. V. Gearbox fault diagnosis based on Multi-Scale deep residual learning and stacked LSTM model. Measurement 2021, 186, 110099. [Google Scholar] [CrossRef]
- Wang, S.; Fan, S.; Chen, J.; Liu, X.; Hao, B.; Yu, J. Deep-learning based fault diagnosis using computer-visualised power flow. IET Generation, Transmission & Distribution 2018, 12(17), 3985–3992. [Google Scholar]
- Park, S. Y.; Ahn, J. Deep neural network approach for fault detection and diagnosis during startup transient of liquid-propellant rocket engine. Acta Astronautica 2020, 177, 714–730. [Google Scholar] [CrossRef]
- Hamdaoui, H.; Ngiejungbwen, L. A.; Gu, J.; Tang, S. Improved signal processing for bearing fault diagnosis in noisy environments using signal denoising, time–frequency transform, and deep learning. Journal of the Brazilian Society of Mechanical Sciences and Engineering 2023, 45(11), 576. [Google Scholar] [CrossRef]
- Lakshmanan, K.; Tessicini, F.; Gil, A. J.; Auricchio, F. A fault prognosis strategy for an external gear pump using Machine Learning algorithms and synthetic data generation methods. Applied Mathematical Modelling 2023, 123, 348–372. [Google Scholar] [CrossRef]
- Jiao, X.; Jing, B.; Huang, Y.; Li, J.; Xu, G. Research on fault diagnosis of airborne fuel pump based on EMD and probabilistic neural networks. Microelectronics Reliability 2017, 75, 296–308. [Google Scholar] [CrossRef]
- Xiangyang, S. Research on fault diagnosis of B737 aircraft fuel system based on improved BP neural network. Mathematical Models in Engineering 2019, 5(1), 11–16. [Google Scholar] [CrossRef]
- Sepulvene, L., Drummond, I., Kuehne, B., Frinhani, R., Leite Filho, D., Peixoto, M., ... & Batista, B.Performance evaluation of machine learning techniques for fault diagnosis in vehicle fleet tracking modules. The Computer Journal 2022, 65(8), 2073–2086. [CrossRef]
- Ruan, Y.; Zheng, M.; Qian, F.; Meng, H.; Yao, J.; Xu, T.; Pei, D. Fault detection and diagnosis of energy system based on deep learning image recognition model under the condition of imbalanced samples. Applied Thermal Engineering 2024, 238, 122051. [Google Scholar] [CrossRef]
- Guo, Y.; Chen, X.; Wang, W. Fault diagnosis of fuel pump based on wavelet denoising and deep learning. In Journal of Physics: Conference Series; IOP Publishing, March 2022; Vol. 2216, No. 1, p. 012050. [Google Scholar]
- Rengasamy, D.; Morvan, H. P.; Figueredo, G. P. Deep learning approaches to aircraft maintenance, repair and overhaul: A review. In 2018 21st International Conference on Intelligent Transportation Systems (ITSC); 2018, November; IEEE; pp. 150–156. [Google Scholar]
- Lin, Y.; Zakwan, S.; Jennions, I. A Bayesian approach to fault identification in the presence of multi-component degradation. International Journal of Prognostics and Health Management 2017, 8(1). [Google Scholar] [CrossRef]
- Li, J.; King, S.; Jennions, I. Intelligent Multi-Fault Diagnosis for a Simplified Aircraft Fuel System. Algorithms 2025, 18(2), 73. [Google Scholar] [CrossRef]












| ID in Figure 3 | Failure mode | DPV | Location | Nominal State | Severity definition | Command Voltage (V) | Equivalent opening | Affected path |
| 3 | Pump external leakage | DPV1 | Side branch | Normally closed (≈ 0 V) | Leakage severity s | V=10s | ≈100s % | Main → branch |
| 4 | Pump internal leakage | DPV2 | Side branch | Normally closed (≈ 0 V) | Leakage severity s | V=10s | ≈100s % | Main → branch |
| 5 | FOHE blockage | DPV3 | Main line | Fully open (≈ 10 V) | Closure fraction s | V=10(1-s) | ≈(1-s) 100% | Main-line throttling |
| 7 | FOHE leakage | DPV4 | Side branch | Normally closed (≈ 0 V) | Leakage severity s | V=10s | ≈100s % | Main → branch |
| 8 | Nozzle blockage | DPV5 | Main line | Fully open (≈ 10 V) | Closure fraction s | V=10(1-s) | ≈(1-s) 100% | Main-line throttling |
| Category | Name | Speed/Severity Range | Interval | Number of speeds/severities |
| Working conditions | Pump speed | 200~600 rpm | 100 rpm | 5 |
| Degradations | Pump external leakage | 0~40% | 10% | 5 |
| Pump internal leakage | 0~40% | 10% | 5 | |
| FOHE blockage | 0~40% | 10% | 5 | |
| FOHE leakage | 0~60% | 15% | 5 | |
| Nozzle blockage | 0~40% | 10% | 5 |
| Boundary condition (atmospheric pressure plus water depth of the tank) | |||
| Nine unknowns | p0 | Nine Equations | Bernoulli equation |
| p1 | Pipeline 1 | ||
| p2 | Flowmeter 1 | ||
| p3 | Gear pump | ||
| p4 | Pipeline 2 | ||
| p5 | Flowmeter 2 | ||
| p6 | DPV 3 | ||
| p7 | FOHE | ||
| f1 | DPV 5 | ||
| Boundary condition (atmospheric pressure) | |||
| Failure mode | Normal condition | Abnormal condition |
| Pump external leakage | 0%, 10%, 20%, 30% | 40% |
| Pump internal leakage | 0%, 10%, 20% | 30%, 40% |
| FOHE blockage | 0%, 10%, 20% | 30%, 40% |
| FOHE leakage | 0%, 15%, 30%, 45% | 60% |
| Nozzle blockage | 0%, 10%, 20% | 30%, 40% |
| Algorithm | Configuration | Function in MATLAB |
| LR | Multinomial Logistic Regression | mnrfit |
| DT | MaxNumSplits = 1100, Prune = on | fitctree |
| SVM | KernelFunction = polynomial, PolynomialOrder = 4, Solver = ISDA | fitcecoc |
| ANN | Hidden layer size = 16, Activation function = sigmoid | fitcnet |
| Pump external leakage | Pump internal leakage | FOHE blockage | FOHE leakage | Nozzle blockage | Efficiency | |
| LR | 0.9259 | 0.9152 | 1 | 0.9882 | 0.9921 | Slow |
| DT | 0.9072 | 0.897 | 0.981 | 0.927 | 0.9692 | Fast |
| SVM | 0.9034 | 0.9054 | 1 | 0.9324 | 0.9894 | Extremely slow |
| ANN | 0.9622 | 0.9417 | 1 | 0.9882 | 0.9961 | Fast |
Disclaimer/Publisher’s Note: The statements, opinions and data contained in all publications are solely those of the individual author(s) and contributor(s) and not of MDPI and/or the editor(s). MDPI and/or the editor(s) disclaim responsibility for any injury to people or property resulting from any ideas, methods, instructions or products referred to in the content. |
© 2026 by the authors. Licensee MDPI, Basel, Switzerland. This article is an open access article distributed under the terms and conditions of the Creative Commons Attribution (CC BY) license (http://creativecommons.org/licenses/by/4.0/).
