Submitted:
30 December 2025
Posted:
31 December 2025
You are already at the latest version
Abstract
Keywords:
1. Introduction
2. Materials and Methods
3. Numerical Model
3.1. Model Description
3.2. Model Verification
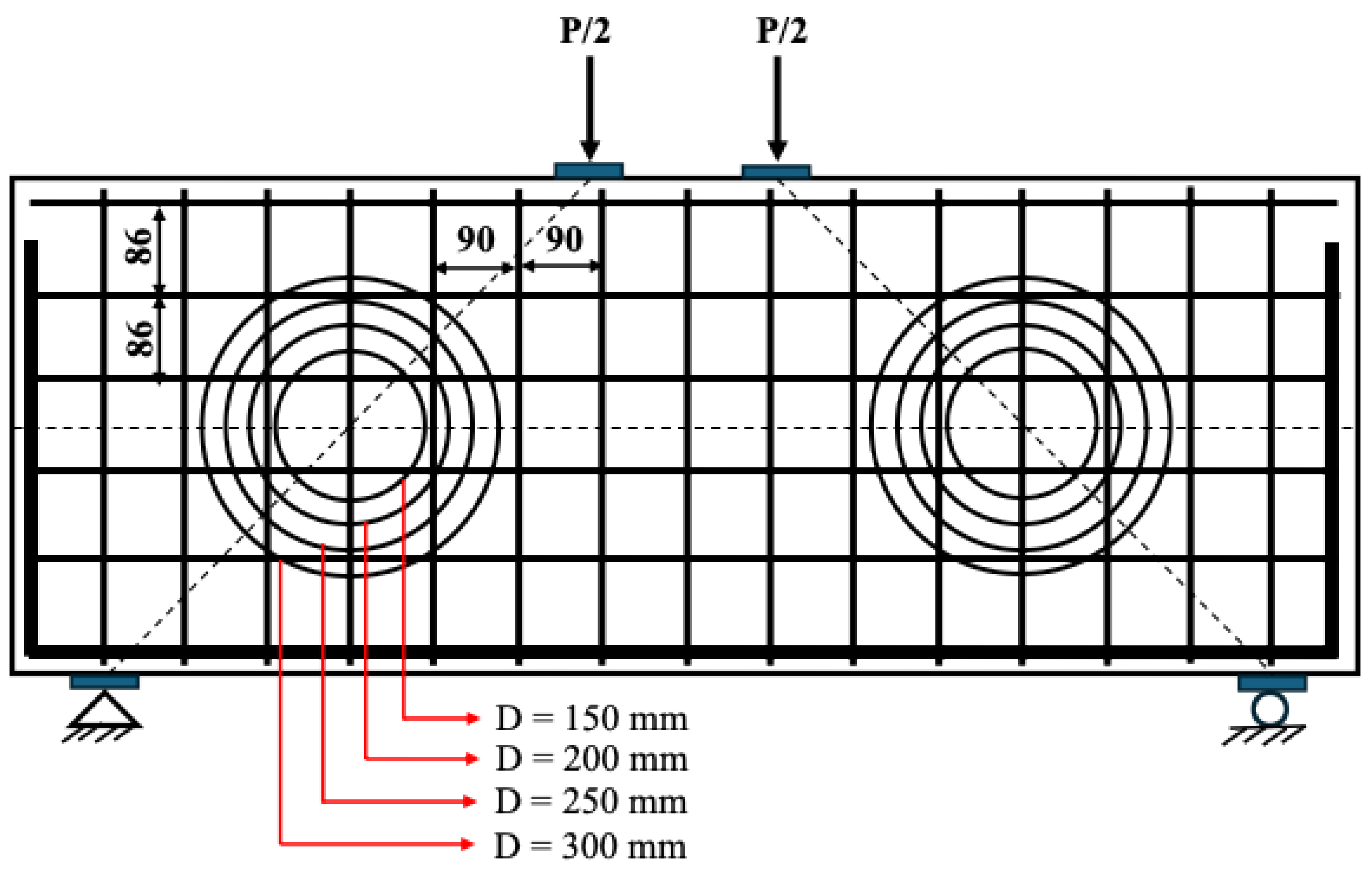
4. Parametric Study
5. Results and Discussions
6. Conclusions
- The results have shown that the use of finite element models is suitable for analyzing deep beams. When the analysis results are compared with the experimental results, it is evident that finite element models can predict not only the load-displacement relationships but also crack formation and failure modes with high accuracy.
- The capacity of deep beams manufactured with stirrups closed in the top and bottom chords is not the same as that of beams with openings created later by cutting the stirrups. The load-carrying capacity of the element with cut stirrups was found to be 11.5% lower than that of the beam with the planned opening. The maximum displacement is also 5% lower.
- While shear damage was expected in the beams, shear-compression damage also occurred due to the increase in the opening diameter.
- The capacities of the unstrengthened elements decreased significantly. The load-carrying capacity of the element with a 150 mm opening decreased by 23%, that with a 200 mm opening decteased by 40%, that with a 250 mm opening decreased by 46%, and that with a 300 mm opening decreased by 56%. Energy consumption has also decreased because the load-carrying capacity and displacement amount have decreased with increasing opening diameter. The energy consumption rates of the unstrengthened elements with openings decreased by 27%, 48%, 56%, and 87%, respectively.
- Although the use of CFRP laminates increased the capacity of the elements, the capacity of the elements with openings remained below that of the elements without openings.
- Even when a high-thickness CFRP laminate is used for strengthening, the load-carrying and energy consumption capacities of elements with an opening diameter greater than half the element height can reach only half the capacity of the element without an opening.
- For openings to be created later in the shear spans of deep beams, the maximum diameter should be less than half of the height of the beam and appropriately strengthened.
- In deep beams with closely spaced reinforcement, where the diameters of the cut circular symmetrical openings in the shear spans are larger than the transverse reinforcement spacing, it should be assumed that the capacity of the beam will be lower than the initial state even if CFRP strengthening is applied.
Funding
Institutional Review Board Statement
Informed Consent Statement
Data Availability Statement
Conflicts of Interest
References
- Shabanlou, M.; Meghdadi, Z.; Ghaffar, S.H. Experimental and Analytical Study of the Residual Performance of Reinforced Concrete Deep Beams with Circular Web Openings. Results Eng. 2025, 25, 104229. [Google Scholar] [CrossRef]
- Ghalla, M.; Shaaban, I.G.; Elsamak, G.; Badawi, M.; Alshammari, E.; Yehia, S.A. Restoration of Shear Capacity in RC Beams with Cut Circular Web Openings Using Stainless Steel, Aluminium Sheets, and GFRP Bars. Eng. Struct. 2025, 334, 120215. [Google Scholar] [CrossRef]
- Özkılıç, Y.O.; Aksoylu, C.; Gemi, L.; Arslan, M.H. Behavior of CFRP-Strengthened RC Beams with Circular Web Openings in Shear Zones: Numerical Study. Struct. 2022, 41, 1369–1389. [Google Scholar] [CrossRef]
- Abdullah, G.M.S.; Alshaikh, I.M.H.; Zeyad, A.M.; Magbool, H.M.; Bakar, B.H.A. The Effect of Openings on the Performance of Self-Compacting Concrete with Volcanic Pumice Powder and Different Steel Fibers. Case Stud. Constr. Mater. 2022, 17, e01148. [Google Scholar] [CrossRef]
- Alyaseen, A.; Poddar, A.; Alissa, J.; Alahmad, H.; Almohammed, F. Behavior of CFRP-Strengthened RC Beams with Web Openings in Shear Zones: Numerical Simulation. Mater. Today Proc. 2022, 65, 3229–3239. [Google Scholar] [CrossRef]
- Amin, H.M.; Agarwal, V.C.; Aziz, O.Q. Effect of Opening Size and Location on the Shear Strength Behavior of RC Deep Beams Without Web Reinforcement. Int. J. Innovative Technol. Exploring. Eng. 2013, 3, 28–30. [Google Scholar]
- Amiri, J.V.; ALibygie, M.H. Effect of Small Circular Opening on the Shear and Flexural Behavior and Ultimate Strength of Reinforced Concrete Beams Using Normal and High Strength Concrete. In Proc. 13th World Conf. on Earthquake Engineering, Canada (August 2004).
- Chin, S.C.; Shafiq, N.; Nuruddin, M.F. Strengthening of RC Beams with Large Openings in Shear by CFRP Laminates: Experiment and 2D Nonlinear Finite Element Analysis. Res. J. Appl. Sci. Eng. Technol. 2012, 4, 1172–1180. [Google Scholar]
- Diggikar, R.; Mangalgi, S.; Harsoor, R. Behavior of RCC Beam with Rectangular Opening Strengthened by CFRP and GFRP Sheets. In Proc. Int. Conf. on Recent Innovations in Civil Engineering, Germany (October 2013).
- Hassan, H.M.; Arab, M.A.E.S.; Ismail El-Kassas, A. Behavior of High Strength Self Compacted Concrete Deep Beams with Web Openings. Heliyon. 2019, 5, e01524. [Google Scholar] [CrossRef]
- Jabbar, S.; Hejazi, F.; Mahmod, H.M. Effect of an Opening on Reinforced Concrete Hollow Beam Web Under Torsional, Flexural, and Cyclic Loadings. Lat. Am. J. Solids Struct. 2016, 13, 1576–1595. [Google Scholar] [CrossRef]
- Jabbar, D.N.; Al-Rifaie, A.; Hussein, A.M.; Shubbar, A.A.; Nasr, M.S.; Al-Khafaji, Z.S. Shear Behaviour of Reinforced Concrete Beams with Small Web Openings. Mater. Today Proc. 2021, 42, 2713–2716. [Google Scholar] [CrossRef]
- El Maaddawy, T.; Sherif, S. FRP Composites for Shear Strengthening of Reinforced Concrete Deep Beams with Openings. Compos. Struct. 2009, 89, 60–69. [Google Scholar] [CrossRef]
- Mansour, W. Numerical Analysis of the Shear Behavior of FRP-Strengthened Continuous RC Beams Having Web Openings. Eng. Struct. 2021, 227, 111451. [Google Scholar] [CrossRef]
- Pimanmas, A. Strengthening R/C Beams with Opening by Externally Installed FRP Rods: Behavior and Analysis. Compos. Struct. 2010, 92, 1957–1976. [Google Scholar] [CrossRef]
- Rahim, N.I.; Mohammed, B.S.; Al-Fakih, A.; Wahab, M.M.A.; Liew, M.S.; Anwar, A.; Amran, Y.M. Strengthening the Structural Behavior of Web Openings in RC Deep Beam Using CFRP. Mater. 2020, 13, 2804. [Google Scholar] [CrossRef]
- Chin, S.C.; Shafiq, N.; Nuruddin, M.F. Strengthening of RC Beams Containing Large Opening at Flexure with CFRP Laminates. Int. J. Civ. Environ. Eng. 2011, 5, 743–749. [Google Scholar]
- Yang, K.H.; Chung, H.S.; Ashour, A.F. Influence of Inclined Web Reinforcement on Reinforced Concrete Deep Beams with Openings. ACI Struct. J. 2007, 104, 580–589. [Google Scholar] [CrossRef]
- Campione, G.; Minafò, G. Behaviour of Concrete Deep Beams with Openings and Low Shear Span-to-Depth Ratio. Eng. Struct. 2012, 41, 294–306. [Google Scholar] [CrossRef]
- Al-Enezi, M.S.; Yousef, A.M.; Tahwia, A.M. Shear Capacity of UHPFRC Deep Beams with Web Openings. Case Stud. Constr. Mater. 2023, 18, e02105. [Google Scholar] [CrossRef]
- Abed, H.S.; Al-Sulayfani, B.J. Experimental and Analytical Investigation on Effect of Openings in Behavior of Reinforced Concrete Deep Beam and Enhanced by CFRP Laminates. Struct. 2023, 48, 706–716. [Google Scholar] [CrossRef]
- Özkılıç, Y.O.; Aksoylu, C.; Hakeem, I.Y.; Özdöner, N.; Kalkan, İ.; Karalar, M.; Stel’makh, S.A.; Shcherban, M.E.; Beskopylny, A.N. Shear and Bending Performances of Reinforced Concrete Beams with Different Sizes of Circular Openings. Build. 2023, 13, 1989. [Google Scholar] [CrossRef]
- Sayed, A.M. Numerical Study Using FE Simulation on Rectangular RC Beams with Vertical Circular Web Openings in the Shear Zones. Eng. Struct. 2019, 198, 109471. [Google Scholar] [CrossRef]
- Ali, S.R.M.; Saeed, J.A. Shear Capacity and Behavior of High-Strength Concrete Beams with Openings. Eng. Struct. 2022, 264, 114431. [Google Scholar] [CrossRef]
- Sarcheshmehpour, M.; Shabanlou, M.; Meghdadi, Z.; Estekanchi, H.E.; Mofid, M. Seismic Evaluation of Steel Plate Shear Wall Systems Considering Soil-Structure Interaction. Soil Dyn. Earthquake Eng. 2021, 145, 106738. [Google Scholar] [CrossRef]
- Alvanchi, A.; Jafari, M.A.; Shabanlou, M.; Meghdadi, Z. A Novel Public-Private-People Partnership Framework in Regeneration of Old Urban Neighborhoods in Iran. Land Use Policy. 2021, 109, 105728. [Google Scholar] [CrossRef]
- Mansur, M.A.; Tan, K.H.; Lee, S.L. Collapse Loads of R/C Beams with Large Openings. J. Struct. Eng. 1984, 110, 2602–2618. [Google Scholar] [CrossRef]
- Chin, S.C.; Yahaya, F.M.; Ing, D.O.H.S.; Kusbiantoro, A.; Chong, W.K. Experimental Study on Shear Strengthening of RC Deep Beams with Large Openings Using CFRP. In Proc. Int. Conf. on Architecture, Structure and Civil Engineering (ICASCE’15), Turkey (September 2015).
- Jasim, W.A.; Tahnat, Y.B.A.; Halahla, A.M. Behavior of Reinforced Concrete Deep Beam with Web Openings Strengthened with (CFRP) Sheet. Struct. 2020, 26, 785–800. [Google Scholar] [CrossRef]
- Lubliner, J.; Oliver, J.; Oller, S.; Onate, E. A Plastic-Damage Model for Concrete. Int. J. Solids Struct. 1989, 25, 299–326. [Google Scholar] [CrossRef]
- Lee, J.; Fenves, G.L. Plastic-Damage Model for Cyclic Loading of Concrete Structures. J. Eng. Mech. 1998, 124, 892–900. [Google Scholar] [CrossRef]
- Kabaila, A.; Saenz, L.P.; Tulin, L.G.; Gerstle, K.H. Equation for the Stress-Strain Curve of Concrete. ACI J. 1964, 61, 1227–1239. [Google Scholar]
- Nayal, R.; Rasheed, H.A. Tension Stiffening Model for Concrete Beams Reinforced with Steel and FRP Bars. J. Mater. Civ. Eng. 2006, 18, 831–841. [Google Scholar] [CrossRef]
- Wahalathantri, B.; Thambiratnam, D.; Chan, T.; Fawzia, S. A Material Model for Flexural Crack Simulation in Reinforced Concrete Elements Using ABAQUS. In Proc. First Int. Conf. on Engineering, Designing and Developing the Built Environment for Sustainable Wellbeing, Australia (2011).
- Halahla, A.M.; Tahnat, Y.B.A.; Almasri, A.H.; Voyiadjis, G.Z. The Effect of Shape Memory Alloys on the Ductility of Exterior Reinforced Concrete Beam-Column Joints Using the Damage Plasticity Model. Eng. Struct. 2019, 200, 109676. [Google Scholar] [CrossRef]
- Chen, A.; Yossef, M.; Hopkins, P. A Comparative Study of Different Methods to Calculate Degrees of Composite Action for Insulated Concrete Sandwich Panels. Eng. Struct. 2020, 212, 110423. [Google Scholar] [CrossRef]
- Obaidat, Y.T.; Heyden, S.; Dahlblom, O. The Effect of CFRP and CFRP/Concrete Interface Models When Modelling Retrofitted RC Beams with FEM. Compos. Struct. 2010, 92, 1391–1398. [Google Scholar] [CrossRef]
- Alhassan, M.; Khudhair, Z. Strengthening Reinforced Concrete Deep Beams with Web Openings Using CFRP, Steel Plates, and Skin Reinforcement. J. Struct. Des. Constr. Pract. 2025, 30, 04024075. [Google Scholar] [CrossRef]
- Smith, S.T.; Gravina, R.J. Modeling Debonding Failure in FRP Flexurally Strengthened RC Members Using a Local Deformation Model. J. Compos. Constr. 2007, 11, 184–191. [Google Scholar] [CrossRef]
- Fares, A.M.; Bakir, B.B. Nonlinear Finite Element Analysis of Layered Steel Fiber Reinforced Concrete Beams. Comput. Struct. 2025, 307, 107637. [Google Scholar] [CrossRef]
- Gokul, P.; Sabarigirivasan, L. Finite Element Analysis of RC Beams with and without Openings. Mater. Today Proc. 2022, 68, 2541–2550. [Google Scholar] [CrossRef]
- Al-Thairy, H.; Aadil, A.A.H. Strengthening of RC Deep Beams Using NSM GFRP Bars. Int. J. Civ. Eng. 2025, 23, 1407–1429. [Google Scholar] [CrossRef]












| Reinforcement | Measured Diameter (mm) |
Yield stress, (MPa) |
Ultimate stress, (MPa) |
Elongation (%) |
|---|---|---|---|---|
| ϕ6 | 5.5 | 623.96 | 685.5 | 8.5 |
| ϕ16 | 16 | 569.67 | 668.79 | 12.5 |
| (MPa) | (MPa) | Rupture stress, (MPa) |
Elastic modulus, (MPa) |
Poisson’s ratio |
|---|---|---|---|---|
| 27 | 3.1 | 3.5 | 24667 | 0.2 |
| Parameter | Elongation (%) |
|---|---|
| 36o | |
| 0.1 | |
| 0.16 | |
| 0.667 | |
| 0.00001 |
| Specimen | (kN) | (mm) | (kN) | (J) | |
|---|---|---|---|---|---|
| DP-S1-FEM | 525 | 8.50 | 1.00 | 3610.82 | 1.00 |
| D150-0.0 | 405 | 7.00 | 0.77 | 2634.78 | 0.73 |
| D150-1.0 | 460 | 8.27 | 0.87 | 2757.76 | 0.76 |
| D150-1.4 | 470 | 8.40 | 0.90 | 2981.59 | 0.83 |
| D150-1.8 | 488 | 8.45 | 0.93 | 3161.05 | 0.88 |
| D200-0.0 | 317 | 4.21 | 0.60 | 1895.68 | 0.52 |
| D200-1.0 | 365 | 8.20 | 0.69 | 2389.08 | 0.66 |
| D200-1.4 | 430 | 8.35 | 0.82 | 2857.94 | 0.79 |
| D200-1.8 | 485 | 8.42 | 0.92 | 3225.58 | 0.89 |
| D250-0.0 | 285 | 3.67 | 0.54 | 1573.67 | 0.44 |
| D250-1.0 | 310 | 7.29 | 0.59 | 1763.22 | 0.49 |
| D250-1.4 | 325 | 7.44 | 0.62 | 2001.79 | 0.55 |
| D250-1.8 | 351 | 7.49 | 0.67 | 2255.66 | 0.62 |
| D300-0.0 | 230 | 2.96 | 0.44 | 464.74 | 0.13 |
| D300-1.0 | 240 | 5.65 | 0.46 | 1053.21 | 0.29 |
| D300-1.4 | 252 | 6.00 | 0.48 | 1226.25 | 0.34 |
| D300-1.8 | 275 | 6.60 | 0.52 | 1530.71 | 0.42 |
Disclaimer/Publisher’s Note: The statements, opinions and data contained in all publications are solely those of the individual author(s) and contributor(s) and not of MDPI and/or the editor(s). MDPI and/or the editor(s) disclaim responsibility for any injury to people or property resulting from any ideas, methods, instructions or products referred to in the content. |
© 2025 by the authors. Licensee MDPI, Basel, Switzerland. This article is an open access article distributed under the terms and conditions of the Creative Commons Attribution (CC BY) license (http://creativecommons.org/licenses/by/4.0/).