Submitted:
10 November 2025
Posted:
12 November 2025
Read the latest preprint version here
Abstract
Keywords:
1. Introduction
- −
- voltage asymmetry in the collector–base bias conditions of the dominant transistor pair;
- −
- internal feedback factors in transistors caused by the Early effect;
- −
- base current gain coefficients (β) of bipolar transistors, which in many cases have relatively low values (β=50-200).

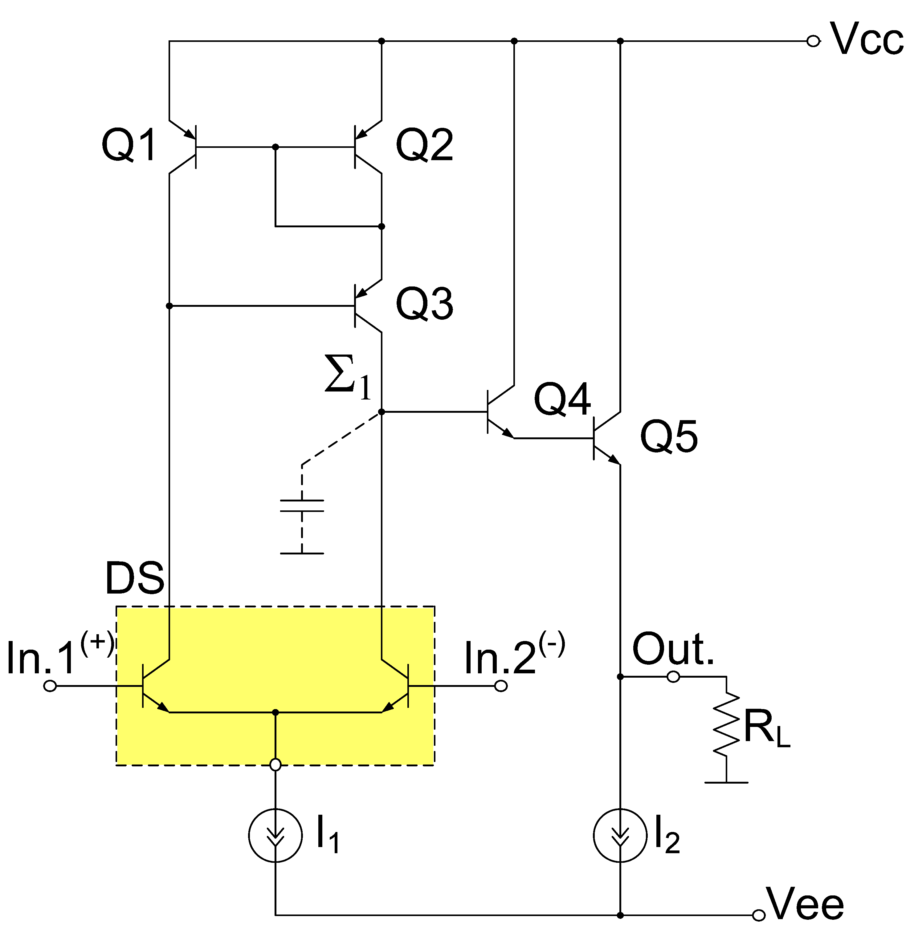
2. Analysis of the Basic Scheme of the Proposed Op Amp



3. Results of Computer Simulation


4. Conclusions
References
- Carter, B.; Mancini, R. Op Amps for Everyone. Translated from English by A. N. Rabodzey. Moscow: Dodeka-XXI, 2011. 544 p. (Schematic Design Series). Includes English title page. ISBN 978-5-94120-242-3.
- Borkar; Shekhar, Y. et al. Transistor group mismatch detection and reduction. US Patent 6272666, 2001-08-07.
- Hart; Michael, L. et al. Method and apparatus for compensating for process variations. US Patent 7453311, 2008-11-18.
- Horowitz, P.; Hill, W. The Art of Electronics. 2nd ed. Translated from English. Moscow: BINOM Publishing, 2014. 704 p.
- Bugakova, A.V., Prokopenko, N.N., Dvornikov, O.V., & Drozdov, D.G. Differential Amplifier Based on Complementary Junction Field-Effect Transistors. Patent RF No. 2736412, Int. Cl. H03F 3/34, H03F 3/45; application No. 2020115040/08; filed April 29, 2020; published November 17, 2020, Bull. No. 32. Applicant: Don State Technical University (DSTU).
- Prokopenko, N.N., Dvornikov, O.V., & Pakhomov, I.V. Input Differential Stage Based on Complementary Junction Field-Effect Transistors for Low-Temperature Operation. Patent RF No. 2712416, Int. Cl. H03F 3/00; application No. 2019122270/08; filed July 16, 2019; published January 28, 2020, Bull. No. 4. Applicant: Don State Technical University (DSTU).
- Chumakov, V.E., Prokopenko, N.N., Kunts, A.V., & Bugakova, A.V. Differential Amplifier Based on Gallium Arsenide Field-Effect Transistors. Patent RF No. 2770912, Int. Cl. H03F 3/45; application No. 2021129177; filed October 6, 2021; published April 25, 2022, Bull. No. 12. Applicant: Don State Technical University (DSTU).
- Sergeenko, M.A., Chumakov, V.E., Dvornikov, O.V., & Prokopenko, N.N. Precision Gallium Arsenide Operational Amplifier with Low Systematic Input Offset Voltage and High Voltage Gain. Patent RF No. 2813370, Int. Cl. H03F 3/45; application No. 2023130248; filed November 21, 2023; published February 12, 2024, Bull. No. 5. Applicant: Don State Technical University (DSTU).
- Prokopenko, N.N., Dvornikov, O.V., Bugakova, A.V., & Pakhomov, I.V. Differential Operational Amplifier. Patent RF No. 2616573, Int. Cl. H03F 3/45; application No. 2015149078/08; filed November 16, 2015; published April 17, 2017, Bull. No. 11. Applicant: Don State Technical University (DSTU).
- Bugakova, A.V., Zhuk, A.A., & Prokopenko, N.N. Differential Amplifier Based on Complementary Junction Field-Effect Transistors. Patent RF No. 2688225, Int. Cl. H03F 3/34, H03F 3/45; application No. 2018126843/08; filed July 23, 2018; published May 21, 2019, Bull. No. 15. Applicant: Don State Technical University (DSTU).
- Prokopenko, N.N., Zhuk, A.A., Bugakova, A.V., & Pakhomov, I.V. Differential Stage Based on Complementary JFETs with Enhanced Common-Mode Input Signal Rejection. Patent RF No. 2710296, Int. Cl. H03F 1/00, H03F 3/34; application No. 2019131161/08; filed October 3, 2019; published December 25, 2019, Bull. No. 36. Applicant: Don State Technical University (DSTU).
- Prokopenko, N.N., Budyakov, P.S., & Pakhomov, I.V. Differential Amplifier Based on Complementary Field-Effect Transistors with Improved DC Operating Point Stability. Patent RF No. 2710930, Int. Cl. H03F 3/34, H03F 3/45; application No. 2019122165/08; filed July 15, 2019; published January 14, 2020, Bull. No. 2. Applicant: Don State Technical University (DSTU).
- Prokopenko, N.N., Drozdov, D.G., & Zhuk, A.A. Class AB Differential Stage Based on Complementary Junction Field-Effect Transistors for Low-Temperature Operation. Patent RF No. 2710847, Int. Cl. H03F 3/34; application No. 2019126326/08; filed August 21, 2019; published January 14, 2020, Bull. No. 2. Applicant: Don State Technical University (DSTU).
- Pakhomov, I.V., Titov, A.E., Chumakov, V.E., & Prokopenko, N.N. Precision Operational Amplifier Based on Complementary Bipolar and Input Junction Field-Effect Transistors. Russian Patent Application No. 2025/1253, filed with the Federal Service for Intellectual Property (Rospatent) on October 1, 2025.
Disclaimer/Publisher’s Note: The statements, opinions and data contained in all publications are solely those of the individual author(s) and contributor(s) and not of MDPI and/or the editor(s). MDPI and/or the editor(s) disclaim responsibility for any injury to people or property resulting from any ideas, methods, instructions or products referred to in the content. |
© 2025 by the authors. Licensee MDPI, Basel, Switzerland. This article is an open access article distributed under the terms and conditions of the Creative Commons Attribution (CC BY) license (https://creativecommons.org/licenses/by/4.0/).
