Submitted:
02 June 2025
Posted:
03 June 2025
You are already at the latest version
Abstract
Keywords:
1. Introduction
2. Related Work
2.1. Helmet Structure
2.2. Electroencephalogram (EEG)
2.3. Deep Learning in EEG
2.4. Summary
3. Methodology
3.1. Helmet Structure
3.1.1. Design Steps
3.2. Electroencephalogram (EGG)
3.2.1. Hardware Design Overview
- High Signal Resolution: Can sample, store, quantify, and encode EEG signals at the microvolt level.
- Rapid Sampling and Processing: Guaranteeing real-time sampling, decoding, and processing of EEG signals.
- Medical Safety Compliance: Ensuring adherence to safety regulations by implementing suitable power isolation for the device’s electrical supply and maintaining signal isolation for communication purposes.
- Reliable Data Transmission: Enabling stable data transfer to a host computer through wireless and wired communication channels.
3.2.2. Electrostatic Discharge (ESD) Isolation and Pre-filtering Circuit Design
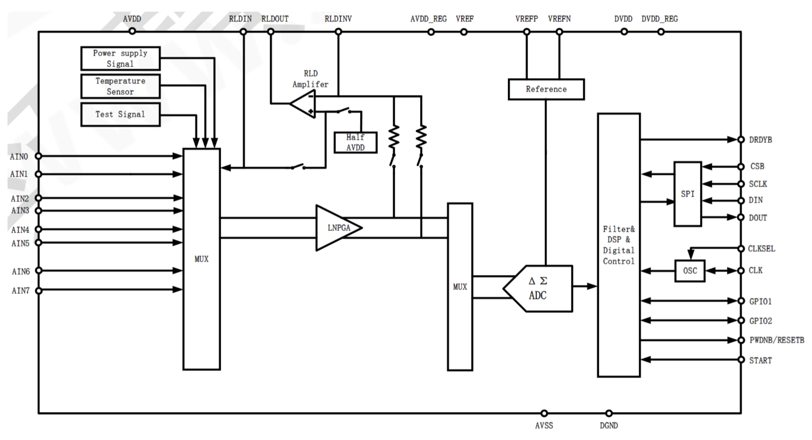
3.2.3. Analog Front-End Signal Acquisition Circuit Design
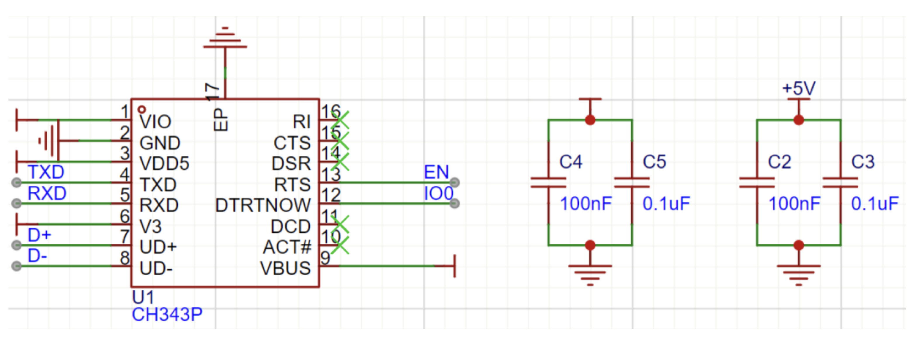
3.2.4. Main Control Chip Core Circuit and Peripheral Circuit Design
Reset Circuit
Download Circuit
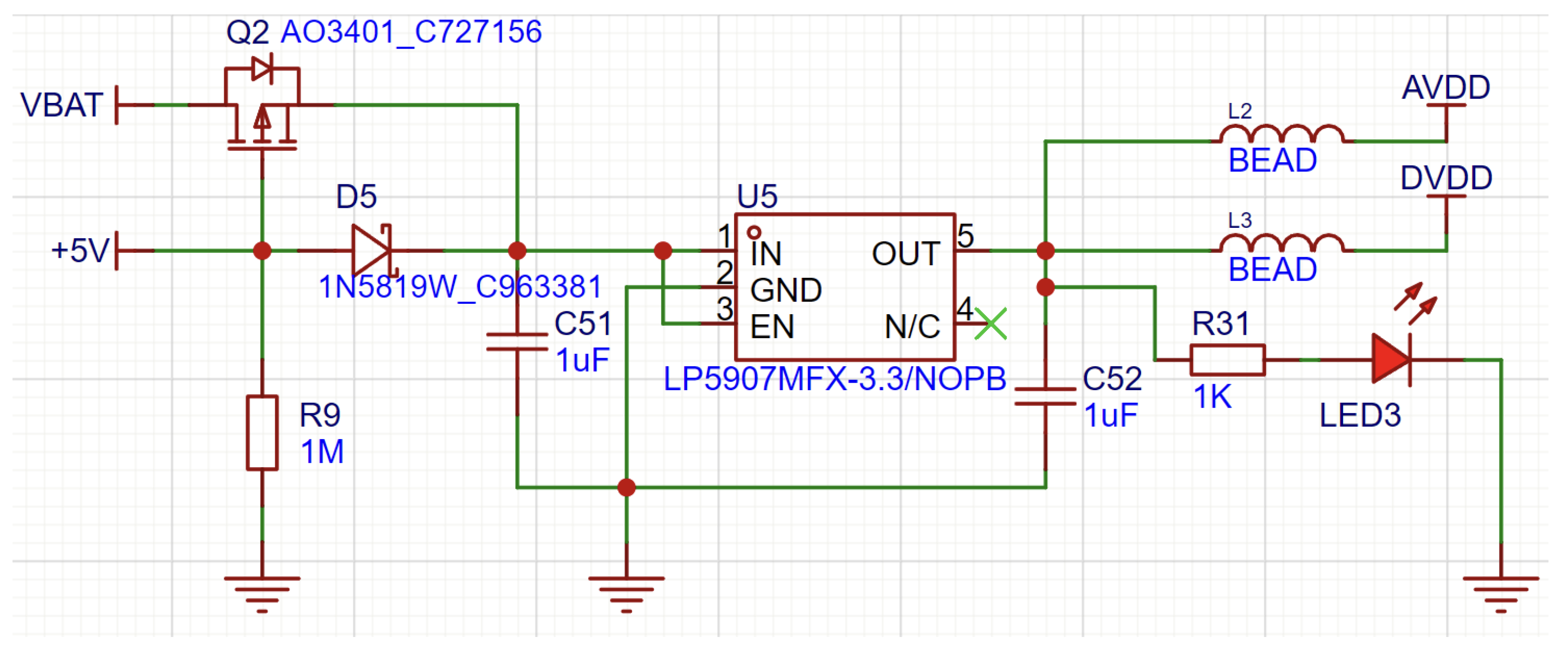
3.2.5. Power Circuit Design
- Quiescent Current: LP5907’s typical quiescent current is only 12 A, much lower than the 30 A for ME6211, which is crucial in order to extend the battery life of handheld devices.
- Dropout Voltage: The LP5907 is more effective with dropout voltages of 50 mV at 100 mA and 120 mV at 250 mA, while the ME6211 has 120 mV and 260 mV, respectively.
- Power Supply Rejection Ratio (PSRR): The LP5907 with an 82 dB PSRR at 1 kHz far exceeds the ME6211’s 70 dB PSRR, thereby rejecting power supply noise much more effectively—of vital importance in noise-sensitive circuits such as RF circuits and EEG acquisition.
- Output Noise: The LP5907 also shines in its low output noise, at 6.5 V RMS (tested between 10 Hz and 100 kHz) versus 50 V RMS for the ME6211 (tested between 300 Hz and 50 kHz). This low noise is essential for high-accuracy sensor uses, like EEG equipment.
3.3. Deep Learning in EEG
3.3.1. Data Collection
- Attention and Emotion: The data were collapsed into three states—focused attention, difficulty concentrating, and inability to concentrate—to reflect varying degrees of attentional engagement and emotional arousal.
- Verbal Fluency: Classification of speech into fluent, disfluent, and blocked categories gives an overall evaluation of language production abilities.
- Finger Tapping: Performance was divided into high-frequency tapping, slow tapping, and inability to tap, which was used as an index of motor control and fine motor function.
- Breathing Conditions: Categorization of breathing states into normal, heavy, and labored patterns provided the opportunity to conduct an extensive examination of the interaction between respiratory control and cognitive activity.
3.3.2. Data Processing
3.3.3. Model Structure
Input Normalization
Feature Extractor
Transformer Encoder
Classification Head
4. Experimental Results
4.1. Helmet Testing
4.1.1. Internal Structure Test
4.1.2. Stress Distribution Test
4.2. EEG Testing - Comparison of Multi-level EEG Signal Denoising
4.2.1. EEG Signal Acquisition and Wireless Output Program
Device Initialization

Device Acquisition

Data Packaging and BLE Transmission

BLE Scanning and Connection

Data Reception

Connection State Management

4.2.2. Analyzing EEG Signal Spectrum
Data Loading and Initial Processing

Bandpass Filtering

Bandstop Filtering

Averaging and Trimming Signals

Fourier Transform and Spectrum Analysis

4.3. Deep Learning in EEG
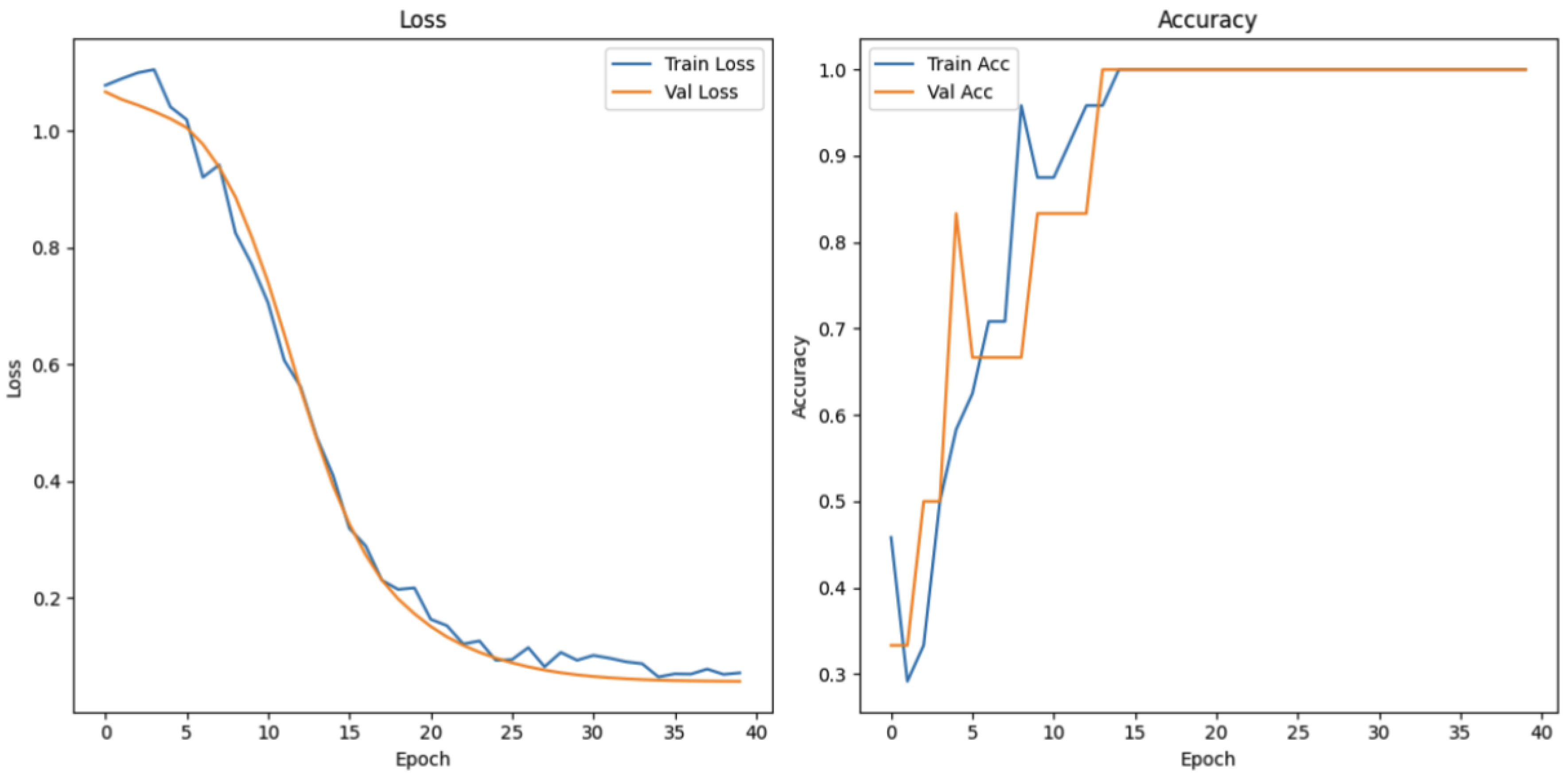
4.3.1. Attention and Emotion Task
4.3.2. Speech Fluency Task
4.3.3. Finger Tapping Task
4.3.4. Breathing State Task
5. Discussion
5.1. Conclusion
5.2. Future Work
References
- National Institute of Neurological Disorders and Stroke. Traumatic Brain Injury (TBI). https://www.ninds.nih.gov/health-information/disorders/traumatic-brain-injury-tbi, 2024.
- Mayo Clinic. Concussion. https://www.mayoclinic.org/diseases-conditions/concussion/symptoms-causes/syc-20355594, 2024.
- Public Health Agency of Canada. Injury in review, 2020 edition: Spotlight on traumatic brain injuries across the life course. https://www.canada.ca/en/public-health/services/injury-prevention/canadian-hospitals-injury-reporting-prevention-program/injury-reports/2020-spotlight-traumatic-brain-injuries-life-course.html, 2020.
- Kholoosi, F.; Galehdari, S.A. Design, optimisation and analysis of a helmet made with graded honeycomb structure under impact load. International Journal of Crashworthiness 2019, 24, 645–655. [Google Scholar] [CrossRef]
- NJ, M.; A, G. Bicycle helmet design. Proceedings of the Institution of Mechanical Engineers 2006, 220, 167–180. [Google Scholar]
- S, R.; SM, D.; RM, G.; JG, B.; JJ, C.; KM, G.; JP, M.; JJ, C.; BJ, W.; TW, M.; et al. Can helmet design reduce the risk of concussion in football? Journal of Neurosurgery 2014, 120, 919–922. [CrossRef] [PubMed]
- Sun, J.; Xu, X. Research on the effect of Alpha wave music on working memory based on EEG (In Chinese). Nanjing University of Posts and Telecommunications Master’s Thesis 2022.
- Uktveris, T.; Jusas, V. Development of a Modular Board for EEG Signal Acquisition. Sensors 2018, 18. [Google Scholar] [CrossRef] [PubMed]
- Zhang, Y.; Zhang, X.; Sun, H.; Fan, Z.; Zhong, X. Portable brain-computer interface based on novel convolutional neural network. Computers in Biology and Medicine 2019, 107, 248–256. [Google Scholar] [CrossRef] [PubMed]
- Mahmood, M.; Kim, N.; Mahmood, M.; Kim, H.; Kim, H.; Rodeheaver, N.; Sang, M.; Yu, K.J.; Yeo, W.H. VR-enabled portable brain-computer interfaces via wireless soft bioelectronics. Biosens Bioelectron 2022, 210. [Google Scholar] [CrossRef] [PubMed]
- Algarni, M.; Saeed, F.; Al-Hadhrami, T.; Ghabban, F.; Al-Sarem, M. Deep Learning-Based Approach for Emotion Recognition Using Electroencephalography (EEG) Signals Using Bi-Directional Long Short-Term Memory (Bi-LSTM). Sensors 2022, 22. [Google Scholar] [CrossRef] [PubMed]
- Seraphim, M.; Lechervy, A.; Yger, F.; Brun, L.; Etard, O. Structure-Preserving Transformers for Sequences of SPD Matrices. In Proceedings of the 2024 32nd European Signal Processing Conference (EUSIPCO), 2024, pp. 1451–1455.
- Z, W.; M, L.; S, L.; J, H.; H, T.; W, D. EEGformer: A transformer–based brain activity classification method using EEG signal. Front. Neurosci. 2023, 17.
























Disclaimer/Publisher’s Note: The statements, opinions and data contained in all publications are solely those of the individual author(s) and contributor(s) and not of MDPI and/or the editor(s). MDPI and/or the editor(s) disclaim responsibility for any injury to people or property resulting from any ideas, methods, instructions or products referred to in the content. |
© 2025 by the authors. Licensee MDPI, Basel, Switzerland. This article is an open access article distributed under the terms and conditions of the Creative Commons Attribution (CC BY) license (http://creativecommons.org/licenses/by/4.0/).