Submitted:
09 May 2025
Posted:
12 May 2025
Read the latest preprint version here
Abstract
Keywords:
1. Introduction
2. Design and Operation Principle of a Novel One-Sided Dog Clutch
3. Design and Operation Principle of a Novel Double-Sided Dog Clutch
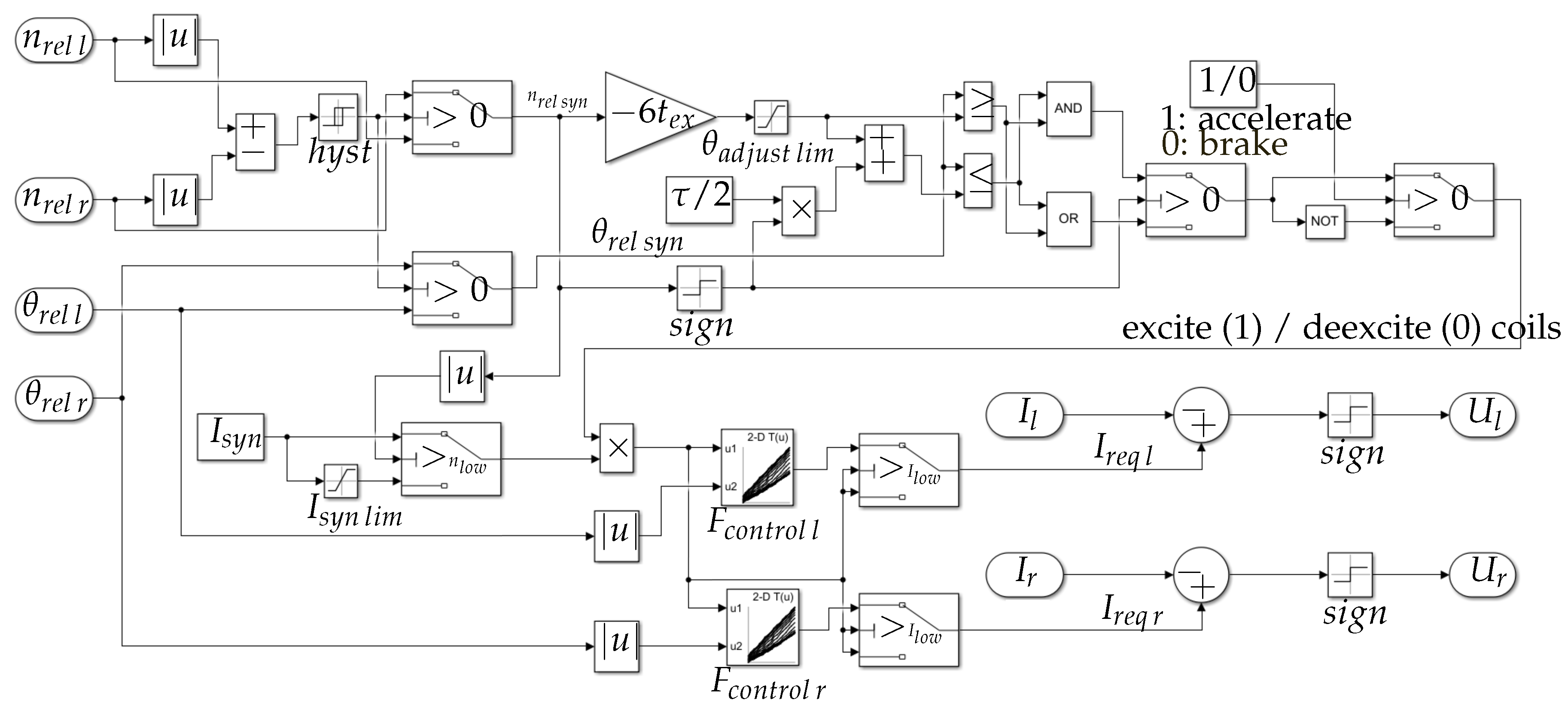
4. Algorithm for Gear Shifting with a Preliminary Speed Synchronization in a Gearbox Equipped with the Double-Sided Clutch
5. Experimental Validation
5.1. Actuator Prototype, Testing Gearbox and Testrig
5.2. Measurement of the Synchronizing Torque
5.3. Gear Shifting
6. Conclusion
7. Patents
Supplementary Materials
Author Contributions
Funding
Data Availability Statement
Acknowledgments
Conflicts of Interest
Abbreviations
| LREA | Linear-rotary electromagnetic actuator |
| PMs | Permanent magnets |
| NTC | Negative temperature coefficient |
| ECU | Electronic control unit |
References
- Wang, Z.; Qu, X.; Cai, Q.; Chu, F.; Wang, J.; Shi, D. Efficiency Analysis of Electric Vehicles with AMT and Dual-Motor Systems. World Electric Vehicle Journal 2024, 15, 182. [CrossRef]
- Tian, Y.; Zhang, N.; Zhou, S.; Walker, P.D. Model and gear shifting control of a novel two-speed transmission for battery electric vehicles. Mechanism and Machine Theory 2020, 152, 103902. [CrossRef]
- Jeong, W.; Han, J.; Kim, T.; Lee, J.; Oh, S. Two-speed transmission structure and optimization design for electric vehicles. Machines 2023, 12, 9. [CrossRef]
- Piracha, M.Z.; Grauers, A.; Hellsing, J. Time optimal control of gearbox synchronizers for minimizing noise and wear. In Proceedings of the 2020 IEEE Conference on Control Technology and Applications (CCTA). IEEE, 2020, pp. 573–580.
- Barathiraja, K.; Devaradjane, G.; Paul, J.; Rakesh, S.; Jamadade, G. Analysis of automotive transmission gearbox synchronizer wear due to torsional vibration and the parameters influencing wear reduction. Engineering Failure Analysis 2019, 105, 427–443. [CrossRef]
- Wang, Y.; Wu, J.; Zhang, N.; Mo, W. Dynamics modeling and shift control of a novel spring-based synchronizer for electric vehicles. Mechanism and Machine Theory 2022, 168, 104586. [CrossRef]
- Pan, T.; Zang, H.; Wu, P. Hierarchical mode optimization strategy for gear engagement process of automated manual transmission with electromagnetic actuator. Proceedings of the Institution of Mechanical Engineers, Part D: Journal of Automobile Engineering 2023, 237, 913–929. [CrossRef]
- Gongye, X.; Du, C.; Li, L.; Huang, C.; Wang, J.; Dai, Z. Research on Precise Tracking Control of Gear-Shifting Actuator for Non-Synchronizer Automatic Mechanical Transmission Based on Sleeve Trajectory Planning. Energies 2024, 17, 1092. [CrossRef]
- Stetter, R.; Göser, R.; Gresser, S.; Witczak, M.; Till, M. Fault-Tolerant Design of a Gear Shifting System for Autonomous Driving. In Proceedings of the Proceedings of the Design Society: DESIGN Conference. Cambridge University Press, 2020, Vol. 1, pp. 1125–1134.
- Achtenová, G.; Pakosta, J.; El Morsy, M. Smoothness of maybach dog clutch shift in the automotive gearbox. In Proceedings of the 13th International CTI Symposium, Berlin, 2014.
- Bóka, G.; Márialigeti, J.; Lovas, L.; Trencséni, B. Face dog clutch engagement at low mismatch speed. Periodica Polytechnica Transportation Engineering 2010, 38, 29–35.
- Bóka, G.; Lovas, L.; Márialigeti, J.; Trencséni, B. Engagement capability of face-dog clutches on heavy duty automated mechanical transmissions with transmission brake. Proceedings of the Institution of Mechanical Engineers, Part D: Journal of Automobile Engineering 2010, 224, 1125–1139. [CrossRef]
- Bóka, G. Shifting optimization of face dog clutches in heavy duty automated mechanical transmissions. PhD thesis, Budapest University of Technology and Economics (Hungary), 2011.
- Aljawabrah, A.; Lovas, L. Study the effect of the tooth chamfer angle on the dog clutch shiftability. Design of Machines and Structures 2023, 13, 11–23. [CrossRef]
- Aljawabrah, A.; Lovas, L. Sensitivity analysis of dog clutch shiftability to system parameters. International Review of Applied Sciences and Engineering 2024, 15, 61–72. [CrossRef]
- Aljawabrah, A. Analysis and Control of the Gearshift Process Based on a Dog Clutch Shiftability Model. Cognitive Sustainability 2024, 3. [CrossRef]
- Poltschak, F.; Rafetseder, D. Completely integrated electromagnetic dog clutch actuator for automotive applications. In Proceedings of the IKMT 2022; 13. GMM/ETG-Symposium. VDE, 2022, pp. 1–6.
- Lu, Z.; Chen, H.; Wang, L.; Zeng, Y.; Ren, X.; Li, K.; Tian, G. Gear-shifting control of non-synchronizer electric-driven mechanical transmission with active angle alignment. Optimal Control Applications and Methods 2022, 43, 322–338.
- Lu, Z.; Tian, G. Time-optimal coordination gear-shifting control with a rotational angle difference estimation and alignment algorithm in the vehicle-start condition. IEEE Transactions on Transportation Electrification 2024, 10, 9000–9015. [CrossRef]
- Gongye, X.; Du, C.; Huang, C.; Huang, J.; Wang, J. Research on gearshift of Non-synchronizer automatic mechanical transmission based on hierarchical bounding box collision detection algorithm. Energy Reports 2025, 13, 1200–1214. [CrossRef]
- Yang, L.; Park, D.; Lyu, S.; Zheng, C.; Kim, N. Optimal control for shifting command of two-speed electric vehicles considering shifting loss. International Journal of Automotive Technology 2023, 24, 1051–1059. [CrossRef]
- Lin, S.; Li, B. Shift force optimization and trajectory tracking control for a novel gearshift system equipped with electromagnetic linear actuators. IEEE/ASME Transactions on Mechatronics 2019, 24, 1640–1650. [CrossRef]
- Poltschak, F.; Rafetseder, D.; Miroschnitschenko, B. Electromagnetic direct drives for positive mechanical engagement in the automotive drivetrain. In Proceedings of the Tagungshandbuch Symposium Elektromagnetismus, 2025, pp. 93–100.
- Baraszu, R.; Cikanek, S. Torque fill-in for an automated shift manual transmission in a parallel hybrid electric vehicle. In Proceedings of the Proceedings of the 2002 American Control Conference, 2002, Vol. 2, pp. 1431–1436.
- De Pinto, S.; Camocardi, P.; Sorniotti, A.; Gruber, P.; Perlo, P.; Viotto, F. Torque-Fill Control and Energy Management for a Four-Wheel-Drive Electric Vehicle Layout With Two-Speed Transmissions. IEEE Transactions on Industry Applications 2017, 53, 447–458. [CrossRef]
- Park, G.; Park, J.; Kum, D. Preview control of dog clutch-based electric vehicle transmission via dynamic programming: proof of concept. In Proceedings of the 2022 IEEE Conference on Control Technology and Applications (CCTA). IEEE, 2022, pp. 683–690.
- Park, G.; Choi, K.; Kum, D. Predictive Control of a Dog-clutch Transmission via a Transformer-based Velocity Prediction. IEEE Transactions on Vehicular Technology 2024.
- Walker, P.D.; Zhang, N.; Tamba, R. Control of gear shifts in dual clutch transmission powertrains. Mechanical Systems and Signal Processing 2011, 25, 1923–1936. [CrossRef]
- Glielmo, L.; Iannelli, L.; Vacca, V.; Vasca, F. Gearshift control for automated manual transmissions. IEEE/ASME transactions on mechatronics 2006, 11, 17–26. [CrossRef]
- Wanli, X.; Wei, Z.; Bin, S.; Ximeng, X. Investigation of manual transmission synchronizer failure mechanism induced by interface material/lubricant combinations. Wear 2015, 328, 475–479. [CrossRef]
- Turner, A.; Ramsay, K.; Clark, R.; Howe, D. Direct-drive rotary-linear electromechanical actuation system for control of gearshifts in automated transmissions. In Proceedings of the 2007 IEEE Vehicle Power and Propulsion Conference. IEEE, 2007, pp. 267–272.
- Krebs, G.; Tounzi, A.; Pauwels, B.; Willemot, D.; Piriou, F. Modeling of a linear and rotary permanent magnet actuator. IEEE Transactions on Magnetics 2008, 44, 4357–4360.
- Jin, P.; Fang, S.; Lin, H.; Wang, X.; Zhou, S. A novel linear and rotary Halbach permanent magnet actuator with two degrees-of-freedom. Journal of Applied Physics 2012, 111, 07E725. [CrossRef]
- Jin, P.; Yuan, Y.; Jian, G.; Lin, H.; Fang, S.; Yang, H. Static characteristics of novel air-cored linear and rotary Halbach permanent magnet actuator. IEEE transactions on magnetics 2014, 50, 977–980. [CrossRef]
- Guo, K.; Fang, S.; Yang, H.; Lin, H.; Ho, S.L. A novel linear-rotary permanent-magnet actuator using interlaced poles. IEEE Transactions on Magnetics 2015, 51, 1–4. [CrossRef]
- Mirić, S.; Tüysüz, A.; Kolar, J.W. Comparative evaluation of linear-rotary actuator topologies for highly dynamic applications. In Proceedings of the 2017 IEEE International Electric Machines and Drives Conference (IEMDC). IEEE, 2017, pp. 1–7.
- Denkena, B.; Ahlborn, P. Linear-rotary direct drive for multi-functional machine tools. CIRP Annals 2022, 71, 349–352.
- Szabó, L.; Benţia, I.; Ruba, M. A rotary-linear switched reluctance motor for automotive applications. In Proceedings of the 2012 XXth International Conference on Electrical Machines. IEEE, 2012, pp. 2615–2621.
- Nezamabadi, M.M.; Afjei, E.; Torkaman, H. Design, dynamic electromagnetic analysis, FEM, and fabrication of a new switched-reluctance motor with hybrid motion. IEEE Transactions on Magnetics 2015, 52, 1–8. [CrossRef]
- Miroschnitschenko, B. Magnetic flux calculation in a novel linear-rotary electromagnetic actuator using 3d magnetic equivalent circuit. In Proceedings of the 2023 11th International Conference on Control, Mechatronics and Automation (ICCMA). IEEE, 2023, pp. 336–345.
- Miroschnitschenko, B.; Amrhein, W.; Poltschak, F. Design and Optimization of a Linear-Rotary Electromagnetic Actuator Based on Analytical Model of Magnetic Flux. In Proceedings of the 2024 International Symposium on Power Electronics, Electrical Drives, Automation and Motion (SPEEDAM). IEEE, 2024, pp. 1002–1009.
- Miroschnitschenko, B.; Polschak, F.; Rafetseder, D. Electromechanical clutch and method for closing and opening an electromechanical clutch and for sensorless determination of the relative angular velocity of a first and second shaft. DE102022121714A1, February 2024.
- Tsai, M.C.; Huang, C.C.; Huang, Z.Y. A new two-phase homopolar switched reluctance motor for electric vehicle applications. Journal of magnetism and magnetic materials 2003, 267, 173–181. [CrossRef]
- Buhmann, M.D. Radial basis functions: theory and implementations; Vol. 12, Cambridge university press, 2003.
- Miller, T.J.E. Electronic control of switched reluctance machines; Elsevier, 2001.














Disclaimer/Publisher’s Note: The statements, opinions and data contained in all publications are solely those of the individual author(s) and contributor(s) and not of MDPI and/or the editor(s). MDPI and/or the editor(s) disclaim responsibility for any injury to people or property resulting from any ideas, methods, instructions or products referred to in the content. |
© 2025 by the authors. Licensee MDPI, Basel, Switzerland. This article is an open access article distributed under the terms and conditions of the Creative Commons Attribution (CC BY) license (http://creativecommons.org/licenses/by/4.0/).