Submitted:
30 April 2025
Posted:
02 May 2025
Read the latest preprint version here
Abstract
Keywords:
1. Introduction
2. Optical Fiber and FBG Sensors

2.1. Application of Fiber Optic Sensors
3. Case Study: FBGs for Gen. IV Reactors
3.1. FOSs in High Temperature Environments
3.1.1. Reinforcement Strategies
3.2. FOSs in Radiative Environments
3.2.1. Reinforcement Strategies
4. Materials and Methods
4.1. Thermal Testing of Free Fibers

4.2. Thermal-Structural Testing
- Tests at room temperature: Three sessions of 3,000 cycles at 5 Hz, conducted without heating.
- Tests at elevated temperatures: Six phases, alternating between temperature ramping and stabilization. First, the temperature is gradually increased (mechanical loads consisting of 800 cycles at 1 Hz, with a heating ramp rate of 20°C/min). Once the target temperature is reached, a stabilization phase follows, maintaining the temperature for 3,000 cycles at 5 Hz. This sequence is repeated three times, reaching 100°C, 200°C, and finally 250°C, resulting in a total of three ramp phases and three stabilization phases.
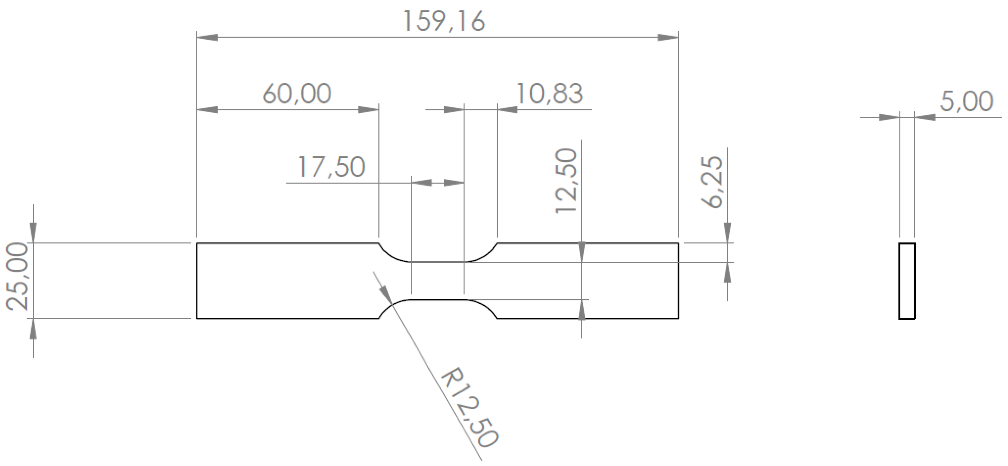
- Specimen 1 (labeled as (1) in Figure 15a) is equipped with an optical fiber and undergoes both thermal and mechanical cycling. This specimen is used to study the combined effects of temperature and mechanical stress on the fiber’s performance.
- Specimen 2 (labeled as (2) in Figure 15a) has the fiber attached to it with resin and is dedicated to thermal measurements. This specimen serves as a thermal reference, isolated from mechanical stress.
4.3. Resin’s Selection
5. Results and Discussion
5.1. Thermal Test Results

5.1.1. Linear Calibration
5.1.2. Temperature Estimation Through FBG Sensors
5.2. Thermal-Structural Test Results
5.2.1. Correlation Between Wavelength and Displacement
5.2.2. Temperature-Effect Compensation

5.2.3. Displacement Estimation Through FBG Sensors
6. Precision Evaluation
6.1. Error Analysis in FBG-Based Temperature Estimation
6.2. Error Analysis in FBG-Based Displacement Estimation
7. Conclusions
Author Contributions
Funding
Data Availability Statement
Acknowledgments
Conflicts of Interest
References
- McGrath, M.J.; Scanaill, C.N. Key Sensor Technology Components: Hardware and Software Overview. In Sensor Technologies; Apress: Berkeley, CA, 2013; pp. 51–77. [Google Scholar] [CrossRef]
- Kok, S.P.; Go, Y.I.; Wang, X.; Wong, M.L.D. Advances in Fiber Bragg Grating (FBG) Sensing: A Review of Conventional and New Approaches and Novel Sensing Materials in Harsh and Emerging Industrial Sensing. IEEE Sensors Journal 2024, 24, 29485–29505. [Google Scholar] [CrossRef]
- Sabri, N.; Aljunid, S.A.; Salim, M.S.; Fouad, S. Fiber Optic Sensors: Short Review and Applications. In Recent Trends in Physics of Material Science and Technology; Gaol, F.L., Shrivastava, K., Akhtar, J., Eds.; Springer Singapore: Singapore, 2015. [Google Scholar] [CrossRef]
- Khonina, S.N.; Kazanskiy, N.L.; Butt, M.A. Optical Fibre-Based Sensors—An Assessment of Current Innovations. Biosensors 2023, 13, 835. [Google Scholar] [CrossRef]
- Sahota, J.K.; Gupta, N.; Dhawan, D. Fiber Bragg Grating Sensors for Monitoring of Physical Parameters: A Comprehensive Review. Optical Engineering 2020, 59, 1. [Google Scholar] [CrossRef]
- Liu, R.m.; Liang, D.k.; Asundi, A. Small diameter fiber Bragg gratings and applications. Measurement 2013, 46, 3440–3448. [Google Scholar] [CrossRef]
- Hsu, K.; Csipkes, A.; Jin, T. Small-Diameter Thin FBGs Ideally Suited for Embedded Sensing in Composites.
- Othonos, A.; Kalli, K.; Pureur, D.; Mugnier, A. Fibre Bragg Gratings; In Wavelength Filters in Fibre Optics, Springer: Berlin, Heidelberg, 2006. [Google Scholar]
- Chen, J.; Liu, B.; Zhang, H. Review of Fiber Bragg Grating Sensor Technology. Frontiers of Optoelectronics in China 2011, 4, 204–212. [Google Scholar] [CrossRef]
- Li, C.; Tang, J.; Cheng, C.; Cai, L.; Yang, M. FBG Arrays for Quasi-Distributed Sensing: A Review. Photonic Sensors 2021, 11, 91–108. [Google Scholar] [CrossRef]
- Gui, X.; Li, Z.; Fu, X.; Guo, H.; Wang, Y.; Wang, C.; Wang, J.; Jiang, D. Distributed Optical Fiber Sensing and Applications Based on Large-Scale Fiber Bragg Grating Array: Review. Journal of Lightwave Technology 2023, 41, 4187–4200. [Google Scholar] [CrossRef]
- Deng, Y.; Jiang, J. Optical Fiber Sensors in Extreme Temperature and Radiation Environments: A Review. IEEE Sensors Journal 2022, 22, 13811–13834. [Google Scholar] [CrossRef]
- Cook, K.; Canning, J.; Bandyopadhyay, S.; Lancry, M.; Martelli, C.; Jin, T.; Csipkes, A. Technologies for High Temperature Fibre Bragg Grating (FBG) Sensors 2017.
- Senior, J.M.; Jamro, M.Y. Optical Fiber Communications: Principles and Practice, 3. ed ed.; Prentice Hall: Harlow Munich, 2009. [Google Scholar]
- Aimasso, A.; Ferro, C.G.; Bertone, M.; Dalla Vedova, M.D.L.; Maggiore, P. Fiber Bragg Grating Sensor Networks Enhance the In Situ Real-Time Monitoring Capabilities of MLI Thermal Blankets for Space Applications. Micromachines 2023, 14, 926. [Google Scholar] [CrossRef]
- Dalla Vedova, M.D.; Berri, P.C.; Aimasso, A. Environmental Sensitivity of Fiber Bragg Grating Sensors for Aerospace Prognostics. Proceedings of the Proceedings of the 31st European Safety and Reliability Conference (ESREL 2021).ResearchPublishingServices,2021,pp.1561–1567. [CrossRef]
- Zhang, X.; Zhu, H.; Jiang, X.; Broere, W. Distributed Fiber Optic Sensors for Tunnel Monitoring: A State-of-the-Art Review. Journal of Rock Mechanics and Geotechnical Engineering 2024, 16, 3841–3863. [Google Scholar] [CrossRef]
- Dai, Z.Y.; Liu, Y.; Zhang, L.X.; Ou, Z.H.; Zhou, C.; Liu, Y.Z. Landslide Monitoring Based on High-Resolution Distributed Fiber Optic Stress Sensor. In Proceedings of the 2008 1st Asia-Pacific Optical Fiber Sensors Conference, Chengdu, China; 2008; pp. 1–4. [Google Scholar] [CrossRef]
- Höttges, A.; Rabaiotti, C.; Facchini, M. A Ground-Breaking Distributed Fiber-Optic Pressure Sensor for Geohydraulic Applications. Procedia Structural Integrity 2024, 64, 1613–1620. [Google Scholar] [CrossRef]
- Alwis, L.S.M.; Bremer, K.; Weigand, F.; Kuhne, M.; Helbig, R.; Roth, B. Textile Carbon Reinforcement Structures with Integrated Optical Fibre Sensors Designed for SHM Applications. In Proceedings of the 25th International Conference on Optical Fiber Sensors; Chung, Y.; Jin, W.; Lee, B.; Canning, J.; Nakamura, K.; Yuan, L., Eds., Jeju, Korea, Republic of. 2017; 1032376. [Google Scholar] [CrossRef]
- D’Aniello, A.; Cimorelli, L.; Pianese, D. Thermal Response to Background Leakages around an Actively Heated Fiber Optic Sensor for Leak Detection in Water Distribution Mains: Modeling the Effect of Heating Power and Time. Tunnelling and Underground Space Technology 2024, 152, 105904. [Google Scholar] [CrossRef]
- Kumar, S.; Kumar, N.; Singh, J. Design and Analysis of Oil Pipeline Leakage Detection Model Using WDM FBG Sensors through Simulation of Temperature and Strain Effects. In Proceedings of the 2022 OPJU International Technology Conference on Emerging Technologies for Sustainable Development (OTCON), Raigarh, Chhattisgarh, India; 2023; pp. 1–6. [Google Scholar] [CrossRef]
- Hu, X.; Su, D.; Qiao, X. Diaphragm-Structured Fiber-Optic Pressure Sensors for Oil Downhole Applications. IEEE Sensors Journal 2024, 24, 14270–14278. [Google Scholar] [CrossRef]
- Cheymol, G.; Verneuil, A.; Grange, P.; Maskrot, H.; Destouches, C. Report of High Temperature Measurements with a Fabry-Perot Extensometer. EPJ Web of Conferences 2020, 225, 01011. [Google Scholar] [CrossRef]
- Cheymol, G.; Verneuil, A.; Grange, P.; Maskrot, H.; Destouches, C. High-Temperature Measurements With a Fabry–Perot Extensometer. IEEE Transactions on Nuclear Science 2020, PP, 1–1. [Google Scholar] [CrossRef]
- Ladaci, A.; Cheymol, G.; Maskrot, H.; Destouches, C.; Ferry, L.; Gonnier, C. Measurement of reactor core temperature using multispectral infrared pyrometry in accidental conditions. EPJ Web of Conferences 2020, 225, 08005. [Google Scholar] [CrossRef]
- Morana, A.; Cheymol, G.; Reghioua, I.; Boukenter, A.; Schlegel, M.; Gusarov, A.; Marin, E.; Ouerdane, Y.; Destouches, C.; Girard, S. Structural and optical changes in silica-based optical fibers exposed to high neutron and gamma fluences. Journal of Non-Crystalline Solids 2021, 574, 121150. [Google Scholar] [CrossRef]
- Kumar, J.; Singh, G.; Saxena, M.K.; Prakash, O.; Dixit, S.K.; Nakhe, S.V. Development and Studies on FBG Temperature Sensor for Applications in Nuclear Fuel Cycle Facilities. IEEE Sensors Journal 2021, 21, 7613–7619. [Google Scholar] [CrossRef]
- Yang, T.; Xiao, Y.; Ran, Z.; He, X.; Shao, T.; Wang, W.; Li, K.; Sun, D.; Qin, X.; He, Z.; et al. Design of a Weak Fiber Bragg Grating Acoustic Sensing System for Pipeline Leakage Monitoring in a Nuclear Environment. IEEE Sensors Journal 2021, 21, 22703–22711. [Google Scholar] [CrossRef]
- Remy, L.; Cheymol, G.; Gusarov, A.; Morana, A.; Marin, E.; Girard, S. Compaction in Optical Fibres and Fibre Bragg Gratings Under Nuclear Reactor High Neutron and Gamma Fluence. IEEE Transactions on Nuclear Science 2016, 63, 2317–2322. [Google Scholar] [CrossRef]
- Zhao, J.; Zhao, K.; Li, Y.; Wang, Q.; Chen, K.P. Long-Term Stabilities Fiber Bragg Grating (FBG) Arrays Inscribed by Femtosecond Lasers at 910oC 2021.
- De Pauw, B.; Lamberti, A.; Ertveldt, J.; Rezayat, A.; Vanlanduit, S.; Van Tichelen, K.; Berghmans, F. Temperature Monitoring Using Fibre Optic Sensors in a Lead-Bismuth Eutectic Cooled Nuclear Fuel Assembly. Nuclear Engineering and Design 2016, 297, 54–59. [Google Scholar] [CrossRef]
- Morana, A.; Campanella, C.; Vidalot, J.; De Michele, V.; Marin, E.; Reghioua, I.; Boukenter, A.; Ouerdane, Y.; Paillet, P.; Girard, S. Extreme Radiation Sensitivity of Ultra-Low Loss Pure-Silica-Core Optical Fibers at Low Dose Levels and Infrared Wavelengths. Sensors 2020, 20, 7254. [Google Scholar] [CrossRef]
- Kuhnhenn, J.; Weinand, U.; Morana, A.; Girard, S.; Marin, E.; Perisse, J.; Genot, J.S.; Grelin, J.; Hutter, L.; Melin, G.; et al. Gamma Radiation Tests of Radiation-Hardened Fiber Bragg Grating Based Sensors for Radiation Environments. In Proceedings of the 2016 16th European Conference on Radiation and Its Effects on Components and Systems (RADECS), Bremen, Germany; 2016; pp. 1–4. [Google Scholar] [CrossRef]
- Kakuta, T.; Shikama, T.; Narui, M.; Sagawa, T. Behavior of optical fibers under heavy irradiation. Fusion Engineering and Design 1998, 41, 201–205. [Google Scholar] [CrossRef]
- Girard, S.; Kuhnhenn, J.; Gusarov, A.; Brichard, B.; Van Uffelen, M.; Ouerdane, Y.; Boukenter, A.; Marcandella, C. Radiation Effects on Silica-Based Optical Fibers: Recent Advances and Future Challenges. IEEE Transactions on Nuclear Science 2013, 60, 2015–2036. [Google Scholar] [CrossRef]
- Cheymol, G.; Maurin, L.; Remy, L.; Arounassalame, V.; Maskrot, H.; Rougeault, S.; Dauvois, V.; Le Tutour, P.; Huot, N.; Ouerdane, Y.; et al. Irradiation Tests of Optical Fibers and Cables Devoted to Corium Monitoring in Case of a Severe Accident in a Nuclear Power Plant. IEEE Transactions on Nuclear Science 2020, 67, 669–678. [Google Scholar] [CrossRef]
- Fernandez, A.; Brichard, B.; Berghmans, F.; Rabii, H.; Fokine, M.; Popov, M. Chemical Composition Fiber Gratings in a High Mixed Gamma Neutron Radiation Field. IEEE Transactions on Nuclear Science 2006, 53, 1607–1613. [Google Scholar] [CrossRef]
- Cheymol, G.; Remy, L.; Gusarov, A.; Kinet, D.; Megret, P.; Laffont, G.; Blanchet, T.; Morana, A.; Marin, E.; Girard, S. Study of Fiber Bragg Grating Samples Exposed to High Fast Neutron Fluences. IEEE Transactions on Nuclear Science 2018, 65, 2494–2501. [Google Scholar] [CrossRef]
- Melin, G.; Guitton, P.; Montron, R.; Gotter, T.; Robin, T.; Overton, B.; Morana, A.; Rizzolo, S.; Girard, S. Radiation Resistant Single-Mode Fiber With Different Coatings for Sensing in High Dose Environments. IEEE Transactions on Nuclear Science 2019, 66, 1657–1662. [Google Scholar] [CrossRef]
- De Pauw, B.; Lamberti, A.; Ertveldt, J.; Rezayat, A.; Van Tichelen, K.; Vanlanduit, S.; Berghmans, F. Vibration Monitoring Using Fiber Optic Sensors in a Lead-Bismuth Eutectic Cooled Nuclear Fuel Assembly. Sensors 2016, 16, 571. [Google Scholar] [CrossRef]
- Girard, S.; Alessi, A.; Richard, N.; Martin-Samos, L.; De Michele, V.; Giacomazzi, L.; Agnello, S.; Francesca, D.D.; Morana, A.; Winkler, B.; et al. Overview of Radiation Induced Point Defects in Silica-Based Optical Fibers. Reviews in Physics 2019, 4, 100032. [Google Scholar] [CrossRef]
- Girard, S.; Kuhnhenn, J.; Gusarov, A.; Morana, A.; Paillet, P.; Robin, T.; Weninger, L.; Fricano, F.; Roche, M.; Campanella, C.; et al. Overview of Radiation Effects on Silica-Based Optical Fibers and Fiber Sensors. IEEE Transactions on Nuclear Science 2024. [CrossRef]
- Kashaykin, P.F.; Tomashuk, A.L.; Vasiliev, S.A.; Britskiy, V.A.; Ignatyev, A.D.; Ponkratov, \.Y.V.; Kulsartov, T.V.; Samarkhanov, K.K.; Gnyrya, V.S.; Zarenbin, A.V.; et al. Radiation Resistance of Single-Mode Optical Fibers at 1.55 Micron Under Irradiation at IVG.1M Nuclear Reactor. IEEE Transactions on Nuclear Science 2020, 67, 2162–2171. [CrossRef]
- Brichard, B.; Fernandez Fernandez, A.; Ooms, H.; Berghmans, F.; Decréton, M.; Tomashuk, A.; Klyamkin, S.; Zabezhailov, M.; Nikolin, I.; Bogatyrjov, V.; et al. Radiation-Hardening Techniques of Dedicated Optical Fibres Used in Plasma Diagnostic Systems in ITER. Journal of Nuclear Materials 2004, 329–333, 1456–1460. [Google Scholar] [CrossRef]
- Girard, S.; Morana, A.; Ladaci, A.; Robin, T.; Mescia, L.; Bonnefois, J.J.; Boutillier, M.; Mekki, J.; Paveau, A.; Cadier, B.; et al. Recent advances in radiation-hardened fiber-based technologies for space applications. Journal of Optics 2018, 20, 093001. [Google Scholar] [CrossRef]
- Birri, A.; Sweeney, D.; Hyer, H.; Schreiber, B.; Petrie, C. Development of Optical Fiber-Based Sensors for Nuclear Microreactor Structural Health Monitoring. Technical Report ORNL/TM–2023/2984, 1994659, 2023. [CrossRef]
- Laffont, G.; Cotillard, R.; Roussel, N.; Desmarchelier, R.; Rougeault, S. Temperature Resistant Fiber Bragg Gratings for On-Line and Structural Health Monitoring of the Next-Generation of Nuclear Reactors. Sensors 2018, 18, 1791. [Google Scholar] [CrossRef]
- Kashaykin, P.; Tomashuk, A.; Vasiliev, S.; Ignatyev, A.; Shaimerdenov, A.; Ponkratov, \.Y.; Kulsartov, T.; Kenzhin, Y.; Kh. Gizatulin, \.S.; Zholdybayev, T.; et al. Radiation Resistance of Single-Mode Optical Fibres with View to in-Reactor Applications. Nuclear Materials and Energy 2021, 27, 100981. [CrossRef]
- Zhao, X.; Zhang, D.P.; Li, H.C.; Wang, Y.J. A Novel High-temperature Sensor Based on Fiber Bragg Grating. In Proceedings of the 2022 20th International Conference on Optical Communications and Networks (ICOCN), Shenzhen, China; 2022; pp. 1–3. [Google Scholar] [CrossRef]
- Madan, A.; Liu, O.; Jiang, W.; Wang, Y.; Shum, P.P.; Hao, J. Carbon-Steel Tube Surface Mounted FBG Sensors under High-Temperature Environment, Part I: Polyimide Coated and Femtosecond Laser Written. In Proceedings of the 2020 IEEE 5th Optoelectronics Global Conference (OGC), Shenzhen, China; 2020; pp. 125–129. [Google Scholar] [CrossRef]
- Madan, A.; Liu, O.; Lim, J.L.; Jiang, W.; Wang, Y.; Shum, P.P.; Hao, J. Carbon-Steel Tube Surface Mounted FBG Sensors under High-Temperature Environment, Part II: Gold Coated and Femtosecond Laser Written. In Proceedings of the 2020 IEEE 5th Optoelectronics Global Conference (OGC), Shenzhen, China; 2020; pp. 130–133. [Google Scholar] [CrossRef]
- Tian, Q.; Xin, G.; Lim, K.S.; Ee, Y.J.; Xue, F.; He, Y.; Zhu, J.; Ahmad, H.; Liu, X.; Yang, H. Optical Fiber Sensor With Double Tubes for Accurate Strain and Temperature Measurement Under High Temperature up to 1000 ⌃\circC. IEEE Sensors Journal 2022, 22, 11710–11716. [Google Scholar] [CrossRef]
- Li, J.; Chen, Q.; Zhou, J.; Cao, Z.; Li, T.; Liu, F.; Yang, Z.; Chang, S.; Zhou, K.; Ming, Y.; et al. Radiation Damage Mechanisms and Research Status of Radiation-Resistant Optical Fibers: A Review. Sensors 2024, 24, 3235. [Google Scholar] [CrossRef] [PubMed]
- Zheng, J.; Cao, H.; Zhang, S.; Lu, J.; Cao, S.; Li, W.; Yu, K.; Shi, F.; Wei, W. High Mechanical Strength Thermally Regenerated Fiber Bragg Gratings for High-Temperature Stress Monitoring. IEEE Transactions on Instrumentation and Measurement 2024, 73, 1–7. [Google Scholar] [CrossRef]
- Sato, K.A.; De Moura, C.C.; Filho, A.C.R.; Moreira, L.C.J.; Kalinowski, H.J.; Abe, I.; De Oliveira, V. RFBG Thermal Aging Evaluation Above Regeneration Temperature. IEEE Sensors Journal 2022, 22, 18486–18492. [Google Scholar] [CrossRef]
- Li, J.; Zhang, D.; Wen, X.; Li, L. Fabrication and Temperature Characteristics of Thermal Regenerated Fiber Bragg Grating. In Proceedings of the 2012 Symposium on Photonics and Optoelectronics, Shanghai, China; 2012; pp. 1–4. [Google Scholar] [CrossRef]
- Kumar, J.; Prakash, O.; Mahakud, R.; Agrawal, S.K.; Mokhariwale, A.; Dixit, S.K.; Nakhe, S.V. Studies on the Stability of Regenerated Fiber Bragg Gratings at 1100 ⌃\circC. In Proceedings of the 2015 Workshop on Recent Advances in Photonics (WRAP), Bangalore, India; 2015; pp. 1–4. [Google Scholar] [CrossRef]
- Vimal, M.; Chalackal, A.T.; Kanakambaran, S. Performance Analysis of Metal-Coated Fiber Bragg Gratings for Strain Sensing at High Temperatures. In Proceedings of the 2021 IEEE Region 10 Symposium (TENSYMP), Jeju, Korea, Republic of; 2021; pp. 1–4. [Google Scholar] [CrossRef]
- De Pauw, B.; Lamberti, A.; Rezayat, A.; Ertveldt, J.; Vanlanduit, S.; Van Tichelen, K.; Geernaert, T.; Berghmans, F. Signal-to-Noise Ratio Evaluation of Fibre Bragg Gratings for Dynamic Strain Sensing at Elevated Temperatures in a Liquid Metal Environment. Journal of Lightwave Technology 2015, 33, 2378–2385. [Google Scholar] [CrossRef]
- Morana, A.; Marin, E.; Lablonde, L.; Blanchet, T.; Robin, T.; Cheymol, G.; Laffont, G.; Boukenter, A.; Ouerdane, Y.; Girard, S. Radiation Effects on Fiber Bragg Gratings: Vulnerability and Hardening Studies. Sensors 2022, 22, 8175. [Google Scholar] [CrossRef]
- Fernandez, A.F.; Brichard, B.; Berghmans, F. Long-Term Radiation Effects on Fiber Bragg Grating Temperature Sensors in Mixed Gamma Neutron Fields.
- Cheymol, G.; Long, H.; Villard, J.F.; Brichard, B. High Level Gamma and Neutron Irradiation of Silica Optical Fibers in CEA OSIRIS Nuclear Reactor. IEEE Transactions on Nuclear Science 2008, 55, 2252–2258. [Google Scholar] [CrossRef]
- Melin, G.; Barnini, A.; Morana, A.; Girard, S.; Guitton, P.; Montron, R. Combined Effect of Radiation and Temperature: Towards Optical Fibers Suited to Distributed Sensing in Extreme Radiation Environments. In Proceedings of the 2019 19th European Conference on Radiation and Its Effects on Components and Systems (RADECS), Montpellier, France; 2019; pp. 1–4. [Google Scholar] [CrossRef]
- Morana, A.; Campanella, C.; Aubrey, M.; Marin, E.; Boukenter, A.; Ouerdane, Y.; Girard, S. Temperature Dependence of Low-Dose Radiation-Induced Attenuation of Germanium-Doped Optical Fiber at Infrared Wavelengths. IEEE Transactions on Nuclear Science 2022, 69, 512–517. [Google Scholar] [CrossRef]
- Girard, S.; Vivona, M.; Mescia, L.; Laurent, A.; Ouerdane, Y.; Marcandella, C.; Prudenzano, F.; Boukenter, A.; Robin, T.; Cadier, B.; et al. Radiation Hardening Techniques for Rare-Earth-Based Optical Fibers and Amplifiers. In Proceedings of the SPIE LASE, San Francisco, California, USA; 2012; p. 82460. [Google Scholar] [CrossRef]
- Aimasso, A.; Dalla Vedova, M.D.L.; Maggiore, P. Analysis of FBG Sensors Performances When Integrated Using Different Methods for Health and Structural Monitoring in Aerospace Applications. In Proceedings of the 2022 6th International Conference on System Reliability and Safety (ICSRS), Venice, Italy; 2022; pp. 138–144. [Google Scholar] [CrossRef]
- De Pauw, B.; Vanlanduit, S.; Van Tichelen, K.; Geernaert, T.; Thienpont, H.; Berghmans, F. Fibre-optic sensor based measurements of flow-induced vibration in a liquid metal cooled nuclear reactor set-up. In Proceedings of the 2017 25th Optical Fiber Sensors Conference (OFS); 2017; pp. 1–4. [Google Scholar] [CrossRef]
- Aimasso, A.; Ferro, C.G. Proposal of a Standard Method to Define a Best Practice for Bonding FBG Sensors for Aerospace Use. In Proceedings of the 2023 IEEE 10th International Workshop on Metrology for AeroSpace (MetroAeroSpace), Milan, Italy; 2023; pp. 498–502. [Google Scholar] [CrossRef]
- Nguyen, Q.V.; Chiang, C.C.; Tsai, L. Enhanced Sensitivity of Bare Fbg Pressure Sensor Based on the Oval-Shaped 3d Printed Structure. SSRN Electronic Journal 2022. [Google Scholar] [CrossRef]
- Paloschi, D.; Polimadei, A.; Korganbayev, S.; Orsetti, V.; Mazzotta, C.; Cigada, A.; Caponero, M.A.; Saccomandi, P. Three-Dimensional-Printed Sensing Samples Embedding Fiber Bragg Gratings: Metrological Evaluation of Different Sample Materials and Fiber Coatings. IEEE Transactions on Instrumentation and Measurement 2023, 72, 1–10. [Google Scholar] [CrossRef]

























| FBG ID | Wavelength (nm) | Reflectivity (%) |
|---|---|---|
| FBG1 | 1539.64 | 54.82 |
| FBG2 | 1544.03 | 54.45 |
| FBG3 | 1548.01 | 54.02 |
| FBG4 | 1551.94 | 53.55 |
| FBG’s ID | First Cycle | Second Cycle |
|---|---|---|
| (pm/°C) | (pm/°C) | |
| FBG1 | 12.33 | 12.37 |
| FBG2 | 12.43 | 12.48 |
| FBG3 | 12.51 | 12.56 |
| FBG4 | 12.62 | 12.61 |
| Cycle | First Test | Second Test |
|---|---|---|
| FBG4 (nm/mm) | FBG1 (nm/mm) | |
| 1 | 2.026 | 3.254 |
| 2 | 2.392 | 3.415 |
| 3 | 2.55 | 3.585 |
| 4 | 2.64 | 3.954 |
| 5 | 2.821 | 2.790 |
| 6 | 2.36 | 2.366 |
| Sensor | First Cycle | Second Cycle | ||
|---|---|---|---|---|
| R2 | RMSE (°C) | R2 | RMSE (°C) | |
| FBG1 | 0.9946 | 5.20 | 0.9946 | 5.06 |
| FBG2 | 0.9948 | 5.08 | 0.9948 | 4.85 |
| FBG3 | 0.9959 | 4.52 | 0.9959 | 4.44 |
| FBG4 | 0.9981 | 3.12 | 0.9981 | 2.98 |
| Test | RMSE (°C) | R2 |
|---|---|---|
| First Test | 7.28 | 0.992 |
| Second Test | 4.03 | 0.998 |
| Cycle | First Cycle - RMSE (°C) | Second Cycle - RMSE (°C) |
|---|---|---|
| 1 | 6.35 | 10.09 |
| 2 | 11.30 | 5.91 |
| 3 | 9.79 | 14.29 |
| 4 | 1.40 | 2.07 |
| 5 | 0.73 | 5.76 |
| 6 | 1.92 | 3.98 |
| Cycle | First Test - FBG4 | Second Test - FBG1 |
|---|---|---|
| RMSE (mm) | RMSE (mm) | |
| 1 | 0.0117 | 0.0164 |
| 2 | 0.0076 | 0.0239 |
| 3 | 0.01525 | 0.0141 |
| 4 | 0.01605 | 0.0219 |
| 5 | 0.0112 | 0.0180 |
| 6 | 0.0125 | 0.0234 |
Disclaimer/Publisher’s Note: The statements, opinions and data contained in all publications are solely those of the individual author(s) and contributor(s) and not of MDPI and/or the editor(s). MDPI and/or the editor(s) disclaim responsibility for any injury to people or property resulting from any ideas, methods, instructions or products referred to in the content. |
© 2025 by the authors. Licensee MDPI, Basel, Switzerland. This article is an open access article distributed under the terms and conditions of the Creative Commons Attribution (CC BY) license (http://creativecommons.org/licenses/by/4.0/).