Preprint
Article

This version is not peer-reviewed.

Stability Analysis of Boost PFC Considering the External Impedance

Submitted:

05 October 2024

Posted:

08 October 2024

You are already at the latest version

Abstract

This stability analysis method is simply represented and understood on a Bode plot of two impedances without complex equations. The external impedance of the charging system is properly quantified and designed based on the stability criteria by analyzing.

Keywords: 
;  ;  

1. Introduction

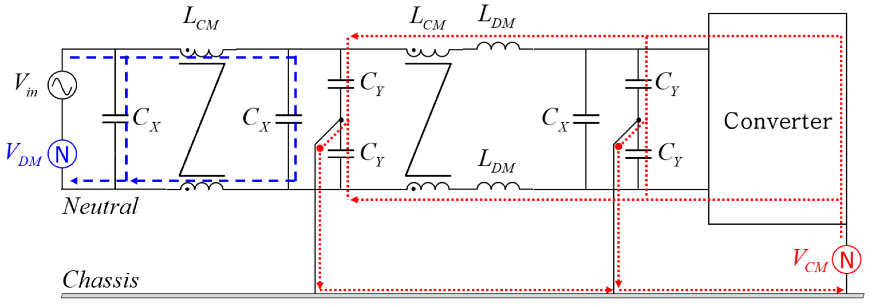
The charging system installed in electric vehicles typically comprises three components, as illustrated in Figure 1: an Electromagnetic Interference (EMI) filter for compliance with electromagnetic regulations, a Power Factor Correction (PFC) circuit for reactive power compensation, and a DC-DC circuit to meet a wide output voltage range.
Electric vehicles charge at various charging stations depending on the situation. Therefore, the charging system of an electric vehicle, unlike conventional power conversion devices, encounters various external impedances (External block in Figure 1). Such external impedances affect the response characteristics and stability of the charging system. To ensure the reliability of the charging system, it is necessary to assess the stability based on the external impedance.
In this paper, for the sake of simplicity, the stability of the DC-DC circuit within the charging system is assumed to be stable. Subsequently, the stability of the system, composed of external impedance, EMI filter, and boost PFC, is analyzed. Specifically, The stability is determined by employing the relationship between the output impedance, which includes external impedance and the EMI filter, and the input impedance of the boost PFC, similar to the approach taken in the study by R. D. Middlebrook [1].

2. Impedance Analysis

In this paper, as shown in Figure 2, the system is composed of a 2-stage PI filter and a bridgeless totem pole boost PFC converter. Z o f 0 s is the output impedance of an EMI filter, and Z i U s is the input impedance of the boost PFC.

2.1. EMI Filter Output Impedance with the External Impedance

In this section, discuss the impedance analysis of the EMI filter and explore the impedance analysis when external impedance is considered.

2.1.1. Differential Mode Loop

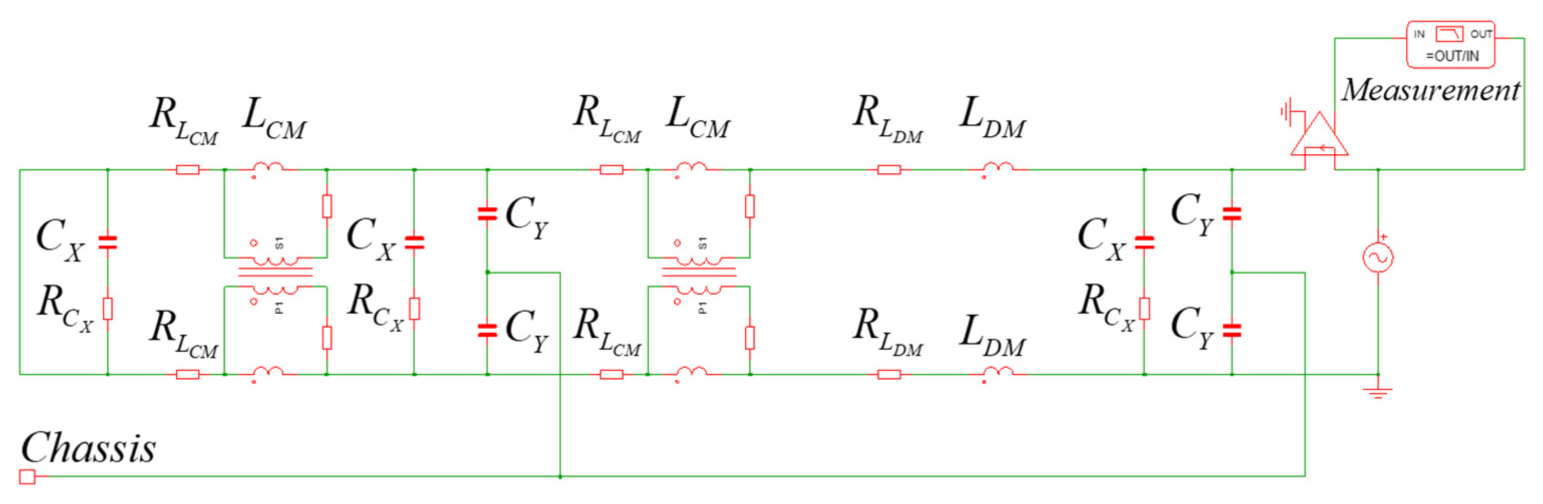
EMI filters are generally classified into two types based on the type of noise : CM (Common Mode) noise and DM (Differential Mode) noise. CM components include CM inductors and Y-capacitors, while DM components include DM inductors and X-capacitors. Figure 3 illustrates the typical structure of an EMI filter. There is CM noise forming a loop through the chassis and DM noise forming a loop through the neutral line.
Figure 4 depicts the entire EMI filter with a chassis. Figure 5 represents the circuit of the DM loop. Figure 6 illustrates the input shorted output impedance of the two circuits. The parameters of the EMI filter used in the simulation are indicated in Table 1.
C X C Y L C M L D M R C X R L C M R L D M Even when considering only the components of the DM loop, as shown in Figure 6, it has the same effect as considering the impedance of the entire circuit. In other words, in the stability analysis of complex EMI filters, the effects of the CM loop can be eliminated to simplify the analysis.
The stability analysis in power conversion devices is defined when input and output form a loop. In the case of the EMI filter, the loop formed by DM noise affects stability. On the contrary, the loop formed by CM noise does not affect stability. Therefore, from the perspective of the EMI filter at the input, only the components forming the loop with the input voltage are considered. In other words, only the X-capacitors related to DM noise are taken into account.

2.1.2. Impedance Analysis with the External Impedance

Generally, the grid impedance of a power system consists of inductive and resistive components. In this paper, the term 'external impedance' is used instead of 'grid impedance' for a more conventional stability analysis.
When external impedance is added, define the impedance Z o f 0 E x t s by shorting the voltage source side, not the termination side of the EMI filter, as indicated in Figure 7.

2.2. Boost PFC Input Impedance

The control block diagram for deriving the input impedance of the boost PFC is illustrated in Figure 8, and the input impedance is represented by Equation (1). The boost PFC input impedance Z i U s is influenced by the current control loop. Assuming that the voltage control loop has a crossover frequency significantly lower than the current control loop crossover frequency, it is considered to have no impact. After the crossover frequency, the Boost PFC inductor leads the phase by +90° [3].
Z i U s = 1 + T i s K v i n F m F i s G i d s + G i s s

3. Stability Analysis of Boost PFC Considering the External Impedance

The stability of the system with coupled external impedance is defined by a new characteristic equation, known as the minor loop gain T m n s . The uncoupled loop gain T m U s represents the loop gain of the converter with ideal input and output. It is equivalent to the loop gain commonly used in practice [10]. For stability analysis considering the influence of the input impedance, T m U s is assumed to be stable, and the minor loop gain T m n s is analyzed.
Using SIMPLIS to simulate in the frequency-domain and time-domain, it was confirmed that T m n s determines the stability of the whole system. For the convenience of analysis, the simulation considers only the external impedance, EMI filter, and boost PFC in the OBC system.
The EMI filter consists of a 2-stage PI filter with CM filters, as shown in Figure 2. The parameters related to the EMI filter are presented in Table 2. The boost PFC is a Bridgeless Totem Pole Boost PFC converter, as illustrated in Figure 2. The parameters associated with the boost PFC are presented in Table 3. For current control and voltage control, a Type II compensator, as represented Equation (2), was implemented..
Figure 9 illustrates the current loop gain T i s and T m U s using the parameters that were mentioned earlier. The crossover frequency of T i s is 7.15 kHz, and the phase margin is 45°. And The crossover frequency of T m U s is 1.5 Hz, and the phase margin is 91°.
C X C Y L C M R C X R L C M
V i n , r m s F V i n V o I o F s w L R L R C V m
K V i n K I i n K V o K F i ω i , z ω i , p ω i , c K F i ω v , z ω v , p ω v , c 1 2 π 5 2 π 7.15 2 π 10 2 π 37.5 2 π 1.5 2 π
F c o n s = K c o n 1 s 1 + s ω c o n , z 1 + s ω c o n , p

3.1. Stability Criteria with the External Impedance

The minor loop gain T m n s describes the relationship between the output impedance Z o f 0 E x t s of an EMI filter with external impedance included, and the input impedance Z i U s of a boost PFC. The stability criteria of the minor loop gain can be performed in the same manner as the conventional loop gain. These relationships are represented in equation (3). Figure 10 depicts the bode plot of T m n s using Z i U s and Z o f 0 E x t s .
1 + T m U s 1 + Z o f 0 E x t s Z i U s = 1 + T m U s 1 + T m n s

3.2. Converter Performance under System Interaction

While varying the inductance L E x t of the external impedance, consider scenarios where the minor loop gain becomes stable or unstable. In this case, the resistance of the external impedance R E x t is fixed at 100mΩ.
Figure 11 represents the minor loop gain T m n s , while Figure 12 depicts the input voltage and current of the boost PFC.
When L E x t is 2mH, the phase margin is 2.4°, system is stable. On the other hand, when L E x t is 500uH, the phase margin is -1°, system is unstable. The effectiveness of the stability criteria is confirmed through simulations in both the frequency domain and time domain. As predicted in the frequency domain, in an unstable condition, the input voltage and current resonate. Therefore, it can be concluded that the stability criteria through the minor loop gain T m n s is verified.

4. Conclusions

This paper has summarized the stability analysis approach considering external impedance. The relationship between Z o f 0 E x t s and Z i U s , in other words, using the minor loop gain T m n s , can be employed to determine stability. The results were validated through simulations, confirming the effectiveness of the stability analysis approach. Generally, instability occurs when the phase difference ( Z o f 0 E x t s Z i U s ) at the intersection point of two impedances is greater than -180°
To simplify the explanation for better understanding using circuit theory, it can be described as follows. As depicted in Figure 13, most power conversion devices are divided into a source and a load. And there are source impedance and load impedance. If the magnitudes of the source impedance and load impedance are equal, and their phases are opposite, the current will flow to infinity. Therefore, this can be considered as the system being unstable. In the charging system, the source impedance can be thought of as Z o f 0 E x t s , and the load impedance as Z i U s . Thus, as indicated in equation (4) the minor loop gain T m n s can be defined with the numerator as the source impedance Z S s and the denominator as the load impedance Z L s .
The charging system installed in electric vehicles must operate in various charging environments. The system might become unstable and, in certain situations, could face the possibility of being destroyed. Therefore, an analysis of the impedance specifications for which the system can operate is required. The external impedance of the system is properly quantified and designed based on the stability criteria by analyzing T m n s .
T m n s = Z S s Z L s

Appendix A: Input Filter Interaction Example with SIMPLIS Elements

In this section, explain the example from the Conclusion using the SIMPLIS Elements version. In the given example, a Buck converter was employed, and the system interaction was observed by modifying the resistance of the filter. Following the parameters and elements depicted in the figures makes it easy to verify the system interaction.
When configuring the SIMPLIS schematic as shown in Figure A1, frequency domain measurements become possible. In this case, it is necessary to add SIMPLIS's unique feature, the POP Trigger element. Setting the resistance value R3 of the filter to 300mΩ results in stability, while setting it to 30mΩ leads to instability. Subsequently, the measurement results in the frequency domain are illustrated in Figure A2.
To validate the stability criteria, a time-domain simulation is performed. As illustrated in Figure A3, configure the schematic accordingly and perform a transient analysis. The results of the time-domain simulation in Figure A4 display that in unstable conditions, the input and output voltages and currents exhibit divergence.
Figure A1. SIMPLIS schematic for frequency domain measurements.
Figure A1. SIMPLIS schematic for frequency domain measurements.
Preprints 120314 g0a1
Figure A2. The stability criteria in frequency domain of buck converter.
Figure A2. The stability criteria in frequency domain of buck converter.
Preprints 120314 g0a2
Figure A3. SIMPLIS schematic for time domain measurements.
Figure A3. SIMPLIS schematic for time domain measurements.
Preprints 120314 g0a3
Figure A4. Converter performance in time domain of buck converter.
Figure A4. Converter performance in time domain of buck converter.
Preprints 120314 g0a4

References

  1. R. D. Middlebrook, Input filter considerations in design and application of switching regulators, in Conf. Rec. IEEE-IAS Annu. Meeting, 1976, pp. 366-382.
  2. R. D. Middlebrook, Measurement of loop gain in feedback systems†, International Journal of Electronics, vol. 38, no. 4. Informa UK Limited, pp. 485–512, Apr-1975.
  3. J. Sun, Input Impedance Analysis of Single-Phase PFC Converters, IEEE Transactions on Power Electronics, vol. 20, no. 2. Institute of Electrical and Electronics Engineers (IEEE), pp. 308–314, Mar-2005.
  4. Pidaparthy, S.K.; Choi, B. Input Impedances of PWM DC-DC Converters: Unified Analysis and Application Example, Journal of Power Electronics, vol. 16, no. 6. The Korean Institute of Power Electronics, pp. 2045–2056, 20-Nov-2016. [CrossRef]
  5. Spiazzi, G.; Pomilio, J. Interaction between EMI filter and power factor preregulators with average current control: analysis and design considerations, APEC ’99. Fourteenth Annual Applied Power Electronics Conference and Exposition. 1999 Conference Proceedings (Cat. No.99CH36285). IEEE, 1999. [CrossRef]
  6. Huliehel, F.; Lee, F.; Cho, B. Small-signal modeling of the single phase boost high power factor converter with constant frequency control, in Proc. IEEE PESC, 1992, pp. 475-482.
  7. Shin, J.-W.; Cho, B.-H. Digitally Implemented Average Current-Mode Control in Discontinuous Conduction Mode PFC Rectifier, IEEE Trans. Power Electron., vol. 27, no. 7, pp. 3363-3373, Jul. 2012. [CrossRef]
  8. R. B. Ridley, A New Small-Signal Model for Current Mode Control, Ph. D. Dissertation, Virginia Polytechnic Institute and State University, Blacksburg, VA, Nov. 1990.
  9. Tang, W.; Lee, F.; Ridley, R. Small-signal modeling of average current mode control, IEEE Trans. on Power Electron., vol. 8, no. 2, pp.112-119, Apr. 1993.
  10. Byungcho Choi, Pulsewidth Modulated DC-to-DC Power Conversion: Circuits, Dynamics, Control, and DC Power Distribution Systems, 2nd ed., Wiley-IEEE Press, 2021.
Figure 1. External impedance-connected On-Board Charger system.
Figure 1. External impedance-connected On-Board Charger system.
Preprints 120314 g001
Figure 2. Figure 2. System configuration.
Figure 2. Figure 2. System configuration.
Preprints 120314 g002
Figure 3. Figure 3. The typical structure of an EMI filter.
Figure 3. Figure 3. The typical structure of an EMI filter.
Preprints 120314 g003
Figure 4. Figure 4. The entire circuit of the EMI filter with a chassis.
Figure 4. Figure 4. The entire circuit of the EMI filter with a chassis.
Preprints 120314 g004
Figure 5. Figure 5. The circuit of the DM loop.
Figure 5. Figure 5. The circuit of the DM loop.
Preprints 120314 g005
Figure 6. Figure 6. The input shorted output impedance Z o f 0 s of the two circuits.
Figure 6. Figure 6. The input shorted output impedance Z o f 0 s of the two circuits.
Preprints 120314 g006
Figure 7. The input shorted output impedance Z o f 0 E x t s with external impedance.
Figure 7. The input shorted output impedance Z o f 0 E x t s with external impedance.
Preprints 120314 g007
Figure 7. The boost PFC control block diagram.
Figure 7. The boost PFC control block diagram.
Preprints 120314 g008
Figure 9. Figure 9. The bode plot of T i s and T m U s .
Figure 9. Figure 9. The bode plot of T i s and T m U s .
Preprints 120314 g009
Figure 10. Figure 10. The minor loop gain T m n s .
Figure 10. Figure 10. The minor loop gain T m n s .
Preprints 120314 g010
Figure 11. Figure 11. The minor loop gain T m n s .
Figure 11. Figure 11. The minor loop gain T m n s .
Preprints 120314 g011
Figure 12. Figure 12. Converter performance in the time domain.
Figure 12. Figure 12. Converter performance in the time domain.
Preprints 120314 g012
Figure 13. Figure 13. The simplified structure of most power conversion devices.
Figure 13. Figure 13. The simplified structure of most power conversion devices.
Preprints 120314 g013
Table 1. The parameters of the EMI filter
Table 1. The parameters of the EMI filter
C X C Y L C M L D M R C X R L C M R L D M
Value 1 47 2 1 10 10 1
Unit μF nF mH μH m m m
Table 2. The parameters of the EMI filter consists of a 2-stage PI filter
Table 2. The parameters of the EMI filter consists of a 2-stage PI filter
C X C Y L C M R C X R L C M
Value 2.2 47 2 1 10
Unit μF nF mH m m
Table 3. The parameters of the Bridgeless Totem Pole Boost PFC converter
Table 3. The parameters of the Bridgeless Totem Pole Boost PFC converter
Power V i n , r m s F V i n V o I o F s w L R L C R C V m
Value 7.4 220 50 400 18.5 55 200 5 900 22 10
Unit kW V Hz V A kHz μH mΩ μF mΩ V
Table 4. The parameters of the boost PFC converter controller
Table 4. The parameters of the boost PFC converter controller
Sensor Gain Current Controller Voltage Controller
K V i n K I i n K V o K F i ω i , z ω i , p ω i , c K F i ω v , z ω v , p ω v , c
Value 5 30 3.5 85000 1 2 π 5 2 π 7.15 2 π 20 10 2 π 37.5 2 π 1.5 2 π
Unit mV/A mV/A mV/V - krad/s krad/s krad/s - rad/s krad/s rad/s
Disclaimer/Publisher’s Note: The statements, opinions and data contained in all publications are solely those of the individual author(s) and contributor(s) and not of MDPI and/or the editor(s). MDPI and/or the editor(s) disclaim responsibility for any injury to people or property resulting from any ideas, methods, instructions or products referred to in the content.
Copyright: This open access article is published under a Creative Commons CC BY 4.0 license, which permit the free download, distribution, and reuse, provided that the author and preprint are cited in any reuse.
Prerpints.org logo

Preprints.org is a free preprint server supported by MDPI in Basel, Switzerland.

Subscribe

Disclaimer

Terms of Use

Privacy Policy

Privacy Settings

© 2026 MDPI (Basel, Switzerland) unless otherwise stated